Абонентские оптические терминалы
NTU-RG-54xx
Версия ПО 2.5.11 (08.2024)
IP-адрес: http://192.168.1.1
Логин: user
Пароль: user
Введение
Сеть GPON относится к одной из разновидностей пассивных оптических сетей PON. Это одно из самых современных и эффективных решений задач «последней мили», позволяющее существенно экономить на кабельной инфраструктуре и обеспечивающее скорость передачи информации до 2,5 Гбит/с в направлении downlink и 1,25 Гбит/с в направлении uplink. Использование в сетях доступа решений на базе технологии GPON дает возможность предоставлять конечному пользователю доступ к новым услугам на базе протокола IP совместно с традиционными сервисами.
Основным преимуществом GPON является использование одного станционного терминала (OLT) для нескольких абонентских устройств (ONT). OLT является конвертером интерфейсов Gigabit Ethernet и GPON, служащим для связи сети PON с сетями передачи данных более высокого уровня. Устройство ONT предназначено для подключения к услугам широкополосного доступа оконечного оборудования клиентов. Может применяться в жилых комплексах и бизнес-центрах.
Линейка оборудования ONT NTU производства «ЭЛТЕКС» представлена терминалами, которые рассчитаны на четыре UNI-интерфейса 10/100/1000BASE-T и поддержку интерфейсов FXS 1 , Wi-Fi, USB, Z-Wave 2 , RF 3 :
- NTU-RG-5402G-W, NTU-RG-5421G-Wac, NTU-RG-5421GC-Wac, NTU-RG-5421G-WZ, NTU-RG-5440G-WZ, NTU-RG-5440G-Wac, NTU-RG-5420G-Wac, NTU-RG-5420G-WZ, NTU-RG-5421G-Wac rev.B, NTU-RG-5421G-WZ rev.B, NTU-RG-5440G-Wac rev.B, NTU-RG-5440G-WZ rev.B.
В настоящем руководстве по эксплуатации изложены назначение, основные технические характеристики, правила конфигурирования, мониторинга и смены программного обеспечения оптических терминалов серии NTU-RG.
Примечания и предупреждения
Подсказки содержат важную информацию, советы или рекомендации по использованию и настройке устройства.
Примечания содержат важную информацию, советы или рекомендации по использованию и настройке устройства.
Предупреждения информируют пользователя о ситуациях, которые могут нанести вред устройству или человеку, привести к некорректной работе устройства или потере данных.
1 Для устройств NTU-RG-5402G-W, NTU-RG-5421G-Wac, NTU-RG-5421GC-Wac, NTU-RG-5421G-WZ, NTU-RG-5421G-Wac rev.B, NTU-RG-5421G-WZ rev.B.
2 Для устройств NTU-RG-5420G-WZ, NTU-RG-5421G-WZ, NTU-RG-5440G-WZ, NTU-RG-5421G-WZ rev.B, NTU-RG-5440G-WZ rev.B.
3 Для устройства NTU-RG-5421GC-Wac.
Описание изделия
Назначение
Устройства NTU-RG GPON ONT (Gigabit Passive Optical Network) – высокопроизводительные абонентские терминалы, предназначенные для связи с вышестоящим оборудованием пассивных оптических сетей и предоставления услуг широкополосного доступа конечному пользователю. Связь с сетями GPON реализуется посредством PON-интерфейса, для подключения оконечного оборудования клиентов служат интерфейсы Ethernet.
Преимуществом технологии GPON является оптимальное использование полосы пропускания. Эта технология является следующим шагом для обеспечения новых высокоскоростных интернет-приложений дома и в офисе. Разработанные для развертывания сети внутри дома или здания, данные устройства ONT обеспечивают надежное соединение с высокой пропускной способностью на дальние расстояния для пользователей, живущих и работающих в удаленных многоквартирных зданиях и бизнес-центрах.
Благодаря встроенному маршрутизатору, устройства обеспечивают возможность подключения оборудования локальной сети к сети широкополосного доступа. Терминалы обеспечивают защиту межсетевым экраном для компьютеров в сети от атак DoS и вирусных атак, осуществляют фильтрацию пакетов для осуществления управления доступом на основе портов и MAC/IP-адресов источника/назначения. Пользователи могут настроить домашний или офисный web-сайт, добавив один из LAN-портов в зону DMZ. Функция «Родительский контроль» обеспечивает фильтрацию web-сайтов с нежелательным содержимым и блокировку доменов. Виртуальная частная сеть (VPN) предоставляет мобильным пользователям и филиалам защищенный канал связи для подключения к корпоративной сети.
Порт FXS позволяет пользоваться услугами IP-телефонии, предоставляя множество полезных функций, таких как отображение идентификатора звонящего, трехстороннюю конференцию, телефонную книгу, ускоренный набор. Все это обеспечивает удобство пользователя при наборе номера и приеме телефонных звонков.
Порты USB могут использоваться для подключения USB-устройств (USB-флеш-накопитель, внешний HDD).
Абонентский маршрутизатор NTU-RG-5402G-W, поддерживает подключение по Wi-Fi стандарта b/g/n и позволяет обеспечить работу устройства в частотном диапазоне – 2.4 ГГц. В свою очередь абонентские маршрутизаторы NTU-RG-5421G-Wac, NTU-RG-5421G-WZ, NTU-RG-5421GC-Wac, NTU-RG-5440G-WZ, NTU-RG-5440G-Wac, NTU-RG-5420G-Wac, NTU-RG-5420G-WZ, NTU-RG-5421G-Wac rev.B, NTU-RG-5421G-WZ rev.B, NTU-RG-5440G-Wac rev.B, NTU-RG-5440G-WZ rev.B позволяют подключать клиентов Wi-Fi по стандарту IEEE 802.11a/b/g/n/ac. Поддержка стандарта 802.11ac обеспечивает скорость передачи данных до 1733 Мбит/с и позволяет доставлять современные высокоскоростные сервисы клиентскому оборудованию по беспроводной сети. Два встроенных контроллера Wi-Fi сети позволяют обеспечить работу устройства одновременно в двух частотных диапазонах – 2.4 ГГц и 5 ГГц.
Устройства NTU-RG-5421G-WZ, NTU-RG-5420G-WZ, NTU-RG-5440G-WZ, NTU-RG-5421G-WZ rev.B, NTU-RG-5440G-WZ rev.B в своей комплектации имеют контроллер "Умный дом".
Контроллер "Умный дом" позволяет организовать беспроводной радиоканал с низким энергопотреблением специально для дистанционного управления. В отличие от Wi-Fi и других IEEE 802.11 стандартов передачи данных, предназначенных в основном для больших потоков информации, технология "Умный дом" работает в диапазоне частот до 1 ГГц и оптимизирована для передачи простых управляющих команд с малыми задержками (например, включить/выключить, изменить громкость, яркость и т.д.). Выбор низкого радиочастотного диапазона обусловлен малым количеством потенциальных источников помех (в отличие от загруженного диапазона 2.4 ГГц, в котором приходится прибегать к мероприятиям, уменьшающим возможные помехи от работающих различных бытовых беспроводных устройств — Wi-Fi, ZigBee, Bluetooth).
Контроллер "Умный дом" предназначен для создания недорогой и энергоэффективной потребительской электроники, в том числе устройств на батарейках, таких как пульты дистанционного управления, датчики дыма, температуры, влажности, движения и других датчиков безопасности.
Устройство NTU-RG-5421GC-Wac имеет встроенный RF-выход, к которому подключается телевизор для просмотра аналогового или цифрового кабельного телевидения (при условии предоставления услуги оператором).
Варианты исполнения
Устройства серий NTU-RG отличаются набором интерфейсов и функциональными возможностями, таблица 1.
Таблица 1 – Варианты исполнения
Наименование модели | WAN | LAN | FXS | Z-Wave | TV | Wi-Fi | USB |
|---|---|---|---|---|---|---|---|
NTU-RG-5402G-W | 1xGPON | 4х1Gigabit | 2 | - | - | 802.11n, 2*2 - 300 Мбит/с – 2.4 ГГц | 1 |
NTU-RG-5421G-Wac | 1xGPON | 4х1Gigabit | 1 | - | - | 802.11n, 2*2 - 300 Мбит/с – 2.4 ГГц | 1 |
| NTU-RG-5421GC-Wac | 1xGPON | 4х1Gigabit | 1 | - | 1 | 802.11n, 2*2 - 300 Мбит/с – 2.4 ГГц 802.11ac, 2*2 - 866 Мбит/с – 5 ГГц | 1 |
NTU-RG-5421G-WZ | 1xGPON | 4х1Gigabit | 1 | 1 | - | 802.11n, 2*2 - 300 Мбит/с – 2.4 ГГц | 1 |
NTU-RG-5440G-Wac | 1xGPON | 4х1Gigabit | - | - | - | 802.11n, 2*2 - 300 Мбит/с – 2.4 ГГц | 1 |
NTU-RG-5440G-WZ | 1xGPON | 4х1Gigabit | - | 1 | - | 802.11n, 2*2 - 300 Мбит/с – 2.4 ГГц | 1 |
| NTU-RG-5420G-Wac | 1xGPON | 4х1Gigabit | - | - | - | 802.11n, 2*2 - 300 Мбит/с – 2.4 ГГц 802.11ac, 2*2 - 866 Мбит/с – 5 ГГц | 1 |
| NTU-RG-5420G-WZ | 1xGPON | 4х1Gigabit | - | 1 | - | 802.11n, 2*2 - 300 Мбит/с – 2.4 ГГц 802.11ac, 2*2 - 866 Мбит/с – 5 ГГц | 1 |
| NTU-RG-5421G-Wac rev.B | 1xGPON | 4х1Gigabit | 1 | - | - | 802.11n, 2*2 - 300 Мбит/с – 2.4 ГГц 802.11ac, 2*2 - 866 Мбит/с – 5 ГГц | 1 |
| NTU-RG-5421G-WZ rev.B | 1xGPON | 4х1Gigabit | 1 | 1 | - | 802.11n, 2*2 - 300 Мбит/с – 2.4 ГГц 802.11ac, 2*2 - 866 Мбит/с – 5 ГГц | 1 |
| NTU-RG-5440G-Wac rev.B | 1xGPON | 4х1Gigabit | - | - | - | 802.11n, 2*2 - 300 Мбит/с – 2.4 ГГц 802.11ac, 4*4 - 1733 Мбит/с – 5 ГГц | 1 |
| NTU-RG-5440G-WZ rev.B | 1xGPON | 4х1Gigabit | - | 1 | - | 802.11n, 2*2 - 300 Мбит/с – 2.4 ГГц 802.11ac, 4*4 - 1733 Мбит/с – 5 ГГц | 1 |
Характеристики устройств
Устройства имеют следующие интерфейсы:
- порты RJ-11 для подключения аналоговых телефонных аппаратов (FXS):
- 2 порта в NTU-RG-5402G-W;
- 1 порт в NTU-RG-5421G-Wac, NTU-RG-5421G-WZ, NTU-RG-5421G-Wac rev.B, NTU-RG-5421G-WZ rev.B, NTU-RG-5421GC-Wac.
- 1 порт PON SC/APC для подключения к сети оператора (WAN);
- порты Ethernet RJ-45 LAN для подключения сетевых устройств (LAN):
- 4 порта RJ-45 10/100/1000BASE-T.
- приемопередатчик Wi-Fi:
- 802.11b/g/n в NTU-RG-5402G-W;
- 802.11a/b/g/n/ac в NTU-RG-5420G-Wac, NTU-RG-5420G-WZ, NTU-RG-5421G-Wac, NTU-RG-5421G-WZ, NTU-RG-5421GC-Wac, NTU-RG-5440G-WZ, NTU-RG-5440G-Wac, NTU-RG-5421G-Wac rev.B, NTU-RG-5421G-WZ rev.B, NTU-RG-5440G-WZ rev.B, NTU-RG-5440G-Wac rev.B.
- 1 порт USB 2.0 для подключения внешних накопителей USB или HDD;
- контроллер "Умный дом", входит в состав NTU-RG-5420G-WZ, NTU-RG-5421G-WZ, NTU-RG-5440G-WZ, NTU-RG-5421G-WZ rev.B, NTU-RG-5440G-WZ rev.B;
- 1 RF-порт для подключения кабельного телевидения (CaTV) в NTU-RG-5421GC-Wac.
Питание терминала осуществляется через внешний адаптер:
- для устройств NTU-RG-5402G-W, NTU-RG-5421G-Wac, NTU-RG-5421G-WZ, NTU-RG-5421GC-Wac, NTU-RG-5440G-WZ, NTU-RG-5440G-Wac, NTU-RG-5421G-Wac rev.B, NTU-RG-5421G-WZ rev.B, NTU-RG-5440G-WZ rev.B, NTU-RG-5440G-Wac rev.B от сети 220 В/12 B 2 А;
- для устройств NTU-RG-5420G-Wac, NTU-RG-5420G-WZ от сети 220 В/12 В 1,5 А.
Устройства поддерживают следующие функции:
- cетевые функции:
- работа в режиме «моста» или «маршрутизатора»;
- поддержка PPPoE (auto, PAP-, CHAP- MSCHAP-авторизация);
- поддержка IPoE (DHCP-client и static);
- поддержка статического адреса и DHCP (DHCP-клиент на стороне WAN, DHCP-сервер на стороне LAN);
- передача Multicast трафика по Wi-Fi;
- поддержка DNS (Domain Name System);
- поддержка DynDNS (Dynamic DNS);
- поддержка UPnP (Universal Plug and Play);
- поддержка IPsec (IP Security);
- поддержка NAT (Network Address Translation);
- поддержка Firewall;
- поддержка NTP (Network Time Protocol);
- поддержка механизмов качества обслуживания QoS;
- поддержка IGMP-snooping;
- поддержка IGMP-proxy;
- поддержка функции Parental Control;
- поддержка функции Storage service;
- поддержка SMB, FTP;
- Print Server (поддержан только для LAN);
- VLAN в соответствии с IEEE 802.1Q.
- Wi-Fi:
- IP-телефония 3:
- поддержка протокола SIP;
- аудиокодеки: G.729 (A), G.711(A/U), G.723.1;
- ToS для пакетов RTP;
- ToS для пакетов SIP;
- эхо компенсация (рекомендации G.164, G.165);
- обнаружение голосовой активности (VAD);
- генератор комфортного шума (CNG);
- обнаружение и генерирование сигналов DTMF;
- передача DTMF (INBAND, RFC2833, SIP INFO);
- передача факса: G.711, T.38;
- выдача Caller ID.
- функции ДВО 3:
- удержание вызова – Call Hold;
- передача вызова – Call Transfer;
- уведомление о поступлении нового вызова – Call Waiting;
- безусловная переадресация – Forward unconditionally;
- переадресация по неответу – Forward on "no answer";
- переадресация по занятости – Forward on "busy";
- определитель номера Caller ID по ETSI FSK;
- запрет выдачи Caller ID (анонимный звонок) – Anonymous calling;
- теплая линия – Warmline;
- гибкий план нумерации;
- индикация о наличии сообщений на голосовой почте – MWI;
- блокировка анонимных звонков – Anonymous call blocking;
- запрет на исходящие вызовы – Call Barring;
- "не беспокоить" – DND.
- обновление ПО:
- web-интерфейс;
- TR-069;
- OMCI.
- удаленный мониторинг, конфигурирование и настройка:
- TR-069;
- web-интерфейс;
- OMCI;
- Telnet.
- поддержка контроллера "Умный дом" 4;
- поддержка кабельного телевидения 5 .
1 Для NTU-RG-5402G-W — поддержка стандарта 802.11b/g/n.
2 Для всех устройств, кроме NTU-RG-5402G-W, NTU-RG-5421GС-Wac.
3 Только для NTU-RG-5402G-W, NTU-RG-5421G-Wac, NTU-RG-5421G-WZ, NTU-RG-5421GC-Wac, NTU-RG-5421G-Wac rev.B, NTU-RG-5421G-WZ rev.B.
4 Только для NTU-RG-5421G-WZ, NTU-RG-5420G-WZ, NTU-RG-5440G-WZ, NTU-RG-5421G-WZ rev.B, NTU-RG-5440G-WZ rev.B.
5 Только для NTU-RG-5421GC-Wac.
На рисунках ниже приведены схемы применения оборудования NTU-RG.
Рисунок 1 – Схема применения NTU-RG-5402G-W
Рисунок 2 – Схема применения NTU-RG-5421G-WZ, NTU-RG-5421G-WZ rev.B, NTU-RG-5420G-WZ, NTU-RG-5440G-WZ и NTU-RG-5440G-WZ rev.B
Рисунок 3 – Схема применения NTU-RG-5420G-Wac, NTU-RG-5420G-WZ, NTU-RG-5421G-Wac, NTU-RG-5421G-WZ, NTU-RG-5421GC-Wac, NTU-RG-5440G-WZ, NTU-RG-5440G-Wac, NTU-RG-5421G-Wac rev.B, NTU-RG-5421G-WZ rev.B, NTU-RG-5440G-WZ rev.B и NTU-RG-5440G-Wac rev.B
Основные технические параметры
Основные технические параметры терминалов приведены в таблице 2.
Таблица 2 – Основные технические параметры
Протоколы VoIP
Поддерживаемые протоколы | SIP |
|---|
Аудиокодеки
Кодеки | G.729, annex A |
|---|
Параметры интерфейсов Ethernet LAN
Количество интерфейсов | 4 |
|---|---|
Электрический разъем | RJ-45 |
Скорость передачи, Мбит/с | Автоопределение, 10/100/1000 Мбит/с, |
Поддержка стандартов | IEEE 802.3i 10BASE-T Ethernet |
Параметры интерфейса PON
Количество интерфейсов | 1 |
|---|---|
| Поддержка стандартов | ITU-T G.984.x Gigabit-capable passive optical networks (GPON) ITU-T G.988 ONU management and control interface (OMCI) specification IEEE 802.1Q Tagged VLAN IEEE 802.1P Priority Queues IEEE 802.1D Spanning Tree Protocol |
| Тип разъема | SC/APC соответствует ITU-T G.984.2, ITU-T G.984.5 Filter, FSAN Class B+, SFF-8472 |
| Среда передачи | Оптоволоконный кабель SMF - 9/125, G.652 |
| Коэффициент разветвления | До 1:128 |
| Максимальная дальность действия | 20 км |
| Передатчик: | 1310 нм |
| 1244 Мбит/с |
| +0,5 до +5 дБм |
| 1 нм |
| Приемник: | 1490 нм |
| 2488 Мбит/с |
| от -8 до -28, BER≤1.0x10-10 |
| Оптическая перегрузка приемника | -8 дБм |
Параметры аналоговых абонентских портов
| Количество портов | NTU-RG-5402G-W | NTU-RG-5421G-Wac |
|---|---|---|
| 2 | 1 | |
| Сопротивление шлейфа | До 2 кОм | |
| Прием вызова | Импульсный/частотный (DTMF) | |
| Выдача Caller ID | Есть | |
Параметры беспроводного интерфейса Wi-Fi
| Модель | NTU-RG-5402G-W | NTU-RG-5420G-Wac | NTU-RG-5440G-Wac NTU-RG-5440G-WZ NTU-RG-5440G-Wac rev.B NTU-RG-5440G-WZ rev.B |
|---|---|---|---|
| Стандарт | 802.11 b/g/n | 802.11 a/b/g/n/ac | 802.11 a/b/g/n/ac |
| Частотный диапазон | 2400 ~ 2483,5 МГц | 2400 ~ 2483,5 МГц, 5150 ~ 5350 МГц, 5650 ~ 5850 МГц | |
| Модуляция | CCK, BPSK, QPSK, 16 QAM, 64 QAM, 256 QAM | CCK, BPSK, QPSK, 16 QAM, 64 QAM, 256 QAM | |
| Скорость передачи данных, Мбит/с | – 802.11b/g/n: 1-13 | – 802.11b/g/n: 1-13 | – 802.11b/g/n: 1-13 |
| Максимальная выходная мощность передатчика | – 802.11b (11 Mbps): 17дБм | – 802.11b (11 Mbps): 17 дБм | 2.4 ГГц: – 802.11b (11 Mbps): 18 дБм – 802.11g (54 Mbps): 16 дБм – 802.11n (MCS7): 16 дБм – 802.11n (MCS0): 18 дБм 5 ГГц: – 802.11ac (MCS7): 18 дБм – 802.11ас (MCS0): 20 дБм |
| MAC-протокол | CSMA/CA модель ACK 32 MAC | ||
| Безопасность | 64/128-битное WEP-шифрование данных | ||
| MIMO | 2.4 ГГц - 2х2 | 2.4 ГГц - 2х2, 5 ГГц - 2х2 | 2.4 ГГц - 2х2, 5 ГГц - 4х4 |
| Коэффициент усиления антенны | 5 дБи | ||
| Рабочий диапазон температур | от +5 до +40 °С | ||
Управление
| Локальное управление | Web-интерфейс |
|---|---|
| Удалённое управление | Telnet, TR-069, OMCI |
| Обновление программного обеспечения | OMCI, TR-069, HTTP |
| Ограничение доступа | По паролю |
Общие параметры
| Модель | NTU-RG-5402G-W | NTU-RG-5421GC-Wac | NTU-RG-5440G-Wac NTU-RG-5440G-WZ NTU-RG-5440G-Wac rev.B NTU-RG-5440G-WZ rev.B | NTU-RG-5421G-Wac rev.B NTU-RG-5421G-WZ rev.B NTU-RG-5420G-Wac NTU-RG-5420G-WZ | |
|---|---|---|---|---|---|
| Питание | Адаптер питания 12 В DC/220 В AC | ||||
| Потребляемая мощность | Не более 18 Вт | ||||
| Рабочий диапазон температур | От +5 до +40 °С | ||||
| Относительная влажность | До 80 % | ||||
| Габариты (Ш × В × Г) | 187 × 32 × 120 мм | 220 × 50 × 120 мм | 234 × 34 × 133 мм | 234 × 34 × 133 мм | |
| Масса | 0,3 кг | 0,45 кг | 0,57 кг | 0,3 кг | |
Конструктивное исполнение
Абонентский терминал выполнен в виде настольного изделия в пластиковом корпусе.
Внешний вид задней панели устройств приведен на рисунках 4, 5, 6, 7, 8.
Рисунок 4 – Внешний вид задней панели NTU-RG-5402G-W
Рисунок 5 – Внешний вид задней панели NTU-RG-5421G-Wac и NTU-RG-5421G-WZ
На задней панели устройств NTU-RG-5402G-W, NTU-RG-5421G-Wac и NTU-RG-5421G-WZ расположены следующие разъемы и органы управления, таблица 3.
Таблица 3 – Описание разъемов и органов управления задней панели
№ | Элемент задней панели | Описание |
|---|---|---|
1 | On/Off | Кнопка питания |
2 | 12V | Разъем подключения адаптера питания |
3 | PON | Разъем SC (розетка) PON оптического интерфейса GPON |
4 | USB | Разъем для подключения внешних накопителей и других USB-устройств |
5 | Phone | Разъем RJ-11 для подключения аналогового телефонного аппарата:
|
6 | LAN 10/100/1000 1..4 | 4 разъема RJ-45 для подключения сетевых устройств |
Рисунок 6 – Внешний вид задней панели NTU-RG-5421GС-Wac
На задней панели устройства расположены следующие разъемы и органы управления, таблица 4.
Таблица 4 – Описание разъемов и органов управления задней панели
№ | Элемент задней панели | Описание |
|---|---|---|
1 | On/Off | Кнопка питания |
2 | 12V | Разъем подключения адаптера питания |
3 | USB | Разъем для подключения внешних накопителей и других USB-устройств |
4 | TV | RF-порт для подключения коаксиального кабеля |
5 | Phone | Разъем RJ-11 для подключения аналогового телефонного аппарата. |
6 | LAN 10/100/1000 P1..P4 | 4 разъема RJ-45 для подключения сетевых устройств |
| 7 | Wi-Fi | Кнопка включения/выключения Wi-Fi |
| 8 | WPS | Кнопка для автоматического защищенного подключения к сети Wi-Fi на устройстве |
| 9 | F | Функциональная кнопка для перезагрузки устройства и сброса к заводским настройкам |
| 10 | PON | Разъем SC (розетка) PON оптического интерфейса GPON |
Рисунок 7 – Внешний вид задней панели NTU-RG-5420G-Wac, NTU-RG-5420G-WZ, NTU-RG-5440G-Wac, NTU-RG-5440G-WZ, NTU-RG-5440G-Wac rev.B, NTU-RG-5440G-WZ rev.B
На задней панели устройств NTU-RG-5420G-Wac, NTU-RG-5420G-WZ, NTU-RG-5440G-Wac, NTU-RG-5440G-WZ, NTU-RG-5440G-Wac rev.B, NTU-RG-5440G-WZ rev.B расположены следующие разъемы и органы управления, таблица 5.
Таблица 5 – Описание разъемов и органов управления задней панели
№ | Элемент задней панели | Описание |
|---|---|---|
| 1 | F | Функциональная кнопка для перезагрузки устройства и сброса к заводским настройкам |
2 | On/Off | Кнопка питания |
3 | 12V | Разъем подключения адаптера питания |
4 | LAN 10/100/1000 1..4 | 4 разъема RJ-45 для подключения сетевых устройств |
5 | PON | Разъем SC (розетка) PON оптического интерфейса GPON |
6 | USB | Разъем для подключения внешних накопителей и других USB-устройств |
7 | Wi-Fi | Кнопка включения/выключения Wi-Fi |
8 | WPS | Кнопка для автоматического защищенного подключения к сети Wi-Fi на устройстве |
Рисунок 8 – Внешний вид задней панели NTU-RG-5421G-Wac rev.B, NTU-RG-5421G-WZ rev.B
На задней панели устройств NTU-RG-5421G-Wac rev.B, NTU-RG-5421G-WZ rev.B расположены следующие разъемы и органы управления, таблица 6.
Таблица 6 – Описание разъемов и органов управления задней панели
№ | Элемент задней панели | Описание |
|---|---|---|
| 1 | F | Функциональная кнопка для перезагрузки устройства и сброса к заводским настройкам |
2 | On/Off | Кнопка питания |
3 | 12V | Разъем подключения адаптера питания |
4 | LAN 10/100/1000 1..4 | 4 разъема RJ-45 для подключения сетевых устройств |
5 | PON | Разъем SC (розетка) PON оптического интерфейса GPON |
6 | USB | Разъем для подключения внешних накопителей и других USB-устройств |
7 | Wi-Fi | Кнопка включения/выключения Wi-Fi |
8 | WPS | Кнопка для автоматического защищенного подключения к сети Wi-Fi на устройстве |
| 9 | Phone | Разъем RJ-11 для подключения аналогового телефонного аппарата. |
Внешний вид боковой панели устройств NTU-RG-5402G-W, NTU-RG-5421G-Wac и NTU-RG-5421G-WZ приведен на рисунке 9.
Рисунок 9 – Внешний вид боковой панели NTU-RG-5402G-W, NTU-RG-5421G-Wac и NTU-RG-5421G-WZ
На боковой панели устройства расположены следующие кнопки, таблица 7.
Таблица 7 – Описание кнопок боковой панели NTU-RG-5402G-W, NTU-RG-5421G-Wac и NTU-RG-5421G-WZ
№ | Элемент боковой панели | Описание |
|---|---|---|
1 | Reset | Функциональная кнопка для перезагрузки устройства и сброса к заводским настройкам |
2 | Wi-Fi | Кнопка включения/выключения Wi-Fi |
3 | WPS | Кнопка для автоматического защищенного подключения к сети Wi-Fi на устройстве |
Световая индикация
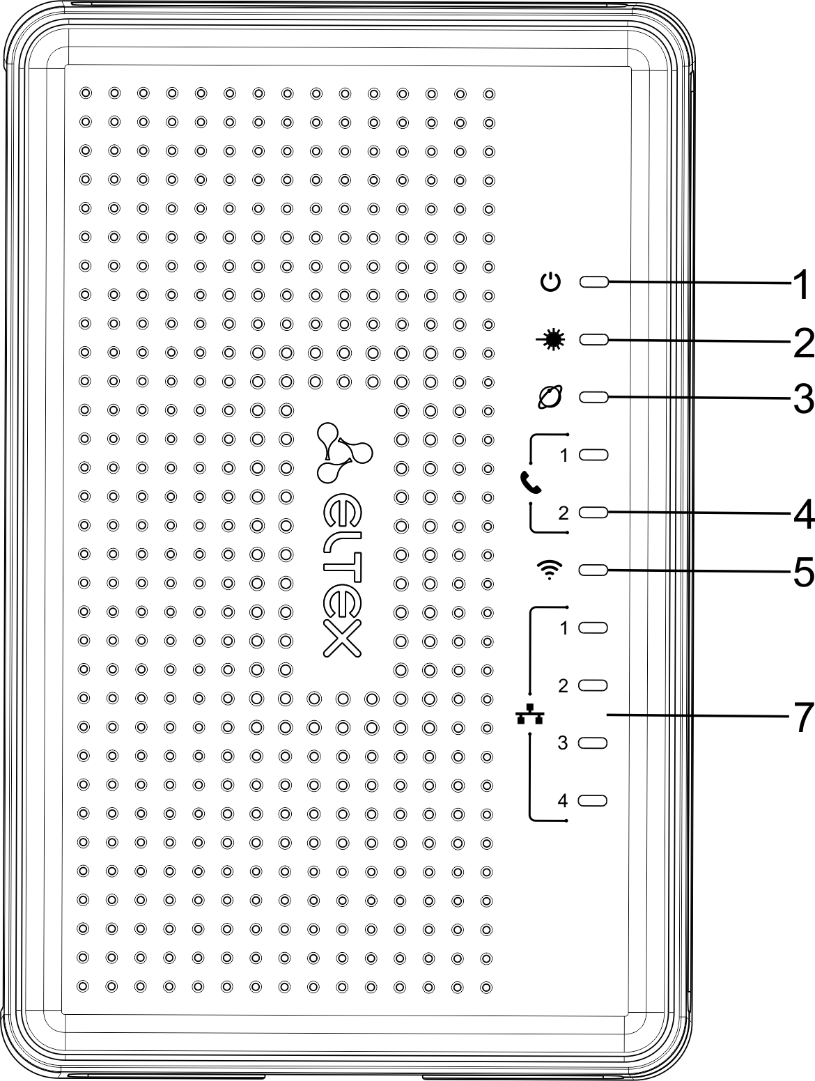
Внешний вид верхних панелей NTU-RG-5402G-W, NTU-RG-5421G-Wac, NTU-RG-5421G-WZ приведены на рисунке 10.
Рисунок 10 – Внешний вид верхних панелей NTU-RG-5402G-W (слева) и NTU-RG-5421G-Wac, NTU-RG-5421G-WZ (справа)
Текущее состояние устройства отображается при помощи индикаторов, расположенных на верхней панели. Перечень состояний индикаторов приведен в таблице 8.
Таблица 8 – Описание индикаторов верхней панели NTU-RG-5402G-W, NTU-RG-5421G-Wac и NTU-RG-5421G-WZ
№ | Элемент верхней панели | Состояние индикатора | Описание |
|---|---|---|---|
1 | – индикатор питания и статуса работы | не горит | Устройство отключено от сети питания или неисправно |
| красный | В процессе загрузки | ||
| зелёный | Процесс загрузки завершен, на устройстве установлена конфигурация, отличная от конфигурации по умолчанию | ||
| оранжевый | Процесс загрузки завершен, на устройстве установлена конфигурация по умолчанию | ||
2 | – индикатор работы оптического интерфейса | не горит | Процесс загрузки устройства |
| зелёный | Установлено соединение между станционным оптическим терминалом и устройством | ||
| мигает зелёным | Установлено соединение между станционным оптическим терминалом и устройством, устройство не активировано | ||
| мигает красным | Нет сигнала от станционного оптического терминала | ||
3 | – индикатор статус | не горит | Интерфейс с признаком Интернет не сконфигурирован |
| зелёный | Устройство готово к работе, установлено соединение с интернетом | ||
| медленно мигает зелёным | Идет процесс обновления ПО на устройстве | ||
| быстро мигает зелёным | Идет процесс загрузки устройства/идет процесс установления соединения с сетью интернет | ||
4 | – индикатор активности порта FXS | не горит | SIP-агент не настроен/не зарегистрирован/выключен |
| горит | SIP-агент успешно зарегистрирован | ||
| мигает | При снятой трубке/разговоре | ||
5 | 2.4 – индикатор активности Wi-Fi в диапазоне 2.4 ГГц | зелёный | Сеть Wi-Fi активна |
| мигает | Процесс передачи данных по Wi-Fi | ||
| не горит | Сеть Wi-Fi не активна | ||
6 | 5 – индикатор активности Wi-Fi в диапазоне 5 ГГц | зелёный | Сеть Wi-Fi активна |
| мигает | Процесс передачи данных по Wi-Fi | ||
| не горит | Сеть Wi-Fi не активна | ||
7 | 1..4 – индикаторы работы Ethernet-портов | зелёный | Установлено соединение 10/100 Мбит/с |
| оранжевый | Установлено соединение 1000 Мбит/с | ||
| мигает | Процесс пакетной передачи данных |
Внешний вид передней панели NTU-RG-5421GС-Wac приведен на рисунке 11.
Рисунок 11 – Внешний вид передней панели NTU-RG-5421GС-Wac
Текущее состояние устройства отображается при помощи индикаторов, расположенных на передней панели. Перечень состояний индикаторов приведен в таблице 9.
Таблица 9 – Описание индикаторов передней панели NTU-RG-5421GС-Wac
| № | Элемент передней панели | Состояние индикатора | Описание |
|---|---|---|---|
| 1 | PON – индикатор работы оптического интерфейса | не горит | Процесс загрузки устройства |
| зелёный | Установлено соединение между станционным оптическим терминалом и устройством | ||
| мигает зелёным | Установлено соединение между станционным оптическим терминалом и устройством, устройство не активировано | ||
| быстро мигает зеленым | Идет процесс загрузки устройства/идет процесс установления соединения с сетью интернет | ||
| мигает красным | Нет сигнала от станционного оптического терминала | ||
| 2 | Status – индикатор статус | не горит | Интерфейс с признаком Интернет не сконфигурирован |
| зелёный | Устройство готово к работе, установлено соединение с интернетом | ||
| медленно мигает зелёным | Идет процесс обновления ПО на устройстве | ||
| 3 | LAN P1..P4 – индикаторы работы Ethernet-портов | зелёный | Установлено соединение 10/100 Мбит/с |
| оранжевый | Установлено соединение 1000 Мбит/с | ||
| мигает | Процесс пакетной передачи данных | ||
| 4 | WiFi 2.4 – индикатор активности Wi-Fi в диапазоне 2.4 ГГц | зелёный | Сеть Wi-Fi активна |
| мигает | Процесс передачи данных по Wi-Fi | ||
| не горит | Сеть Wi-Fi не активна | ||
| 5 | WiFi 5 – индикатор активности Wi-Fi в диапазоне 5 ГГц | зелёный | Сеть Wi-Fi активна |
| мигает | Процесс передачи данных по Wi-Fi | ||
| не горит | Сеть Wi-Fi не активна | ||
| 6 | Phone – индикатор активности порта FXS | не горит | SIP-агент не настроен/не зарегистрирован/выключен |
| горит | SIP-агент успешно зарегистрирован | ||
| мигает | При снятой трубке/разговоре | ||
| 7 | TV – индикатор статуса работы "TV" | зеленый | -8 dBm < Мощность CATV сигнала < +2 dBm |
| не горит | RF-порт отключен | ||
| красный | ТВ-сигнал недоступен | ||
| оранжевый | Уровень сигнала не соответствует нормальному (более +2 дБм) | ||
| 8 | Power – индикатор питания и статуса работы | не горит | Устройство отключено от сети питания или неисправно |
| красный | В процессе загрузки | ||
| зелёный | Процесс загрузки завершен, на устройстве установлена конфигурация, отличная от конфигурации по умолчанию | ||
| оранжевый | Процесс загрузки завершен, на устройстве установлена конфигурация по умолчанию |
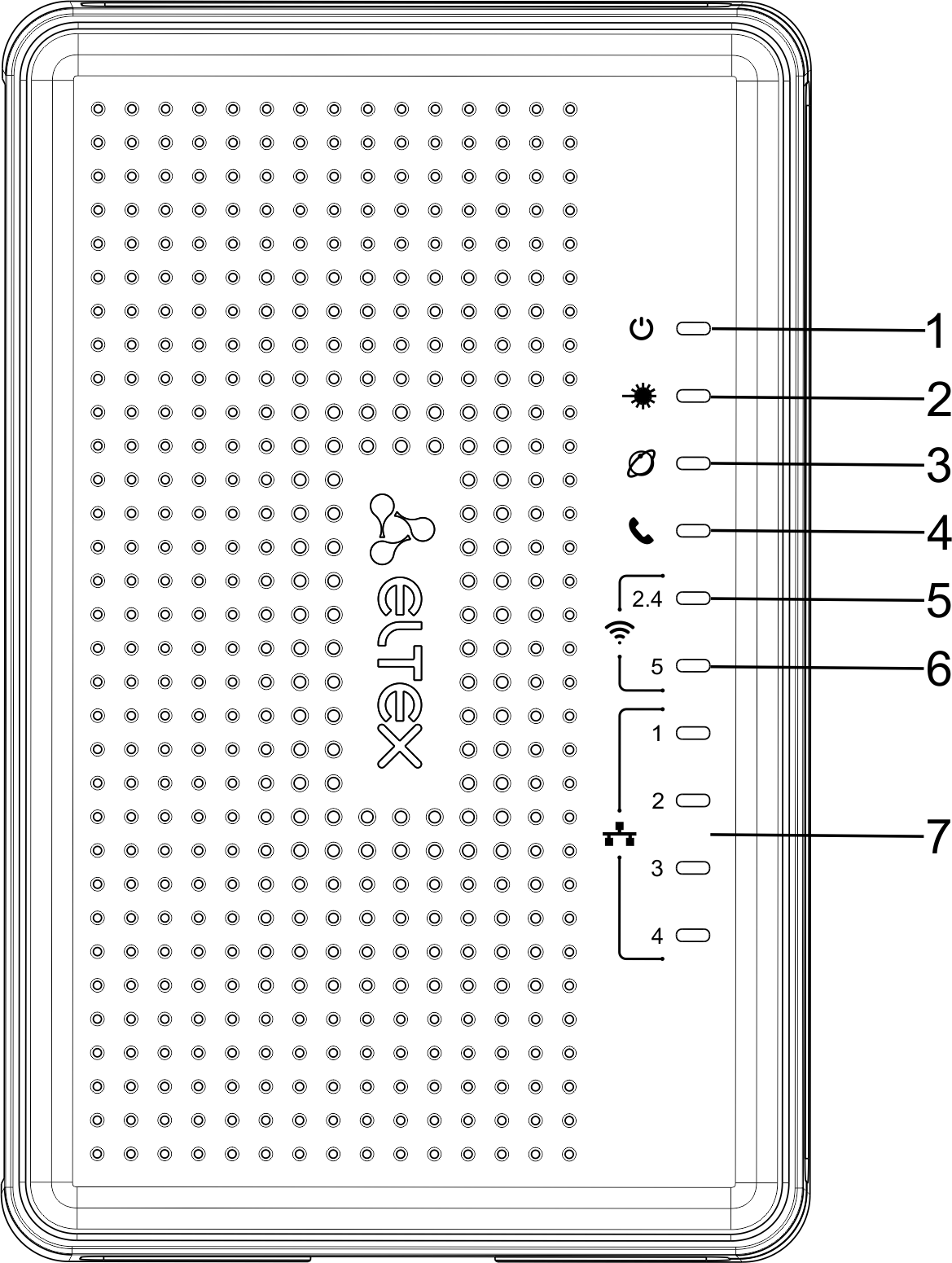
Внешний вид верхней панели NTU-RG-5420G-Wac, NTU-RG-5420G-WZ, NTU-RG-5440G-Wac, NTU-RG-5440G-WZ, NTU-RG-5440G-Wac rev.B, NTU-RG-5440G-WZ rev.B приведен на рисунке 12.
Рисунок 12 – Внешний вид верхней панели NTU-RG-5420G-Wac, NTU-RG-5420G-WZ, NTU-RG-5440G-Wac, NTU-RG-5440G-WZ, NTU-RG-5440G-Wac rev.B, NTU-RG-5440G-WZ rev.B
Текущее состояние устройства отображается при помощи индикаторов, расположенных на верхней панели. Перечень состояний индикаторов приведен в таблице 10.
Таблица 10 – Описание индикаторов верхней панели NTU-RG-5420G-Wac, NTU-RG-5420G-WZ, NTU-RG-5440G-Wac, NTU-RG-5440G-WZ, NTU-RG-5440G-Wac rev.B, NTU-RG-5440G-WZ rev.B
№ | Элемент верхней панели | Состояние индикатора | Описание |
|---|---|---|---|
1 | – индикатор питания и статуса работы | не горит | Устройство отключено от сети питания или неисправно |
| красный | В процессе загрузки | ||
| зелёный | Процесс загрузки завершен, на устройстве установлена конфигурация, отличная от конфигурации по умолчанию | ||
| оранжевый | Процесс загрузки завершен, на устройстве установлена конфигурация по умолчанию | ||
| 2 | – индикатор статус | не горит | Интерфейс с признаком Интернет не сконфигурирован |
| зелёный | Устройство готово к работе, установлено соединение с интернетом | ||
| медленно мигает зелёным | Идет процесс обновления ПО на устройстве | ||
| быстро мигает зелёным | Идет процесс загрузки устройства/идет процесс установления соединения с сетью интернет | ||
3 | – индикатор работы оптического интерфейса | не горит | Процесс загрузки устройства |
| зелёный | Установлено соединение между станционным оптическим терминалом и устройством | ||
| мигает зелёным | Установлено соединение между станционным оптическим терминалом и устройством, устройство не активировано | ||
| мигает красным | Нет сигнала от станционного оптического терминала | ||
4 | – индикатор активности порта USB | не горит | USB-устройство не подключено |
| горит | USB-устройство подключено | ||
| мигает | Процесс передачи данных с USB-устройством | ||
5 | 2.4 – индикатор активности Wi-Fi в диапазоне 2.4 ГГц | зелёный | Сеть Wi-Fi активна |
| мигает | Процесс передачи данных по Wi-Fi | ||
| не горит | Сеть Wi-Fi не активна | ||
6 | 5 – индикатор активности Wi-Fi в диапазоне 5 ГГц | зелёный | Сеть Wi-Fi активна |
| мигает | Процесс передачи данных по Wi-Fi | ||
| не горит | Сеть Wi-Fi не активна | ||
7 | 1..4 – индикаторы работы Ethernet-портов | зелёный | Установлено соединение 10/100 Мбит/с |
| оранжевый | Установлено соединение 1000 Мбит/с | ||
| мигает | Процесс пакетной передачи данных |
Внешний вид верхней панели NTU-RG-5421G-Wac rev.B, NTU-RG-5421G-WZ rev.B приведен на рисунке 13.
Рисунок 13 – Внешний вид верхней панели NTU-RG-5421G-Wac rev.B и NTU-RG-5421G-WZ rev.B
Текущее состояние устройства отображается при помощи индикаторов, расположенных на верхней панели. Перечень состояний индикаторов приведен в таблице 11.
Таблица 11 – Описание индикаторов верхней панели NTU-RG-5421G-Wac rev.B, NTU-RG-5421G-WZ rev.B
№ | Элемент верхней панели | Состояние индикатора | Описание |
|---|---|---|---|
1 | – индикатор питания и статуса работы | не горит | Устройство отключено от сети питания или неисправно |
| красный | В процессе загрузки | ||
| зелёный | Процесс загрузки завершен, на устройстве установлена конфигурация, отличная от конфигурации по умолчанию | ||
| оранжевый | Процесс загрузки завершен, на устройстве установлена конфигурация по умолчанию | ||
| 2 | – индикатор статус | не горит | Интерфейс с признаком Интернет не сконфигурирован |
| зелёный | Устройство готово к работе, установлено соединение с интернетом | ||
| медленно мигает зелёным | Идет процесс обновления ПО на устройстве | ||
| быстро мигает зелёным | Идет процесс загрузки устройства/идет процесс установления соединения с сетью интернет | ||
3 | – индикатор работы оптического интерфейса | не горит | Процесс загрузки устройства |
| зелёный | Установлено соединение между станционным оптическим терминалом и устройством | ||
| мигает зелёным | Установлено соединение между станционным оптическим терминалом и устройством, устройство не активировано | ||
| мигает красным | Нет сигнала от станционного оптического терминала | ||
4 | – индикатор активности порта FXS | не горит | SIP-агент не настроен/не зарегистрирован/выключен |
| горит | SIP-агент успешно зарегистрирован | ||
| мигает | При снятой трубке/разговоре | ||
5 | 2.4 – индикатор активности Wi-Fi в диапазоне 2.4 ГГц | зелёный | Сеть Wi-Fi активна |
| мигает | Процесс передачи данных по Wi-Fi | ||
| не горит | Сеть Wi-Fi не активна | ||
6 | 5 – индикатор активности Wi-Fi в диапазоне 5 ГГц | зелёный | Сеть Wi-Fi активна |
| мигает | Процесс передачи данных по Wi-Fi | ||
| не горит | Сеть Wi-Fi не активна | ||
7 | 1..4 – индикаторы работы Ethernet-портов | зелёный | Установлено соединение 10/100 Мбит/с |
| оранжевый | Установлено соединение 1000 Мбит/с | ||
| мигает | Процесс пакетной передачи данных |
Индикация интерфейсов LAN
Режимы работы, отображаемые индикаторами на портах LAN на задней панели устройства, приведены в таблице 12.
Таблица 12 – Световая индикация интерфейсов LAN
Режимы работы | Желтый индикатор | Зеленый индикатор |
|---|---|---|
Порт работает в режиме 1000BASE-T, нет передачи данных | горит постоянно | не горит |
Порт работает в режиме 1000BASE-T, есть передача данных | мигает | не горит |
Порт работает в режиме 10/100BASE-TX, нет передачи данных | не горит | горит постоянно |
Порт работает в режиме 10/100BASE-TX, есть передача данных | не горит | мигает |
Перезагрузка/сброс к заводским настройкам
Для перезагрузки устройства нужно однократно нажать:
- кнопку «Reset» на боковой панели изделия для NTU-RG-5402G-W, NTU-RG-5421G-Wac и NTU-RG-5421G-WZ;
- кнопку «F» на задней панели для NTU-RG-5421GС-Wac, NTU-RG-5420G-Wac, NTU-RG-5420G-WZ, NTU-RG-5440G-Wac, NTU-RG-5440G-WZ, NTU-RG-5421G-Wac rev.B, NTU-RG-5421G-WZ rev.B, NTU-RG-5440G-Wac rev.B и NTU-RG-5440G-WZ rev.B.
Для загрузки устройства с заводскими настройками необходимо нажать и удерживать кнопку «Reset/F» 7-10 секунд, пока индикатор не загорится красным светом и не погаснут все индикаторы. При заводских установках IP-адрес: LAN – 192.168.1.1, маска подсети – 255.255.255.0. Доступ возможен с портов LAN 1, LAN 2, LAN 3 и LAN 4.
Комплект поставки
В базовый комплект поставки устройства NTU-RG входят:
- Абонентский оптический терминал NTU-RG;
- Адаптер питания 220/12 В;
- Руководство по установке и первичной настройке.
Порядок установки и подключения
Условия эксплуатации
Не устанавливайте устройство рядом с источниками тепла.
- Устройство должно располагаться в месте, защищенном от прямых солнечных лучей.
- Не подвергайте устройство воздействию дыма, пыли, воды и других жидкостей. Не допускайте механических повреждений устройства.
- Не вскрывайте корпус устройства. Внутри устройства нет элементов, предназначенных для обслуживания пользователем.
- В конце срока службы не выбрасывайте устройство с обычным бытовым мусором.
Во избежание перегрева компонентов устройства и нарушения его работы запрещается размещать предметы на поверхности оборудования.
Рекомендации по установке
Перед установкой и включением устройства необходимо проверить устройство на наличие видимых механических повреждений. В случае наличия повреждений следует прекратить установку устройства, составить соответствующий акт и обратиться к поставщику.
Если устройство находилось длительное время при низкой температуре, перед началом работы следует выдержать его в течение двух часов при комнатной температуре.
Если устройство находилось длительное время в условиях повышенной влажности, необходимо перед включением выдержать его в нормальных условиях не менее 12 часов.
Устройство устанавливается в горизонтальном положении, соблюдая инструкции по технике безопасности.
При размещении устройства для обеспечения зоны покрытия сети Wi-Fi c наилучшими характеристиками учитывайте следующие правила:
Минимизируйте число преград (стены, потолки, мебель и другое) между роутером и другими беспроводными сетевыми устройствами;
Не устанавливайте устройство вблизи (порядка 2 м) электрических, радио устройств;
Не рекомендуется использовать радиотелефоны и другое оборудование, работающее на частоте 2.4 ГГц, 5 ГГц, в радиусе действия беспроводной сети Wi-Fi;
Препятствия в виде стеклянных/металлических конструкций, кирпичных/бетонных стен, а также емкости с водой и зеркала могут значительно уменьшить радиус действия Wi-Fi сети.
Подключение оптического терминала
- Подключите оптический кабель, проведенный вашим интернет-провайдером, в разъему PON.
- Подключите оптический терминал к сети 220 В через адаптер питания. Включите питание устройства, нажав кнопку «On/Off». Дождитесь полной загрузки устройства, это может занять 30-60 сек.
- Убедитесь, что следующие индикаторы горят постоянно: POWER, WLAN5, WLAN2.4, PON, Status. Это значит, что устройство подключено правильно и запущено.
Подключение устройств к оптическому терминалу
Проводное подключение
- С помощью сетевого Ethernet-кабеля соедините LAN-порт Port1/Port2 оптического терминала и порт Ethernet компьютера.
- С помощью Ethernet-кабеля соедините LAN-порт Port3/Port4 (определяется вашим провайдером) оптического терминала и порт Ethernet телевизионной приставки или других устройств.
Используя Ethernet-кабель подключите порт Ethernet аналогового телефонного аппарата к разъему Phone терминала.
Только для устройств NTU-RG-5402G-W, NTU-RG-5421G-Wac, NTU-RG-5421G-WZ, NTU-RG-5421GС-Wac, NTU-RG-5421G-Wac rev.B, NTU-RG-5421G-WZ rev.B.
Подключите коаксиальный кабель с волновым сопротивлением 75 Ом к разъему TV абонентского терминала. Далее подключите коаксиальный кабель к разъему RF телевизора.
Только для устройства NTU-RG-5421GС-Wac.
Беспроводное подключение
Подключитесь к оптическому терминалу с помощью сетевого подключения на вашем компьютере или настроек Wi-Fi в вашем телефоне. При подключения устройств используйте им сети (SSID) и пароль по умолчанию, которые указаны на нижней панели устройства.
Подключение по WPS
Устройства поддерживает функцию подключения клиента к Wi-Fi сети терминала по стандарту WPS.
Порядок подключения:
Выберите на клиентском устройстве способ подключения WPS.
На задней или боковой панели оптического терминала (в зависимости от модели устройства) нажмите и удерживайте в течение одной секунды кнопку WPS.
Индикатор Wi-Fi на устройстве должен замигать и клиент сможет подключиться к оптическому терминалу автоматически.
Подключение клиентского устройства к роутеру занимает не более 2-х минут. Если не удалось подключить устройство с первого раза, повторите попытку и убедитесь, что функция WPS на клиентском устройстве была включена не позднее, чем через 2 минуты после включения функции WPS на терминалу.
По умолчанию функция WPS включена. Отключить функцию можно в web-интерфейсе в подменю «WPS».
Взаимодействие с сетью Умного дома
Только для устройств NTU-RG-5420G-WZ, NTU-RG-5421G-WZ, NTU-RG-5440G-WZ, NTU-RG-5421G-WZ rev.B, NTU-RG-5440G-WZ rev.B.
Оптические терминалы содержат встроенный контроллер, который обеспечивает работу системы Умного дома. Для подключения Wi-Fi и Z-Wave устройств скачайте мобильное приложение «Eltex Home» в Play Market или App Store.
| По ссылке | Через поиск | По QR-коду | |
|---|---|---|---|
| Play Market | Eltex Home | По названию "Eltex Home" | |
| App Store | Eltex Home | По названию "Eltex Home" |
После скачивания приложения введите адрес платформы, зарегистрируйтесь, выполните вход. Для подключения роутера перейдите по ссылке Платформа Eltex SC, нажмите на вкладку «Документы и файлы» и откройте документ с названием «Мобильное приложение Eltex Home». Подключите устройство как описано в руководстве.
Перед добавлением роутера на платформу Eltex Home необходимо проверить включение сервиса «Умный дом» через web-интерфейс устройства.
В данном меню настраиваются параметры «Умного дома».
- Zway – включить/выключить контроллер «Умного дома»;
- Hostname – указать адрес удалённой платформы «Умного дома»;
- Destination port – указать порт платформы, к которому подключается контроллер «Умного дома»;
- Secure connection – установить в Enable, если для обмена с платформе используется защищенный канал;
- Reset controller (очистить кэш Zway) – при нажатии кнопки, контроллер отключается, с него удаляется вся информация о подключении к платформе, о привязанных датчиках и сценарии.
Для принятия и сохранения настроек необходимо нажать кнопку «Apply Changes».
Архитектура устройств NTU-RG
Рисунок 14 – Логическая архитектура устройства с заводской конфигурацией
Основные элементы устройства:
- Оптический приемо-передатчик (SFF-модуль) – предназначен для преобразования оптического сигнала в электрический;
- Процессор (PON-чип) – является конвертером интерфейсов Ethernet и GPON;
- Wi-Fi модули – предназначены для организации беспроводных интерфейсов на устройстве.
При заводской (начальной) конфигурации в устройстве присутствуют следующие логические блоки (рис. 14):
- Br0;
- Voice (блок IP телефонии);
- eth0…3;
- FXS0;
- wl0, wl0.1, wl0.2, wl0.3, wl1, wl1.1, wl1.2, wl1.3;
- IPInterface1.
Блок br0 в данном случае предназначен для объединения портов LAN в одну группу.
Блоки eth0..3 физически являются Ethernet-портами с разъемом RJ-45 для подключения ПК, STB или других сетевых устройств. Логически включены в блок br0.
Блок FXS0 физически является портом с разъемом RJ-11 для подключения аналогового телефонного аппарата. Логически включен в блок Voice. Управление блоком Voice может осуществляться через web-интерфейс, а также удаленно с помощью сервера ACS по стандарту TR-069. В данном блоке задаются параметры сервиса VoIP (адрес SIP-сервера, номер телефонного аппарата, услуги ДВО и т.д.).
Блоки wl0, wl0.1…wl1.3 являются интерфейсами для подключения Wi-Fi-модулей. Блоки wl0 являются интерфейсами для работы в диапазоне 2.4 ГГц, блоки wl1 – в диапазоне 5 ГГц.
Блоки Filter и Marking предназначены для включения локальных интерфейсов в одну группу (в блок br0). Отвечают за правила прохождения трафика, блоки Filter отвечают за входящий трафик на интерфейсе, блоки Marking – за исходящий.
Блок IPInterface1 представляет собой некий логический объект, на котором располагается IP-адрес для доступа в локальной сети, а также сервер DHCP, раздающий адреса клиентам.
Настройка устройств через web-интерфейс. Доступ пользователя
Начало работы
Для конфигурирования устройства, необходимо подключиться к нему через web-браузер:
- Откройте web-браузер (программу-просмотрщик web-страниц), например, Firefox, Google Chrome.
Введите в адресной строке браузера IP-адрес устройства.
Заводской IP-адрес устройства: 192.168.1.1, маска подсети: 255.255.255.0
При успешном подключении в окне браузера отобразится страница с запросом имени пользователя и пароля:
Введите имя пользователя в строке «User Name» и пароль в строке «Password».
Имя пользователя user, пароль user.
- Нажмите кнопку «Login». В окне браузера откроется начальная страница web-интерфейса устройства.
Смена пароля
Во избежание несанкционированного доступа при дальнейшей работе с устройством рекомендуется изменить пароль. Для смены пароля в меню Admin, раздел «Password», в поле «Old Password» введите текущий пароль, в полях «New Password» и «Confirm new password» введите новый пароль. Для сохранения изменений нажмите кнопку «Apply Changes».
Элементы web-интерфейса
Ниже представлен общий вид окна конфигурирования устройства.
Окно пользовательского интерфейса можно условно разделить на 3 части:
- Дерево навигации по меню настроек устройства.
- Основное окно настроек выбранного раздела.
- Кнопка смены пользователя.
Меню «Status». Информация об устройстве
Подменю «Device status». Общая информация об устройстве
В разделе отображается общая информация об устройстве, основные параметры LAN-интерфейсов и WAN-интерфейсов.
Status → Device status
System
Board Type – модель устройства;
Serial Number – серийный номер устройства;
PON Serial – серийный номер устройства в сети PON;
Base WAN MAC – WAN MAC-адрес устройства;
Hardware Version – версия аппаратного обеспечения;
Uptime – время работы устройства;
Date/Time – текущее время на устройстве;
Image 1 Firmware Version (Active) – текущая версия ПО;
Image 2 Firmware Version – версия резервного ПО;
CPU Usage – процент использования CPU;
Memory Usage – процент использования памяти;
Name Servers – наименование сервера DNS;
IPv4 Default Gateway – шлюз по умолчанию IPv4;
IPv6 Default Gateway – шлюз по умолчанию IPv6.
LAN Configuration
IP Address – IP-адрес устройства;
Subnet Mask – маска сети устройства;
DHCP Server – состояние DHCP-сервера;
MAC Address – MAC-адрес устройства.
WAN Configuration
- Interface – название интерфейса;
- VLAN ID – VLAN ID интерфейса;
- MAC – MAC-адрес интерфейса;
- Connection Type – тип соединения;
- Protocol – используемый протокол;
- IP Address – IP-адрес интерфейса;
- Gateway – шлюз;
- Status – статус интерфейса.
Для обновления данных на странице нажмите кнопку «Refresh».
Подменю «IPv6 Status». Информация о системе IPv6
В разделе отображается текущий статус системы IPv6.
Status → IPv6
WAN Configuration
- Interface – название интерфейса;
- VLAN ID – VLAN ID интерфейса;
- Connection Type – тип соединения;
- Protocol – используемый протокол;
- IP Address – IP-адрес интерфейса;
- Status – статус интерфейса;
- Prefix delegation – префикс IPv6-адреса;
- LAN IPv6 address – IPv6-адрес.
Для обновления данных на странице нажмите кнопку «Refresh».
Подменю «PON». Информация о статусе оптического модуля
В разделе показано текущее состояние PON-интерфейса.
Status → PON
PON Status
- Temperature – текущая температура;
- Voltage – напряжение;
- Tx Power – мощность сигнала на передаче;
- Rx Power – мощность сигнала на приеме;
- Bias Current – ток смещения;
- Video Power – мощность видеосигнала 1 .
GPON Status
- ONU State – статус авторизации на OLT (O1 -> O2 -> O3 -> O4 -> O5);
- ONU ID – идентификатор устройства на OLT;
- LOID Status – статус авторизации на OLT (Initial -> Standby -> Serial Number -> Ranging -> Operation).
Для обновления данных на странице нажмите кнопку «Refresh».
1 Только для NTU-RG-5421GC-Wac.
Подменю «LAN». Информация о статусе LAN-интерфейса
В разделе «LAN» выполняется просмотр состояния LAN-портов устройства и Wi-Fi интерфейсов.
Status → LAN
В таблице LAN Port Status показано:
- номер порта локальной сети;
- состояние порта (Up/Down);
- скорость подключения внешнего сетевого устройства к порту (10/100/1000 Мбит/с).
Подменю «VoIP». Информация о статусе VoIP
В разделе «VoIP» осуществляется просмотр состояния сетевого интерфейса VoIP.
Status → VoIP
- Port – номер абонентского комплекта устройства;
- Number – номер телефона абонента;
- Status – состояние регистрации телефонного номера на прокси-сервере.
Меню «LAN». Настройка интерфейса LAN
В разделе доступна настройка основных характеристик проводных и беспроводных интерфейсов LAN.
LAN
- Interface name – название интерфейса;
- IP Address – IP-адрес интерфейса;
- Subnet Mask – маска подсети интерфейса;
- IPv6 Address – IPv6-адрес;
- IPv6 DNS Mode – настроить режим использования доменных имён:
WANConnection – использовать WAN-интерфейс для получения адреса DNS-сервера;
Static – указать статический адрес DNS-сервера (IPv6 DNS1, IPv6 DNS2).
- Prefix Mode – настроить режим получения Prefix (с WAN-интерфейса или статически):
- WANDelegated – включается опция делегирования префиксов, полученных от провайдера;
- Static – указать статический Prefix.
- IPv6 DNS – указать статический адрес DNS-сервера (IPv6 DNS1, IPv6 DNS2);
- WAN Interface – выбор WAN-интерфейса, который будет использоваться при WANDelegated.
- Firewall (Enabled/Disabled) – включение/выключение брандмауэра для интерфейса LAN;
- IGMP Snooping (Enabled/Disabled) – включение/выключение IGMP Snooping;
- Ethernet to Wireless Blocking (Enabled/Disabled) – включение/выключение изоляции проводных и беспроводных клиентов;
- Wireless to Wireless Blocking (Enabled/Disabled) – включение/выключение изоляции между диапазонами 2.4 ГГц и 5 ГГц.
Для сохранения изменений нажмите кнопку «Apply Changes».
Меню «Wireless». Настройка беспроводной сети
Настройки беспроводной сети в данном меню производятся отдельно для рабочих диапазонов 2.4 ГГц (wlan0) и 5 ГГц (wlan1).
- изоляция в пределах одного диапазона Wi-Fi настраивается в «WLAN Advanced Settings», флаг «Client Isolation»;
- изоляция между гостевыми сетями настраивается в «WLAN Basic Settings», «Multiple AP», флаг «AP Isolation»;
- изоляция между клиентами одной гостевой сети настраивается в «WLAN Basic Settings», «Multiple AP», столбец «Client Isolation»;
- изоляция между LAN-WLAN, WLAN 2.4-WLAN 5 настраивается в «LAN Interface Settings».
Подменю «Status». Текущее состояние WLAN
В данном подменю отображается текущее состояние WLAN.
Wireless → wlan0 (2.4GHz)/wlan1 (5GHz) → Status
- Mode – AP-точка доступа;
- Band – диапазон, полоса, стандарты;
- SSID – название сети точки доступа;
- Channel Number – номер канала;
- Channel Width – ширина канала;
- Encryption – метод шифрования;
- BSSID – MAC-адрес точки доступа;
- Associated Clients – количество подключенных клиентов.
Подменю «Basic settings». Основные настройки
В разделе производятся основные настройки параметров беспроводного интерфейса WLAN, а также возможно задать до трех виртуальных точек беспроводного доступа.
Wireless → wlan0 (2.4GHz)/wlan1 (5GHz) → Basic settings
- Disable WLAN Interface – отключение радиоинтерфейса;
- Band – выбор стандарта работы Wi-Fi;
- Mode – режим работы точки доступа (AP);
SSID (Service Set Identifier) – назначить имя беспроводной сети (ввод с учетом регистра клавиатуры);
По умолчанию на устройстве установлено имя беспроводной сети (SSID) ELTX-2.4GHz_WiFi-aaaa/ELTX-5GHz_WiFi-aaaa, где аааа – это 4 последние цифры WAN MAC. WAN MAC указан в наклейке на корпусе устройства. В имени сети фигурирует частотный диапазон (2.4/5 ГГц).
- Hide SSID – данная функция включает режим скрытого идентификатора беспроводной сети (SSID). При использовании этой функции точка доступа не будет отображаться в списке доступных беспроводных сетей на устройствах пользователей (не будет виден ее идентификатор SSID). Но при этом пользователи, осведомленные о существовании этой сети и знающие ее идентификатор SSID, смогут подключиться к ней;
- Channel Width – установка ширины полосы 20, 40 МГц (для 2.4 ГГц и 5 ГГц) и 80 МГц (для 5 ГГц);
- Auto – автоматическая установка ширины полосы.
- Сurrent Channel Width – текущая ширина полосы;
- Control Sideband – боковая полоса управления, выбор второго канала (Lower или Upper) в режиме 40 МГц;
- Allowed Channels – настройка разрешенных каналов Wi-Fi для подключение клиентов к маршрутизатору. По умолчанию – все каналы разрешены;
- Channel Number – выбор используемого канала:
- Auto – автоматический выбор канала.
- Radio Power (%) – установка мощности передатчика;
- Limit Associated Client Number (Enable/Disabled) – включение/выключение ограничения максимального количества подключенных клиентов;
- Associated Clients – максимальное число подключенных клиентов;
Enable Universal Repeater Mode (Acting as AP and client simultaneouly) – включение режима повторителя;
Regdomain – региональные настройки.
Для сохранения изменений нажмите кнопку «Apply Changes».
По умолчанию ключ WPA2-PSK сгенерирован уникальным для устройства, и указан на корпусной наклейке. При изменении пароля необходимо задать комбинацию от 8 до 63 символов ASCII. Пароль должен содержать цифры и латинские буквы в верхнем и нижнем регистрах.
Кнопка «Show Active WLAN Client» выводит таблицу активных клиентов WLAN.
Wireless → wlan0 (2.4GHz)/wlan1 (5GHz) → Basic settings → Show Active WLAN Client
- MAC Address – MAC-адрес клиента;
- Tx Packets – количество переданных пакетов клиенту;
- Rx Packets – количество принятых пакетов от клиента;
- Tx Rate (Mbps) – канальная скорость передачи, Мбит/с;
- Power Saving – режим энергосбережения;
- Expired Time (sec) – время истечения аренды адреса, с.
Для обновления информации в таблице нажмите кнопку «Refresh», для закрытия таблицы нажмите «Close».
Подменю «Advanced settings». Расширенные настройки
В разделе производятся расширенные настройки беспроводной сети.
Wireless → wlan0 (2.4GHz)/wlan1 (5GHz) → Advanced settings
- Fragment Threshold – установка порога фрагментации в байтах. Если размер пакета будет превышать заданное значение, он будет фрагментирован на части подходящего размера;
- RTS Threshold – если сетевой пакет меньше, чем установленное пороговое значение RTS, механизм RTS/CTS (механизм соединения по каналу с использованием сигналов готовности к передаче/готовности к приему) задействован не будет;
- Beacon Interval – период отправки информационного пакета в беспроводную сеть, сигнализирующего о том, что точка доступа активна;
- Data rate – скорость передачи;
- Preamble Type – выбор преамбулы: длинная (Long Preamble)/короткая (Short Preamble);
- Client Isolation (Enable/Disabled) – включение/выключение изоляции клиентов;
- Protection (Enable/Disabled) – включение/выключение 802.11n protection;
- Aggregation (Enable/Disabled) – включение/выключение агрегации кадров для повышения пропускной способности;
- Short GI (Enable/Disabled) – включение/выключение короткого защитного интервала;
- TX beamforming (Enable/Disabled) – включение/выключение адаптивного формирования диаграммы направленности;
- MU MIMO – включение/выключение режима Multi-user MIMO;
- Multicast to Unicast (Enable/Disabled) – включение/выключение перекладывания всего multicast трафика в unicast;
- Band Steering – включение механизма динамического распределения беспроводных клиентов по диапазонам (активно при одинаковом значении для SSID 2.4/5 GHz);
- WMM Support (Enable/Disabled) – включение/выключение поддержки Wi-Fi Multimedia;
802.11k Support – включение/выключение опции Radio Resource managment для передачи клиентам информации о соседних точках доступа;
802.11v Support – включение/выключение опции Wireless Network Managment для обмена данными между точками доступа.
Для сохранения изменений нажмите кнопку «Apply Changes».
Подменю «Security». Настройка параметров безопасности
В разделе осуществляются основные настройки шифрования данных в беспроводной сети. Здесь можно настроить клиентское оборудование беспроводного доступа вручную или автоматически, используя WPS.
Wireless → wlan0 (2.4GHz)/wlan1 (5GHz)→ Security
- SSID Type – текущий SSID;
- Encryption – установка режима шифрования:
- NONE (открытый) – защита беспроводной сети отсутствует;
- WEP – защита беспроводной сети по алгоритму WEP;
- WPA/WPA2/WPA2 Mixed – защита беспроводной сети по алгоритму WPA/WPA2/WPA2 Mixed.
При выборе режима шифрования WEP доступны следующие настройки:
- 802.1x Authentication – включение стандарта 802.1x (позволяет пользователям аутентифицироваться с использованием сервера аутентификации RADIUS, для шифрования данных используется WEP-ключ);
- Authentication – выбор режима аутентификации:
- Open system – без аутентификации;
- Shared Key – аутентификация по предусмотренному ключу;
- Auto – автоматическая аутентификация.
- Key Length (степень шифрования) – использование ключей длиной 64 или 128 бит;
- Key Format (формат ключа) – использовать формат ASCII или HEX;
- Encryption Key (сетевой ключ) – ключ из 10 символов в 16-ричной системе счисления либо 5 символов ASCII1 для 64-х битного шифрования. Также возможно 26 символов в 16-ричной системе счисления, либо 13 символов ASCII для 128-х битного шифрования.
При выборе режима шифрования WPA/WPA2/WPA2 Mixed, доступны следующие настройки:
- Authentication Mode – режим аутентификации Enterprise (RADIUS) или Personal (Pre-Shared Key). В режиме Enterprise (RADIUS) нужно настроить:
- RADIUS Server IP Address – IP-адрес RADIUS-сервера;
- RADIUS Server Port – номер порта RADIUS-сервера. По умолчанию установлен порт 1812;
- RADIUS Server Password – секретный ключ для доступа к RADIUS-серверу;
- IEEE 802.11w – включить шифрование служебных кадров;
- None – шифрование служебных кадров отсутствует;
- Capable – режим совместимости шифрования;
- Required – требуется шифрование.
- SHA256 (Enable/Disable) – включение/выключение использования SHA256.
- WPA Cipher Suite – набор шифров WPA TKIP или AES;
- Group Key Update Timer – интервал обновления ключа;
- Pre-Shared Key Format – формат ключа ASCII или HEX;
- Pre-Shared Key – ключ доступа.
Для демонстрации зашифрованного ключа доступа нажмите кнопку «Show». Для сохранения изменений нажмите кнопку «Apply Changes».
Подменю «Access control». Настройка доступа
В разделе производится настройка фильтрации MAC-адресов. Все добавленные MAC-адреса будут отображаться в Current Access Control List – текущий список контроля доступа. При выборе режима «Allowed Listed», подключиться к точке доступа смогут только те MAC-адреса, которые находятся в Current Access Control List. При выборе режима «Deny Listed» доступ будут иметь все MAC-адреса, кроме тех, которые указаны в Current Access Control List. Для смены режима нажмите кнопку «Apply Changes».
Wireless → wlan0 (2.4GHz)/wlan1 (5GHz) → Access control
- Mode – выбор режима фильтрации по MAC-адресам:
- Disabled – фильтр не используется;
- Allowed Listed – фильтр по разрешенным адресам (белый список);
- Deny Listed – фильтр по запрещенным адресам (черный список).
- MAC Address – поле для добавления MAC-адреса в таблицу фильтрации. Чтобы внести значение, нажмите кнопку «Add», для сброса значения — кнопку «Reset».
Для удаления определённой позиции в списке, выделите её и нажмите «Delete Selected», чтобы удалить весь список, нажмите «Delete All».
Подменю «WiFi radar». Сканирование беспроводной сети
В разделе осуществляется сканирование беспроводной сети, тем самым происходит обнаружение ближайших точек доступа или IBSS.
Wireless → wlan0 (2.4GHz)/wlan1 (5GHz) → WiFi radar
В таблице отображается следующая информация:
- SSID – имя беспроводной точки доступа;
- BSSID – MAC-адрес точки доступа;
- Channel – канал;
- Type – тип (AP, Client – точка доступа, клиент);
- Encryption – режим шифрования;
- RSSI – уровень принимаемого сигнала.
Для сканирования эфира нажмите кнопку «Refresh».
Подменю «EasyMesh Settings». Настройка функции EasyMesh
В разделе осуществляется настройка функции EasyMesh на точке доступа. Новый стандарт Wi-Fi EasyMesh позволит строить сети, объединяющие мобильные устройства и IoT-гаджеты.
Wireless → EasyMesh → EasyMesh Settings
- Device name – имя устройства;
- Role – выбор режима работы: выключен или в режиме контроллера.
Для сохранения изменений нажмите кнопку «Apply Changes».
Подменю «Topology». Просмотр топологии EasyMesh
В данном разделе представлена схема mesh-сети при включении режима работы «Controller» с указанием: имени устройства, MAC-адреса устройства, IP-адреса устройства.
Wireless → EasyMesh → Topology
Для обновления данных на странице нажмите кнопку «Refresh».
Подменю «WPS». Возможность упрощенного подключения к сети Wi-Fi
В разделе осуществляется настройка для подключения по технологии WPS (Wi-Fi Protected Setup, защищенная настройка Wi-Fi).
Wireless → wlan0 (2.4GHz) / wlan1 (5GHz) → WPS
- Push Button Configuration – активировать функцию WPS на роутере для подключения клиентов;
- Disable WPS – выключить возможность подключения к роутеру по технологии WPS.
Для сохранения изменений нажмите кнопку «Apply Changes».
Меню «Services». Настройка сервисов
Подменю «DHCP Setting». Настройка DHCP
В разделе происходит настройка DHCP-сервера или DHCP-ретранслятора.
Services → DHCP (Server)
- DHCP Mode – выбор режима работы:
- NONE – DHCP отключен;
- DHCP Server – работа в режиме DHCP-сервера;
- DHCP Relay – работа в режиме DHCP-ретранслятора.
- IP Pool Range – диапазон адресов, выдаваемых клиентам;
- Show Client – кнопка для просмотра клиентов, арендовавших адреса. По нажатию выводится таблица с информацией о клиентах DHCP, которые арендуют DHCP-сервер;
- Subnet Mask – маска посети;
- Max Lease Time – максимальное время аренды, -1 для бесконечной аренды;
- DomainName – наименование домена;
- Gateway Address – адрес шлюза;
- DNS option – определяет работу DNS:
- Use DNS relay – в качестве DNS будет выдан адрес ONT и все запросы будут ретранслироваться через ONT;
- Set manually – установить DNS вручную.
Services → DHCP (Relay)
- DHCP Server IP Address – IP-адрес удалённого сервера DHCP.
Для сохранения изменений нажмите кнопку «Apply Changes». Кнопки «Port-Based Filter» и «MAC-Based Assignment» позволяют настроить фильтрацию по портам и MAC, соответственно.
Подменю «Dynamic DNS». Настройки динамической системы доменных имен
Динамическая DNS (динамическая система доменных имен) позволяет информации на DNS-сервере обновляться в реальном времени и (по желанию) в автоматическом режиме. Применяется для назначения постоянного доменного имени устройству (компьютеру, маршрутизатору, например NTU-RG) с динамическим IP-адресом. Это может быть IP-адрес, полученный по IPCP в PPP-соединениях или по DHCP.
Динамическая DNS часто применяется в локальных сетях, где клиенты получают IP-адрес по DHCP, а потом регистрируют свои имена в локальном DNS-сервере.
Services → DNS → Dynamic DNS
- Enable – при установленном флаге использовать DHCP-сервер (сетевые устройства будут получать IP-адреса динамически из нижеприведенного диапазона);
- D-DNS Provider – выбор типа службы D-DNS (провайдера): DynDNS.org, TZO.com, No-IP.com;
- Custom – иной провайдер, выбранный пользователем. В данном случае необходимо самостоятельно указать имя (Hostname) и адрес (Interface) провайдера.
DynDns/No-IP Settings:
- UserName – имя пользователя;
- Password – пароль авторизации на сервисе, выбранном для работы с D-DNS.
В разделе отображается таблица «Dynamic DNS Table» со списком имеющихся DNS и его параметрами. Для добавления записи нажмите кнопку «Add». Чтобы изменить/удалить позицию, выберите её и нажмите «Modify»/«Remove» напротив выбранной записи.
Подменю «Firewall». Настройка брандмауэра
Подменю «ALG On-Off Configuration». Включение отключение сервисов ALG
В разделе можно включить или отключить сервисы ALG.
Application-level gateway (ALG) — компонент NAT-маршрутизатора, который понимает какой-либо прикладной протокол, и при прохождении через него пакетов этого протокола модифицирует их таким образом, что находящиеся за NAT пользователи могут пользоваться протоколом.
Services → Firewall → ALG
Подменю «IP/Port Filtering». Настройки фильтрации адресов
В разделе осуществляется настройка фильтрации адресов. Функция IP-фильтрация позволяет фильтровать проходящий через маршрутизатор трафик по IP-адресам и портам. Использование таких фильтров может быть полезно для защиты или ограничения локальной сети.
Services → Firewall → IP/Port Filtering
Настройки по умолчанию
- Incoming Default Action Deny/Allow – фильтрация для входящих из вне пакетов;
- Outgoing Default Action Deny/Allow – фильтрация для исходящих пакетов.
Для сохранения изменений нажмите кнопку «Apply Changes».
Для добавления фильтра заполните соответствующие поля и нажмите кнопку «Add»:
- Protocol – протокол фильтрации;
- Rule Action Deny/Allow – политика обработки пакета (отбросить/пропустить);
- Source IP Address – IP-адрес источника;
- Destination IP Address – IP-адрес назначения;
- Subnet mask – маска подсети;
- Port – порт.
- WAN Interface – входящий интерфейс.
Добавленные фильтры отображаются в ниже расположенной таблице фильтров «Current Filter Table». Записи в этой таблице используются для ограничения определенных типов пакетов данных через шлюз. Для удаления определённого фильтра выделите позицию и нажмите кнопку «Delete selected», для удаления всех фильтров — кнопку «Delete All».
Подменю «MAC Filtering». Настройки фильтрации по MAC-адресам
В разделе производится фильтрация на основе MAC-адресов, которая позволяет пересылать или блокировать трафик с учетом MAC-адреса источника и получателя. Для смены режима нажмите кнопку «Apply Changes».
Services → Firewall → MAC Filtering
Настройки по умолчанию
- Incoming Default Action Deny/Allow – фильтрация для входящих из вне пакетов;
- Outgoing Default Action Deny/Allow – фильтрация для исходящих пакетов.
Для сохранения изменений нажмите кнопку «Apply Changes».
Для добавления фильтра заполните соответствующие поля и нажмите кнопку «Add»:
- Source MAC Address – поле для добавления исходного MAC-адреса, для которого вводится ограничение/доступ;
- Destination MAC Address – поле для добавления получаемого MAC-адреса, для которого вводится ограничение/доступ.
Добавленные фильтры отображаются в ниже расположенной таблице фильтров «Current Filter Table». Поле «Rule» отображает тип созданного правила («Allow», разрешающее или «Deny», запрещающее). Для удаления определённой позиции в списке, выделите её и нажмите «Delete Selected», чтобы удалить весь список, нажмите «Delete All».
Подменю «Port Forwarding». Настройка проброса портов
В данном разделе отображается таблица «Current Port Forwarding Table» с информацией о пробросе портов. Записи в этой таблице позволяют автоматически перенаправлять общие сетевые службы на конкретный компьютер за брандмауэром NAT. Эти настройки необходимы только в том случае, если вы хотите разместить какой-либо хост, например веб-сервер или почтовый сервер, в частной локальной сети за брандмауэром NAT используемого маршрутизатора. Для сохранения изменений нажмите кнопку «Apply Changes».
Services → Firewall → Port Forwarding
Для добавления записи в таблицу «Current Port Forwarding Table» установите флаг «Enable» и заполните соответствующие поля:
- Port Forwarding (Enable/Disable) – включение/выключение функции проброса портов;
- Application – в меню имеются предустановки для проброса портов различных приложений;
- Comment – комментарий;
- Local IP – локальный IP-адрес, на который производится проброс;
- Local port from/to – укажите диапазон портов локального устройства для проброса;
- Protocol – выбор протокола (TCP, UDP или оба);
- Remote IP – удаленный IP-адрес, с которого происходит обращение на устройство;
- Remote port from/to – укажите начальный порт входящего соединения. Поле Remote port to заполнится автоматически;
- Interface – выбор интерфейса;
- NAT loopback – петля NAT позволяет «заворачивать» запросы из локальной сети на маршрутизатор. Таким образом, например, можно проверить работу созданных правил.
После заполнения полей для добавления записи нажмите кнопку «Add». Для удаления определённой позиции, выделите её и нажмите кнопку «Delete Selected», для удаления всей таблицы — кнопку «Delete All».
Подменю «URL Blocking»
Фильтр URL осуществляет полноценный анализ и контроль доступа к определённым ресурсам сети интернет. В данном разделе задается и отображается список запрещенных/разрешенных URL-адресов для посещения. Здесь вы можете добавить запрещенное/разрешенное FQDN (Fully Qualified Domain Name) кнопкой «Add», также возможна фильтрация по ключевым словам. Добавленные ограничения отображаются в таблицах «URL Blocking Table» и «Keyword Filtering Table», для удаления определённого URL-адреса или ключевого слова из таблицы нажмите на него, а затем на кнопку «Delete Selected». Для удаления всех ограничений нажмите «Delete All».
Services → Firewall → URL Blocking
- URL Blocking (Enable/Disable) – включение/выключение работы URL-Blocking;
- FQDN (Fully Qualified Domain Name) – полное доменное имя;
- Keyword – ключевое слово.
Для сохранения изменений нажмите кнопку «Apply Changes».
Подменю «Domain Blocking». Настройка блокировки доменов
Этот раздел используется для задания блокировки доменов.
Services → Firewall → Domain blocking
Чтобы заблокировать домен, поставьте флаг «Enable», заполните поле «Domain» и нажмите кнопку «Add».
- Domain Blocking (Enable/Disable) – включение/выключение блокировки;
- Domain – наименование домена.
Для сохранения изменений используйте кнопку «Apply Changes». Все заблокированные домены приведены в таблице «Domain BlockingConfiguration». Чтобы удалить блокировку для одного домена, выделите его и нажмите кнопку «Delete Selected», для удаления всех ограничений нажмите кнопку «Delete All».
Подменю «Port Triggering». Настройка динамического открытия портов
В версии ПО 1.2.0 данный функционал недоступен.
При появлении определенного события динамически открываются порты на своем внешнем интерфейсе, которые привязаны к соответствующим портам компьютера в локальной сети.
Services → Firewall → Port Triggering
Для добавления записи в таблицу «Current Port Triggering Table» установите флаг «Enable» и заполните соответствующие поля:
- Comment – комментарий к записи таблицы;
- Trigger start port – первый порт из диапазона, после обращения на который будет открыт порт из диапазона Incoming;
- Trigger end port – последний порт из диапазона, после обращения на который будет открыт порт из диапазона Incoming;
- Protocol – выбор протокола;
- Incoming start port – первый порт из диапазона, который будет открыт при обращении к порту из диапазона Trigger;
- Incoming end port – последний порт из диапазона, который будет открыт при обращении к порту из диапазона Trigger;
- Interface – выбор интерфейса.
Для сохранения изменений используйте кнопку «Apply Changes». После заполнения полей для добавления записи нажмите кнопку «Add». Для удаления определённой позиции, выделите её и нажмите кнопку «Delete Selected», для удаления всей таблицы — кнопку «Delete All».
Подменю «DMZ». Настройки демилитаризованной зоны
При установке IP-адреса в поле «DMZ Host IP Address» все запросы из внешней сети, не попадающие под правила Port Forwarding, будут направляться на DMZ-хост (доверительный хост с указанным адресом, расположенный в локальной сети).
Services → Firewall → DMZ
- DMZ Host (Enable/Disable) – включение/выключение хоста;
- DMZ Host IP Address – IP-адрес.
Для сохранения изменений нажмите кнопку «Apply Changes».
Подменю «UPnP». Автоматическая настройка сетевых устройств
В разделе производится настройка функции Universal Plug and Play (UPnP™). UPnP обеспечивает совместимость с сетевым оборудованием, программным обеспечением и периферийными устройствами.
Services → UPnP
Для использования UPnP необходимо настроить NAT на активном WAN-интерфейсе.
- UPnP (Enable/Disable) – включение/выключение функции UPnP;
- WAN Interface – WAN-интерфейс, на котором будет работать функция UPnP.
Для сохранения настроек нажмите кнопку «Apply Changes».
Подменю «RIP». Настройка динамической маршрутизации
В разделе осуществляется выбор интерфейсов на устройствах, которые используют RIP и версию используемого протокола. Включите RIP, если вы используете это устройство в качестве устройства с поддержкой RIP для связи с другими пользователями с использованием протокола динамической маршрутизации RIP.
Services → RIP
- RIP (Enable/Disable) – включение/выключение использования протокола динамической маршрутизации RIP;
Для принятия и сохранения настроек необходимо нажать кнопку «Apply Changes».
- Interface – интерфейс, на котором будет запускаться RIP;
- Receive Mode – режим обработки входящих пакетов (NONE, RIP1, RIP2, both);
- Send Mode – режим отправки (NONE, RIP1, RIP2, RIP1 COMPAT).
Интерфейсы с поддержкой RIP отображаются в таблице «RIP Config Table». Для удаления всех записей в таблице нажмите кнопку «Delete All», чтобы удалить одну позицию из списка, выделите её и нажмите кнопку «Delete Selected».
Подменю «Samba». Настройка пользователей Samba
В разделе происходит настройка пользователей Samba.
Services → Samba → Samba
- Samba Enable/Disable – включение/выключение настройки Samba;
- Server String – наименование сервера.
Для сохранения изменений нажмите кнопку «Apply Changes».
В разделе Accounts осуществляется создание индивидуальных аккаунтов Samba.
Services → Samba → Accounts
- Username – имя аккаунта;
- New password – пароль;
- Confirmed Password – подтверждение пароля.
Раздел Shares служит для добавления библиотеки Samba.
Services → Samba → Shares
- Share name – имя библиотеки;
- Path – путь до библиотеки;
- Read only – только для чтения;
- Write list – список аккаунтов, кому доступно изменение файлов в библиотеке;
- Comment – комментарии к библиотеке.
Меню «VPN». Настройка виртуальной частной сети
Подменю «L2TP». Настройка L2TP VPN
В разделе можно настроить параметры виртуального соединения L2TP VPN. Протокол L2TP используется для создания защищенного канала связи через Internet между компьютером удаленного пользователя и локальным компьютером.
VPN → L2TP
- L2TP VPN – режим, при котором выход в Интернет осуществляется через специальный канал, туннель с использованием протокола L2TP. При включении «Enable» для редактирования станут доступны следующие параметры:
- Server – адрес сервера L2TP (доменное имя или IP-адрес в формате IPv4);
- Tunnel Authentication – включение аутентификации;
- Tunnel Authentication Secret – ключ аутентификации;
- PPP Authentication – выбор протокола проверки подлинности соединений, используемый на L2TP-сервере;
- PPP Encryption – выбор протокола шифрования данных, который будет использоваться (только для метода CHAPMSv2);
- UserName – имя пользователя для авторизации на L2TP-сервере;
- Password – пароль для авторизации на L2TP-сервере;
- PPP Connection Type – тип соединения;
- Idle Time (min) – время простоя в секундах, разрывает неактивное соединение через указанное время (только для установления соединения по требованию (dial-on-demand));
- MTU – максимальный размер блока данных, передаваемых по сети (рекомендуемое значение – 1462);
- Default Gateway – выбор того, будет ли созданный туннель L2TP-шлюзом по умолчанию.
Для сохранения изменений нажмите кнопку «Apply Changes».
В таблице «L2TP Table» осуществляется просмотр состояния виртуального соединения L2TP VPN. Для удаления определённой записи, выделите позицию и нажмите кнопку «Delete Selected».
Подменю «IPsec». Настройка IPsec
В разделе можно настроить конфигурации VPN с использованием IPsec.
VPN → IPsec
- Negotiation type (Automatic/Manual) – тип настройки;
- Mode – выбор режима;
- Remote:
- Tunnel Addr. – IP-адрес удаленного сервера;
- Local:
- Tunnel Addr. – локальный IP адрес;
- Security Option:
- Encapsulation Type – тип инкапсуляции;
- IKE Auth Method – метод аутентификации IKE;
- Pre shared key – ключ;
- Advanced Option – включить/выключить дополнительные опции.
Для сохранения изменений нажмите кнопку «Add/Save».
В таблице «IPsec Information List» осуществляется просмотр состояния виртуального соединения IPsec VPN. Для удаления определённой записи, выделите позицию и нажмите кнопку «Delete Selected». Кнопки «Enable»/«Disable» включают/отключают выбранный IPsec-туннель.
- cert.pem – позволяет загрузить сертификат;
- privKey – позволяет загрузить ключ.
Меню «Advance». Расширенные настройки
Подменю «ARP Table». Просмотр кэша протокола ARP
В разделе отображается таблица изученных MAC-адресов. Эффективность функционирования ARP во многом зависит от ARP-кэша, который присутствует на каждом хосте. В кэше содержатся Internet-адреса и соответствующие им аппаратные адреса. Время жизни каждой записи в кэше 5 минут с момента создания записи.
Advance → ARP table
- IP Address – IP-адрес клиента;
- MAC Address – МАС-адрес клиента.
Для обновления информации в таблице нажмите кнопку «Refresh».
Подменю «Bridging». Настройка параметров Bridging
В разделе осуществляется настройка параметров моста. Здесь можно настроить время жизни адресов в MAC-таблице, а также включить/выключить протокол 802.1d Spanning Tree.
Advance → Bridging
- Ageing Time – время жизни адресов (сек);
- 802.1d Spanning Tree (Enable/Disable) – включение/выключение протокола 802.1d Spanning Tree.
Для сохранения изменений нажмите кнопку «Apply Changes».
Для просмотра информации о мосте и его подключенных портах, нажмите кнопку «Show MACs».
Advance → Bridging → Show MACs
- Port – номер порта;
- MAC Address – MAC-адрес;
- Is Local – локальный адрес;
- Ageing Timer – время жизни адреса.
Для обновления информации в таблице нажмите кнопку «Refresh», для закрытия — кнопку «Close».
Подменю «Routing». Настройка маршрутизации
В разделе осуществляется настройка статической маршрутизации.
Advance → Routing
Для добавления статического маршрута поставьте флаг «Enable», заполните соответствующие поля и нажмите на кнопку «Add Route».
- Enable – флаг для добавления маршрута;
- Destination – адрес назначения;
- Subnet Mask – маска подсети;
- Next Hop – следующий узел;
- Metric – метрика;
- Interface – интерфейс.
Добавленные статические маршруты отображаются в таблице «Static Route Table». Для обновления информации в таблице нажмите кнопку «Update», для удаления позиции из таблицы выделите её и нажмите кнопку «Delete Selected».
Для просмотра маршрутов, к которым часто обращается устройство, нажмите кнопку «Show Routes», после выведется таблица «IP Route Table».
Advance → Routing → Show Routes
Для обновления информации в таблице нажмите кнопку «Refresh», для закрытия — кнопку «Close».
Подменю «Link Mode». Настройка LAN-портов
В разделе можно задать режим работы LAN-портов. LAN1/2/3/4 – настройка режима работы, доступны режимы 10M Half Mode, 10M Full Mode, 100M Half Mode, 100M Full Mode и Auto Mode (режим автоопределения).
Advance → Link mode
Для сохранения изменений нажмите кнопку «Apply Changes».
Подменю «Print Server». Просмотр списка серверов печати
В данном разделе можно просмотреть список доступных принт-серверов.
Advance → Print Server
Чтобы обновить список доступных принтеров, нажмите кнопку «Refresh».
Подменю «IPv6». Настройка протокола IPv6
В разделе можно включить/отключить работу IPv6-протокола, для этого необходимо установить флаг «Enable»/«Disable».
Advance → IPv6
Для сохранения изменений нажмите кнопку «Apply Changes».
Подменю «RADVD». Настройка RADVD
В разделе осуществляется настройка RADVD (Router Advertisement Daemon).
Advance → IPv6 → RADVD
- MaxRtrAdvInterval – максимальный интервал отправки RA (Router Advertisement);
- MinRtrAdvInterval – минимальный интервал отправки RA;
- AdvManagedFlag – включение/выключение отправки флага Managed в RA;
- AdvOtherConfigFlag – включение/выключение отправки флага Other RA.
Для сохранения изменений нажмите кнопку «Apply Changes».
Подменю «DHCPv6 setting». Настройка DHCPv6-сервера
В разделе осуществляется настройка DHCPv6-сервера. По умолчанию работает в режиме автоконфигурации (DHCPServer(Auto)) через делегацию префикса.
Advance → IPv6 → DHCPv6
- DHCPv6 Mode (Enable/Disable) – включить/выключить работу сервера DHCPv6;
- Hostname – указать имя хоста;
- MAC Address – указать MAC-адрес клиента для привязки IP-адреса;
- IP Address – указать IP-адрес клиента для привязки к MAC-адресу.
После заполнения полей для добавления записи нажмите кнопку «Add». Для сохранения изменений нажмите кнопку «Apply Changes». По нажатию на кнопку «Show Client» выводится таблица активных IP-адресов DHCPv6-сервера. Для удаления всех записей в таблице нажмите кнопку «Delete All», чтобы удалить одну позицию из списка, выделите её и нажмите кнопку «Delete Selected».
Advance → IPv6 → DHCPv6 → Show Client
Подменю «MLD proxy». Настройка функции MLD proxy
В разделе можно включить/отключить работу MLD-proxy, для этого необходимо установить флаг «Enable»/«Disable».
Advance → IPv6 → MLD proxy
Для сохранения изменений нажмите кнопку «Apply Changes».
Подменю «MLD snooping». Настройка функции MLD snooping
В разделе можно включить/отключить работу MLD-snooping, для этого необходимо установить флаг «Enable»/«Disable».
Advance → IPv6 → MLD snooping
Для сохранения изменений нажмите кнопку «Apply Changes».
Подменю «IPv6 routing». Настройка IPv6-маршрутов
В разделе осуществляется настройка статических IPv6-маршрутов.
Advance → IPv6 → IPv6 routing
- Enable – флаг для добавления маршрута;
- Destination – адрес назначения;
- Next Hop – следующий узел;
- Metric – метрика;
- Interface – интерфейс.
Для добавления IPv6 routing заполните соответствующие поля и нажмите кнопку «Add Route». Добавленные маршруты отображаются в таблице «Static IPv6 Route Table», для обновления информации нажмите кнопку «Update». Для удаления всей таблицы нажмите на кнопку «Delete All», чтобы удалить один маршрут, выберите его и нажмите кнопку «Delete Selected». Кнопка «Show Routes» выводит таблицу статических IPv6-маршрутов, к которым обычно обращается сеть.
Advance → IPv6 → IPv6 routing → Show Routes
- Destination – сеть назначение;
- Next Hop – следующий узел;
- Flags – флаги;
- Metric – метрика;
- Ref – источник маршрута;
- Use – использование маршрута;
- Interface – интерфейс, через который доступен указанный маршрут.
Для обновления таблице нажмите «Refresh», для закрытия окна — кнопку «Close».
Подменю «IPv6 IP/Port filtering». Настройка фильтрации пакетов
На странице осуществляется настройка фильтрации пакетов данных, передаваемых через шлюз.
Advance → IPv6 → IP/Port filtering
- Outgoing Default Action – исходящее действие по умолчанию:
- Deny – при установке флага прохождение трафика по умолчанию запрещено;
- Allow – при установке флага прохождение трафика по умолчанию разрешено.
- Incoming Default Action – входящее действие по умолчанию:
- Deny – при установке флага прохождение трафика по умолчанию запрещено;
- Allow – при установке флага прохождение трафика по умолчанию разрешено.
- Direction – направление прохождения трафика:
- Outgoing – исходящее направление;
- Incoming – входящее направление.
- Protocol – выбор протокол;
- Source IP Address – IP-адрес источника;
- Source Prefix Length – длина префикса источника;
- Destination IP Address – IP-адрес назначения;
- Destination Prefix Lenght – длина префикса назначения;
- Source Port – порт источника;
- Destination Port – порт назначения.
Чтобы добавить фильтр, заполните соответствующие поля и нажмите кнопку «Add». Добавленные фильтры отображаются в таблице «Current Filter Table». Для удаления всей таблицы нажмите на кнопку «Delete All», чтобы удалить один фильтр, выберите его и нажмите кнопку «Delete Selected».
Меню «Diagnostics»
Раздел диагностики доступа к различным сетевым узлам.
Подменю «Ping». Проверка доступности сетевых устройств
Раздел предназначен для проверки доступности сетевых устройств при помощи утилиты Ping.
Diagnostics → Ping
Для проверки доступности подключенного устройства необходимо ввести его IP-адрес в поле «Host Address» и нажать кнопку «Go».
Подменю «Traceroute»
Раздел предназначен для диагностики сети путем отправки UDP-пакетов и получения сообщения о доступности/недоступности порта.
Diagnostics → Traceroute
Для отображения пути прохождения пакета информации от его источника к месту назначения необходимо ввести его IP-адрес в поле «Host Address», указать количество транзитных участков «Max number of hops» и нажать кнопку «Go».
Меню «Admin»
Раздел управления устройством. В данном меню производится настройка паролей, времени, конфигураций и прочего.
Подменю «Settings». Восстановление и сброс настроек
Admin → Settings → Backup Settings
В разделе можно скопировать текущие настройки в файл (Backup Settings) нажатием на кнопку «Backup Settings to File».
Admin → Settings → Update Settings
В разделе можно восстанавливать настройки из файла, который был сохранен ранее (Update Settings) кнопкой «Restore».
Admin → Settings → Restore Default
В разделе можно сбросить текущие настройки до заводских настроек по умолчанию (Restore Default), для этого нажмите кнопку «Reset Settings to Default».
Подменю «GPON Setting». Настройка доступа к GPON
В разделе можно указать пароль для активации терминала на OLT.
Admin → GPON Setting
- PLOAM Password – пароль для активации терминала на OLT.
Для сохранения изменений нажмите кнопку «Apply Changes».
Не рекомендуется изменять пароль активации без согласования с интернет-провайдером.
Подменю «Commit/Reboot». Сохранение изменений и перезагрузка устройства
Нажмите кнопку «Commit and Reboot» для перезагрузки устройства или для сохранения изменений в системной памяти. Перезагрузка устройства может занять несколько минут.
Admin → Commit/Reboot
Подменю «Logout». Выход из учетной записи
В разделе возможно выйти из учетной записи нажатием на кнопку «Logout».
Admin → Logout
Подменю «Password». Настройка контроля доступа (установление паролей)
В разделе осуществляется смена пароля для доступа к устройству.
Admin → Password
Для смены пароля необходимо ввести существующий пароль в поле Old Password, затем новый пароль в New Password и подтвердить его Confirmed Password.
Для принятия изменений и сохранения нажмите кнопку «Apply Сhanges», для сброса значения кнопку «Reset».
Подменю «Firmware upgrade». Обновление ПО
Для обновления ПО выберите файл ПО, используя кнопку «Выберите файл», и нажмите «Upgrade». Для сброса значения используйте кнопку «Reset».
Admin → Firmware upgrade
В процессе обновления не допускается отключение питания устройства либо его перезагрузка. Процесс обновления может занимать несколько минут, после чего устройство автоматически перезагружается.
Подменю «Remote Access». Настройка правил удалённого доступа
В разделе возможно настроить правила удалённого доступа по протоколам HTTP / Telnet / ICMP.
Admin → Remote Access
- Enable – включение правила для добавления;
- Service – выбор используемого протокола;
- Interface – интерфейс, к которому применяется правило;
- IP Address – IP-адрес источника;
- Subnet Mask – маска подсети;
- Port – порт назначения.
Чтобы добавить правило, заполните соответствующие поля и нажмите кнопку «Add». Добавленные правила отображаются в таблице «RA Table». Чтобы активировать/деактивировать выделенное правило, нажмите кнопку «Toggle selected». Для удаления одного правила выберите его флагом в столбце Select и нажмите кнопку «Delete Selected».
Подменю «Time zone». Настройки системного времени
В разделе настраивается системное время на устройстве, возможна синхронизация с интернет-серверами точного времени.
Admin → Time zone
- Current time – текущее время;
- Time Zone Select – временная зона;
- Enable Daylight Saving Time – переход на летнее время;
- Enable SNTP Client Update – включить синхронизацию времени по SNTP;
- WAN Interface – интерфейс, через который производится обновление времени;
- SNTP Server – предпочитаемый сервер времени.
Для сохранения изменений нажмите кнопку «Apply Changes», для обновления информации кнопку «Refresh».
Меню «Statistics». Информация о прохождении трафика на портах устройства
Подменю «Interface». Информация о счетчиках и ошибках
В разделе отображаются счетчики/ошибки по пакетам для каждого интерфейса:
Statistics → Interface
- Interface – интерфейс;
- Rx pkt – получено пакетов;
- RX err – ошибки на приеме;
- Rx drop – отброшено на приеме;
- Tx pkt – отправлено пакетов;
- Tx err – ошибка отправки;
- Tx drop – отброшено при передаче.
Подменю «PON»
В разделе отображаются счетчики для оптического интерфейса:
Statistics → PON
- Bytes Sent – отправлено байт;
- Bytes Received – байт получено;
- Packets Sent – пакетов отправлено;
- Packets Received – пакетов получено;
- Unicast Packet Sent – Unicast-пакетов отправлено;
- Unicast Packet Received – Unicast-пакетов получено;
- Multicast Packets Sent – Multicast-пакетов отправлено;
- Multicast Packets Received – Multicast-пакетов получено;
- Broadcast Packet Sent – широковещательных пакетов отправлено;
- Broadcast Packet Received – широковещательных пакетов получено;
- FEC Errors – ошибки FEC;
- Packets Dropped – пакетов отброшено.
Меню «Z-Wave»
Только для устройств NTU-RG-5421G-WZ, NTU-RG-5420G-WZ, NTU-RG-5440G-WZ, NTU-RG-5421G-WZ rev.B, NTU-RG-5440G-WZ rev.B.
В данном меню настраиваются параметры «Умного дома».
- Zway – включить/выключить контроллер «Умного дома»;
- Hostname – указать адрес удалённой платформы «Умного дома»;
- Destination port – указать порт платформы, к которому подключается контроллер «Умного дома»;
- Secure connection – установить в Enable, если для обмена с платформе используется защищенный канал;
- Reset controller (очистить кэш Zway) – при нажатии кнопки, контроллер отключается, с него удаляется вся информация о подключении к платформе, о привязанных датчиках и сценарии.
Для принятия и сохранения настроек необходимо нажать кнопку «Apply Changes».
Список изменений
Версия документа | Актуальность для ПО | Дата выпуска | Содержание изменений |
|---|---|---|---|
| Версия 2.4 | 2.5.11 | 08.2024 | Пятнадцатая публикация |
| Версия 2.3 | 2.5.9 | 05.2023 | Четырнадцатая публикация |
| Версия 2.2 | 2.5.8 | 02.2023 | Тринадцатая публикация |
| Версия 2.1 | 2.5.7 | 10.2022 | Двенадцатая публикация |
| Версия 2.0 | 2.5.3 | 03.2022 | Одиннадцатая публикация |
| Версия 1.9 | 2.5.1 | 11.2021 | Десятая публикация |
| Версия 1.8 | 2.5.0 | 09.2021 | Девятая публикация |
| Версия 1.7 | 2.3.1 | 03.2021 | Восьмая публикация |
| Версия 1.6 | 2.3.0 | 02.2021 | Седьмая публикация |
| Версия 1.5 | 2.2.0 | 10.2020 | Шестая публикация |
| Версия 1.4 | 2.1.0 | 07.2020 | Пятая публикация |
| Версия 1.3 | 1.2.1 | 12.2019 | Четвертая публикация |
| Версия 1.2 | 1.2.0 | 10.2019 | Третья публикация |
| Версия 1.1 | 1.1.0 | 04.2019 | Вторая публикация |
Версия 1.0 | 1.0.1 | 11.2018 | Первая публикация |


















































































