Абонентские оптические терминалы
NTU-RG-54xx

Версия ПО 2.5.13 (07.2025)

IP-адрес: http://192.168.1.1
Логин: user
Пароль: user

Введение

Сеть GPON относится к одной из разновидностей пассивных оптических сетей. Это одно из самых современных и эффективных решений задач «последней мили», позволяющее существенно экономить на кабельной инфраструктуре и обеспечивающее скорость передачи информации до 2,5 Гбит/с в направлении downlink и 1,25 Гбит/с в направлении uplink. Использование в сетях доступа решений на базе технологии GPON дает возможность предоставлять конечному пользователю доступ к новым услугам на базе протокола IP совместно с традиционными сервисами.

Основным преимуществом GPON является использование одного станционного терминала (OLT) для нескольких абонентских устройств (ONT). OLT является конвертером интерфейсов Gigabit Ethernet и GPON, служащим для связи сети PON с сетями передачи данных более высокого уровня. Устройство ONT предназначено для подключения к услугам широкополосного доступа оконечного оборудования клиентов. Может применяться в жилых комплексах и бизнес-центрах.

Линейка оборудования ONT NTU производства «ЭЛТЕКС» представлена терминалами, которые рассчитаны на четыре UNI-интерфейса 10/100/1000BASE-T и поддержку интерфейсов FXS 1 , Wi-Fi, USB, Z-Wave 2 , RF 3 :

  • NTU-RG-5402G-W, NTU-RG-5421G-Wac, NTU-RG-5421GC-Wac, NTU-RG-5421G-WZ, NTU-RG-5440G-WZ, NTU-RG-5440G-Wac, NTU-RG-5420G-Wac, NTU-RG-5420G-WZ, NTU-RG-5421G-Wac rev.B, NTU-RG-5421G-WZ rev.B, NTU-RG-5440G-Wac rev.B, NTU-RG-5440G-WZ rev.B.

В настоящем руководстве по эксплуатации изложены назначение, основные технические характеристики, правила конфигурирования, мониторинга и смены программного обеспечения оптических терминалов серии NTU-RG.

Примечания и предупреждения

Подсказки содержат важную информацию, советы или рекомендации по использованию и настройке устройства.

Примечания содержат важную информацию, советы или рекомендации по использованию и настройке устройства.

Предупреждения информируют пользователя о ситуациях, которые могут нанести вред устройству или человеку, привести к некорректной работе устройства или потере данных.


1 Для устройств NTU-RG-5402G-W, NTU-RG-5421G-Wac, NTU-RG-5421GC-Wac, NTU-RG-5421G-WZ, NTU-RG-5421G-Wac rev.B, NTU-RG-5421G-WZ rev.B.

2 Для устройств NTU-RG-5420G-WZ, NTU-RG-5421G-WZ, NTU-RG-5440G-WZ, NTU-RG-5421G-WZ rev.B, NTU-RG-5440G-WZ rev.B.

3 Для устройства NTU-RG-5421GC-Wac.

Описание изделия

Назначение

Устройства NTU-RG GPON ONT (Gigabit Passive Optical Network) – высокопроизводительные абонентские терминалы, предназначенные для связи с вышестоящим оборудованием пассивных оптических сетей и предоставления услуг широкополосного доступа конечному пользователю. Связь с сетями GPON реализуется посредством PON-интерфейса, для подключения оконечного оборудования клиентов служат интерфейсы Ethernet.

Преимуществом технологии GPON является оптимальное использование полосы пропускания. Эта технология является следующим шагом для обеспечения новых высокоскоростных интернет-приложений дома и в офисе. Разработанные для развертывания сети внутри дома или здания, данные устройства ONT обеспечивают надежное соединение с высокой пропускной способностью на дальние расстояния для пользователей, живущих и работающих в удаленных многоквартирных зданиях и бизнес-центрах.

Благодаря встроенному маршрутизатору, устройства обеспечивают возможность подключения оборудования локальной сети к сети широкополосного доступа. Терминалы позволяют настроить фильтрацию трафика, используя различные параметры, такие как IP-адрес/MAC-адрес/порт источника/назначения, а также защиту локального сегмента сети от DoS-атак, используя встроенный в ПО устройства межсетевой экран. Пользователи могут настроить домашний или офисный web-сайт, добавив один из LAN-портов в зону DMZ. Виртуальная частная сеть (VPN) предоставляет мобильным пользователям и филиалам защищенный канал связи для подключения к корпоративной сети.

Порт FXS позволяет пользоваться услугами IP-телефонии, предоставляя множество полезных функций, таких как отображение идентификатора звонящего, трехстороннюю конференцию, телефонную книгу, ускоренный набор. Все это обеспечивает удобство пользователя при наборе номера и приеме телефонных звонков.

Порты USB могут использоваться для подключения USB-устройств (USB-флеш-накопитель, внешний HDD).

Абонентский маршрутизатор NTU-RG-5402G-W, поддерживает подключение по Wi-Fi стандарта b/g/n и позволяет обеспечить работу устройства в частотном диапазоне – 2.4 ГГц. В свою очередь абонентские маршрутизаторы NTU-RG-5421G-Wac, NTU-RG-5421G-WZ, NTU-RG-5421GC-Wac, NTU-RG-5440G-WZ, NTU-RG-5440G-Wac, NTU-RG-5420G-Wac, NTU-RG-5420G-WZ, NTU-RG-5421G-Wac rev.B, NTU-RG-5421G-WZ rev.B, NTU-RG-5440G-Wac rev.B, NTU-RG-5440G-WZ rev.B позволяют подключать клиентов Wi-Fi по стандарту IEEE 802.11a/b/g/n/ac. Поддержка стандарта 802.11ac обеспечивает скорость передачи данных до 1733 Мбит/с и позволяет доставлять современные высокоскоростные сервисы клиентскому оборудованию по беспроводной сети. Два встроенных контроллера Wi-Fi сети позволяют обеспечить работу устройства одновременно в двух частотных диапазонах – 2.4 ГГц и 5 ГГц.

Устройства NTU-RG-5421G-WZ, NTU-RG-5420G-WZ, NTU-RG-5440G-WZ, NTU-RG-5421G-WZ rev.B, NTU-RG-5440G-WZ rev.B в своей комплектации имеют контроллер "Умный дом".

Контроллер "Умный дом" позволяет организовать беспроводной радиоканал с низким энергопотреблением специально для дистанционного управления. В отличие от Wi-Fi и других IEEE 802.11 стандартов передачи данных, предназначенных в основном для больших потоков информации, технология "Умный дом" работает в диапазоне частот до 1 ГГц и оптимизирована для передачи простых управляющих команд с малыми задержками (например, включить/выключить, изменить громкость, яркость и т.д.). Выбор низкого радиочастотного диапазона обусловлен малым количеством потенциальных источников помех (в отличие от загруженного диапазона 2.4 ГГц, в котором приходится прибегать к мероприятиям, уменьшающим возможные помехи от работающих различных бытовых беспроводных устройств — Wi-Fi, ZigBee, Bluetooth).

Контроллер "Умный дом" предназначен для создания недорогой и энергоэффективной потребительской электроники, в том числе устройств на батарейках, таких как пульты дистанционного управления, датчики дыма, температуры, влажности, движения и других датчиков безопасности.

Устройство NTU-RG-5421GC-Wac имеет встроенный RF-выход, к которому подключается телевизор для просмотра аналогового или цифрового кабельного телевидения (при условии предоставления услуги оператором).

Варианты исполнения

Устройства серий NTU-RG отличаются набором интерфейсов и функциональными возможностями, таблица 1.

Таблица 1 – Варианты исполнения

Наименование модели

WAN

LAN

FXS

Z-Wave

TV

Wi-Fi

USB

NTU-RG-5402G-W

1xGPON

4х1Gigabit

2

-

-

802.11n, 2*2 - 300 Мбит/с – 2.4 ГГц

1

NTU-RG-5420G-Wac1xGPON4х1Gigabit---802.11n, 2*2 - 300 Мбит/с – 2.4 ГГц
802.11ac, 2*2 - 866 Мбит/с – 5 ГГц
1
NTU-RG-5420G-WZ1xGPON4х1Gigabit-1-802.11n, 2*2 - 300 Мбит/с – 2.4 ГГц
802.11ac, 2*2 - 866 Мбит/с – 5 ГГц
1

NTU-RG-5421G-Wac

1xGPON

4х1Gigabit

1

-

-

802.11n, 2*2 - 300 Мбит/с – 2.4 ГГц
802.11ac, 2*2 - 866 Мбит/с – 5 ГГц

1

NTU-RG-5421G-Wac rev.B1xGPON4х1Gigabit1--802.11n, 2*2 - 300 Мбит/с – 2.4 ГГц
802.11ac, 2*2 - 866 Мбит/с – 5 ГГц
1

NTU-RG-5421G-WZ

1xGPON

4х1Gigabit

1

1

-

802.11n, 2*2 - 300 Мбит/с – 2.4 ГГц
802.11ac, 2*2 - 866 Мбит/с – 5 ГГц

1

NTU-RG-5421G-WZ rev.B1xGPON4х1Gigabit11-802.11n, 2*2 - 300 Мбит/с – 2.4 ГГц
802.11ac, 2*2 - 866 Мбит/с – 5 ГГц
1
NTU-RG-5421GC-Wac1xGPON4х1Gigabit1-1802.11n, 2*2 - 300 Мбит/с – 2.4 ГГц
802.11ac, 2*2 - 866 Мбит/с – 5 ГГц
1

NTU-RG-5440G-Wac

1xGPON

4х1Gigabit

-

-

-

802.11n, 2*2 - 300 Мбит/с – 2.4 ГГц
802.11ac, 4*4 - 1733 Мбит/с – 5 ГГц

1

NTU-RG-5440G-Wac rev.B1xGPON4х1Gigabit---802.11n, 2*2 - 300 Мбит/с – 2.4 ГГц
802.11ac, 4*4 - 1733 Мбит/с – 5 ГГц
1

NTU-RG-5440G-WZ

1xGPON

4х1Gigabit

-

1

-

802.11n, 2*2 - 300 Мбит/с – 2.4 ГГц
802.11ac, 4*4 - 1733 Мбит/с – 5 ГГц

1

NTU-RG-5440G-WZ rev.B1xGPON4х1Gigabit-1-802.11n, 2*2 - 300 Мбит/с – 2.4 ГГц
802.11ac, 4*4 - 1733 Мбит/с – 5 ГГц
1

Характеристики устройств

Устройства имеют следующие интерфейсы:

  • порты RJ-11 для подключения аналоговых телефонных аппаратов (FXS):
    • 2 порта в NTU-RG-5402G-W;
    • 1 порт в NTU-RG-5421G-Wac, NTU-RG-5421G-WZ, NTU-RG-5421G-Wac rev.B, NTU-RG-5421G-WZ rev.B, NTU-RG-5421GC-Wac.
  • 1 порт PON SC/APC для подключения к сети оператора (WAN);
  • порты Ethernet RJ-45 LAN для подключения сетевых устройств (LAN):
    • 4 порта RJ-45 10/100/1000BASE-T.
  • приемопередатчик Wi-Fi:
    •  802.11b/g/n в NTU-RG-5402G-W;
    •  802.11a/b/g/n/ac в NTU-RG-5420G-Wac, NTU-RG-5420G-WZ, NTU-RG-5421G-Wac, NTU-RG-5421G-WZ, NTU-RG-5421GC-Wac, NTU-RG-5440G-WZ, NTU-RG-5440G-Wac, NTU-RG-5421G-Wac rev.B, NTU-RG-5421G-WZ rev.B, NTU-RG-5440G-WZ rev.B, NTU-RG-5440G-Wac rev.B.
  • 1 порт USB 2.0 для подключения внешних накопителей USB или HDD;
  • контроллер "Умный дом", входит в состав NTU-RG-5420G-WZNTU-RG-5421G-WZ, NTU-RG-5440G-WZ, NTU-RG-5421G-WZ rev.B, NTU-RG-5440G-WZ rev.B;
  • 1 RF-порт для подключения кабельного телевидения (CaTV) в NTU-RG-5421GC-Wac.

Питание терминала осуществляется через внешний адаптер:

  • для устройств NTU-RG-5402G-W, NTU-RG-5421G-Wac, NTU-RG-5421G-WZ, NTU-RG-5421GC-Wac, NTU-RG-5440G-WZ, NTU-RG-5440G-Wac, NTU-RG-5421G-Wac rev.B, NTU-RG-5421G-WZ rev.B, NTU-RG-5440G-WZ rev.B, NTU-RG-5440G-Wac rev.B от сети 220 В/12 B 2 А;
  • для устройств NTU-RG-5420G-Wac, NTU-RG-5420G-WZ от сети 220 В/12 В 1,5 А.

Устройства поддерживают следующие функции:

  • cетевые функции: 
    • работа в режиме «моста» или «маршрутизатора»;
    • поддержка PPPoE (auto, PAP-, CHAP- MSCHAP-авторизация);
    • поддержка IPoE (DHCP-client и static);
    • поддержка статического адреса и DHCP (DHCP-клиент на стороне WAN, DHCP-сервер на стороне LAN);
    • передача Multicast трафика по Wi-Fi;
    • поддержка DNS (Domain Name System);
    • поддержка DynDNS (Dynamic DNS);
    • поддержка UPnP (Universal Plug and Play);
    • поддержка IPsec (IP Security);
    • поддержка NAT (Network Address Translation);
    • поддержка Firewall;
    • поддержка NTP (Network Time Protocol);
    • поддержка механизмов качества обслуживания QoS;
    • поддержка IGMP-snooping;
    • поддержка IGMP-proxy;
    • поддержка функции Storage service;
    • поддержка SMB, FTP;
    • Print Server (поддержан только для LAN);
    • VLAN в соответствии с IEEE 802.1Q.
  • Wi-Fi:
    • поддержка стандартов 802.11a/b/g/n/ac 1;
    • одновременная работа в двух диапазонах: 2.4 ГГц и 5 ГГц;
    • поддержка EasyMesh 2.
  • IP-телефония 3:
    • поддержка протокола SIP;
    • аудиокодеки: G.729 (A), G.711(A/U), G.723.1;
    • ToS для пакетов RTP;
    • ToS для пакетов SIP;
    • эхо компенсация (рекомендации G.164, G.165);
    • обнаружение голосовой активности (VAD);
    • генератор комфортного шума (CNG);
    • обнаружение и генерирование сигналов DTMF;
    • передача DTMF (INBAND, RFC2833, SIP INFO);
    • передача факса: G.711, T.38;
    • выдача Caller ID.
  • функции ДВО 3:
    • удержание вызова – Call Hold;
    • передача вызова – Call Transfer;
    • уведомление о поступлении нового вызова – Call Waiting;
    • безусловная переадресация – Forward unconditionally;
    • переадресация по неответу – Forward on "no answer";
    • переадресация по занятости – Forward on "busy";
    • определитель номера Caller ID по ETSI FSK;
    • запрет выдачи Caller ID (анонимный звонок) – Anonymous calling;
    • теплая линия – Warmline;
    • гибкий план нумерации;
    • индикация о наличии сообщений на голосовой почте – MWI;
    • блокировка анонимных звонков – Anonymous call blocking;
    • запрет на исходящие вызовы – Call Barring;
    • "не беспокоить" – DND.
  • обновление ПО:
    • web-интерфейс;
    • TR-069;
    • OMCI.
  • удаленный мониторинг, конфигурирование и настройка:
    • TR-069;
    • web-интерфейс;
    • OMCI;
    • SSH;
    • Telnet.
  • поддержка контроллера "Умный дом" 4;
  • поддержка кабельного телевидения 5 .

Для NTU-RG-5402G-W — поддержка стандарта 802.11b/g/n.

Для всех устройств, кроме NTU-RG-5402G-W, NTU-RG-5421GС-Wac.

3 Только для NTU-RG-5402G-W, NTU-RG-5421G-Wac, NTU-RG-5421G-WZ, NTU-RG-5421GC-Wac, NTU-RG-5421G-Wac rev.B, NTU-RG-5421G-WZ rev.B.

4 Только для NTU-RG-5421G-WZ, NTU-RG-5420G-WZ, NTU-RG-5440G-WZ, NTU-RG-5421G-WZ rev.B, NTU-RG-5440G-WZ rev.B.

5 Только для NTU-RG-5421GC-Wac.

На рисунках ниже приведены схемы применения оборудования NTU-RG.

Рисунок 1 – Схема применения NTU-RG-5402G-W

Рисунок 2 – Схема применения NTU-RG-5421G-WZ, NTU-RG-5421G-WZ rev.B, NTU-RG-5420G-WZ, NTU-RG-5440G-WZ и NTU-RG-5440G-WZ rev.B

Рисунок 3 – Схема применения NTU-RG-5420G-Wac, NTU-RG-5420G-WZ, NTU-RG-5421G-Wac, NTU-RG-5421G-WZ, NTU-RG-5421GC-Wac, NTU-RG-5440G-WZ, NTU-RG-5440G-Wac, NTU-RG-5421G-Wac rev.B, NTU-RG-5421G-WZ rev.B, NTU-RG-5440G-WZ rev.B и NTU-RG-5440G-Wac rev.B

Основные технические параметры

Основные технические параметры терминалов приведены в таблице 2.

Таблица 2 – Основные технические параметры

Протоколы VoIP

Поддерживаемые протоколы

SIP

Аудиокодеки

Кодеки

G.729, annex A
G.711(A/µ)
G.723.1 (5,3 Kbps)
Передача факса: G.711, T.38

Параметры интерфейсов Ethernet LAN

Количество интерфейсов

4

Электрический разъем

RJ-45

Скорость передачи, Мбит/с

Автоопределение, 10/100/1000 Мбит/с,
дуплекс/полудуплекс

Поддержка стандартов

IEEE 802.3i 10BASE-T Ethernet
IEEE 802.3u 100BASE-TX Fast Ethernet
IEEE 802.3ab 1000BASE-T Gigabit Ethernet
IEEE 802.3x Flow Control
IEEE 802.3 NWay auto-negotiation

Параметры интерфейса PON

Количество интерфейсов

1

Поддержка стандартовITU-T G.984.x Gigabit-capable passive optical networks (GPON)
ITU-T G.988 ONU management and control interface (OMCI) specification
IEEE 802.1Q Tagged VLAN
IEEE 802.1P Priority Queues
IEEE 802.1D Spanning Tree Protocol
Тип разъемаSC/APC
соответствует ITU-T G.984.2, ITU-T G.984.5 Filter, FSAN Class B+, SFF-8472
Среда передачиОптоволоконный кабель SMF - 9/125, G.652
Коэффициент разветвленияДо 1:128
Максимальная дальность действия20 км
Передатчик:1310 нм
    • Скорость соединения upstream
1244 Мбит/с
    • Мощность передатчика
+0,5 до +5 дБм
    • Ширина спектра оптического излучения (RMS)
1 нм
Приемник:1490 нм
    • Скорость соединения downstream
2488 Мбит/с
    • Чувствительность приемника
от -8 до -28, BER≤1.0x10-10
Оптическая перегрузка приемника-8 дБм

Параметры аналоговых абонентских портов

Количество портовNTU-RG-5402G-W

NTU-RG-5421G-Wac
NTU-RG-5421GC-Wac
NTU-RG-5421G-WZ
NTU-RG-5421G-Wac rev.B
NTU-RG-5421G-WZ rev.B

21
Сопротивление шлейфаДо 2 кОм
Прием вызоваИмпульсный/частотный (DTMF)
Выдача Caller IDЕсть

Параметры беспроводного интерфейса Wi-Fi

МодельNTU-RG-5402G-W

NTU-RG-5420G-Wac
NTU-RG-5420G-WZ
NTU-RG-5421G-Wac
NTU-RG-5421GC-Wac
NTU-RG-5421G-WZ
NTU-RG-5421G-Wac rev.B
NTU-RG-5421G-WZ rev.B

NTU-RG-5440G-Wac
NTU-RG-5440G-WZ
NTU-RG-5440G-Wac rev.B
NTU-RG-5440G-WZ rev.B
Стандарт802.11 b/g/n802.11 a/b/g/n/ac802.11 a/b/g/n/ac
Частотный диапазон

2400 ~ 2483,5 МГц

2400 ~ 2483,5 МГц, 5150 ~ 5350 МГц, 5650 ~ 5850 МГц
Одновременная работа в двух частотных диапазонах (Simultaneous Dual Band)

Модуляция

CCK, BPSK, QPSK, 16 QAM, 64 QAM, 256 QAM

CCK, BPSK, QPSK, 16 QAM, 64 QAM, 256 QAM

Скорость передачи данных, Мбит/с

– 802.11b/g/n: 1-13
– 802.11b: 1; 2; 5,5 и 11 Мбит/с
– 802.11g: 6, 9, 12, 18, 24, 36, 48 и 54 Мбит/с
– 802.11n: от 6,5 до 300 Мбит/c (от MCS0 до MCS15)

– 802.11b/g/n: 1-13
– 802.11b: 1; 2; 5,5 и 11 Мбит/с
– 802.11g: 6, 9, 12, 18, 24, 36, 48 и 54 Мбит/с
– 802.11ac: 866 Мбит/c (80 МГц)
– 802.11n: от 6,5 до 300 Мбит/c (от MCS0 до MCS15)

– 802.11b/g/n: 1-13
– 802.11b: 1; 2; 5,5 и 11 Мбит/с
– 802.11g: 6, 9, 12, 18, 24, 36, 48 и 54 Мбит/с
– 802.11ac: 1733 Мбит/c (80 МГц)
– 802.11n: от 6,5 до 300 Мбит/c (от MCS0 до MCS15)

Максимальная выходная мощность передатчика

– 802.11b (11 Mbps): 17дБм
– 802.11g (54 Mbps): 15дБм
– 802.11n (MCS7): 15 дБм

– 802.11b (11 Mbps): 17 дБм
– 802.11g (54 Mbps): 15 дБм
– 802.11n (MCS7): 15 дБм
– 802.11ас (MCS0): 19 дБм

2.4 ГГц:
– 802.11b (11 Mbps): 18 дБм
– 802.11g (54 Mbps): 16 дБм
– 802.11n (MCS7): 16 дБм
– 802.11n (MCS0): 18 дБм
5 ГГц:
– 802.11ac (MCS7): 18 дБм
– 802.11ас (MCS0): 20 дБм
MAC-протоколCSMA/CA модель ACK 32 MAC
Безопасность

64/128-битное WEP-шифрование данных
WPA, WPA2, WPA3
802.1x
AES & TKIP

MIMO2.4 ГГц - 2х22.4 ГГц - 2х2, 5 ГГц - 2х22.4 ГГц - 2х2, 5 ГГц - 4х4
Рабочий диапазон температурот +5 до +40 °С

Управление

Локальное управлениеWeb-интерфейс
Удалённое управлениеSSH, Telnet, TR-069, OMCI
Обновление программного обеспеченияOMCI, TR-069, HTTP
Ограничение доступаПо паролю

Общие параметры

Модель

NTU-RG-5402G-W
NTU-RG-5421G-Wac
NTU-RG-5421G-WZ

NTU-RG-5421GC-WacNTU-RG-5440G-Wac
NTU-RG-5440G-WZ
NTU-RG-5440G-Wac rev.B
NTU-RG-5440G-WZ rev.B
NTU-RG-5421G-Wac rev.B
NTU-RG-5421G-WZ rev.B
NTU-RG-5420G-Wac
NTU-RG-5420G-WZ
ПитаниеАдаптер питания 12 В DC/220 В AC
Потребляемая мощность

Не более 18 Вт

Рабочий диапазон температурОт +5 до +40 °С
Относительная влажностьДо 80 %
Габариты (Ш × В × Г)187 × 32 × 120 мм220 × 50 × 120 мм234 × 34 × 133 мм234 × 34 × 133 мм
Масса0,35 кг0,45 кг0,57 кг0,35 кг

Конструктивное исполнение

Абонентский терминал выполнен в виде настольного изделия в пластиковом корпусе.

Внешний вид задней панели устройств приведен на рисунках 4, 5, 6, 7, 8.

Рисунок 4 – Внешний вид задней панели NTU-RG-5402G-W

Рисунок 5 – Внешний вид задней панели NTU-RG-5421G-Wac и NTU-RG-5421G-WZ

На задней панели устройств NTU-RG-5402G-W, NTU-RG-5421G-Wac и NTU-RG-5421G-WZ расположены следующие разъемы и органы управления, таблица 3.

Таблица 3 – Описание разъемов и органов управления задней панели

Элемент задней панели

Описание

1

On/Off

Кнопка питания

2

12V

Разъем подключения адаптера питания

3

PON

Разъем SC (розетка) PON оптического интерфейса GPON

4

USB

Разъем для подключения внешних накопителей и других USB-устройств

5

Phone

Разъем RJ-11 для подключения аналогового телефонного аппарата:

  • 2 разъема в NTU-RG-5402G-W
  • 1 разъем в NTU-RG-5421G-Wac и NTU-RG-5421G-WZ

6

LAN 10/100/1000 1..4

4 разъема RJ-45 для подключения сетевых устройств



Рисунок 6 – Внешний вид задней панели NTU-RG-5421GС-Wac

На задней панели устройства расположены следующие разъемы и органы управления, таблица 4.

Таблица 4 – Описание разъемов и органов управления задней панели

Элемент задней панели

Описание

1

On/Off

Кнопка питания

2

12V

Разъем подключения адаптера питания

3

USB

Разъем для подключения внешних накопителей и других USB-устройств

4

TV

RF-порт для подключения коаксиального кабеля

5

Phone

Разъем RJ-11 для подключения аналогового телефонного аппарата.

6

LAN 10/100/1000 P1..P4

4 разъема RJ-45 для подключения сетевых устройств

7 Wi-Fi Кнопка включения/выключения Wi-Fi
8 WPS

Кнопка для автоматического защищенного подключения к сети Wi-Fi на устройстве

9FФункциональная кнопка для перезагрузки устройства и сброса к заводским настройкам
10 PON Разъем SC (розетка) PON оптического интерфейса GPON


Рисунок 7 – Внешний вид задней панели NTU-RG-5420G-Wac, NTU-RG-5420G-WZ, NTU-RG-5440G-Wac, NTU-RG-5440G-WZ, NTU-RG-5440G-Wac rev.B, NTU-RG-5440G-WZ rev.B

На задней панели устройств NTU-RG-5420G-Wac, NTU-RG-5420G-WZ, NTU-RG-5440G-Wac, NTU-RG-5440G-WZ, NTU-RG-5440G-Wac rev.B, NTU-RG-5440G-WZ rev.B расположены следующие разъемы и органы управления, таблица 5.

Таблица 5 – Описание разъемов и органов управления задней панели

Элемент задней панели

Описание

1 FФункциональная кнопка для перезагрузки устройства и сброса к заводским настройкам

On/Off

Кнопка питания

12V

Разъем подключения адаптера питания

LAN 10/100/1000 1..4

4 разъема RJ-45 для подключения сетевых устройств

PON

Разъем SC (розетка) PON оптического интерфейса GPON

USB

Разъем для подключения внешних накопителей и других USB-устройств

Wi-Fi Кнопка включения/выключения Wi-Fi

8

WPS

Кнопка для автоматического защищенного подключения к сети Wi-Fi на устройстве


Рисунок 8 – Внешний вид задней панели NTU-RG-5421G-Wac rev.B, NTU-RG-5421G-WZ rev.B

На задней панели устройств NTU-RG-5421G-Wac rev.B, NTU-RG-5421G-WZ rev.B расположены следующие разъемы и органы управления, таблица 6.

Таблица 6 – Описание разъемов и органов управления задней панели

Элемент задней панели

Описание

1 FФункциональная кнопка для перезагрузки устройства и сброса к заводским настройкам

On/Off

Кнопка питания

12V

Разъем подключения адаптера питания

LAN 10/100/1000 1..4

4 разъема RJ-45 для подключения сетевых устройств

PON

Разъем SC (розетка) PON оптического интерфейса GPON

USB

Разъем для подключения внешних накопителей и других USB-устройств

Wi-Fi Кнопка включения/выключения Wi-Fi

8

WPS

Кнопка для автоматического защищенного подключения к сети Wi-Fi на устройстве

9Phone

Разъем RJ-11 для подключения аналогового телефонного аппарата.

Внешний вид боковой панели устройств NTU-RG-5402G-W, NTU-RG-5421G-Wac и NTU-RG-5421G-WZ приведен на рисунке 9.

Рисунок 9 – Внешний вид боковой панели NTU-RG-5402G-W, NTU-RG-5421G-Wac и NTU-RG-5421G-WZ

На боковой панели устройства расположены следующие кнопки, таблица 7.

Таблица 7 – Описание кнопок боковой панели NTU-RG-5402G-W, NTU-RG-5421G-Wac и NTU-RG-5421G-WZ

Элемент боковой панели

Описание

1

Reset

Функциональная кнопка для перезагрузки устройства и сброса к заводским настройкам

2

Wi-Fi

Кнопка включения/выключения Wi-Fi

3

WPS

Кнопка для автоматического защищенного подключения к сети Wi-Fi на устройстве

Световая индикация

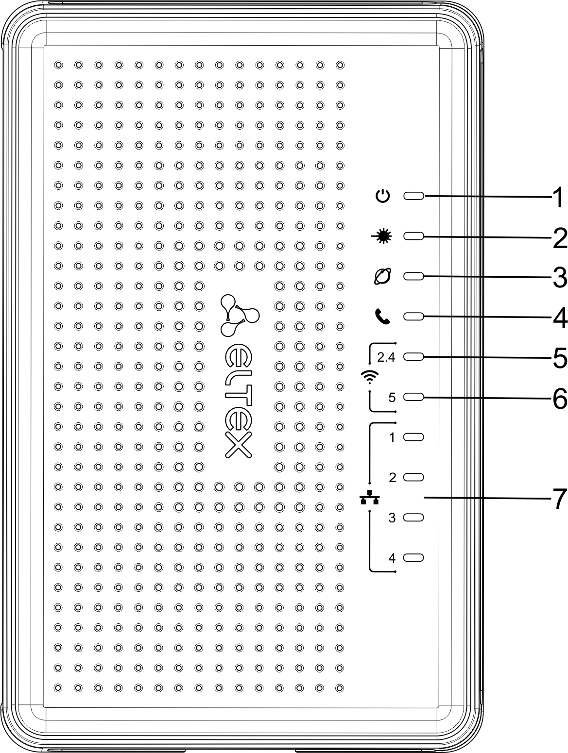
Внешний вид верхних панелей NTU-RG-5402G-W, NTU-RG-5421G-Wac, NTU-RG-5421G-WZ приведены на рисунке 10.

               

Рисунок 10 – Внешний вид верхних панелей NTU-RG-5402G-W (слева) и NTU-RG-5421G-Wac, NTU-RG-5421G-WZ (справа)

Текущее состояние устройства отображается при помощи индикаторов, расположенных на верхней панели. Перечень состояний индикаторов приведен в таблице 8.

Таблица 8 – Описание индикаторов верхней панели NTU-RG-5402G-W, NTU-RG-5421G-Wac и NTU-RG-5421G-WZ

Элемент верхней панели

Состояние индикатора

Описание

1

– индикатор питания и статуса работы

не горит

Устройство отключено от сети питания или неисправно

красныйВ процессе загрузки
зелёныйПроцесс загрузки завершен, на устройстве установлена конфигурация, отличная от конфигурации по умолчанию
оранжевыйПроцесс загрузки завершен, на устройстве установлена конфигурация по умолчанию

2

– индикатор работы оптического интерфейса

не горит

Процесс загрузки устройства

зелёныйУстановлено соединение между станционным оптическим терминалом и устройством
мигает зелёнымУстановлено соединение между станционным оптическим терминалом и устройством, устройство не активировано
мигает краснымНет сигнала от станционного оптического терминала

3

– индикатор статус

не горит

Интерфейс с признаком Интернет не сконфигурирован 

зелёныйУстройство готово к работе, установлено соединение с интернетом
медленно мигает зелёнымИдет процесс обновления ПО на устройстве
быстро мигает зелёнымИдет процесс загрузки устройства/идет процесс установления соединения с сетью интернет

4

– индикатор активности порта FXS

не горитSIP-агент не настроен/не зарегистрирован/выключен
горит

SIP-агент успешно зарегистрирован

мигаетПри снятой трубке/разговоре

5

2.4 – индикатор активности Wi-Fi в диапазоне 2.4 ГГц

зелёный

Сеть Wi-Fi активна

мигаетПроцесс передачи данных по Wi-Fi
не горитСеть Wi-Fi не активна

6

5 – индикатор активности Wi-Fi в диапазоне 5 ГГц

зелёный

Сеть Wi-Fi активна

мигаетПроцесс передачи данных по Wi-Fi
не горитСеть Wi-Fi не активна

7

1..4 – индикаторы работы Ethernet-портов

зелёный

Установлено соединение 10/100 Мбит/с

оранжевыйУстановлено соединение 1000 Мбит/с
мигаетПроцесс пакетной передачи данных

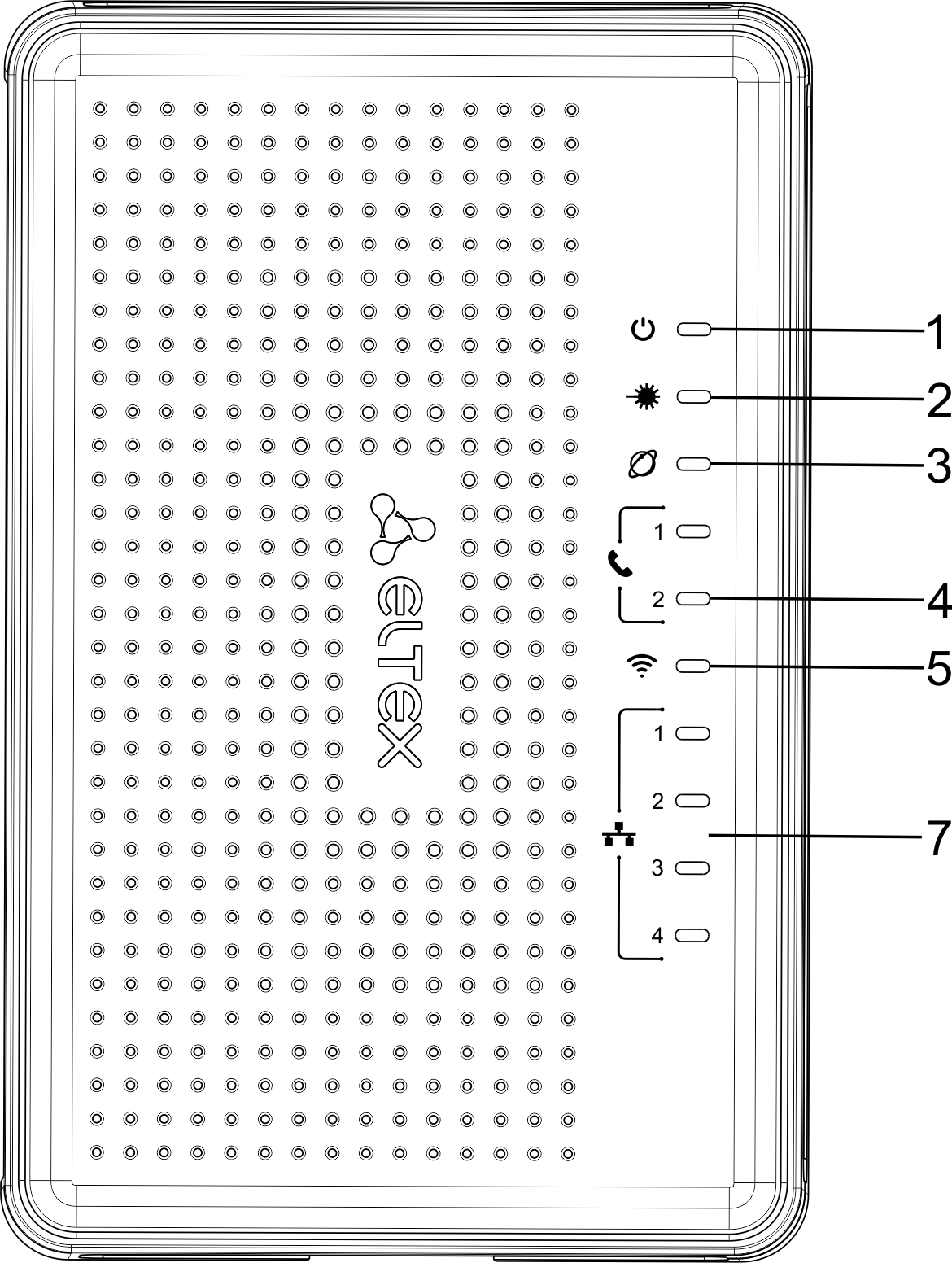
Внешний вид передней панели NTU-RG-5421GС-Wac приведен на рисунке 11.

Рисунок 11 – Внешний вид передней панели NTU-RG-5421GС-Wac

Текущее состояние устройства отображается при помощи индикаторов, расположенных на передней панели. Перечень состояний индикаторов приведен в таблице 9.

Таблица 9 – Описание индикаторов передней панели NTU-RG-5421GС-Wac

Элемент передней панелиСостояние индикатораОписание
1

PON – индикатор работы оптического интерфейса

не горитПроцесс загрузки устройства
зелёныйУстановлено соединение между станционным оптическим терминалом и устройством
мигает зелёнымУстановлено соединение между станционным оптическим терминалом и устройством, устройство не активировано
быстро мигает зеленымИдет процесс загрузки устройства/идет процесс установления соединения с сетью интернет
мигает краснымНет сигнала от станционного оптического терминала
2 Status – индикатор статусне горитИнтерфейс с признаком Интернет не сконфигурирован
зелёныйУстройство готово к работе, установлено соединение с интернетом
медленно мигает зелёнымИдет процесс обновления ПО на устройстве
3 LAN P1..P4 – индикаторы работы Ethernet-портовзелёныйУстановлено соединение 10/100 Мбит/с
оранжевыйУстановлено соединение 1000 Мбит/с
мигаетПроцесс пакетной передачи данных
4 WiFi 2.4 – индикатор активности Wi-Fi в диапазоне 2.4 ГГцзелёныйСеть Wi-Fi активна
мигаетПроцесс передачи данных по Wi-Fi
не горитСеть Wi-Fi не активна
5 WiFi 5 – индикатор активности Wi-Fi в диапазоне 5 ГГцзелёныйСеть Wi-Fi активна
мигаетПроцесс передачи данных по Wi-Fi
не горитСеть Wi-Fi не активна
6 Phone – индикатор активности порта FXSне горитSIP-агент не настроен/не зарегистрирован/выключен
горитSIP-агент успешно зарегистрирован
мигаетПри снятой трубке/разговоре
7

TV – индикатор статуса работы "TV"

зеленый-8 dBm < Мощность CATV сигнала < +2 dBm
не горитRF-порт отключен
красныйТВ-сигнал недоступен
оранжевый

Уровень сигнала не соответствует нормальному (более +2 дБм)

8


Power – индикатор питания и статуса работы


не горитУстройство отключено от сети питания или неисправно
красныйВ процессе загрузки
зелёныйПроцесс загрузки завершен, на устройстве установлена конфигурация, отличная от конфигурации по умолчанию
оранжевыйПроцесс загрузки завершен, на устройстве установлена конфигурация по умолчанию

Внешний вид верхней панели NTU-RG-5420G-Wac, NTU-RG-5420G-WZ, NTU-RG-5440G-Wac, NTU-RG-5440G-WZ, NTU-RG-5440G-Wac rev.B, NTU-RG-5440G-WZ rev.B приведен на рисунке 12.

Рисунок 12 – Внешний вид верхней панели NTU-RG-5420G-Wac, NTU-RG-5420G-WZ, NTU-RG-5440G-Wac, NTU-RG-5440G-WZ, NTU-RG-5440G-Wac rev.B, NTU-RG-5440G-WZ rev.B

Текущее состояние устройства отображается при помощи индикаторов, расположенных на верхней панели. Перечень состояний индикаторов приведен в таблице 10.

Таблица 10 – Описание индикаторов верхней панели NTU-RG-5420G-Wac, NTU-RG-5420G-WZ, NTU-RG-5440G-Wac, NTU-RG-5440G-WZ, NTU-RG-5440G-Wac rev.B, NTU-RG-5440G-WZ rev.B

Элемент верхней панели

Состояние индикатора

Описание

1

– индикатор питания и статуса работы

не горит

Устройство отключено от сети питания или неисправно

красныйВ процессе загрузки
зелёныйПроцесс загрузки завершен, на устройстве установлена конфигурация, отличная от конфигурации по умолчанию
оранжевыйПроцесс загрузки завершен, на устройстве установлена конфигурация по умолчанию
2



– индикатор статус

не горитИнтерфейс с признаком Интернет не сконфигурирован 
зелёныйУстройство готово к работе, установлено соединение с интернетом
медленно мигает зелёнымИдет процесс обновления ПО на устройстве
быстро мигает зелёнымИдет процесс загрузки устройства/идет процесс установления соединения с сетью интернет

3

– индикатор работы оптического интерфейса

не горит

Процесс загрузки устройства

зелёныйУстановлено соединение между станционным оптическим терминалом и устройством
мигает зелёнымУстановлено соединение между станционным оптическим терминалом и устройством, устройство не активировано
мигает краснымНет сигнала от станционного оптического терминала

4

 – индикатор активности порта USB

не горитUSB-устройство не подключено
горит

USB-устройство подключено

мигает

Процесс передачи данных с USB-устройством

5

2.4 – индикатор активности Wi-Fi в диапазоне 2.4 ГГц

зелёный

Сеть Wi-Fi активна

мигаетПроцесс передачи данных по Wi-Fi
не горитСеть Wi-Fi не активна

6

5 – индикатор активности Wi-Fi в диапазоне 5 ГГц

зелёный

Сеть Wi-Fi активна

мигаетПроцесс передачи данных по Wi-Fi
не горитСеть Wi-Fi не активна

7

1..4 – индикаторы работы Ethernet-портов

зелёный

Установлено соединение 10/100 Мбит/с

оранжевыйУстановлено соединение 1000 Мбит/с
мигаетПроцесс пакетной передачи данных

Внешний вид верхней панели NTU-RG-5421G-Wac rev.B, NTU-RG-5421G-WZ rev.B приведен на рисунке 13.

Рисунок 13 – Внешний вид верхней панели NTU-RG-5421G-Wac rev.B и NTU-RG-5421G-WZ rev.B

Текущее состояние устройства отображается при помощи индикаторов, расположенных на верхней панели. Перечень состояний индикаторов приведен в таблице 11.

Таблица 11 – Описание индикаторов верхней панели NTU-RG-5421G-Wac rev.B, NTU-RG-5421G-WZ rev.B

Элемент верхней панели

Состояние индикатора

Описание

1

– индикатор питания и статуса работы

не горит

Устройство отключено от сети питания или неисправно

красныйВ процессе загрузки
зелёныйПроцесс загрузки завершен, на устройстве установлена конфигурация, отличная от конфигурации по умолчанию
оранжевыйПроцесс загрузки завершен, на устройстве установлена конфигурация по умолчанию
2



– индикатор статус

не горитИнтерфейс с признаком Интернет не сконфигурирован 
зелёныйУстройство готово к работе, установлено соединение с интернетом
медленно мигает зелёнымИдет процесс обновления ПО на устройстве
быстро мигает зелёнымИдет процесс загрузки устройства/идет процесс установления соединения с сетью интернет

3

– индикатор работы оптического интерфейса

не горит

Процесс загрузки устройства

зелёныйУстановлено соединение между станционным оптическим терминалом и устройством
мигает зелёнымУстановлено соединение между станционным оптическим терминалом и устройством, устройство не активировано
мигает краснымНет сигнала от станционного оптического терминала

4

– индикатор активности порта FXS

не горитSIP-агент не настроен/не зарегистрирован/выключен 
горит

SIP-агент успешно зарегистрирован

мигаетПри снятой трубке/разговоре

5

2.4 – индикатор активности Wi-Fi в диапазоне 2.4 ГГц

зелёный

Сеть Wi-Fi активна

мигаетПроцесс передачи данных по Wi-Fi
не горитСеть Wi-Fi не активна

6

5 – индикатор активности Wi-Fi в диапазоне 5 ГГц

зелёный

Сеть Wi-Fi активна

мигаетПроцесс передачи данных по Wi-Fi
не горитСеть Wi-Fi не активна

7

1..4 – индикаторы работы Ethernet-портов

зелёный

Установлено соединение 10/100 Мбит/с

оранжевыйУстановлено соединение 1000 Мбит/с
мигаетПроцесс пакетной передачи данных

Индикация интерфейсов LAN

Только для устройств NTU-RG-5421GС-Wac.

Режимы работы, отображаемые индикаторами на портах LAN на задней панели устройства, приведены в таблице 12.

Таблица 12 – Световая индикация интерфейсов LAN

Режимы работы

Желтый индикатор

Зеленый индикатор

Порт работает в режиме 1000BASE-T, нет передачи данных

горит постоянно

не горит

Порт работает в режиме 1000BASE-T, есть передача данных

мигает

не горит

Порт работает в режиме 10/100BASE-TX, нет передачи данных

не горит

горит постоянно

Порт работает в режиме 10/100BASE-TX, есть передача данных

не горит

мигает

Перезагрузка/сброс к заводским настройкам

Для перезагрузки устройства нужно однократно нажать:

  • кнопку «Reset» на боковой панели изделия для NTU-RG-5402G-W, NTU-RG-5421G-Wac и NTU-RG-5421G-WZ;
  • кнопку «F» на задней панели для NTU-RG-5421GС-Wac, NTU-RG-5420G-Wac, NTU-RG-5420G-WZ, NTU-RG-5440G-Wac, NTU-RG-5440G-WZ, NTU-RG-5421G-Wac rev.B, NTU-RG-5421G-WZ rev.B, NTU-RG-5440G-Wac rev.B и NTU-RG-5440G-WZ rev.B.

Для загрузки устройства с заводскими настройками необходимо нажать и удерживать кнопку «Reset/F» 7-10 секунд, пока индикатор  не загорится красным светом и не погаснут все индикаторы. При заводских установках IP-адрес: LAN – 192.168.1.1, маска подсети – 255.255.255.0. Доступ возможен с портов LAN 1, LAN 2, LAN 3 и LAN 4.

Комплект поставки

В базовый комплект поставки устройства NTU-RG входят:

  • Абонентский оптический терминал NTU-RG;
  • Адаптер питания 220 В/12 В, 2 А;
  • Руководство по установке и первичной настройке.

Порядок установки и подключения

Условия эксплуатации

  • Не устанавливайте устройство рядом с источниками тепла.

  • Устройство должно располагаться в месте, защищенном от прямых солнечных лучей.
  • Не подвергайте устройство воздействию дыма, пыли, воды и других жидкостей. Не допускайте механических повреждений устройства.
  • Не вскрывайте корпус устройства. Внутри устройства нет элементов, предназначенных для обслуживания пользователем. 
  • В конце срока службы не выбрасывайте устройство с обычным бытовым мусором.

Во избежание перегрева компонентов устройства и нарушения его работы запрещается размещать предметы на поверхности оборудования.

Рекомендации по установке

  1. Перед установкой и включением устройства необходимо проверить устройство на наличие видимых механических повреждений. В случае наличия повреждений следует прекратить установку устройства и обратиться к поставщику.

  2. Если устройство находилось длительное время при низкой температуре, перед началом работы следует выдержать его в течение двух часов при комнатной температуре.

  3. Если устройство находилось длительное время в условиях повышенной влажности, необходимо перед включением выдержать его в нормальных условиях не менее 12 часов.

  4. Устройство устанавливается в горизонтальном положении, соблюдая инструкции по технике безопасности.

  5. При размещении устройства для обеспечения зоны покрытия сети Wi-Fi c наилучшими характеристиками учитывайте следующие правила:

    • Минимизируйте число преград (стены, потолки, мебель и другое) между роутером и другими беспроводными сетевыми устройствами;

    • Не устанавливайте устройство вблизи (порядка 2 м) электрических, радио устройств;

    • Не рекомендуется использовать радиотелефоны и другое оборудование, работающее на частоте 2.4 ГГц, 5 ГГц, в радиусе действия беспроводной сети Wi-Fi;

    • Препятствия в виде стеклянных/металлических конструкций, кирпичных/бетонных стен, а также емкости с водой и зеркала могут значительно уменьшить радиус действия Wi-Fi сети.

Подключение оптического терминала 

  1. Подключите оптический кабель, проведенный вашим интернет-провайдером, в разъему PON.
  2. Подключите оптический терминал к сети 220 В через адаптер питания 220 В/12В, 2 А. Включите питание устройства, нажав кнопку «On/Off». Дождитесь полной загрузки устройства, это может занять 30-60 сек. 
  3. Убедитесь, что следующие индикаторы горят постоянно: POWER, WLAN5, WLAN2.4, PON, Status. Это значит, что устройство подключено правильно и запущено.

Подключение устройств к оптическому терминалу

Проводное подключение

  1. С помощью Ethernet-кабеля соедините LAN-порт (определяется вашим провайдером) оптического терминала и Ethernet-порт компьютера.
  2. С помощью Ethernet-кабеля соедините LAN-порт (определяется вашим провайдером) оптического терминала и Ethernet-порт телевизионной приставки или других устройств.
  3. Используя телефонный кабель, подключите порт аналогового телефонного аппарата к разъему Phone терминала. 

    Только для устройств NTU-RG-5402G-W, NTU-RG-5421G-Wac, NTU-RG-5421G-WZ, NTU-RG-5421GС-Wac, NTU-RG-5421G-Wac rev.B, NTU-RG-5421G-WZ rev.B.

  4. Подключите коаксиальный кабель с волновым сопротивлением 75 Ом к разъему TV абонентского терминала. Далее подключите коаксиальный кабель к разъему RF телевизора.

    Только для устройства NTU-RG-5421GС-Wac.

Беспроводное подключение

Подключитесь к оптическому терминалу с помощью сетевого подключения на вашем компьютере или настроек Wi-Fi в вашем телефоне. При подключения устройств используйте им сети (SSID) и пароль по умолчанию, которые указаны на нижней панели устройства.

Подключение по WPS

Устройства поддерживает функцию подключения клиента к Wi-Fi сети терминала по стандарту WPS.

Порядок подключения:

  1. Выберите на клиентском устройстве способ подключения WPS.

  2. На задней или боковой панели оптического терминала (в зависимости от модели устройства) нажмите и удерживайте в течение одной секунды кнопку WPS.

Индикаторы Wi-Fi на устройстве должны замигать и клиент сможет подключиться к оптическому терминалу автоматически.

Подключение клиентского устройства к роутеру занимает не более 2-х минут. Если не удалось подключить устройство с первого раза, повторите попытку и убедитесь, что функция WPS на клиентском устройстве была включена не позднее, чем через 2 минуты после включения функции WPS на терминале.

По умолчанию функция WPS включена. Отключить функцию можно в web-интерфейсе в подменю «WPS».

Взаимодействие с сетью Умного дома

Только для устройств NTU-RG-5420G-WZ, NTU-RG-5421G-WZ, NTU-RG-5440G-WZ, NTU-RG-5421G-WZ rev.B, NTU-RG-5440G-WZ rev.B.

Оптические терминалы содержат встроенный контроллер, который обеспечивает работу системы Умного дома. Для подключения Wi-Fi и Z-Wave устройств скачайте мобильное приложение «Eltex Home» в Play Market или App Store.



По ссылкеЧерез поискПо QR-коду
Play MarketEltex HomeПо названию "Eltex Home"

App StoreEltex HomeПо названию "Eltex Home"

После скачивания приложения введите адрес платформы, зарегистрируйтесь, выполните вход. Для подключения роутера перейдите по ссылке Платформа Eltex SC, нажмите на вкладку «Документы и файлы» и откройте документ с названием «Мобильное приложение Eltex Home». Подключите устройство как описано в руководстве.

Перед добавлением роутера на платформу Eltex Home необходимо проверить включение сервиса «Умный дом» через web-интерфейс устройства. 

В данном меню настраиваются параметры «Умного дома».

  • Zway – включить/выключить контроллер «Умного дома»;
  • Hostname – указать адрес удалённой платформы «Умного дома»;
  • Destination port – указать порт платформы, к которому подключается контроллер «Умного дома»;
  • Secure connection – установить в Enable, если для обмена с платформе используется защищенный канал;
  • Reset controller (очистить кэш Zway) – при нажатии кнопки, контроллер отключается, с него удаляется вся информация о подключении к платформе, о привязанных датчиках и сценарии.

Для принятия и сохранения настроек необходимо нажать кнопку «Apply Changes».

Настройка устройств через web-интерфейс. Доступ пользователя

Начало работы

Для конфигурирования устройства, необходимо подключиться к нему через web-браузер:

  1. Откройте web-браузер (программу-просмотрщик web-страниц), например, Firefox, Google Chrome. 
  2. Введите в адресной строке браузера IP-адрес устройства.

    Заводской IP-адрес устройства: 192.168.1.1, маска подсети: 255.255.255.0

    При успешном подключении в окне браузера отобразится страница с запросом имени пользователя и пароля:

  3. Введите имя пользователя в строке «User Name» и пароль в строке «Password».

    Имя пользователя user, пароль user.

  4. Нажмите кнопку «Login». В окне браузера откроется начальная страница web-интерфейса устройства.

Смена пароля

Во избежание несанкционированного доступа при дальнейшей работе с устройством рекомендуется изменить пароль. Для смены пароля в меню Admin, раздел «Password», в поле «Old Password» введите текущий пароль, в полях «New Password» и «Confirm new password» введите новый пароль. Для сохранения изменений нажмите кнопку «Apply Changes».

Элементы web-интерфейса

Ниже представлен общий вид окна конфигурирования устройства.

Окно пользовательского интерфейса можно условно разделить на 3 части:

  1. Дерево навигации по меню настроек устройства.
  2. Основное окно настроек выбранного раздела.
  3. Кнопка смены пользователя.

Меню «Status». Информация об устройстве

Подменю «Device status». Общая информация об устройстве

В разделе отображается общая информация об устройстве, основные параметры LAN-интерфейсов и WAN-интерфейсов.

Status → Device status

System

  • Board Type – модель устройства;

  • Serial Number – серийный номер устройства;

  • PON Serial серийный номер устройства в сети PON;

  • Base WAN MAC WAN MAC-адрес устройства;

  • Hardware Version версия аппаратного обеспечения;

  • Uptime – время работы устройства;

  • Date/Time текущее время на устройстве;

  • Image 1 Firmware Version (Active) текущая версия ПО;

  • Image 2 Firmware Version – версия резервного ПО;

  • CPU Usage – процент использования CPU;

  • Memory Usage – процент использования памяти;

  • Name Servers – наименование сервера DNS;

  • IPv4 Default Gateway – шлюз по умолчанию IPv4;

  • IPv6 Default Gateway – шлюз по умолчанию IPv6.

LAN Configuration

  • IP Address – IP-адрес устройства;

  • Subnet Mask – маска сети устройства;

  • DHCP Server – состояние DHCP-сервера;

  • MAC Address – MAC-адрес устройства.

WAN Configuration

  • Interface – название интерфейса;
  • VLAN ID – VLAN ID интерфейса;
  • MAC – MAC-адрес интерфейса;
  • Connection Type – тип соединения;
  • Protocol – используемый протокол;
  • IP Address – IP-адрес интерфейса;
  • Gateway – шлюз;
  • NAPT – состояние NAPT;
  • Firewall – состояние Firewall;
  • IGMP proxy – состояние IGMP proxy;
  • 802.1p – значение 802.1p;
  • Status – статус интерфейса.

L2TP Configuration

  • Interface – название интерфейса;
  • Protocol – используемый протокол;
  • Local IP Address – локальный IP-адрес интерфейса;
  • Remote IP Address – удаленный IP-адрес интерфейса;
  • Status – статус интерфейса.

Для обновления данных на странице нажмите кнопку «Refresh».

Подменю «IPv6 Status». Информация о системе IPv6

В разделе отображается текущий статус системы IPv6.

Status → IPv6

WAN Configuration

  • Interface – название интерфейса;
  • VLAN ID – VLAN ID интерфейса;
  • Connection Type – тип соединения;
  • Protocol – используемый протокол;
  • IP Address – IP-адрес интерфейса;
  • Status – статус интерфейса;
  • Prefix delegation – префикс IPv6-адреса;
  • LAN IPv6 address – IPv6-адрес.

Для обновления данных на странице нажмите кнопку «Refresh».

Подменю «PON». Информация о статусе оптического модуля

В разделе показано текущее состояние PON-интерфейса.

Status → PON

PON Status

  • Vendor Name – наименование производителя;
  • Part Number – номер партии;
  • Temperature – текущая температура;
  • Voltage – напряжение;
  • Tx Power – мощность сигнала на передаче;
  • Rx Power – мощность сигнала на приеме;
  • Bias Current – ток смещения;
  • Video Power – мощность видеосигнала 1 .

GPON Status

  • ONU State – статус авторизации на OLT (O1 -> O2 -> O3 -> O4 -> O5);
  • ONU ID – идентификатор устройства на OLT;
  • LOID Status – статус авторизации на OLT (Initial -> Standby -> Serial Number -> Ranging -> Operation).

Для обновления данных на странице нажмите кнопку «Refresh».

1 Только для NTU-RG-5421GC-Wac.

Подменю «LAN». Информация о статусе LAN-интерфейса

В разделе «LAN» выполняется просмотр состояния LAN-портов устройства и Wi-Fi интерфейсов.

Status → LAN

В таблице LAN Port Status показано:

  • номер порта локальной сети;
  • состояние порта (Up/Down);
  • скорость подключения внешнего сетевого устройства к порту (10/100/1000 Мбит/с).

Подменю «VoIP». Информация о статусе VoIP

В разделе «VoIP» осуществляется просмотр состояния сетевого интерфейса VoIP.

Status → VoIP

  • Port – номер абонентского комплекта устройства;
  • Number – номер телефона абонента;
  • Status – состояние регистрации телефонного номера на прокси-сервере.

Меню «LAN». Настройка интерфейса LAN

В разделе доступна настройка основных характеристик проводных и беспроводных интерфейсов LAN.

LAN

  • Interface name – название интерфейса;
  • IP Address – IP-адрес интерфейса;
  • Subnet Mask – маска подсети интерфейса;
  • IPv6 Address – IPv6-адрес;
  • IPv6 DNS Mode – настроить режим использования доменных имён:
    • WANConnection – использовать WAN-интерфейс для получения адреса DNS-сервера;

    • Static – указать статический адрес DNS-сервера (IPv6 DNS1, IPv6 DNS2);

    • HGWProxy – использовать для получения адреса IPv6 DNS-сервера (режим по умолчанию).
  • Prefix Mode – настроить режим получения Prefix (с WAN-интерфейса или статически):
    • WANDelegated – включается опция делегирования префиксов, полученных от провайдера;
    • Static – указать статический Prefix.
  • IPv6 DNS указать статический адрес DNS-сервера (IPv6 DNS1, IPv6 DNS2);
  • WAN Interface – выбор WAN-интерфейса, который будет использоваться при WANDelegated.
  • Firewall (Enabled/Disabled) – включение/выключение брандмауэра для интерфейса LAN;
  • IGMP Snooping (Enabled/Disabled) – включение/выключение IGMP Snooping;
  • Ethernet to Wireless Blocking (Enabled/Disabled) – включение/выключение изоляции проводных и беспроводных клиентов;
  • Wireless to Wireless Blocking (Enabled/Disabled) – включение/выключение изоляции между диапазонами 2.4 ГГц и 5 ГГц.

Для сохранения изменений нажмите кнопку «Apply Changes».

Меню «Wireless». Настройка беспроводной сети

Настройки беспроводной сети в данном меню производятся отдельно для рабочих диапазонов 2.4 ГГц (wlan0) и 5 ГГц (wlan1). 

  • изоляция в пределах одного диапазона Wi-Fi настраивается в «WLAN Advanced Settings», флаг «Client Isolation»;
  • изоляция между гостевыми сетями настраивается в «WLAN Basic Settings», «Multiple AP», флаг «AP Isolation»;
  • изоляция между клиентами одной гостевой сети настраивается в «WLAN Basic Settings», «Multiple AP», столбец «Client Isolation»;
  • изоляция между LAN-WLAN, WLAN 2.4-WLAN 5 настраивается в «LAN Interface Settings».

Подменю «Status». Текущее состояние WLAN

В данном подменю отображается текущее состояние WLAN.

Wireless → wlan0 (2.4GHz)/wlan1 (5GHz) → Status

  • Mode – AP-точка доступа;
  • Band – диапазон, стандарты;
  • SSID – название сети точки доступа;
  • Channel Number – номер канала;
  • Channel Width – ширина канала;
  • Encryption – метод шифрования;
  • BSSID – MAC-адрес точки доступа;
  • Associated Clients – количество подключенных клиентов.

Подменю «Basic settings». Основные настройки

В разделе производятся основные настройки параметров беспроводного интерфейса WLAN, а также возможно задать до трех виртуальных точек беспроводного доступа.

Wireless → wlan0 (2.4GHz)/wlan1 (5GHz) → Basic settings

  • Disable WLAN Interface – отключение радиоинтерфейса;
  • Band – выбор стандарта работы Wi-Fi;
  • Mode – режим работы точки доступа (AP);
  • SSID (Service Set Identifier) – назначить имя беспроводной сети (ввод с учетом регистра клавиатуры);

    По умолчанию на устройстве установлено имя беспроводной сети (SSID) ELTX-2.4GHz_WiFi-aaaa/ELTX-5GHz_WiFi-aaaa, где аааа – это 4 последние цифры WAN MAC. WAN MAC указан в наклейке на корпусе устройства. В имени сети фигурирует частотный диапазон (2.4/5 ГГц).

  • Hide SSID – данная функция включает режим скрытого идентификатора беспроводной сети (SSID). При использовании этой функции точка доступа не будет отображаться в списке доступных беспроводных сетей на устройствах пользователей (не будет виден ее идентификатор SSID). Но при этом пользователи, осведомленные о существовании этой сети и знающие ее идентификатор SSID, смогут подключиться к ней;
  • Channel Width – установка ширины полосы 20, 40 МГц (для 2.4 ГГц и 5 ГГц) и 80 МГц (для 5 ГГц);
    • Auto – автоматическая установка ширины полосы.
  • Сurrent Channel Width – текущая ширина полосы;
  • Control Sideband – боковая полоса управления, выбор второго канала (Lower или Upper) в режиме 40 МГц;
  • Allowed Channels – настройка разрешенных каналов Wi-Fi для подключение клиентов к маршрутизатору. По умолчанию – все каналы разрешены;
  • Channel Number – выбор используемого канала:
    • Auto – автоматический выбор канала.
  • Radio Power (%) – установка мощности передатчика;
  • Limit Associated Client Number (Enable/Disabled) – включение/выключение ограничения максимального количества подключенных клиентов;
  • Associated Clients – общее число подключенных клиентов;
  • Enable Universal Repeater Mode (Acting as AP and client simultaneouly)  включение режима повторителя;

  • Regdomain  региональные настройки.

Для сохранения изменений нажмите кнопку «Apply Changes».

При нажатии кнопки «Multiple APs» открывается подменю для активации нескольких гостевых точек доступа для более гибкой настройки сети Wi-Fi.

  • No. – номер AP;
  • Enable – включение/выключение точки доступа;
  • Band – выбор стандарта работы Wi-Fi;
  • SSID – назначить имя беспроводной сети (ввод с учетом регистра клавиатуры);
  • Data Rate – скорость передачи;
  • Hide SSID – функция, включающая режим скрытого идентификатора беспроводной сети (SSID). При использовании этой функции точка доступа не будет отображаться в списке доступных беспроводных сетей на устройствах пользователей (не будет виден ее идентификатор SSID). Но при этом пользователи, осведомленные о существовании этой сети и знающие ее идентификатор SSID, смогут подключиться к ней;
  • WMM – включение/выключение поддержки Wi-Fi Multimedia;
  • Client Isolation – изоляция WLAN-клиентов;
  • Active Client List – просмотр активных WLAN-клиентов для выбранной AP.

Для сохранения изменений нажмите кнопку «Apply Changes».

Кнопка «Show Active WLAN Client» выводит таблицу активных клиентов WLAN.

Wireless → wlan0 (2.4GHz)/wlan1 (5GHz) → Basic settings → Show Active WLAN Client

  • MAC Address – MAC-адрес клиента;
  • Tx Packets – количество переданных пакетов клиенту;
  • Rx Packets – количество принятых пакетов от клиента;
  • Tx Rate (Mbps) – канальная скорость передачи, Мбит/с;
  • Power Saving – режим энергосбережения;
  • Expired Time (sec) – время истечения аренды адреса, с.

Для обновления информации в таблице нажмите кнопку «Refresh», для закрытия таблицы нажмите «Close».

Подменю «Advanced settings». Расширенные настройки

В разделе производятся расширенные настройки беспроводной сети.

Wireless → wlan0 (2.4GHz)/wlan1 (5GHz) → Advanced settings

  • Fragment Threshold – установка порога фрагментации в байтах. Если размер пакета будет превышать заданное значение, он будет фрагментирован на части подходящего размера;
  • RTS Threshold – если сетевой пакет меньше, чем установленное пороговое значение RTS, механизм RTS/CTS (механизм соединения по каналу с использованием сигналов готовности к передаче/готовности к приему) задействован не будет;
  • Beacon Interval – период отправки информационного пакета в беспроводную сеть, сигнализирующего о том, что точка доступа активна;
  • Data rate – скорость передачи;
  • Preamble Type – выбор преамбулы: длинная (Long Preamble)/короткая (Short Preamble);
  • Client Isolation (Enable/Disabled) – включение/выключение изоляции клиентов;
  • Protection (Enable/Disabled) – включение/выключение 802.11n protection;
  • Aggregation (Enable/Disabled)  включение/выключение агрегации кадров для повышения пропускной способности;
  • Short GI (Enable/Disabled) – включение/выключение короткого защитного интервала;
  • TX beamforming (Enable/Disabled) – включение/выключение адаптивного формирования диаграммы направленности;
  • MU MIMO – включение/выключение режима Multi-user MIMO;
  • Multicast to Unicast (Enable/Disabled) – включение/выключение перекладывания всего multicast трафика в unicast;
  • Band Steering – включение механизма динамического распределения беспроводных клиентов по диапазонам (активно при одинаковом значении для SSID 2.4/5 GHz);
  • WMM Support (Enable/Disabled) – включение/выключение поддержки Wi-Fi Multimedia;
  • 802.11k Support – включение/выключение опции Radio Resource managment для передачи клиентам информации о соседних точках доступа;

  • 802.11v Support – включение/выключение опции Wireless Network Managment для обмена данными между точками доступа.

Для сохранения изменений нажмите кнопку «Apply Changes».

Подменю «Security». Настройка параметров безопасности

В разделе осуществляются основные настройки шифрования данных в беспроводной сети. Здесь можно настроить клиентское оборудование беспроводного доступа вручную или автоматически, используя WPS.

Wireless → wlan0 (2.4GHz)/wlan1 (5GHz)→ Security

  • SSID Type – текущий SSID;
  • Encryption – установка режима шифрования:
    • NONE (открытый) – защита беспроводной сети отсутствует;
    • WEP – защита беспроводной сети по алгоритму WEP;
    • WPA/WPA2/WPA2 Mixed/WPA3/WPA2+WPA3 Mixed – защита беспроводной сети по алгоритму WPA/WPA2/WPA2 Mixed/WPA3/WPA2+WPA3 Mixed.

При выборе режима шифрования WEP доступны следующие настройки:

  • 802.1x Authentication – включение стандарта 802.1x (позволяет пользователям аутентифицироваться с использованием сервера аутентификации RADIUS, для шифрования данных используется WEP-ключ); 
  • Authentication – выбор режима аутентификации:
    • Open system – без аутентификации;
    • Shared Key – аутентификация по предусмотренному ключу;
    • Auto – автоматическая аутентификация.
  • Key Length (степень шифрования) – использование ключей длиной 64 или 128 бит;
  • Key Format (формат ключа) – использовать формат ASCII или HEX;
  • Encryption Key (сетевой ключ) – ключ из 10 символов в 16-ричной системе счисления либо 5 символов ASCII1 для 64-х битного шифрования. Также возможно 26 символов в 16-ричной системе счисления, либо 13 символов ASCII для 128-х битного шифрования.

При выборе режима шифрования WPA/WPA2/WPA2 Mixed/WPA3/WPA2+WPA3 Mixed доступны следующие настройки:

  • Authentication Mode – режим аутентификации Enterprise (RADIUS) или Personal (Pre-Shared Key). В режиме Enterprise (RADIUS) нужно настроить:
    • RADIUS Server IP Address – IP-адрес RADIUS-сервера;
    • RADIUS Server Port – номер порта RADIUS-сервера. По умолчанию установлен порт 1812;
    • RADIUS Server Password – секретный ключ для доступа к RADIUS-серверу; 
  • IEEE 802.11w – включить шифрование служебных кадров;
    • None – шифрование служебных кадров отсутствует;
    • Capable – режим совместимости шифрования;
    • Required – требуется шифрование.
  • SHA256 (Enable/Disable) – включение/выключение использования SHA256.
  • WPA/WPA2 Cipher Suite – набор шифров WPA/WPA2 TKIP или AES;
  • Group Key Update Timer – интервал обновления ключа;
  • Pre-Shared Key Format – формат ключа ASCII или HEX;
  • Pre-Shared Key – ключ доступа.

Для демонстрации зашифрованного ключа доступа нажмите кнопку «Show». Для сохранения изменений нажмите кнопку «Apply Changes».

По умолчанию ключ WPA2-PSK сгенерирован уникальным для устройства, и указан на корпусной наклейке. При изменении пароля необходимо задать комбинацию от 8 до 63 символов ASCII. Пароль должен содержать цифры и латинские буквы в верхнем и нижнем регистрах.

Подменю «Access control». Настройка доступа

В разделе производится настройка фильтрации MAC-адресов. Все добавленные MAC-адреса будут отображаться в Current Access Control List – текущий список контроля доступа. При выборе режима «Allowed Listed»подключиться к точке доступа смогут только те MAC-адреса, которые находятся в Current Access Control List. При выборе режима «Deny Listed» доступ будут иметь все MAC-адреса, кроме тех, которые указаны в Current Access Control List. Для смены режима нажмите кнопку «Apply Changes».

Wireless → wlan0 (2.4GHz)/wlan1 (5GHz) → Access control

  • Mode – выбор режима фильтрации по MAC-адресам:
    • Disabled – фильтр не используется;
    • Allowed Listed – фильтр по разрешенным адресам (белый список);
    • Deny Listed – фильтр по запрещенным адресам (черный список).
  • MAC Address – поле для добавления MAC-адреса в таблицу фильтрации. Чтобы внести значение, нажмите кнопку «Add», для сброса значения — кнопку «Reset».

 Для удаления определённой позиции в списке, выделите её и нажмите «Delete Selected», чтобы удалить весь список, нажмите «Delete All».

Подменю «Wi-Fi radar». Сканирование беспроводной сети

В разделе осуществляется сканирование беспроводной сети, тем самым происходит обнаружение ближайших точек доступа или IBSS.

Wireless → wlan0 (2.4GHz)/wlan1 (5GHz) → WiFi radar

В таблице отображается следующая информация:

  • SSID – имя беспроводной точки доступа;
  • BSSID – MAC-адрес точки доступа;
  • Channel – канал;
  • Type – тип (AP, Client – точка доступа, клиент);
  • Encryption – режим шифрования;
  • RSSI – уровень принимаемого сигнала.

Для сканирования эфира нажмите кнопку «Refresh».

Подменю «WPS». Возможность упрощенного подключения к сети Wi-Fi

В разделе осуществляется настройка для подключения по технологии WPS (Wi-Fi Protected Setup, защищенная настройка Wi-Fi).

Wireless → wlan0 (2.4GHz) / wlan1 (5GHz) → WPS

  • Push Button Configuration – активировать функцию WPS на роутере для подключения клиентов;
  • Disable WPS – выключить возможность подключения к роутеру по технологии WPS.

Для сохранения изменений нажмите кнопку «Apply Changes».

Подменю «EasyMesh Settings». Настройка функции EasyMesh

В разделе осуществляется настройка функции EasyMesh на точке доступа. Технология, разработанная Wi-Fi Alliance, которая позволяет создавать mesh-сеть, обеспечивая единую бесшовную сеть с автоматическим переключением между узлами для оптимального подключения.

Wireless → EasyMesh → EasyMesh Settings

  • Device name – имя устройства;
  • Role – выбор режима работы: выключен или в режиме контроллера;
  • WPS Trigger – активация функции WPS для подключения агентов EasyMesh.

Для сохранения изменений нажмите кнопку «Apply Changes».

Подменю «Topology». Просмотр топологии EasyMesh

В данном разделе представлена схема mesh-сети при включении режима работы «Controller» с указанием: имени устройства, MAC-адреса устройства, IP-адреса устройства.

Wireless → EasyMesh → Topology

Для обновления данных на странице нажмите кнопку «Refresh».

Подменю «Button». Настройка активности кнопок устройства

В данном разделе есть возможность настроить активность кнопок устройства.

Wireless → Button Setup

  • Wi-Fi Button Enable/Disabled – настройка работы кнопки Wi-Fi;
  • WPS Button Enable/Disabled – настройка работы кнопки WPS.

Меню «Services». Настройка сервисов

Подменю «DHCP Setting». Настройка DHCP

В разделе происходит настройка DHCP-сервера или DHCP-ретранслятора.

Services → DHCP (Server)

  • DHCP Mode – выбор режима работы:
    • NONE – DHCP отключен;
    • DHCP Server – работа в режиме DHCP-сервера;
    • DHCP Relay – работа в режиме DHCP-ретранслятора;
    • DHCP Client – работа в режиме DHCP-клиента.
  • IP Pool Range диапазон адресов, выдаваемых клиентам;
  • Show Client кнопка для просмотра клиентов, которым DHCP-сервер выдал IP-адрес. По нажатию выводится таблица с информацией о клиентах DHCP;
  • Subnet Mask маска подсети;
  • Max Lease Time максимальное время аренды, -1 для бесконечной аренды;
  • DomainName – наименование домена;
  • Gateway Address адрес шлюза;
  • DNS option определяет работу DNS:
    • Use DNS relay в качестве DNS будет выдан адрес ONT и все запросы будут ретранслироваться через ONT;
    • Set manually установить DNS вручную.

Services → DHCP (Relay)

  

  • DHCP Server IP Address – IP-адрес удалённого сервера DHCP.

Services → DHCP (Client)

Для сохранения изменений нажмите кнопку «Apply Changes».

Кнопки «Port-Based Filter» и «MAC-Based Assignment» позволяют настроить фильтрацию по портам и MAC, соответственно.

Подменю «Dynamic DNS». Настройки динамической системы доменных имен

Динамическая DNS (динамическая система доменных имен) позволяет информации на DNS-сервере обновляться в реальном времени и (по желанию) в автоматическом режиме. Применяется для назначения постоянного доменного имени устройству (компьютеру, маршрутизатору, например NTU-RG) с динамическим IP-адресом. Это может быть IP-адрес, полученный по IPCP в PPP-соединениях или по DHCP. 

Динамическая DNS часто применяется в локальных сетях, где клиенты получают IP-адрес по DHCP, а потом регистрируют свои имена в локальном DNS-сервере.

Services → DNS → Dynamic DNS

  • Enable – при установленном флаге использовать DHCP-сервер (сетевые устройства будут получать IP-адреса динамически из нижеприведенного диапазона);
  • D-DNS Provider – выбор типа службы D-DNS (провайдера): DynDNS.orgTZO.comNo-IP.com;
  • Hostname – имя узла;
  • Interface – интерфейс доступа.

DynDns/No-IP Settings:

  • UserName – имя пользователя;
  • Password – пароль авторизации на сервисе, выбранном для работы с D-DNS.

В разделе отображается таблица «Dynamic DNS Table» со списком имеющихся DNS и его параметрами. Для добавления записи нажмите кнопку «Add». Чтобы изменить/удалить позицию, выберите её и нажмите «Modify»/«Remove» напротив выбранной записи. 

Подменю «Firewall». Настройка брандмауэра

Подменю «ALG». Включение отключение сервисов ALG

В разделе можно включить или отключить сервисы ALG.

Application-level gateway (ALG) — компонент NAT-маршрутизатора, который понимает какой-либо прикладной протокол, и при прохождении через него пакетов этого протокола модифицирует их таким образом, что находящиеся за NAT пользователи могут пользоваться протоколом.

Services → Firewall → ALG

Подменю «IP/Port Filtering». Настройки фильтрации адресов

В разделе осуществляется настройка фильтрации адресов. Функция IP-фильтрация позволяет фильтровать проходящий через маршрутизатор трафик по IP-адресам и портам. Использование таких фильтров может быть полезно для защиты или ограничения локальной сети.

Services → Firewall → IP/Port Filtering

Настройки по умолчанию

  • Incoming Default Action Deny/Allow – фильтрация для входящих извне пакетов;
  • Outgoing Default Action Deny/Allow – фильтрация для исходящих пакетов.

Для сохранения изменений нажмите кнопку «Apply Changes».

Для добавления фильтра заполните соответствующие поля и нажмите кнопку «Add»:

  • Direction Outgoing/Incoming – направление отправки;
  • Protocol – протокол фильтрации;
  • Rule Action Deny/Allow – политика обработки пакета (отбросить/пропустить);
  • Source IP Address – IP-адрес источника;
    • Subnet mask – маска подсети;
    •  Port – порт или диапазон портов.
  • Destination IP Address – IP-адрес назначения;
    • Subnet mask – маска подсети;
    •  Port – порт или диапазон портов.
  • WAN Interface – входящий интерфейс.

Добавленные фильтры отображаются в ниже расположенной таблице фильтров «Current Filter Table». Записи в этой таблице используются для ограничения определенных типов пакетов данных через шлюз. Для удаления определённого фильтра выделите позицию и нажмите кнопку «Delete selected», для удаления всех фильтров — кнопку «Delete All».

Подменю «MAC Filtering». Настройки фильтрации по MAC-адресам

В разделе производится фильтрация на основе MAC-адресов, которая позволяет пересылать или блокировать трафик с учетом MAC-адреса источника и получателя. Для смены режима нажмите кнопку «Apply Changes».

Services → Firewall → MAC Filtering

Настройки по умолчанию

  • Incoming Default Action Deny/Allow – фильтрация для входящих извне пакетов;
  • Outgoing Default Action Deny/Allow – фильтрация для исходящих пакетов.

Для сохранения изменений нажмите кнопку «Apply Changes».

Для добавления фильтра заполните соответствующие поля и нажмите кнопку «Add»:

  • Direction Outgoing/Incoming – направление отправки;
  • Source MAC Address – поле для добавления исходного MAC-адреса, для которого вводится ограничение/доступ;
  • Destination MAC Address – поле для добавления получаемого MAC-адреса, для которого вводится ограничение/доступ;
  • Rule Action Deny/Allow – политика обработки пакета (отбросить/пропустить).

Добавленные фильтры отображаются в ниже расположенной таблице фильтров «Current Filter Table». Поле «Rule» отображает тип созданного правила («Allow», разрешающее или «Deny», запрещающее). Для удаления определённой позиции в списке, выделите её и нажмите «Delete Selected», чтобы удалить весь список, нажмите «Delete All».

Подменю «Port Forwarding». Настройка проброса портов

В данном разделе отображается таблица «Current Port Forwarding Table» с информацией о пробросе портов. Записи в этой таблице позволяют автоматически перенаправлять общие сетевые службы на конкретный компьютер за брандмауэром NAT. Эти настройки необходимы только в том случае, если вы хотите разместить какой-либо хост, например веб-сервер или почтовый сервер, в частной локальной сети за брандмауэром NAT используемого маршрутизатора. Для сохранения изменений нажмите кнопку «Apply Changes».

Services → Firewall → Port Forwarding 

Для добавления записи в таблицу «Current Port Forwarding Table» установите флаг «Enable» и заполните соответствующие поля:

  • Port Forwarding (Enable/Disable) – включение/выключение функции проброса портов;
  • Application – в меню имеются предустановки для проброса портов различных приложений;
  • Comment – комментарий;
  • Local IP – локальный IP-адрес, на который производится проброс;
  • Local port from/to – укажите диапазон портов локального устройства для проброса;
  • Protocol – выбор протокола (TCP, UDP или оба);
  • Remote IP – удаленный IP-адрес, с которого происходит обращение на устройство;
  • Remote port from/to – укажите начальный порт входящего соединения. Поле Remote port to заполнится автоматически;
  • Interface – выбор интерфейса;
  • NAT loopback – петля NAT позволяет «заворачивать» запросы из локальной сети на маршрутизатор. Таким образом, например, можно проверить работу созданных правил.

После заполнения полей для добавления записи нажмите кнопку «Add». Для удаления определённой позиции, выделите её и нажмите кнопку «Delete Selected», для удаления всей таблицы — кнопку «Delete All».

Подменю «URL Blocking»

Фильтр URL осуществляет полноценный анализ и контроль доступа к определённым ресурсам сети интернет. В данном разделе задается и отображается список запрещенных/разрешенных URL-адресов для посещения. Здесь вы можете добавить запрещенное/разрешенное FQDN (Fully Qualified Domain Name) кнопкой «Add», также возможна фильтрация по ключевым словам. Добавленные ограничения отображаются в таблицах «URL Blocking Table» и «Keyword Filtering Table», для удаления определённого URL-адреса или ключевого слова из таблицы нажмите на него, а затем на кнопку «Delete Selected». Для удаления всех ограничений нажмите «Delete All». 

Services → Firewall → URL Blocking

  • URL Blocking (Enable/Disable) – включение/выключение работы URL-Blocking;
  • FQDN (Fully Qualified Domain Name) – полное доменное имя;
  • Keyword – ключевое слово.

Для сохранения изменений нажмите кнопку «Apply Changes».

Подменю «Domain Blocking». Настройка блокировки доменов

Этот раздел используется для задания блокировки доменов. 

Services → Firewall → Domain blocking

Чтобы заблокировать домен, поставьте флаг «Enable», заполните поле «Domain» и нажмите кнопку «Add».

  • Domain Blocking (Enable/Disable) – включение/выключение блокировки;
  • Domain – наименование домена.

Для сохранения изменений используйте кнопку «Apply Changes». Все заблокированные домены приведены в таблице «Domain BlockingConfiguration». Чтобы удалить блокировку для одного домена, выделите его и нажмите кнопку «Delete Selected», для удаления всех ограничений нажмите кнопку «Delete All».

Подменю «Port Triggering». Настройка динамического открытия портов

В версии ПО 1.2.0 данный функционал недоступен.

При появлении определенного события динамически открываются порты на своем внешнем интерфейсе, которые привязаны к соответствующим портам компьютера в локальной сети.

Services → Firewall → Port Triggering

image2022-10-21_14-30-29.png

Для добавления записи в таблицу «Current Port Triggering Table» установите флаг «Enable» и заполните соответствующие поля:

  • Comment – комментарий к записи таблицы;
  • Trigger start port – первый порт из диапазона, после обращения на который будет открыт порт из диапазона Incoming;
  • Trigger end port – последний порт из диапазона, после обращения на который будет открыт порт из диапазона Incoming;
  • Protocol – выбор протокола;
  • Incoming start port – первый порт из диапазона, который будет открыт при обращении к порту из диапазона Trigger;
  • Incoming end port – последний порт из диапазона, который будет открыт при обращении к порту из диапазона Trigger;
  • Interface – выбор интерфейса.

Для сохранения изменений используйте кнопку «Apply Changes». После заполнения полей для добавления записи нажмите кнопку «Add». Для удаления определённой позиции, выделите её и нажмите кнопку «Delete Selected», для удаления всей таблицы — кнопку «Delete All».

Подменю «DMZ». Настройки демилитаризованной зоны

При установке IP-адреса в поле «DMZ Host IP Address» все запросы из внешней сети, не попадающие под правила Port Forwarding, будут направляться на DMZ-хост (доверительный хост с указанным адресом, расположенный в локальной сети).

Services → Firewall → DMZ

  • DMZ Host (Enable/Disable) – включение/выключение хоста;
  • DMZ Host IP Address – IP-адрес.

Для сохранения изменений нажмите кнопку «Apply Changes».

Подменю «UPnP». Автоматическая настройка сетевых устройств

В разделе производится настройка функции Universal Plug and Play (UPnP™). UPnP обеспечивает совместимость с сетевым оборудованием, программным обеспечением и периферийными устройствами.

Services → UPnP

Для использования UPnP необходимо настроить NAT на активном WAN-интерфейсе.

  • UPnP (Enable/Disable) – включение/выключение функции UPnP.

Для сохранения настроек нажмите кнопку «Apply Changes».

Подменю «RIP». Настройка динамической маршрутизации

В разделе осуществляется выбор интерфейсов на устройствах, которые используют RIP и версию используемого протокола. Включите RIP, если вы используете это устройство в качестве устройства с поддержкой RIP для связи с другими пользователями с использованием протокола динамической маршрутизации RIP. 

Services → RIP

  • RIP (Enable/Disable) – включение/выключение использования протокола динамической маршрутизации RIP;

Для принятия и сохранения настроек необходимо нажать кнопку «Apply Changes».

  • Interface – интерфейс, на котором будет запускаться RIP; 
  • Receive Mode – режим обработки входящих пакетов (NONE, RIP1, RIP2, both);
  • Send Mode – режим отправки (NONE, RIP1, RIP2, RIP1 COMPAT).

Для добавления записи нажмите кнопку «Add». Интерфейсы с поддержкой RIP отображаются в таблице «RIP Config Table». Для удаления всех записей в таблице нажмите кнопку «Delete All», чтобы удалить одну позицию из списка, выделите её и нажмите кнопку «Delete Selected».

Подменю «DLNA». Настройка DLNA

DLNA (англ. Digital Living Network Alliance) – набор стандартов, позволяющих совместимым устройствам передавать и принимать по домашней сети различный медиаконтент (изображения, музыку, видео), а также отображать его в режиме реального времени. То есть – технология для соединения домашних компьютеров, мобильных телефонов, ноутбуков и бытовой электроники в единую цифровую сеть. Устройства, которые поддерживают спецификацию DLNA, по желанию пользователя могут настраиваться и объединяться в сеть в автоматическом режиме.

Средой передачи медиаконтента обычно является домашняя локальная сеть (IP-сеть). Подключение DLNA-совместимых устройств к домашней сети может быть как проводным (Ethernet), так и беспроводным (Wi-Fi).

Services → DLNA

  • Digital Media Server (Enable/Disable) – при установленном флаге медиасервер активен, иначе – нет;
  • Interface – имя интерфейса для подключения к серверу;
  • USB device – выбор USB-устройства.

Для принятия и сохранения настроек необходимо нажать кнопку «Apply Changes».

Подменю «Samba». Настройка пользователей Samba

В разделе происходит настройка пользователей Samba.

Services → Samba → Samba

  • Samba Enable/Disable – включение/выключение настройки Samba;
  • NetBIOS Name – поле для заполнения имени домена при идентификации в локальной сети;
  • Server String – наименование сервера.

Для сохранения изменений нажмите кнопку «Apply Changes».

В разделе Accounts осуществляется создание индивидуальных аккаунтов Samba.

Services → Samba → Accounts

  • Username – имя аккаунта;
  • New password – пароль;
  • Confirmed Password – подтверждение пароля.

Чтобы добавить новый аккаунт или отредактировать уже существующий нажмите кнопку «Add/Edit». Для редактирования необходимо выбрать его в списке. Чтобы удалить аккаунт, выберите его в списке и нажмите кнопку «Delete». Для сброса значений нажмите «Reset».
Выбор аккаунта из списка (для редактирования или удаления) происходит путем нажатия на кнопку редактирования напротив соответствующего аккаунта в колонке «Modify».

Раздел Shares служит для добавления библиотеки Samba.

Services → Samba → Shares

  • Share name – имя библиотеки;
  • Path – путь до библиотеки;
  • Read only – только для чтения;
  • Write list – список аккаунтов, кому доступно изменение файлов в библиотеке;
  • Comment – комментарии к библиотеке.

Чтобы добавить новую запись или отредактировать уже существующую нажмите кнопку «Add/Edit». Для редактирования необходимо выбрать её в списке. Чтобы удалить запись, выберите её в списке и нажмите кнопку «Delete». Для сброса значений нажмите «Reset».
Выбор записи из списка (для редактирования или удаления) происходит путем нажатия на кнопку редактирования напротив соответствующей записи в колонке «Modify».

Меню «VPN». Настройка виртуальной частной сети

Подменю «L2TP». Настройка L2TP VPN

В разделе можно настроить параметры виртуального соединения L2TP VPN. Протокол L2TP используется для создания защищенного канала связи через Internet между компьютером удаленного пользователя и локальным компьютером.

VPN → L2TP

  • L2TP VPN – режим, при котором выход в Интернет осуществляется через специальный канал, туннель с использованием протокола L2TP. При включении «Enable» для редактирования станут доступны следующие параметры:
    • Server – адрес сервера L2TP (доменное имя или IP-адрес в формате IPv4);
    • Tunnel Authentication – включение аутентификации;
    • Tunnel Authentication Secret – ключ аутентификации;
    • PPP Authentication – выбор протокола проверки подлинности соединений, используемый на L2TP-сервере;
    • PPP Encryption – выбор протокола шифрования данных, который будет использоваться (только для метода CHAPMSv2);
    • UserName – имя пользователя для авторизации на L2TP-сервере;
    • Password – пароль для авторизации на L2TP-сервере;
    • PPP Connection Type – тип соединения;
    • Idle Time (min) – время простоя в секундах, разрывает неактивное соединение через указанное время (только для установления соединения по требованию (dial-on-demand));
    • MTU – максимальный размер блока данных, передаваемых по сети (рекомендуемое значение – 1462 байт);
    • Default Gateway – выбор того, будет ли созданный туннель L2TP-шлюзом по умолчанию.

Для сохранения изменений нажмите кнопку «Apply Changes».

В таблице «L2TP Table» осуществляется просмотр состояния виртуального соединения L2TP VPN. Для удаления определённой записи, выделите позицию и нажмите кнопку «Delete Selected».

Подменю «IPsec». Настройка IPsec

В разделе можно настроить конфигурации VPN с использованием IPsec.

VPN → IPsec

  • Negotiation type (Automatic/Manual) – тип настройки;
  • Mode – выбор режима;
  • Remote:
    • Tunnel Addr. – IP-адрес удаленного сервера;
  • Local:
    • Tunnel Addr. – локальный IP адрес;
  • Security Option:
    • Encapsulation Type – тип инкапсуляции;
    • IKE Auth Method – метод аутентификации IKE;
    • Pre shared key – ключ;
    • Advanced Option – включить/выключить дополнительные опции.

Для сохранения изменений нажмите кнопку «Add/Save».
В таблице «IPsec Information List» осуществляется просмотр состояния виртуального соединения IPsec VPN. Для удаления определённой записи, выделите позицию и нажмите кнопку «Delete Selected». Кнопки «Enable»/«Disable» включают/отключают выбранный IPsec-туннель.

  • cert.pem – позволяет загрузить сертификат;
  • privKey – позволяет загрузить ключ.

Меню «Advance». Расширенные настройки

Подменю «ARP Table». Просмотр кэша протокола ARP

В разделе отображается таблица изученных MAC-адресов. Эффективность функционирования ARP во многом зависит от ARP-кэша, который присутствует на каждом хосте. В кэше содержатся Internet-адреса и соответствующие им аппаратные адреса. Время жизни каждой записи в кэше 5 минут с момента создания записи.

Advance → ARP table

  • IP Address – IP-адрес клиента;
  • MAC Address – МАС-адрес клиента.

Для обновления информации в таблице нажмите кнопку «Refresh».

Подменю «Bridging». Настройка параметров Bridging

В разделе осуществляется настройка параметров моста. Здесь можно настроить время жизни адресов в MAC-таблице, а также включить/выключить протокол 802.1d Spanning Tree. 

Advance → Bridging

  • Ageing Time – время жизни адресов (сек);
  • 802.1d Spanning Tree (Enable/Disable) – включение/выключение протокола 802.1d Spanning Tree.

Для сохранения изменений нажмите кнопку «Apply Changes».

Для просмотра информации о мосте и его подключенных портах, нажмите кнопку «Show MACs».

Advance → Bridging → Show MACs

  • Port – номер порта;
  • MAC Address – MAC-адрес;
  • Is Local – принадлежность адреса к локальным;
  • Ageing Timer – время жизни адреса.

Для обновления информации в таблице нажмите кнопку «Refresh», для закрытия — кнопку «Close».

Подменю «Routing». Настройка маршрутизации

В разделе осуществляется настройка статической маршрутизации.

Advance → Routing

Для добавления статического маршрута поставьте флаг «Enable», заполните соответствующие поля и нажмите на кнопку «Add Route».

  • Enable – флаг для добавления маршрута;
    • Destination – адрес назначения;
    • Subnet Mask – маска подсети;
    • Next Hop – следующий узел;
    • Metric – метрика;
    • Interface – интерфейс.

Добавленные статические маршруты отображаются в таблице «Static Route Table». Для обновления информации в таблице нажмите кнопку «Update», для удаления позиции из таблицы выделите её и нажмите кнопку «Delete Selected».

Для просмотра маршрутов, к которым часто обращается устройство, нажмите кнопку «Show Routes», после выведется таблица «IP Route Table».

Advance → Routing → Show Routes

Для обновления информации в таблице нажмите кнопку «Refresh», для закрытия — кнопку «Close».

Подменю «Link Mode». Настройка LAN-портов

В разделе можно задать режим работы LAN-портов. LAN1/2/3/4 – настройка режима работы, доступны режимы 10M Half Mode, 10M Full Mode, 100M Half Mode, 100M Full Mode и Auto Mode (режим автоопределения).

Advance → Link mode

Для сохранения изменений нажмите кнопку «Apply Changes».

Подменю «Print Server». Просмотр списка серверов печати

В данном разделе можно просмотреть список доступных принт-серверов.

Advance → Print Server

Чтобы обновить список доступных принтеров, нажмите кнопку «Refresh».

Подменю Others. Включение JumboFrame

В разделе можно включить/отключить работу JumboFrame, для этого необходимо установить флаг «Enable»/«Disable». Кроме того, в данном разделе можно включить режим «IP Passthrough», который позволяет прозрачно транслировать внешний IP-адрес с PPPoE-интерфейса на внутреннего локального клиента. 

Advance → Others

Для сохранения изменений нажмите кнопку «Apply Changes».

Подменю «IPv6». Настройка протокола IPv6

В разделе можно включить/отключить работу IPv6-протокола, для этого необходимо установить флаг «Enable»/«Disable».

Advance → IPv6

Для сохранения изменений нажмите кнопку «Apply Changes».

Подменю «RADVD». Настройка RADVD

В разделе осуществляется настройка RADVD (Router Advertisement Daemon).

Advance → IPv6 → RADVD

  • MaxRtrAdvInterval (sec) – максимальный интервал отправки RA (Router Advertisement), сек;
  • MinRtrAdvInterval (sec) – минимальный интервал отправки RA, сек;
  • AdvManagedFlag – включение/выключение отправки флага Managed в RA;
  • AdvOtherConfigFlag – включение/выключение отправки флага Other RA.

Для сохранения изменений нажмите кнопку «Apply Changes».

Подменю «DHCPv6 setting». Настройка DHCPv6-сервера

В разделе осуществляется настройка DHCPv6-сервера. По умолчанию работает в режиме автоконфигурации (DHCPServer(Auto)) через делегацию префикса.

Advance → IPv6 → DHCPv6

  • DHCPv6 Mode (Enable/Disable) – включить/выключить работу сервера DHCPv6;
  • Hostname – указать имя хоста;
  • MAC Address – указать MAC-адрес клиента для привязки IP-адреса;
  • IP Address – указать IP-адрес клиента для привязки к MAC-адресу.

После заполнения полей для добавления записи нажмите кнопку «Add». Для сохранения изменений нажмите кнопку «Apply Changes». По нажатию на кнопку «Show Client» выводится таблица активных IP-адресов DHCPv6-сервера. Для удаления всех записей в таблице нажмите кнопку «Delete All», чтобы удалить одну позицию из списка, выделите её и нажмите кнопку «Delete Selected».

Advance → IPv6 → DHCPv6 → Show Client

Подменю «MLD proxy». Настройка функции MLD proxy

В разделе можно включить/отключить работу MLD-proxy, для этого необходимо установить флаг «Enable»/«Disable».

Advance → IPv6 → MLD proxy

Для сохранения изменений нажмите кнопку «Apply Changes».

Подменю «MLD snooping». Настройка функции MLD snooping

В разделе можно включить/отключить работу MLD-snooping, для этого необходимо установить флаг «Enable»/«Disable».

Advance → IPv6 → MLD snooping

Для сохранения изменений нажмите кнопку «Apply Changes».

Подменю «IPv6 routing». Настройка IPv6-маршрутов

В разделе осуществляется настройка статических IPv6-маршрутов.

Advance → IPv6 → IPv6 routing

  • Enable – флаг для добавления маршрута;
  • Destination – адрес назначения;
  • Next Hop – следующий узел;
  • Metric – метрика;
  • Interface – интерфейс.

Для добавления IPv6 routing заполните соответствующие поля и нажмите кнопку «Add Route». Добавленные маршруты отображаются в таблице «Static IPv6 Route Table», для обновления информации нажмите кнопку «Update». Для удаления всей таблицы нажмите на кнопку «Delete All», чтобы удалить один маршрут, выберите его и нажмите кнопку «Delete Selected». Кнопка «Show Routes» выводит таблицу статических IPv6-маршрутов, к которым обычно обращается сеть.

Advance → IPv6 → IPv6 routing → Show Routes

  • Destination – сеть назначение;
  • Next Hop – следующий узел;
  • Flags – флаги;
  • Metric – метрика;
  • Ref – источник маршрута;
  • Use – использование маршрута;
  • Interface – интерфейс, через который доступен указанный маршрут.

Для обновления таблице нажмите «Refresh», для закрытия окна — кнопку «Close».

Подменю «IPv6 IP/Port filtering». Настройка фильтрации пакетов

На странице осуществляется настройка фильтрации пакетов данных, передаваемых через шлюз.

Advance → IPv6 → IP/Port filtering

  • Outgoing Default Action – исходящее действие по умолчанию:
    • Deny – при установке флага прохождение трафика по умолчанию запрещено;
    • Allow – при установке флага прохождение трафика по умолчанию разрешено.
  • Incoming Default Action – входящее действие по умолчанию:
    • Deny – при установке флага прохождение трафика по умолчанию запрещено;
    • Allow – при установке флага прохождение трафика по умолчанию разрешено.
  • Direction Outgoing/Incoming – выбор направления прохождения;
  • Protocol – выбор протокола;
  • Rule Action Deny/Allow – политика обработки трафика;
  • Source IP Address – IP-адрес источника;
  • Source Prefix Length – длина префикса источника;
  • Destination IP Address – IP-адрес назначения;
  • Destination Prefix Lenght – длина префикса назначения;
  • Source Port – порт или диапазон портов источника;
  • Destination Port – порт или диапазон портов назначения.

Чтобы добавить фильтр, заполните соответствующие поля и нажмите кнопку «Add»Добавленные фильтры отображаются в таблице «Current Filter Table». Для удаления всей таблицы нажмите на кнопку «Delete All», чтобы удалить один фильтр, выберите его и нажмите кнопку «Delete Selected». 

Меню «Diagnostics»

Раздел диагностики доступа к различным сетевым узлам, а также настройки и просмотра системного журнала.

Подменю «Ping». Проверка доступности сетевых устройств и сайтов

Раздел предназначен для проверки доступности сетевых устройств и сайтов при помощи утилиты Ping.

Diagnostics → Ping

Для проверки доступности устройства необходимо ввести его IP-адрес или доменное имя в поле «Host Address» и нажать кнопку «Go».

Подменю «Traceroute»

Служебная программа, предназначенная для определения маршрутов следования данных в сетях TCP/IP.

Diagnostics → Traceroute

Для отображения пути прохождения пакета информации от его источника к месту назначения необходимо ввести его IP-адрес или доменное имя в поле «Host Address», указать количество транзитных участков «Max number of hops» и нажать кнопку «Go».

Меню «Admin»

Раздел управления устройством. В данном меню производится настройка паролей, времени, конфигураций и прочего.

Подменю «Settings». Восстановление и сброс настроек

Admin → Settings → Backup Settings

В разделе можно скопировать текущие настройки в файл (Backup Settings) нажатием на кнопку «Backup Settings to File».

Admin → Settings → Update Settings

В разделе можно восстанавливать настройки из файла, который был сохранен ранее (Update Settings) кнопкой «Restore».

Admin → Settings → Restore Default

В разделе можно сбросить текущие настройки до заводских настроек по умолчанию (Restore Default), для этого нажмите кнопку «Reset Settings to Default».

Подменю «GPON Setting». Настройка доступа к GPON

В разделе можно указать пароль для активации терминала на OLT.

Admin → GPON Setting

  • PLOAM Password – пароль для активации терминала на OLT.

Для сохранения изменений нажмите кнопку «Apply Changes».

Не рекомендуется изменять пароль активации без согласования с интернет-провайдером.


Подменю «Commit/Reboot». Сохранение изменений и перезагрузка устройства

Нажмите кнопку «Commit and Reboot» для перезагрузки устройства или для сохранения изменений в системной памяти. Перезагрузка устройства может занять несколько минут.

Admin → Commit/Reboot

Подменю «Logout». Выход из учетной записи

В разделе возможно выйти из учетной записи нажатием на кнопку «Logout».

Admin → Logout

Подменю «Password». Настройка контроля доступа (установление паролей)

В разделе осуществляется смена пароля для доступа к устройству.

Admin → Password

Для смены пароля необходимо ввести существующий пароль в поле Old Password, затем новый пароль в New Password и подтвердить его Confirmed Password

Для принятия изменений и сохранения нажмите кнопку «Apply Сhanges», для сброса значения кнопку «Reset».

Подменю «Firmware upgrade». Обновление ПО

Для обновления ПО выберите файл ПО, используя кнопку «Выберите файл», и нажмите «Upgrade». Для сброса значения используйте кнопку «Reset».

Admin → Firmware upgrade

В процессе обновления не допускается отключение питания устройства либо его перезагрузка. Процесс обновления может занимать несколько минут, после чего устройство автоматически перезагружается.

Подменю «Remote Access». Настройка правил удалённого доступа

В разделе возможно настроить правила удалённого доступа по протоколам HTTP / ICMP.

Admin → Remote Access

  • Enable – включение правила для добавления;
  • Service – выбор используемого протокола;
  • Interface – интерфейс, к которому применяется правило;
  • IP Address – IP-адрес источника;
  • Subnet Mask – маска подсети;
  • Port – порт назначения.

Чтобы добавить правило, заполните соответствующие поля и нажмите кнопку «Add». Добавленные правила отображаются в таблице «RA Table». Чтобы активировать/деактивировать выделенное правило, нажмите кнопку «Toggle selected». Для удаления одного правила выберите его флагом в столбце Select и нажмите кнопку «Delete Selected». 

Удаление правила HTTP на 80 порт приведет к потере доступа до web-интерфейса.

Подменю «Time zone». Настройки системного времени

В разделе настраивается системное время на устройстве, возможна синхронизация с интернет-серверами точного времени.

Admin → Time zone

  • Current time – текущее время;
  • Time Zone Select – временная зона;
  • Enable Daylight Saving Time – переход на летнее время;
  • Enable SNTP Client Update – включить синхронизацию времени по SNTP;
  • WAN Interface – интерфейс, через который производится обновление времени;
  • SNTP Server – предпочитаемый сервер времени.

Для сохранения изменений нажмите кнопку «Apply Changes», для обновления информации кнопку «Refresh».

Меню «Statistics». Информация о прохождении трафика на портах устройства

Подменю «Interface». Информация о счетчиках и ошибках

В разделе отображаются счетчики/ошибки по пакетам для каждого интерфейса:

Statistics → Interface

  • Interface – интерфейс;
  • Rx pkt – получено пакетов;
  • RX err – ошибки на приеме;
  • Rx drop – отброшено на приеме;
  • Tx pkt – отправлено пакетов;
  • Tx err – ошибка отправки;
  • Tx drop – отброшено при передаче.

Для обновления информации нажмите кнопку «Refresh». Для сброса статистики нажмите кнопку «Reset Statistics»

Подменю «PON»

В разделе отображаются счетчики для оптического интерфейса:

Statistics → PON

  • Bytes Sent – отправлено байт;
  • Bytes Received – байт получено;
  • Packets Sent – пакетов отправлено;
  • Packets Received – пакетов получено;
  • Unicast Packet Sent – Unicast-пакетов отправлено;
  • Unicast Packet Received – Unicast-пакетов получено;
  • Multicast Packets Sent – Multicast-пакетов отправлено;
  • Multicast Packets Received – Multicast-пакетов получено;
  • Broadcast Packet Sent – широковещательных пакетов отправлено;
  • Broadcast Packet Received – широковещательных пакетов получено;
  • FEC Errors – ошибки FEC;
  • HEC Errors – ошибки HEC;
  • Packets Dropped – пакетов отброшено;
  • Pause Packets Sent – пакетов отправлено с задержкой;
  • Pause Packets Received – пакетов принято с задержкой.

Меню «Z-Wave»

Только для устройств NTU-RG-5421G-WZ, NTU-RG-5420G-WZ, NTU-RG-5440G-WZ, NTU-RG-5421G-WZ rev.B, NTU-RG-5440G-WZ rev.B.

В данном меню настраиваются параметры «Умного дома».

  • Zway – включить/выключить контроллер «Умного дома»;
  • Hostname – указать адрес удалённой платформы «Умного дома»;
  • Destination port – указать порт платформы, к которому подключается контроллер «Умного дома»;
  • Secure connection – установить в Enable, если для обмена с платформе используется защищенный канал;
  • Reset controller (очистить кэш Zway) – при нажатии кнопки, контроллер отключается, с него удаляется вся информация о подключении к платформе, о привязанных датчиках и сценарии.

Для принятия и сохранения настроек необходимо нажать кнопку «Apply Changes».

Список изменений

Версия документа

Актуальность для ПО

Дата выпуска

Содержание изменений

Версия 2.62.5.1307.2025Семнадцатая публикация
Версия 2.52.5.1201.2025Шестнадцатая публикация
Версия 2.42.5.1108.2024Пятнадцатая публикация
Версия 2.32.5.905.2023Четырнадцатая публикация
Версия 2.22.5.802.2023Тринадцатая публикация
Версия 2.12.5.710.2022Двенадцатая публикация
Версия 2.02.5.303.2022Одиннадцатая публикация
Версия 1.92.5.111.2021Десятая публикация
Версия 1.82.5.009.2021Девятая публикация
Версия 1.72.3.103.2021Восьмая публикация
Версия 1.62.3.002.2021Седьмая публикация
Версия 1.52.2.010.2020Шестая публикация
Версия 1.42.1.007.2020Пятая публикация
Версия 1.31.2.112.2019Четвертая публикация
Версия 1.21.2.010.2019Третья публикация
Версия 1.11.1.004.2019Вторая публикация

Версия 1.0

1.0.1

11.2018

Первая публикация

  • Нет меток