Версия ПО 2.8.0 (10.2025)

IP-адрес: http://192.168.1.10
User name: admin
Password: password

Введение

Аннотация

Современные тенденции развития связи диктуют операторам необходимость поиска наиболее оптимальных технологий, позволяющих удовлетворить стремительно возрастающие потребности абонентов, сохраняя при этом преемственность бизнес-процессов, гибкость развития и сокращение затрат на предоставление различных сервисов. Беспроводные технологии все больше набирают обороты, и к данному моменту они за короткое время прошли огромный путь от нестабильных низкоскоростных сетей связи малого радиуса до сетей ШПД, сопоставимых по скорости с проводными сетями и обладающих высокими критериями к качеству предоставления услуг.

Устройство WOP-30LI является точкой доступа Wi-Fi. Конструкция устройства имеет герметичный корпус, который позволяет использовать точку доступа вне помещений в различных климатических условиях при температурах от -45 до +65 °С.

В настоящем руководстве по эксплуатации изложены назначение, основные технические характеристики, конструктивное исполнение, правила безопасной эксплуатации устройства, а также рекомендации по его установке и настройке. 

Условные обозначения

Примечания и предупреждения

Примечания содержат важную информацию, советы или рекомендации по использованию и настройке устройства.

Предупреждения информируют пользователя о ситуациях, которые могут нанести вред устройству или человеку, привести к некорректной работе устройства или потере данных.

Описание изделия

Назначение

WОP-30LI — это промышленная точка доступа нового поколения Wi-Fi 6 (IEEE 802.11ax) (далее — устройство, точка доступа, ТД), обеспечивающая высокоскоростную и безопасную беспроводную сеть. Благодаря встроенным портам 
2 × 1GE и 2 × SFP (1G) WOP-30LI позволяет подключать другие устройства и соединять несколько точек доступа в одну сеть каскадом.

WOP-30LI поддерживает современные требования к качеству сервисов и позволяет передавать наиболее важный трафик в более приоритетных очередях по сравнению с обычным. Приоритизация обеспечивается следующими технологиями QoS: СoS (специальные метки в поле VLAN-пакета) и ToS (метки в поле IP-пакета). Поддержка шейпинга трафика на каждом VAP позволяет в полной мере управлять доступом, качеством сервисов и ограничениями как для всех абонентов, так и для каждого в частности.

Прочный герметичный корпус WOP-30LI со степенью защиты IP67 идеально подходит для установки устройства на экстремальных промышленных объектах и открытых территориях (заводы, карьеры, производственные здания, крупные промышленные комплексы, склады и т. п.)

Характеристики устройства

Интерфейсы:

  • 2 порта 10/100/1000BASE-T (RJ-45), из которых 1 порт с поддержкой PoE+
  • 1 порт 100/1000BASE-X (SFP)
  • 1 порт 1000BASE-X (SFP)
  • Wi-Fi 2.4 ГГц IEEE 802.11b/g/n/ax
  • Wi-Fi 5 ГГц IEEE 802.11a/n/ac/ax
  • 4 разъема N-типа (female) для подключения внешних антенн (Omni, секторная, панельная и т. д.)

Функции:

Возможности WLAN:

  • поддержка стандартов IEEE 802.11a/b/g/n/ac/ax;
  • поддержка стандартов роуминга IEEE 802.11r/k/v;
  • агрегация данных, включая A-MPDU (Tx/Rx) и А-MSDU (Rx);
  • приоритеты и планирование пакетов на основе WMM;
  • изоляция абонентов в пределах одного VAP;
  • автовыбор канала;
  • динамический выбор частоты (DFS);
  • поддержка скрытого SSID;
  • 14 виртуальных точек доступа;
  • обнаружение сторонних точек доступа;
  • спектроанализатор;
  • поддержка беспроводных мостов (WDS);
  • поддержка APSD;
  • поддержка режима клиента (STA).

Сетевые функции:

  • автоматическое согласование скорости, дуплексного режима и переключения между режимами MDI и MDI-X;
  • поддержка VLAN (Access, Trunk, General);
  • DHCP-клиент;
  • поддержка GRE;
  • передача абонентского трафика вне туннелей;
  • поддержка ACL;
  • поддержка NTP;
  • поддержка Syslog;
  • поддержка IPv6;
  • поддержка LLDP.

Функции QoS:

  • приоритет и планирование пакетов на основе профилей;
  • ограничение пропускной способности для каждой VAP;

  • ограничение пропускной способности для каждого клиента;
  • изменение параметров WMM.

Безопасность:

  • централизованная авторизация через RADIUS-сервер (802.1X WPA/WPA2/WPA3 Enterprise);
  • шифрование WPA/WPA2/WPA3/OWE;
  • поддержка Captive Portal;
  • авторизация через RADIUS-сервер при входе на устройство. 

На рисунках 1, 2 и 3 приведены схемы применения оборудования WOP-30LI. 

 

Рисунок 1 — Использование точки доступа WOP-30LI с PoE-портом


Рисунок 2 — Использование точки доступа WOP-30LI с DC-питанием и SFP-портами

Рисунок 3 — Использование точки доступа WOP-30LI с DC-питанием и WDS

Технические параметры устройства

Таблица 1 — Основные технические параметры

Параметры интерфейсов Ethernet
Количество портов2
РазъемRJ-45
Скорость передачи10/100/1000 Мбит/с, автоопределение
Поддержка стандартовBASE-T
Параметры интерфейсов SFP
Количество портов2
РазъемSFP
Скорость передачи100/1000 Мбит/с на SFP1 и 1000 Мбит/с на SFP2
Поддержка стандартовBASE-X
Параметры беспроводного интерфейса
Стандарты802.11a/b/g/n/ac/ax
Частотный диапазон24002483.5 МГц; 5150–5350 МГц, 5470–5850 МГц
МодуляцияBPSK, QPSK, 16QAM, 64QAM, 256QAM, 1024QAM
Рабочие каналы

802.11b/g/n/ax: 1–13 (2401–2483 МГц)
802.11a/n/ac/ax:

  • 36–64 (5170–5330 МГц)
  • 100–144 (5490–5730 МГц)
  • 149–165 (5735–5835 МГц)
Скорость передачи данных

2.4 ГГц, 802.11ax: 574 Мбит/c
5 ГГц, 802.11ax: 1201 Мбит/c

Максимальное количество одновременных сессий 2.4 ГГц: 64
5 ГГц: 64
Максимальная мощность передатчика2.4 ГГц: 20 дБм
5 ГГц: 20 дБм
Чувствительность приемника2.4 ГГц: до -93 дБм
5 ГГц: до -94 дБм
Безопасность

централизованная авторизация через RADIUS-сервер (802.1X WPA/WPA2/WPA3 Enterprise)
шифрование WPA/WPA2/WPA3/OWE
поддержка Captive Portal

Выбор модели антенн зависит от использования точки доступа
Радиоинтерфейс с поддержкой OFDMA и MU-MIMO 2×2
Управление 
Удаленное управление web-интерфейс, Telnet, SSH, CLI, SNMP, NETCONF
Ограничение доступапо паролю, аутентификация через RADIUS-сервер
Общие параметры
Flash-память128 MБ SPI-NAND Flash
RAM256 МБ DDR3 RAM 
ПитаниеPoE+ 48 В/56 В (IEEE 802.3at-2009)
DC 12–56 В
Потребляемая мощностьне более 17,5 Вт
Степень защитыIP67
Рабочий диапазон температурот -45 до +65 °С
Относительная влажность при температуре 25 °Сдо 95 %, без образования конденсата
Габариты (Ш × В × Г)308 × 253 × 91 мм
308 × 367 × 91 мм (с гермовводом)
Масса3,2 кг
Срок службыне менее 15 лет

Конструктивное исполнение 

Устройство WOP-30LI выполнено в пластиковом корпусе промышленного исполнения. Внешний вид устройства WOP-30LI приведен на рисунке 4.

Рисунок 4 — Внешний вид WOP-30LI

Рисунок 5 — Внешний вид верхней панели WOP-30LI

Рисунок 6 — Внешний вид нижней панели WOP-30LI


Рисунок 7 — Внешний вид задней панели WOP-30LI

На панелях устройства расположены следующие разъемы и органы управления, таблица 2.

Таблица 2 — Описание портов и органов управления

Элемент на устройстве Описание
1, 3A1, A3разъемы интерфейса Radio 1 для подключения внешних антенн диапазона 2.4 ГГц
2, 4A2, A4разъемы интерфейса Radio 2 для подключения внешних антенн диапазона 5 ГГц
5DCразъем подключения питания
6PoE/ETH1порт 10/100/1000 BASE-T (разъем RJ-45 с поддержкой PoE+)
7ETH2порт 10/100/1000 BASE-T (разъем RJ-45)
8SFP1порт 100/1000BASE-X 
9SFP2порт 1000BASE-X 
10 функциональная кнопка, закрыта герметичным винтом
11

заземление устройства
12
мембранный вентиляционный клапан

Сброс к заводским настройкам

Для сброса к заводским настройкам необходимо в загруженном состоянии устройства нажать и удерживать кнопку «F» на протяжении 10–15 секунд. Произойдет автоматическая перезагрузка устройства. При заводских установках будет запущен DHCP-клиент. В случае, если адрес не будет получен по DHCP, то у устройства будет заводской IP-адрес  192.168.1.10, маска подсети — 255.255.255.0, имя пользователя/пароль для доступа через web-интерфейс: admin/password.

Комплект поставки

В комплект поставки входят:

  • оборудование радиодоступа WOP-30LI;
  • гермовводы;
  • кабельная часть для разъема питания;
  • комплект крепежа;
  • руководство по эксплуатации на CD-диске (опционально);
  • сертификат соответствия;
  • памятка о документации;
  • паспорт.

Правила и рекомендации по установке устройства

В данном разделе описаны инструкции по технике безопасности, рекомендации по установке, процедура установки и порядок включения устройства.

Инструкции по технике безопасности 

  1. Не вскрывайте корпус устройства. Внутри устройства нет элементов, предназначенных для обслуживания пользователем.
  2. Незадействованные антенные разъемы требуется закрыть защитной крышкой, которая входит в комплект поставки устройства.
  3. Не производите установку данного устройства во время грозы. Может существовать риск удара молнией.
  4. Необходимо соблюдать требования по напряжению, току и частоте, указанные в данной инструкции.
  5. Перед подключением к устройству измерительных приборов и компьютера их необходимо предварительно заземлить. Разность потенциалов между корпусами оборудования и измерительных приборов не должна превышать 1 В.
  6. Перед включением устройства убедиться в целостности кабелей и их надежном креплении к разъемам.
  7. Не устанавливайте устройство рядом с источниками тепла и в помещениях с температурой ниже -45 °С или выше 65 °С.
  8. Во время монтажа устройства на высотных конструкциях следует выполнять установленные нормы и требования при высотных работах.
  9. Эксплуатация устройства должна производиться инженерно-техническим персоналом, прошедшим специальную подготовку.
  10. Подключать к устройству разрешается только годное к применению вспомогательное оборудование.
  11. Не включайте питание без подключенных антенн. 

Рекомендации по установке 

  1. Рекомендуемое положение устройства для установки — крепление на трубостойку/столб или стену.
  2. Перед установкой и включением устройства необходимо проверить его на наличие видимых механических повреждений. В случае обнаружения повреждений следует прекратить установку устройства, составить соответствующий акт и обратиться к поставщику.
  3. При размещении устройства для обеспечения зоны покрытия сети Wi-Fi c наилучшими характеристиками учитывайте следующие правила:
    • Устанавливайте устройство в центре беспроводной сети.
    • Минимизируйте число преград (стены, потолки, мебель и др.) между WOP-30LI и другими беспроводными сетевыми устройствами.
    • Не устанавливайте устройство вблизи (порядка 2 м) электрических и радиоустройств.
    • Не рекомендуется использовать радиотелефоны и другое оборудование, работающее на частоте 2.4 ГГц или 5 ГГц, в радиусе действия беспроводной сети Wi-Fi.
    • Препятствия в виде стеклянных/металлических конструкций, кирпичных/бетонных стен, а также емкости с водой и зеркала могут значительно уменьшить радиус действия Wi-Fi сети.
  4. При размещении нескольких точек радиус соты должен пересекаться с соседней сотой на уровне от -65 до -70 дБм. Допускается уменьшение уровня сигнала до -75 дБм на границах сот, если не предполагается использование VoIP, потокового видеовещания и другого чувствительного к потерям трафика в беспроводной сети.

Расчет необходимого числа точек доступа

При выборе количества необходимых точек доступа следует предварительно произвести оценку требуемой зоны охвата, учитывая ДН антенн в горизонтальной и вертикальной плоскостях.
Для более точной оценки необходимо произвести радиоисследование территории. Дальность охвата уверенного приема точки доступа зависит от установленных антенн и наличия препятствий. В таблице 3 приведены приблизительные значения затухания.

Таблица 3 — Значения затухания

Материал Изменение уровня сигнала, дБ 
2.4 ГГц5 ГГц
Оргстекло-0,3-0,9
Кирпич-4,5-14,6
Стекло-0,5-1,7
Гипсокартон-0,5-0,8
ДСП-1,6-1,9
Фанера-1,9-1,8
Штукатурка с металлической сеткой-14,8-13,2
Шлакоблок-7-11
Металлическая решетка (ячейка 13 × 6 мм, металл 2 мм)-21-13

Выбор каналов соседствующих точек

Во избежание межканальной интерференции между соседствующими точками доступа рекомендуется установить неперекрывающиеся каналы.



Рисунок 8 — Общая диаграмма перекрытия частотных каналов в 2.4 ГГц

Пример схемы распределения каналов между соседними точками в диапазоне 2.4 ГГц при ширине канала в 20 MГц приведен на рисунке 9. 



Рисунок 9 — Схема распределения каналов между соседними точками доступа в диапазоне 2.4 ГГц при ширине канала в 20 МГц

Аналогично рекомендуется сохранять данный механизм распределения каналов при расположении точек между этажами (рисунок 10).



Рисунок 10 — Схема распределения каналов между соседними точками доступа, расположенными между этажами

При использовании ширины канала 40 МГц в диапазоне 2.4 ГГц нет неперекрывающихся каналов. В таких случаях стоит выбирать максимально отдаленные друг от друга каналы.


Рисунок 11 — Каналы, используемые в диапазоне 5 ГГц при ширине канала 20, 40, 80 МГц

Рекомендуемые SFP-модули

При использовании на устройстве SFP-портов желательно выбирать рекомендованные модели SFP-модулей из таблицы 4.

Таблица 4 —  Рекомендуемые SFP-модули

НаименованиеСкоростьХарактеристикиТемпературный тип
FH-SB3512IDS20/
FH-SB5312IDS20
1G1.25G SFP SC 1310/1550nm 20kmIndustrial
FH-S3112IDL201G1.25G SFP LC 1310nm 20kmIndustrial

Установка устройства

Для точки доступа WOP-30LI предусмотрены два варианта монтажа: установка устройства на трубостойку и установка устройства на стену.

Подготовка к монтажу

1. Извлеките из упаковки устройство, кронштейн, пакет с крепежом, хомуты, гермовводы.

2. Для крепления устройства на стену или трубостойку установите кронштейн на радиатор, расположенный на задней стенке. Крепко затяните винты и обязательно используйте шайбы из комплекта поставки.

Рисунок 12 — Крепление кронштейна к устройству

3. В случае использования Omni-антенн установите их, предварительно сняв заглушки с разъемов.

Рисунок 13 — Установка Omni-антенн 

4. Перед установкой устройства на стену или трубостойку не забудьте подключить клемму заземления, используя винт на задней стенке устройства.

Рисунок 14 — Заземление устройства

Заземление может быть осуществлено через разъем питания DC, см. раздел «Подключение разъема питания DC».

Установка устройства на трубостойку/столб

При монтаже устройства на разъемы антенн обязательно должны быть установлены антенны или пылезащитные (герметичные) колпачки, которые входят в комплект поставки устройства. Снимать колпачки нужно непосредственно перед подключением к антенным разъемам.

1. Для фиксации устройства на трубостойке используйте хомуты из комплекта поставки.

Соблюдайте инструкции по технике безопасности и рекомендации, приведенные в разделах «Инструкции по технике безопасности» и «Рекомендации по установке».

Рисунок 15 — Крепление устройства к трубостойке

Установка устройства на стену

При монтаже устройства на разъемы антенн обязательно должны быть установлены антенны или пылезащитные (герметичные) колпачки, которые входят в комплект поставки устройства. Снимать колпачки нужно непосредственно перед подключением к антенным разъемам.

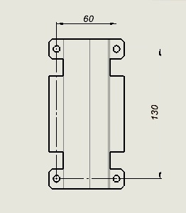
1. Используйте эскиз на рисунке 16 для разметки отверстий крепления на стене.

Рисунок 16 — Эскиз для разметки отверстий

2. Установите устройство на стену с помощью анкерных болтов М6 или дюбелей.

Соблюдайте инструкции по технике безопасности и рекомендации, приведенные в разделах «Инструкции по технике безопасности» и «Рекомендации по установке».

Рисунок 17 — Крепление устройства на стене 

Подключение устройства

Питание устройства

1. Подключите Ethernet-кабель, идущий от WОP-30LI (порт PoE/ETH1), к PoE-порту инжектора или порту коммутатора (IEEE 802.3at-2009). Подключение Ethernet-кабеля к WОP-30LI описано в разделе «Подключение сетевого кабеля».

2. Если вы используете PoE-инжектор, подключите его к розетке 220 В с помощью сетевого шнура.

3. При питании устройства постоянным напряжением перейдите в раздел «Подключение разъема питания DC».

Не включайте питание без подключенных антенн. 

Подключение сетевого кабеля

1. В комплект поставки устройства входит гермоввод для Ethernet-портов. Скрутите гайку с гермоввода, выньте уплотнительную втулку из ламелей корпуса.

Рисунок 18  — Гермоввод в разобранном виде

2. Проденьте кабель с разъемом RJ-45 в отверстие гайки гермоввода.

Рисунок 19  — Установка гайки гермоввода на кабеле

3. Установите разрезную резиновую втулку на кабель между разъемом и установленной ранее гайкой.

Рисунок 20  — Установка резиновой втулки на кабеле

4. Пропустите кабель с разъемом через корпус гермоввода.

Рисунок 21 — Установка корпуса гермоввода на кабеле

5. Установите уплотнительную втулку в ламели корпуса кабельного ввода.

Рисунок 22 — Установка резиновой втулки в корпус гермоввода

6. Накрутите гайку на корпус гермоввода на пару оборотов (не затягивайте гайку, провод должен свободно скользить внутри уплотнительной втулки).

Рисунок 23 — Крепление гермоввода на кабеле

7. Вставьте разъем RJ-45 в ответную часть на корпусе устройства.

Рисунок 24  — Подключение Ethernet-кабеля

8. Вкрутите гермоввод в ответную часть на корпусе устройства и затяните.

9. Затяните гайку гермоввода до плотного облегания кабеля уплотнительной втулкой.

Некорректная установка гермоввода может привести к нарушению герметичности устройства.

Во избежание выхода устройства из строя рекомендуется использовать грозозащиту.

Подключение оптического кабеля

1. Установите SFP-модуль в оптический порт.

2. Для установки оптического кабеля смонтируйте гермоввод для SFP-портов по рисунку 25.

Рисунок 25 — Установка оптического кабеля

3. Снимите защитную крышку (1) и открутите зажимную гайку с торцов гермоввода (2).

4. Вытащите разрезной сальник и проденьте кабель через зажимную гайку и гермоввод (3).

5. Снимите защитную заглушку с фланца на корпусе устройства (4).

6. Вставьте оптический кабель в разъем SFP-модуля (5).

7. Вставьте гермоввод в открытый фланец на устройстве и проверните на пол-оборота до фиксации (6).

8. Установите разрезной сальник на кабель и вставьте его внутрь гермоввода (7).

9. Плотно затяните зажимную гайку (8).

Рисунок 26 — Установленный гермоввод на устройстве

Некорректная установка гермоввода может привести к нарушению герметичности устройства.

Подключение разъема питания DC

1. Распаяйте ответную часть разъема питания DC. 

Рисунок 27 — Ответная часть герметичного разъема питания DC

2. Распайка разъема питания на корпусе устройства указана на рисунке 28.

Рисунок 28 — Распайка разъема питания DC на корпусе устройства

3. Открутите заглушку, вставьте кабель питания и затяните фиксирующую гайку. Установка распаянного кабеля показана на рисунке 29.

Рисунок 29 — Подключение питания DC

Некорректная установка ответной части разъема питания DC может привести к нарушению герметичности устройства.

Подключение антенн

Подключите антенны к устройству, следуя инструкциям из раздела «Инструкция по герметизации антенных разъемов»:

  • При использовании Omni-антенн: присоедините антенны к N-разъемам устройства. Рекомендуется выполнять на этапе «Подготовка к монтажу».
  • При использовании панельных/секторных антенн: присоедините антенны к N-разъемам устройства с помощью кабельных сборок. Отрегулируйте положение антенны так, чтобы абонентские устройства попадали в зону покрытия установленной антенны.

Инструкция по герметизации антенных разъемов 

Герметизацию необходимо проводить с обеих сторон кабеля.

1. Перед подключением кабеля к разъему осмотрите оплетку кабеля на наличие повреждений, а также проверьте наличие уплотнительного кольца в гайке разъема, расположение показано на рисунке 30 (а, б). 

Рисунок 30а

Рисунок 30б

2. Подключите кабель к разъему устройства (антенны) и затяните гайку, как показано на рисунке 31 (а, б).

Рисунок 31а

Рисунок 31б

3. Отрежьте резиновую герметизирующую ленту соответствующей длины: на герметизацию одного разъема SMA (рисунок 32а) требуется 0,15 м гидроизолирующей ленты, для разъема N-type (рисунок 32б) требуется 0,3 м гидроизолирующей ленты, как показано на рисунке 32 (а, б).

Рисунок 32а

Рисунок 32б

4. Удалите с резиновой ленты защитный слой, как показано на рисунке 33.

Рисунок 33

5. Начните обмотку со стороны кабеля, предварительно отступив от обжимной части на 10–15 мм. Зафиксируйте кончик ленты на оплетке кабеля под углом 15–25 градусов к оси кабеля, и, слегка растягивая ленту, начните обматывать кабель и разъем, продвигаясь в сторону корпуса устройства. Витки необходимо укладывать друг на друга с нахлестом, складки на витках не допускаются. Обмотка кабеля показана на рисунке 34 (а, б).

Рисунок 34а

Рисунок 34б

6. Достигнув корпуса устройства (антенны) краем ленты, сделайте оборот вокруг разъема, максимально прижимая край ленты к корпусу, далее продолжите намотку ленты под другим углом, удаляясь от корпуса. При наматывании не забывайте растягивать ленту и плотно прижимать ее к ранее намотанным виткам. На кончике ленты растяжку необходимо уменьшить и плотно прижать его к виткам, расположенным на оплетке кабеля, как показано на рисунке 35 (а, б).

Рисунок 35а

Рисунок 35б

7. Отрежьте ПВХ-ленту (изоленту) соответствующей длины: на герметизацию одного разъема SMA требуется 0,28 м изоленты, для разъема N-type требуется 0,6 м изоленты. Изолента требуется для защиты резиновой ленты от ультрафиолетовых лучей. Изолента показана на рисунке 36.

Рисунок 36

8. Начните обмотку с оплетки кабеля, предварительно отступив от первого витка резиновой ленты на 5–10 мм. Зафиксируйте кончик изоленты на оплетке кабеля под углом 15–25 градусов к оси кабеля, и, слегка растягивая ленту, начните обматывать кабель и разъем, продвигаясь в сторону корпуса устройства. Витки необходимо укладывать друг на друга с нахлестом, складки на витках не допускаются. Обмотка кабеля показана на рисунке 37.

Рисунок 37

9. Достигнув корпуса краем ленты, сделайте оборот вокруг разъема, максимально прижимая край изоленты к корпусу устройства, далее продолжите намотку ленты под другим углом, удаляясь от корпуса. При наматывании плотно накладывайте витки ленты, не допуская складок. На последних витках изоленты растяжку необходимо уменьшить до нуля и последний виток уложить без растягивания, как показано на рисунке 38 (а, б).

Рисунок 38а

Рисунок 38б

10. Проверьте загерметизированный разъем на отсутствие видимых участков резиновой ленты. 

Управление устройством через web-интерфейс

Начало работы

Для начала работы нужно подключиться к устройству по интерфейсу WAN через web-браузер:

1. Откройте web-браузер, например Firefox, Opera, Chrome.

2. Введите в адресной строке браузера IP-адрес устройства.

Заводской IP-адрес устройства: 192.168.1.10, маска подсети: 255.255.255.0. По умолчанию устройство может получить адрес по DHCP.

При успешном обнаружении устройства в окне браузера отобразится страница с запросом имени пользователя и пароля.

3. Введите имя пользователя в строке «Введите логин» и пароль в строке «Введите пароль».

Заводские установки: логин — admin, пароль — password.

4. Нажмите кнопку «Войти». В окне браузера откроется меню мониторинга состояния устройства.

5. При необходимости можно переключить язык отображения информации. Для WOP-30LI доступны русская и английская версии web-интерфейса.

Применение конфигурации и отмена изменений

  1. Применение конфигурации 

При нажатии кнопки запускается процесс сохранения конфигурации во flash-память устройства и применение новых настроек. Все настройки вступают в силу без перезагрузки устройства.

В web-интерфейсе точки доступа реализована визуальная индикация текущего состояния процесса применения настроек (таблица 5).

Таблица 5 — Визуальная индикация текущего состояния процесса применения настроек

Внешний видОписание состояния

После нажатия на кнопку «Применить» происходит процесс применения и записи настроек в память устройства. Об этом информирует значок  в названии вкладки и на кнопке «Применить».

Об успешном сохранении и применении настроек информирует значок в названии вкладки.

2. Отмена изменений

Кнопка отмены изменений имеет следующий вид:  .

Отмена изменений производится только до нажатия на кнопку «Применить». При нажатии на кнопку «Применить» изменённые на странице параметры будут обновлены на текущие значения, записанные в памяти устройства. После нажатия на кнопку «Применить» возврат к предыдущим настройкам будет невозможен.

Основные элементы web-интерфейса

На рисунке ниже представлены элементы навигации web-интерфейса.


Окно пользовательского интерфейса разделено на пять областей:

  1. Вкладки меню — для группировки подменю по категориям: Мониторинг, Radio, VAP, WDS, STA, Сетевые настройки, Внешние сервисы, Система.
  2. Выбор языка интерфейса и кнопка «(выход)», предназначенная для завершения сеанса работы в web-интерфейсе под данным пользователем.
  3. Вкладки подменю — для управления полем настроек.
  4. Поле настроек устройства — для просмотра данных и конфигурации.
  5. Информационное поле, отображающее версию ПО, установленную на устройстве. 

Меню «Мониторинг»

В меню «Мониторинг» отображается текущее состояние системы.

Подменю «Wi-Fi клиенты»

В подменю «Wi-Fi клиенты» отображается информация о состоянии подключенных Wi-Fi клиентов.

Информация по подключенным клиентам не отображается в реальном времени. Для того чтобы обновить информацию на странице, необходимо нажать на кнопку «Обновить».


  • — номер подключенного устройства в списке;
  • Имя хоста — сетевое имя устройства;
  • IP-адрес — IP-адрес подключенного устройства;
  • MAC-адрес — MAC-адрес подключенного устройства;
  • Интерфейс — интерфейс взаимодействия WOP-30LI с подключенным устройством;
  • Link Capacity — параметр, который отображает эффективность использования точкой доступа модуляции на передачу. Рассчитывается исходя из количества пакетов, переданных на каждой модуляции до клиента, и понижающих коэффициентов. Максимальное значение — 100% (означает, что все пакеты передаются до клиента на максимальной модуляции для максимального типа nss, поддерживаемого клиентом). Минимальное значение — 2% (в случае, когда пакеты передаются на модуляции nss1mcs0 для клиента с поддержкой MIMO 3×3). Значение параметра рассчитывается за последние 10 секунд;
  • Link Quality — параметр, который отображает состояние линка до клиента, рассчитанный на основании количества ретрансмитов пакетов, отправленных клиенту. Максимальное значение — 100% (все переданные пакеты отправились с первой попытки), минимальное значение — 0% (ни один пакет до клиента не был успешно отправлен). Значение параметра рассчитывается за последние 10 секунд;
  • Link Quality Common — параметр, который отображает состояние линка до клиента, рассчитанный на основании количества ретрансмитов пакетов, отправленных клиенту. Максимальное значение — 100% (все переданные пакеты отправились с первой попытки), минимальное значение — 0% (ни один пакет до клиента не был успешно отправлен). Значение параметра рассчитывается за все время подключения клиента;
  • RSSI — уровень принимаемого сигнала, дБм;
  • SNR — отношение сигнал/шум, дБ;
  • TxRate — канальная скорость передачи, Мбит/с;
  • RxRate — канальная скорость приема, Мбит/с;
  • Tx BW — полоса пропускания на передаче, МГц;
  • Rx BW — полоса пропускания на приеме, МГц;
  • Время работы — время соединения с Wi-Fi клиентом.

Для вывода более развернутой информации по определенному клиенту выберите его в списке. Подробное описание включает в себя следующие параметры: 

  • Передано/принято всего, байт — количество переданных/принятых на подключенное устройство байт;
  • Передано/принято всего, пакетов — количество переданных/принятых на подключенное устройство пакетов;
  • Передано/принято данных, байт — количество переданных/принятых на подключенное устройство байт данных;
  • Передано/принято данных, пакетов — количество переданных/принятых на подключенное устройство пакетов данных;
  • Передано с ошибками, пакетов — количество пакетов, переданных с ошибками на подключенное устройство;
  • Повторы передачи за последний период, пакетов — количество повторов передачи на подключенное устройство за последние 10 секунд;
  • Общее число повторов передачи, пакетов — количество повторов передачи на подключенное устройство за все время подключения;
  • Скорость передачи/приема, Кбит/с — актуальная скорость передачи трафика в настоящий момент времени.

Подменю «Беспроводной канал»

В подменю «Беспроводной канал» отображается информация подключения в режиме клиента (STA) к точке доступа.

  • — номер подключенного устройства в списке;
  • MAC-адрес — MAC-адрес подключенного устройства;
  • Интерфейс — интерфейс взаимодействия WOP-30LI с подключенным устройством;
  • RSSI — уровень принимаемого сигнала, дБм;
  • SNR — отношение сигнал/шум, дБ;
  • TxRate — канальная скорость передачи, Мбит/с;
  • RxRate — канальная скорость приема, Мбит/с;
  • Tx BW — полоса пропускания на передаче, МГц;
  • Rx BW — полоса пропускания на приеме, МГц;
  • Время работы — время соединения с Wi-Fi клиентом

Подменю «Беспроводной канал» станет доступно после включения режима клиента (STA) на точке доступа. После отключения режима клиента (STA) на устройстве «Беспроводной канал» будет скрыт.

Подменю «WDS»

В подменю «WDS» выводится информация о состоянии подключенных по WDS точек доступа WOP-30LI.

  •  — номер подключенного устройства в списке;
  • Имя хоста — сетевое имя устройства;
  • IP-адрес — IP-адрес подключенного устройства;
  • MAC-адрес — MAC-адрес подключенного устройства;
  • Интерфейс — интерфейс взаимодействия WOP-30LI с подключенным устройством; 
  • Link Capacity — параметр, который отображает эффективность использования точкой доступа модуляции на передачу. Рассчитывается исходя из количества пакетов, переданных на каждой модуляции до клиента, и понижающих коэффициентов. Максимальное значение — 100% (означает, что все пакеты передаются до клиента на максимальной модуляции для максимального типа nss, поддерживаемого клиентом). Минимальное значение — 2% (в случае, когда пакеты передаются на модуляции nss1mcs0 для клиента с поддержкой MIMO 3×3). Значение параметра рассчитывается за последние 10 секунд;
  • Link Quality — параметр, который отображает состояние линка до клиента, рассчитанный на основании количества ретрансмитов пакетов, отправленных клиенту. Максимальное значение — 100% (все переданные пакеты отправились с первой попытки), минимальное значение — 0% (ни один пакет до клиента не был успешно отправлен). Значение параметра рассчитывается за последние 10 секунд;
  • Link Quality Common — параметр, который отображает состояние линка до клиента, рассчитанный на основании количества ретрансмитов пакетов, отправленных клиенту. Максимальное значение — 100% (все переданные пакеты отправились с первой попытки), минимальное значение — 0% (ни один пакет до клиента не был успешно отправлен). Значение параметра рассчитывается за все время подключения клиента;
  • RSSI — уровень принимаемого сигнала, дБм;
  • SNR — отношение сигнал/шум, дБ;
  • TxRate — канальная скорость передачи, Мбит/с;
  • RxRate — канальная скорость приема, Мбит/с;
  • TX BW — полоса пропускания на передаче, МГц;
  • RX BW — полоса пропускания на приеме, МГц;
  • Время работы — время соединения. 

Для вывода более развернутой информации по определенному подключению выберите его в списке. Подробное описание включает в себя следующие параметры: 

  • Передано/принято всего, байт — количество переданных/принятых на подключенное устройство байт;
  • Передано/принято всего, пакетов — количество переданных/принятых на подключенное устройство пакетов;
  • Передано/принято  данных, байт — количество переданных/принятых на подключенное устройство байт данных;
  • Передано/принято данных, пакетов — количество переданных/принятых на подключенное устройство пакетов данных;
  • Передано с ошибками, пакетов — количество пакетов, переданных с ошибками на подключенное устройств;
  • Повторы передачи за последний период, пакетов — количество повторов передачи на подключенное устройство за последние 10 секунд;
  • Общее число повторов передачи, пакетов — количество повторов передачи на подключенное устройство за все время подключения;
  • Скорость передачи/приема, Кбит/с — актуальная скорость передачи трафика в настоящий момент времени.  

Подменю «Статистика по трафику»

В разделе «Статистика по трафику» отображаются графики скорости переданного/полученного трафика за последние 3 минуты, а также статистика о количестве переданного/полученного трафика с момента включения точки доступа.

График LAN Tx/Rx показывает скорость переданного/полученного трафика через Ethernet-интерфейс точки доступа за последние 3 минуты. График автоматически обновляется каждые 6 секунд.

Графики WLAN0 и WLAN1 Tx/Rx показывают скорость переданного/полученного трафика через интерфейсы Radio 2.4 ГГц и Radio 5 ГГц за последние 3 минуты. График автоматически обновляется каждые 6 секунд.


Описание таблицы «Передано»:

  • Интерфейс — имя интерфейса;
  • Всего пакетов — количество успешно отправленных пакетов;
  • Всего байт — количество успешно отправленных байт;
  • Отброшено пакетов — количество пакетов, отброшенных при отправке;
  • Ошибки — количество ошибок.

Описание таблицы «Принято»:

  • Интерфейс — имя интерфейса;
  • Всего пакетов — количество успешно принятых пакетов;
  • Всего байт — количество успешно принятых байт;
  • Отброшено пакетов — количество пакетов, отброшенных при получении;
  • Ошибки — количество ошибок. 

Подменю «Сканирование эфира»

В подменю «Сканирование эфира» осуществляется сканирование окружающего радиоэфира и обнаружение соседних точек доступа.


Для запуска процесса сканирования эфира нажмите на кнопку «Сканировать». После завершения процесса на странице появится список обнаруженных в радиоэфире точек доступа и информация о них:

  • Последнее сканирование было... — дата и время последнего сканирования;
  • Диапазон — указывается диапазон 2.4 ГГц или 5 ГГц, в котором была обнаружена точка доступа;
  • SSID — SSID обнаруженной точки доступа;
  • Режим безопасности — режим безопасности обнаруженной точки доступа;
  • MAC-адрес — MAC-адрес обнаруженной точки доступа;
  • Канал/Ширина — радиоканал, на котором работает обнаруженная точка доступа;
  • RSSI — уровень, с которым устройство принимает сигнал обнаруженной точки доступа, дБм.

Во время осуществления сканирования эфира радиоинтерфейс устройства будет отключен, что приведет к невозможности передачи данных до Wi-Fi клиентов во время сканирования.

Подменю «Журнал событий»

В данном разделе можно просмотреть список информационных сообщений в реальном времени, содержащий следующую информацию:


  • Дата и время — дата и время, когда событие было сгенерировано;
  • Тип — категория и уровень важности события;
  • Процесс — имя процесса, сгенерировавшего сообщение;
  • Сообщение — описание события.

Таблица 6 — Описание категорий важности событий

УровеньТип важности сообщенийОписание
0
Чрезвычайные (emergency)
В системе произошла критическая ошибка, система может работать неправильно
1
Сигналы тревоги (alert)
Необходимо немедленное вмешательство в систему
2
Критические (critical)
В системе произошла критическая ошибка
3
Ошибочные (error)
В системе произошла ошибка
4
Предупреждения (warning)
Предупреждение, неаварийное сообщение
5
Уведомления (notice)
Уведомление системы, неаварийное сообщение
6
Информационные (informational)
Информационные сообщения системы
7
Отладочные (debug)
Отладочные сообщения предоставляют пользователю информацию для корректной настройки системы

Для получения новых сообщений в журнале событий необходимо нажать на кнопку «Обновить».

При необходимости все старые сообщения из журнала можно удалить, нажав на кнопку «Очистить». 

Подменю «Сетевая информация»

В подменю «Сетевая информация» осуществляется просмотр основных сетевых настроек устройства.

Статус WAN:

  • Интерфейс — имя bridge-интерфейса;
  • Протокол — протокол, используемый для доступа к сети WAN;
  • IP-адрес — IP-адрес устройства во внешней сети;

Ethernet:

  • Состояние порта — состояние Ethernet-порта;
  • Скорость — скорость подключения по порту Ethernet;
  • Дуплекс — режим передачи данных:
    • Full — полный дуплекс;
    • Half — полудуплекс;
  • Принято — количество принятых на порту ETH1/ETH2 байт;
  • Передано — количество переданных с на порта ETH1/ETH2 байт.

SFP:

  • SFP-module Status — отображает наличие/отсутствие SFP-модуля;
  • Состояние порта — состояние работы оптического интерфейса;
  • Tx Fault — индикация неисправности передатчика;
  • LOS — потеря сигнала;
  • Скорость — скорость передачи данных;
  • Принято — количество принятых на порту SFP1/SFP2 байт;
  • Передано — количество переданных на порт SFP1/SFP2 байт;
  • Температура — текущая температура SFP-модуля;
  • Напряжение — напряжение питания SFP-модуля;
  • Ток — ток смещения лазера SFP-модуля;
  • Мощность излучения — мощность на выходе передатчика;
  • Мощность на приеме — мощность на входе приемника. 

ARP:
В ARP-таблице содержится информация о соответствии IP- и MAC-адресов соседних сетевых устройств:

  • IP-адрес — IP-адрес устройства;
  • MAC-адрес — МАС-адрес устройства.

Маршруты:

  • Интерфейс — имя bridge-интерфейса;
  • Назначение — IP-адрес хоста или подсети назначения, до которых установлен маршрут;
  • Шлюз — IP-адрес шлюза, через который осуществляется выход на адресата;
  • Маска — маска подсети;
  • Флаги — определенные характеристики данного маршрута.

Существуют следующие значения флагов:

  • U — указывает, что маршрут создан и является проходимым;
  • H — указывает на маршрут к определенному узлу;
  • G — указывает, что маршрут пролегает через внешний шлюз. Сетевой интерфейс системы предоставляет маршруты в сети с прямым подключением. Все прочие маршруты проходят через внешние шлюзы. Флагом G отмечаются все маршруты, кроме маршрутов в сети с прямым подключением;
  • R — указывает, что маршрут, скорее всего, был создан динамическим протоколом маршрутизации, работающим на локальной системе, посредством параметра reinstate;
  • D — указывает, что маршрут был добавлен в результате получения сообщения перенаправления ICMP (ICMP Redirect Message). Когда система узнает о маршруте из сообщения ICMP Redirect, маршрут включается в таблицу маршрутизации, чтобы исключить перенаправление для последующих пакетов, предназначенных тому же адресату;
  • М — указывает, что маршрут подвергся изменению, вероятно, в результате работы динамического протокола маршрутизации на локальной системе и применения параметра mod;
  • А — указывает на буферизованный маршрут, которому соответствует запись в таблице ARP;
  • С — указывает, что источником маршрута является буфер маршрутизации ядра;
  • L — указывает, что пунктом назначения маршрута является один из адресов данного компьютера. Такие «локальные маршруты» существуют только в буфере маршрутизации;
  • В — указывает, что конечным пунктом маршрута является широковещательный адрес. Такие «широковещательные маршруты» существуют только в буфере маршрутизации;
  • I — указывает, что маршрут связан с кольцевым (loopback) интерфейсом с целью иной, нежели обращение к кольцевой сети. Такие «внутренние маршруты» существуют только в буфере маршрутизации;
  • ! — указывает, что дейтаграммы, направляемые по этому адресу, будут отвергаться системой.

Подменю «Информация о радиоинтерфейсах»

В подменю «Информация о радиоинтерфейсах» отображено текущее состояние радиоинтерфейсов WOP-30LI.

Радиоинтерфейсы точки доступа могут находиться в двух состояниях: «Включено» и «Выключено». Статус каждого из радиоинтерфейсов отражается в одноименном параметре «Статус».

Статус Radio зависит от того, есть ли на данном радиоинтерфейсе включенные виртуальные точки доступа (VAP). В случае, если на радиоинтерфейсе имеется хотя бы одна активная VAP, Radio будет находиться в статусе «Включено», иначе — «Выключено».

В зависимости от статуса Radio для мониторинга доступна следующая информация:

«Выключено»:

  • Статус — состояние радиоинтерфейса;
  • MAC-адрес — MAC-адрес радиоинтерфейса;
  • Режим — режим работы радиоинтерфейса согласно стандартам IEEE 802.11.

«Включено»:

  • Статус — состояние радиоинтерфейса;
  • MAC-адрес — MAC-адрес радиоинтерфейса;
  • Режим — режим работы радиоинтерфейса согласно стандартам IEEE 802.11;
  • Канал — номер беспроводного канала, на котором работает радиоинтерфейс;
  • Ширина канала, МГц — ширина полосы частот канала, на котором работает радиоинтерфейс.

Подменю «Информация об устройстве»

В подменю «Информация об устройстве» отображены основные характеристики WOP-30LI.

  • Изделие — наименование модели устройства;
  • Аппаратная версия — версия аппаратного обеспечения устройства;
  • Заводской МАС-адрес — МАС-адрес WAN-интерфейса устройства, установленный заводом-изготовителем;
  • Серийный номер — серийный номер устройства, установленный заводом-изготовителем;
  • Версия ПО — версия программного обеспечения устройства;
  • Резервная версия ПО — предыдущая установленная версия ПО;
  • Версия загрузчика — версия программного обеспечения загрузчика устройства;
  • Системное время — текущие время и дата, установленные в системе;
  • Время работы — время работы с момента последнего включения или перезагрузки устройства;
  • Загрузка ЦПУ — средний процент загрузки процессора за последние 5 секунд;
  • Используемая память — процент использования оперативной памяти устройства.

Меню «Radio»

В меню «Radio» производится настройка радиоинтерфейсов устройства.

Подменю «Radio 2.4 ГГц»

В подменю «Radio 2.4 ГГц» осуществляются настройки основных параметров радиоинтерфейса устройства, работающего в диапазоне 2.4 ГГц.


  • Режим — режим работы интерфейса согласно следующим стандартам:
    • IEEE 802.11ax;
    • IEEE 802.11n/ax;
    • IEEE 802.11b/g;
    • IEEE 802.11b/g/n;
    • IEEE 802.11b/g/n/ax.
  • Автоматический выбор канала — при установленном флаге точка будет автоматически выбирать наименее загруженный радиоканал для работы Wi-Fi-интерфейса. При снятом флаге открывается доступ для установки статического рабочего канала;
  • Канал — выбор канала передачи данных;
  • Ограничить список каналов — при установленном флаге точка доступа будет использовать ограниченный пользователем список каналов для работы в автоматическом режиме выбора канала. Если флаг напротив «Ограничить список каналов» не установлен или в списке отсутствуют каналы, то точка доступа будет выбирать рабочий канал из всех доступных каналов данного диапазона частот. Каналы диапазона 2.4 ГГц: 1–13;
  • Ограничить список каналов клиента — данный флаг аналогичен «Ограничить список каналов», однако работает только в режиме клиента (STA). По умолчанию флаг не установлен;
  • Ширина канала, МГц — ширина полосы частот канала, на котором работает точка доступа, принимает значения 20 и 40 МГц;
  • Основной канал — параметр может быть изменен только при пропускной способности статически заданного канала, равной 40 МГц. Канал 40 МГц можно считать состоящим из двух каналов по 20 МГц, которые граничат в частотной области. Эти два канала 20 МГц называют первичным и вторичным каналами. Первичный канал используется клиентами, которые поддерживают только полосу пропускания канала 20 МГц:
    • Upper первичным каналом будет верхний канал 20 МГц в полосе 40 МГц;
    • Lower первичным каналом будет нижний канал 20 МГц в полосе 40 МГц.
  • Мощность сигнала, дБм — регулировка мощности сигнала передатчика Wi-Fi в дБм. Принимает значение от 0 до 16 дБм.

В случае, если в списке «Ограничить список каналов» указан недоступный для выбора канал, то он будет отмечен серым цветом. Для того чтобы новая конфигурация была применена на точке доступа, в списке «Ограничить список каналов» должны быть указаны только доступные (выделенные синим цветом) каналы.

Пример. На точке доступа еще не производилось никаких настроек, по умолчанию на Radio 2.4 ГГц установлена «Ширина канала» 20 МГц, а в списке «Ограничить список каналов» указаны каналы: 1, 6, 11.
Допустим, необходимо установить параметр «Ширина канала», равный 40 МГц. При изменении данного параметра с 20 МГц на 40 МГц происходит следующее:

  • для редактирования открывается параметр «Основной канал», принимающий значение по умолчанию «Lower»,
  • канал 11 в списке «Ограничить список каналов» меняет свой цвет с синего на серый.

Если изменить параметр «Ширина канала» на 40 МГц и не удалить серые каналы из списка, то при нажатии на кнопку «Применить» в браузере появится ошибка «Введенные данные содержат ошибки. Изменения не были применены». Соответственно, конфигурация точки доступа изменена не будет. Это происходит по причине того, что каналы, выделенные серым цветом в списке «Ограничить список каналов», не подходят под определение «Основной канал» = Lower.

В разделе «Дополнительно» осуществляется настройка дополнительных параметров радиоинтерфейса устройства.

  • OBSS Coexistence режим автоматического уменьшения ширины канала при загруженном радиоэфире. При установленном флаге режим включен;
  • Канальная скорость передачи — фиксированная скорость беспроводной передачи данных, определяемая спецификациями стандартов IEEE 802.11;
  • Короткий защитный интервал — поддержка укороченного защитного интервала. Точка доступа передает данные, используя защитный интервал в 400 нс (вместо 800 нс) при общении с клиентами, которые также поддерживают короткий защитный интервал;
  • STBC — метод пространственно-временного блочного кодирования, направленный на повышение надежности передачи данных. Поле доступно, только если выбранный режим работы радиоинтерфейса включает в себя 802.11n. При установленном флаге устройство передает один поток данных через несколько антенн. Если флаг не установлен, устройство не передает один и тот же поток данных через несколько антенн;
  • Период отправки служебных сообщений, мс — период посылки Beacon-фреймов. Фреймы передаются для обнаружения точки доступа в эфире. Параметр принимает значения 20–2000 мс, по умолчанию — 100 мс;
  • Порог фрагментации — порог фрагментации фрейма в байтах. Принимает значения 256–2346, по умолчанию — 2346;
  • Порог RTS — указывает число байт, через которое посылается запрос на передачу (Request to Send). Уменьшение данного значения может улучшить работу точки доступа при большом количестве подключенных клиентов, однако это уменьшает общую пропускную способность беспроводной сети. Принимает значения 0–2347, по умолчанию — 2347;
  • Агрегация — включение поддержки AMPDU/AMSDU;
  • Короткая преамбула — использование короткой преамбулы пакета;
  • Шейпер Broadcast/Multicast, пак/с — при установленном флаге выполняется ограничение передачи широковещательного/мультикастового трафика по беспроводной сети. Лимит для широковещательного трафика можно указать в появившемся окне (пак/с);
  • Legacy Rate Sets — поддерживаемые и транслируемые точкой доступа наборы канальных скоростей;
  • Wi-Fi Multimedia (WMM) — включение поддержки WMM (Wi-Fi Multimedia);
  • Репликация ARP — механизм конвертирования ARP-запросов из Broadcast в Unicast; 
  • Режим работы DHCP Snooping — выбор политики обработки DHCP опции 82. Доступные значения для выбора:
    • ignore — обработка опции 82 отключена. Значение по умолчанию;
    • remove — точка доступа удаляет значение опции 82;
    • replace — точка доступа подставляет или заменяет значение опции 82. При выборе данного значения для редактирования открываются следующие параметры:
      • Опция 82 формат CID — замена значения параметра CID, может принимать значения:
        • APMAC-SSID — замена значения параметра CID на <MAC-адрес точки доступа>-<имя SSID>. Значение по умолчанию; 
        • SSID — замена значения параметра на имя SSID, к которому подключен клиент;
        • custom — замена значения параметра CID на значение, указанное в параметре «Опция 82 уникальный CID»;
          • Опция 82 уникальный CID — произвольная строка до 52 символов, которая будет передаваться в CID. Если значение параметра не задано, точка будет изменять CID на значение по умолчанию – APMAC-SSID.
      • Опция 82 формат RID — замена значения параметра RID, может принимать следующие значения:
        • ClientMAC — изменять содержимое RID на MAC-адрес клиентского устройства. Значение по умолчанию; 
        • APMAC — изменять содержимое RID на MAC-адрес точки доступа;
        • APdomain — изменять содержимое RID на домен, в котором находится точка доступа;
        • custom — изменять содержимое RID на значение, указанное в параметре «Опция 82 уникальный RID»;
          • Опция 82 уникальный RID – произвольная строка до 63 символов, которая будет передаваться в RID. Если значение параметра не задано, точка будет изменять RID на значение по умолчанию – ClientMAC.
      • Формат MAC-адреса — выбор разделителей октетов MAC-адреса, который передается в CID и RID:
        • AA:BB:CC:DD:EE:FF — в качестве разделителя выступает знак двоеточия. Значение по умолчанию;
        • AA-BB-CC-DD-EE-FF — в качестве разделителя выступает знак тире.
  • Включить QoS — при установленном флаге доступна настройка функций обеспечения качества обслуживания (Quality of Service). 

Для настройки обеспечения качества обслуживания доступны следующие функции:

  • AP EDCA parameters — таблица настроек параметров точки доступа (трафик передается от точки доступа к клиенту):
    • Очередь — предопределенные очереди для различного рода трафика:
      • Data 3 (Фон) — низкоприоритетная очередь, высокая пропускная способность (приоритеты 802.1p: cs1, cs2);
      • Data 2 (Best Effort) — среднеприоритетная очередь, средняя пропускная способность и задержка. В данную очередь отправляется большинство традиционных IP-данных (приоритеты 802.1p: cs0, cs3);
      • Data 1 (Видео) — высокоприоритетная очередь, минимальные задержки. В данной очереди автоматически обрабатываются видеоданные, чувствительные к времени (приоритеты 802.1p: cs4, cs5);
      • Data 0 (Голос) — высокоприоритетная очередь, минимальные задержки. В данной очереди автоматически обрабатываются данные, чувствительные к времени, такие как VoIP, потоковое видео (приоритеты 802.1p: cs6, cs7).
    • AIFS — Arbitration Inter-Frame Spacing, определяет время ожидания кадров (фреймов) данных, измеряется в слотах, принимает значения 1–255;
    • cwMin — начальное значение времени ожидания перед повторной отправкой кадра, задается в миллисекундах, принимает значения 1, 3, 7, 15, 31, 63, 127, 255, 511, 1023. Значение cwMin не может превышать значение cwMax;
    • cwMax — максимальное значение времени ожидания перед повторной отправкой кадра, задается в миллисекундах, принимает значения 1, 3, 7, 15, 31, 63, 127, 255, 511, 1023. Значение cwMax должно быть больше значения cwMin;
    • TXOP Limit — параметр используется только для данных, передаваемых от клиента до точки доступа. Возможность передачи — интервал времени, в миллисекундах, когда клиентская WME-станция имеет права инициировать передачу данных по беспроводной среде к точке доступа, максимальное значение 65535 миллисекунд;
  • Station EDCA parameters — таблица настроек параметров клиента (трафик передается от клиента до точки доступа). Описание полей таблицы приведено выше.

Для вступления в силу новой конфигурации и занесения настроек в энергонезависимую память нажмите кнопку «Применить». Для отмены изменений нажмите кнопку «Отмена». 

Подменю «Radio 5 ГГц»

В подменю «Radio 5 ГГц » осуществляются настройки основных параметров радиоинтерфейса устройства, работающего в диапазоне 5 ГГц.

  • Режим — режим работы интерфейса согласно стандартам:
    • IEEE 802.11aх;
    • IEEE 802.11a/n/ac;
    • IEEE 802.11a/n/ac/ax.
  • Автоматический выбор канала — при установленном флаге точка будет автоматически выбирать наименее загруженный радиоканал для работы Wi-Fi интерфейса. При снятом флаге открывается доступ для установки статического рабочего канала;
  • Канал — выбор канала передачи данных;
  • Ограничить список каналов — при установленном флаге точка доступа будет использовать ограниченный пользователем список каналов для работы в автоматическом режиме выбора канала. Если флаг напротив «Ограничить список каналов» не установлен или в списке отсутствуют каналы, то точка доступа будет выбирать рабочий канал из всех доступных каналов данного диапазона частот. Каналы диапазона 5 ГГц: 36-64, 132-144, 149-165;
  • Ограничить список каналов клиента — данный флаг аналогичен «Ограничить список каналов», однако работает только в режиме клиента (STA). По умолчанию флаг не установлен;
  • Ширина канала, МГц — ширина полосы частот канала, на котором работает точка доступа, принимает значения 20, 40 и 80 МГц;
  • Основной канал — параметр может быть изменен только при пропускной способности статически заданного канала, равной 40 МГц. Канал 40 МГц можно считать состоящим из двух каналов по 20 МГц, которые граничат в частотной области. Эти два канала 20 МГц называют первичным и вторичным каналами. Первичный канал используется клиентами, которые поддерживают только полосу пропускания канала 20 МГц:
    • Upper первичным каналом будет верхний канал 20 МГц в полосе 40 МГц;
    • Lower первичным каналом будет нижний канал 20 МГц в полосе 40 МГц.
  • Мощность сигнала, дБм — регулировка мощности сигнала передатчика Wi-Fi в дБм. Принимает значение от 0 до 19 дБм.  

В случае, если в списке «Ограничить список каналов» указан недоступный для выбора канал, то он будет отмечен серым цветом. Для того чтобы новая конфигурация была применена на точке доступа, в списке «Ограничить список каналов» должны быть указаны только доступные (выделенные синим цветом) каналы.

Пример. На точке доступа еще не производилось никаких настроек, по умолчанию на Radio 5 ГГц установлена «Ширина канала» 20 МГц, а в списке «Ограничить список каналов» указаны каналы: 36, 40, 44, 48.
Допустим, необходимо установить параметр «Ширина канала», равный 40 МГц. При изменении данного параметра с 20 МГц на 40 МГц происходит следующее:

  • для редактирования открывается параметр «Основной канал», принимающий значение по умолчанию «Upper»,
  • каналы 36 и 44 в списке «Ограничить список каналов» меняют свой цвет с синего на серый.

Если изменить параметр «Ширина канала» на 40 МГц и не удалить серые каналы из списка, то при нажатии на кнопку «Применить» в браузере появится ошибка «Введенные данные содержат ошибки. Изменения не были применены». Соответственно, конфигурация точки доступа изменена не будет. Это происходит по причине того, что каналы, выделенные серым цветом в списке «Ограничить список каналов», не подходят под определение «Основной канал» = Upper.

В разделе «Дополнительно» осуществляется настройка дополнительных параметров радиоинтерфейса устройства.

  • OBSS Coexistence режим автоматического уменьшения ширины канала при загруженном радиоэфире. При установленном флаге режим включен;
  • Канальная скорость передачи — фиксированная скорость беспроводной передачи данных, определяемая спецификациями стандартов IEEE 802.11;
  • Поддержка DFS — механизм динамического выбора частоты. Требует от беспроводных устройств сканировать радиоэфир и избегать использования каналов, совпадающих с каналами, на которых работают радиолокационные системы в 5 ГГц диапазоне:
    • Выключено — механизм выключен. DFS-каналы не доступны для выбора;
    • Включено — механизм включен;
    • Принудительно — механизм выключен. DFS-каналы доступны для выбора; 
  • Короткий защитный интервал — поддержка укороченного защитного интервала. Точка доступа передает данные, используя защитный интервал в 400 нс (вместо 800 нс) при общении с клиентами, которые также поддерживают короткий защитный интервал;
  • STBC — метод пространственно-временного блочного кодирования, направленный на повышение надежности передачи данных. Поле доступно, только если выбранный режим работы радиоинтерфейса включает в себя 802.11n. При установленном флаге устройство передает один поток данных через несколько антенн. Если флаг не установлен, устройство не передает один и тот же поток данных через несколько антенн;
  • Период отправки служебных сообщений — период посылки Beacon-фреймов. Фреймы передаются для обнаружения точки доступа в эфире, принимает значения 20–2000 мс, по умолчанию — 100 мс;
  • Порог фрагментации — порог фрагментации фрейма в байтах. Принимает значения 256–2346, по умолчанию — 2346;
  • Порог RTS — указывает число байт, через которое посылается запрос на передачу (Request to Send). Уменьшение данного значения может улучшить работу точки доступа при большом количестве подключенных клиентов, однако это уменьшает общую пропускную способность беспроводной сети. Принимает значения 0–2347, по умолчанию — 2347;
  • Агрегация — включение поддержки AMPDU/AMSDU;
  • Короткая преамбула — использование короткой преамбулы пакета;
  • Шейпер Broadcast/Multicast, пак/с — при установленном флаге выполняется ограничение передачи широковещательного/мультикастового трафика по беспроводной сети. Укажите лимит для широковещательного трафика в появившемся окне (пак/с);
  • Legacy Rate Sets — поддерживаемые и транслируемые точкой доступа наборы канальных скоростей;
  • Wi-Fi Multimedia (WMM) — включение поддержки WMM (Wi-Fi Multimedia);
  • Репликация ARP — механизм конвертирования ARP-запросов из Broadcast в Unicast; 
  • Режим работы DHCP Snooping — выбор политики обработки DHCP опции 82. Доступные значения для выбора:
    • ignore  обработка опции 82 отключена. Значение по умолчанию;
    • remove  точка доступа удаляет значение опции 82;
    • replace  точка доступа подставляет или заменяет значение опции 82. При выборе данного значения для редактирования открываются следующие параметры:
      • Опция 82 формат CID  замена значения параметра CID, может принимать значения:
        • APMAC-SSID  замена значения параметра CID на <MAC-адрес точки доступа>-<имя SSID>. Значение по умолчанию; 
        • SSID  замена значения параметра на имя SSID, к которому подключен клиент;
        • custom – замена значения параметра CID на значение, указанное в параметре «Опция 82 уникальный CID»;
          • Опция 82 уникальный CID  произвольная строка до 52 символов, которая будет передаваться в CID. Если значение параметра не задано, точка будет изменять CID на значение по умолчанию – APMAC-SSID.
      • Опция 82 формат RID — замена значения параметра RID, может принимать следующие значения:
        • ClientMAC  изменять содержимое RID на MAC-адрес клиентского устройства. Значение по умолчанию; 
        • APMAC — изменять содержимое RID на MAC-адрес точки доступа;
        • APdomain  изменять содержимое RID на домен, в котором находится точка доступа;
        • custom  изменять содержимое RID на значение, указанное в параметре «Опция 82 уникальный RID»;
          • Опция 82 уникальный RID  произвольная строка до 63 символов, которая будет передаваться в RID. Если значение параметра не задано, точка будет изменять RID на значение по умолчанию – ClientMAC. 
      • Формат MAC-адреса — выбор разделителей октетов MAC-адреса, который передается в CID и RID:
        • AA:BB:CC:DD:EE:FF  в качестве разделителя выступает знак двоеточия. Значение по умолчанию;
        • AA-BB-CC-DD-EE-FF  в качестве разделителя выступает знак тире.
  • Включить QoS — при установленном флаге доступна настройка функций обеспечения качества обслуживания (Quality of Service).

Для настройки обеспечения качества обслуживания доступны следующие функции:

  • AP EDCA parameters — таблица настроек параметров точки доступа (трафик передается от точки доступа к клиенту):
    • Очередь — предопределенные очереди для различного рода трафика:
      • Data 3 (Фон) — низкоприоритетная очередь, высокая пропускная способность (приоритеты 802.1p: cs1, cs2);
      • Data 2 (Best Effort) — среднеприоритетная очередь, средняя пропускная способность и задержка. В данную очередь отправляется большинство традиционных IP-данных (приоритеты 802.1p: cs0, cs3);
      • Data 1 (Видео) — высокоприоритетная очередь, минимальные задержки. В данной очереди автоматически обрабатываются видеоданные, чувствительные к времени (приоритеты 802.1p: cs4, cs5);
      • Data 0 (Голос) — высокоприоритетная очередь, минимальные задержки. В данной очереди автоматически обрабатываются данные, чувствительные к времени, такие как VoIP, потоковое видео (приоритеты 802.1p: cs6, cs7).
    • AIFS — Arbitration Inter-Frame Spacing, определяет время ожидания кадров (фреймов) данных, измеряется в слотах, принимает значения 1–255;
    • cwMin — начальное значение времени ожидания перед повторной отправкой кадра, задается в миллисекундах, принимает значения 1, 3, 7, 15, 31, 63, 127, 255, 511, 1023. Значение cwMin не может превышать значение cwMax;
    • cwMax — максимальное значение времени ожидания перед повторной отправкой кадра, задается в миллисекундах, принимает значения 1, 3, 7, 15, 31, 63, 127, 255, 511, 1023. Значение cwMax должно быть больше значения cwMin;
    • TXOP Limit — параметр используется только для данных, передаваемых от клиента до точки доступа. Возможность передачи — интервал времени, в миллисекундах, когда клиентская WME-станция имеет права инициировать передачу данных по беспроводной среде к точке доступа, максимальное значение 65535 миллисекунд;
  • Station EDCA parameters — таблица настроек параметров клиента (трафик передается от клиента до точки доступа). Описание полей таблицы приведено выше.

Для вступления в силу новой конфигурации и занесения настроек в энергонезависимую память нажмите кнопку «Применить». Для отмены изменений нажмите кнопку «Отмена».

Подменю «Дополнительно»

В подменю «Дополнительно» осуществляется настройка дополнительных параметров радиоинтерфейсов устройства.

  • Страна — название страны, в которой работает точка доступа. Для выбора страны нужно выставить флаг «Разблокировать». В зависимости от указанного значения будут применены ограничения к полосе частот и мощности передатчика, которые действуют в данной стране. От установленной страны зависит список доступных частотных каналов, что влияет на автоматический выбор канала в режиме Channel = Auto. Если клиентское оборудование лицензировано для использования в другом регионе, возможно, установить связь с точкой доступа в таком случае не удастся.

    Настройка локальных (региональных) ограничений, включая работу на разрешенных частотных каналах и выходной мощности, является ответственностью инсталляторов.

    Выбор неправильного региона может привести к проблемам совместимости с разными клиентскими устройствами.

  • Глобальная изоляция — при установленном флаге включается изоляция трафика между клиентами разных VAP и разных радиоинтерфейсов.

Для вступления в силу новой конфигурации и занесения настроек в энергонезависимую память нажмите кнопку «Применить». Для отмены изменений нажмите кнопку «Отмена». 

Меню «VAP»

В меню «VAP» выполняется настройка виртуальных точек доступа Wi-Fi (VAP).

После включения режима клиента (STA) будет недоступна настройка VAP в том radio, в котором был настроен режим клиента (STA). 

Подменю «Суммарно»

В подменю «Суммарно» отображаются настройки всех VAP на радиоинтерфейсах Radio 2.4 ГГц и Radio 5 ГГц. Можно посмотреть настройки каждой виртуальной точки в разделах VAP0–VAP6.

  • VAP0–VAP6 — порядковый номер виртуальной точки доступа;
  • Включено — при установленном флаге виртуальная точка доступа включена, иначе — выключена;
  • Режим безопасности — тип шифрования данных, используемый на виртуальной точке доступа;
  • VLAN ID — номер VLAN, с которого будет сниматься метка при передаче трафика Wi-Fi клиентам, подключенным к данной VAP. При прохождении трафика в обратную сторону на нетегированный трафик от клиентов будет навешиваться метка VLAN ID (при отключенном режиме VLAN Trunk);
  • SSID — имя виртуальной беспроводной сети;
  • Транслировать SSID — при установленном флаге включено вещание в эфир SSID, иначе — выключено;
  • Режим Band Steer — при установленном флаге активно приоритетное подключение клиента к 5 ГГц сети. Для работы функции нужно создать VAP с одинаковым SSID на каждом радиоинтерфейсе и активировать на них параметр «Режим Band Steer»;
  • Изоляция абонентов — при установленном флаге включена изоляция трафика между клиентами в пределах одной VAP.

После включения режима клиента (STA) настройка VLAN ID будет недоступна.

Для вступления в силу новой конфигурации и занесения настроек в энергонезависимую память нажмите кнопку «Применить». Для отмены изменений нажмите кнопку «Отмена».

Подменю «VAP»

Общие настройки:

  • Включено — при установленном флаге виртуальная точка доступа включена, иначе — выключена;
  • VLAN ID — номер VLAN, с которого будет сниматься метка при передаче трафика Wi-Fi клиентам, подключенным к данной VAP. При прохождении трафика в обратную сторону на нетегированный трафик от клиентов будет навешиваться метка VLAN ID (при отключенном режиме VLAN Trunk);
  • SSID — имя виртуальной беспроводной сети;
  • Транслировать SSID — при установленном флаге включено вещание в эфир SSID, иначе — выключено;
  • Режим Band Steer — при установленном флаге активно приоритетное подключение клиента к 5 ГГц сети. Для работы функции нужно создать VAP с одинаковым SSID на каждом радиоинтерфейсе и активировать на них параметр «Режим Band Steer»;
  • Изоляция абонентов — при установленном флаге включена изоляция трафика между клиентами в пределах одной VAP;
  • Поддержка 802.11k/v — включить поддержку стандартов 802.11k/v на виртуальной точке доступа;
  • Репликация Multicast — при установленном флаге Multicast-трафик в сторону клиентов будет преобразовываться в Unicast до каждого клиента, при отключенном — проходить без модификаций;
  • Приоритет — выбор способа приоритизации. Определяет поле, на основании которого трафик, передающийся в радиоинтерфейс, будет распределяться по очередям WMM:
    • DSCP — будет анализироваться приоритет из поля DSCP заголовка IP-пакета;

    • 802.1p — будет анализироваться приоритет из поля CoS (Class of Service) тегированных пакетов.
  • Режим Minimal Signal — при установленном флаге функция отключения клиентского Wi-Fi оборудования при низком уровне сигнала (Minimal Signal) включена. Для работы функционала необходимо настроить следующие параметры:
    • Минимальный уровень сигнала — уровень сигнала в дБм, ниже которого происходит отключение клиентского оборудования от виртуальной сети;
    • Порог уровня сигнала при роуминге — уровень чувствительности роуминга в дБм, ниже которого происходит переключение клиентского оборудования на другую точку доступа. Параметр должен быть выше, чем «Минимальный уровень сигнала»: если «Минимальный уровень сигнала» равен -75 дБм, то «Порог уровня сигнала при роуминге» должен быть равен, например, -70 дБм;
    • Интервал Minimal Signal — период времени, по истечении которого принимается решение об отключении клиентского оборудования от виртуальной сети.
  • Максимальное количество клиентов — максимально допустимое число подключаемых к виртуальной сети клиентов;
  • Режим безопасности — режим безопасности доступа к беспроводной сети:
    • Выключено — не использовать шифрование для передачи данных. Точка доступна для подключения любого клиента. Для сетей открытого типа можно дополнительно настроить «Режим OWE Transition1». В этом поле необходимо указать интерфейс с типом шифрования OWE, с которым будет установлена связь;
    • OWE (Opportunistic Wireless Encryption) — метод шифрования, обеспечивающий безопасность данных, передаваемых по незащищенной сети. При этом от пользователей не требуется каких-то дополнительных действий и ввода пароля для подключения к сети. 
      При выборе данного режима отображается нередактируемое поле «Режим OWE Transition1», указывающее интерфейс с открытым типом шифрования, с которым настроена связность в текущий момент; 

 1«Режим OWE transition» обеспечивает обратную совместимость с WiFi-клиентами, неподдерживающими аутентификацию OWE. При попытке подключения к открытой сети, где настроен "Режим OWE transition", клиент, поддерживающий OWE, подключится к шифрованной сети, настроенной на указанном интерфейсе, а клиент, неподдерживающий OWE, подключится к текущей открытой сети без шифрования.

    • WPA, WPA2, WPA/WPA2, WPA2/WPA3, WPA3  способы шифрования, при выборе одного из способов будет доступна следующая настройка:
      • Ключ WPA — ключ/пароль, необходимый для подключения к виртуальной точке доступа. Длина ключа составляет от 8 до 63 символов.
    • WPA-Enterprise, WPA2-Enterprise, WPA/WPA2-Enterprise, WPA2/WPA3-Enterprise, WPA3-Enterprise — режим шифрования канала беспроводной связи, при котором клиент авторизуется на централизованном RADIUS-сервере. Для настройки данного режима безопасности требуется указать параметры RADIUS-сервера. Также требуется указать ключ для RADIUS-сервера.
      При выборе одного из способов будет доступна следующая настройка (см. скрин ниже).

  • MFP — защита management-кадров (доступно при режиме безопасности WPA2, WPA3, WPA2/WPA3, WPA2-Enterprise, WPA2/WPA3-Enterprise и WPA3-Enterprise, при выборе других режимов безопасности MFP переводится в состояние Отключено, при выборе режима безопасности WPA3, WPA3-Enterprise, MFP переводится в состояние Включено): 
    • Отключено — защита management-кадров отключена;
    • Опционально защита работает, если клиент поддерживает MFP. Клиенты без поддержки MFP могут подключиться к данной VAP;
    • Включено защита включена, клиенты, не поддерживающие MFP, подключиться не могут.
  • PMKSA кэширование — флаг управляет включением кэширования информации о подключении Enterprise-клиента. При включении данной функции точка доступа запоминает клиентское устройство после авторизации на 12 часов и не требует повторной аутентификации на RADIUS-сервере при подключении в течение этого времени. Включение данной функции сокращает время роуминга при возвращении клиента на точку в режиме WPA Enterprise. Настройка доступна только при режимах безопасности Enterprise;
  • 802.11r — функционал быстрого роуминга, работает только с клиентами, которые поддерживают стандарт IEEE 802.11r. Роуминг 802.11r возможен только между VAP с режимом безопасности WPA2 и выше:
    • Поддержка 802.11r — включить поддержку стандартa 802.11r на виртуальной точке доступа;
      • Вручную — при установленном флаге появляется возможность ручной настройки параметров роуминга;
      • FT-over-DS — включение режима «Over the DS»;
      • Ключ мобильного доступа R0 — уникальный ключ для данной VAP, например, серийный номер;
      • Ключ мобильного доступа R1 — MAC-адрес VAP (можно посмотреть в выводе команды ifconfig);
      • Идентификатор мобильного домена — номер группы, в рамках которой может быть совершен роуминг. Принимает значения от 0 до 65535;
      • Встречный MAC-адрес:
        • MAC-адрес — MAC-адрес VAP-интерфейса встречной точки доступа. Максимальное количество — 256;
        • Удаленный ключ мобильного доступа R0 — уникальный ключ, должен совпадать с «Ключ мобильного доступа R0» на VAP встречной точке доступа;
        • Удаленный ключ мобильного доступа R1 — MAC-адрес VAP на встречной точке доступа;
        • RRB ключ R0 — случайный ключ. Не должен совпадать с «RRB ключ R1», но обязательно должен совпадать с «RRB ключ R1» встречной точки доступа. Длина ключа — 16 символов;
        • RRB ключ R1 — случайный ключ. Не должен совпадать с «RRB ключ R0», но обязательно должен совпадать с «RRB ключ R0» встречной точки доступа. Длина ключа — 16 символов. 

После включения режима клиента (STA) настройка VLAN ID будет недоступна.

 

RADIUS:

  • Домен — домен пользователя;
  • IP-адрес RADIUS-сервера — адрес RADIUS-сервера;
  • Порт RADIUS-сервера — порт RADIUS-сервера, который используется для аутентификации и авторизации;
  • Пароль RADIUS-сервера — пароль для RADIUS-сервера, используемого для аутентификации и авторизации;
  • Использовать аккаунтинг через RADIUS — при установленном флаге будут отправляться сообщения «Accounting» на RADIUS-сервер;
  • Использовать другие настройки для аккаунтинга:
    • IP-адрес RADIUS-сервера для аккаунтинга адрес RADIUS-сервера, используемого для аккаунтинга;
    • Пароль RADIUS-сервера для аккаунтинга пароль для RADIUS-сервера, используемого для аккаунтинга;
  • Порт RADIUS-сервера для аккаунтинга — порт, который будет использован для сбора аккаунтинга на RADIUS-сервере;
  • Периодическая отправка аккаунтинга — включить периодическую отправку сообщений «Accounting» на RADIUS-сервер. Задать интервал отправки сообщений можно в поле «Интервал отправки аккаунтинга». 

Портальная авторизация:

При режимах безопасности: Выключено, WPA, WPA2, WPA/WPA2, WPA3, WPA2/WPA3 на VAP доступна настройка портальной авторизации.

  • Включить — при установленном флаге авторизация пользователей в сети будет производиться посредством виртуального портала;
  • Название виртуального портала — имя виртуального портала, на который будет перенаправлен пользователь при подключении к сети;
  • Адрес для перенаправления — адрес внешнего виртуального портала, на который будет перенаправлен пользователь при подключении к сети.

Ограничения скорости:

  • Включить — активировать поле настроек;
  • VAP Limit Down — ограничение пропускной способности в направлении от точки доступа до клиентов (в сумме), подключенных к данной VAP, Кбит/с;
  • VAP Limit Up — ограничение пропускной способности в направлении от клиентов (в сумме), подключенных к данной VAP, до точки доступа, Кбит/с;
  • STA Limit Down — ограничение пропускной способности в направлении от точки доступа до клиентов (каждого в отдельности), подключенных к данной VAP, Кбит/с;
  • STA Limit Up — ограничение пропускной способности в направлении от клиентов (каждого в отдельности), подключенных к данной VAP, до точки доступа, Кбит/с.

Для вступления в силу новой конфигурации и занесения настроек в энергонезависимую память нажмите кнопку «Применить». Для отмены изменений нажмите кнопку «Отмена».  

Контроль доступа по MAC:

В данном подразделе выполняется настройка списков MAC-адресов клиентов, которым, в зависимости от выбранной политики доступа, разрешено или запрещено подключаться к данной VAP.

  • Включено — при установленном флаге будет работать выбранная политика доступа;
  • Политика — политика доступа. Возможные значения:
    • Запретить — к данной VAP будет запрещено подключаться клиентам, MAC-адреса которых содержатся в списке. Всем остальным доступ будет разрешен;
    • Разрешить — к данной VAP будет разрешено подключаться только тем клиентам, MAC-адреса которых содержатся в списке. Всем остальным доступ будет запрещен.
  • Список MAC-адресов — список MAC-адресов клиентов, которым разрешен или запрещен доступ к данной VAP. Может содержать до 128 адресов. 

Для того чтобы добавить адрес в список, нажмите кнопку  и в появившемся поле введите MAC-адрес. Чтобы удалить адрес из списка, нажмите кнопку  в соответствующей строке.

Если возникла необходимость добавить в список MAC-адрес клиента, который в данный момент подключен к точке доступа, нажмите в конце строки кнопку  и выберите нужный адрес из списка, он автоматически добавится в поле.

По умолчанию в списке отображается до 10 адресов. Для того чтобы увидеть полный список в случае, если он содержит более 10 адресов, нажмите кнопку «Показать всё».

Для вступления в силу новой конфигурации и занесения настроек в энергонезависимую память нажмите кнопку «Применить». Для отмены изменений нажмите кнопку «Отмена».

Меню «WDS»

В меню «WDS» выполняется настройка беспроводных мостов между WOP-30LI.

При конфигурировании WDS-соединения необходимо, чтобы на устройствах, которые будут соединяться по WDS, в настройках радиоинтерфейса были выбраны одинаковый канал и ширина канала.

После включения режима клиента (STA) будет недоступна настройка WDS в том radio, в котором был настроен режим клиента (STA).

Подменю «WDS»

Во вкладках «2.4 ГГц» и «5 ГГц» выбирается радиоинтерфейс устройства, на котором необходимо построить беспроводной мост.

  • Включено — при установленном флаге режим беспроводного моста включен, иначе — выключен;
  • Режим безопасности — режим безопасности доступа к беспроводной сети:
    • Выключить — не использовать шифрование для передачи данных;
    • WPA2 — способ шифрования, при выборе которого будет доступна следующая настройка:
      • Ключ WPA — ключ/пароль, необходимый для подключения к встречной точке доступа. Длина ключа составляет от 8 до 63 символов.
  • MAC-адрес радиоинтерфейса — MAC-адрес радиоинтерфейса данного устройства;
  • Интерфейс  выбор и включение WDS-интерфейса, на котором будет построен беспроводной мост;
  • Встречный MAC-адрес — MAC-адрес радиоинтерфейса встречного устройства, до которого настраивается беспроводной мост;
  • Канальная скорость передачи — фиксированная скорость беспроводной передачи данных, определяемая спецификациями стандартов IEEE 802.11. Для каждого интерфейса выбирается индивидуально.

Для вступления в силу новой конфигурации и занесения настроек в энергонезависимую память нажмите кнопку «Применить». Для отмены изменений нажмите кнопку «Отмена».

Меню «STA»

В меню «STA» выполняется настройка режима клиента (STA).

Подменю «Клиент»

Подключение:

  • Включено — при установленном флаге режим клиента (STA) включен, иначе — выключен;
  • Радиоинтерфейс — выбор радиоинтерфейса на котором будет настроен  режима клиента (STA). Доступны:
    • 2.4 ГГц;
    • 5 ГГц.
  • SSID — имя виртуальной беспроводной сети;
  • Режим безопасности  — режим безопасности доступа к беспроводной сети:
    • Выключено — не использовать шифрование для передачи данных.
    • WPA2, WPA3 — способы шифрования, при выборе одного из способов будет доступна следующая настройка:
      • Пароль — ключ/пароль, необходимый для подключения к виртуальной точке доступа. Длина ключа составляет от 8 до 63 символов.
    • OWE (Opportunistic Wireless Encryption) — метод шифрования, обеспечивающий безопасность данных, передаваемых по незащищенной сети.

Для вступления в силу новой конфигурации и занесения настроек в энергонезависимую память нажмите кнопку «Применить». Для отмены изменений нажмите кнопку «Отмена».  

Меню «Сетевые настройки»

Подменю «Системная конфигурация»

  • Имя хоста — сетевое имя устройства, задается строка 1–63 символов: латинские заглавные и строчные буквы, цифры, знак дефис «-» (дефис не может быть последним символом в имени);
  • Географический домен — домен узла дерева устройств системы управления EMS, в котором располагается точка доступа;
  • VLAN управления:
    • Выключено — VLAN управления не используется;
    • Terminating — режим, при котором VLAN управления терминируется на точке доступа (в этом случае у клиентов, подключенных через радиоинтерфейс, нет доступа до данного VLAN);
    • Forwarding — режим, при котором VLAN управления передается также в радиоинтерфейс (при соответствующей настройке VAP). 
  • VLAN ID — идентификатор VLAN, используемый для доступа к устройству, принимает значения 1–4094; 
  • Протокол — выбор протокола, по которому будет осуществляться подключение по Ethernet-интерфейсу устройства к сети предоставления услуг провайдера:
    • DHCP — режим работы, при котором IP-адрес, маска подсети, адрес DNS-сервера, шлюз по умолчанию и другие параметры, необходимые для работы в сети, будут получены от DHCP-сервера автоматически;
    • Static — режим работы, при котором IP-адрес и все необходимые параметры на WAN-интерфейс назначаются статически. При выборе типа «Static» для редактирования станут доступны следующие параметры:
      • Статический IP — IP-адрес WAN-интерфейса устройства в сети провайдера;
      • Сетевая маска — маска внешней подсети;
      • Шлюз — адрес, на который отправляется пакет, если для него не найден маршрут в таблице маршрутизации.
  • Первичный DNS, Вторичный DNS  IP-адреса DNS-серверов. Если адреса DNS-серверов не назначаются автоматически по протоколу DHCP, задайте их вручную.

После включения режима клиента (STA) будет недоступна настройка VLAN управления в режимах Terminating и Forwarding.

Для вступления в силу новой конфигурации и занесения настроек в энергонезависимую память нажмите кнопку «Применить». Для отмены изменений нажмите кнопку «Отмена».

Подменю «Доступ»

В подменю «Доступ» производится настройка доступа к устройству посредством web-интерфейса, Telnet, SSH, NETCONF и SNMP.

  • Для включения доступа к устройству через web-интерфейс по протоколу HTTP установите флаг напротив «WEB». В появившемся окне есть возможность поменять HTTP-порт (по умолчанию — 80). Диапазон допустимых значений портов, помимо установленного по умолчанию, с 1025 по 65535 включительно;
  • Для включения доступа к устройству через web-интерфейс по протоколу HTTPS установите флаг напротив «WEB-HTTPS». В появившемся окне есть возможность поменять HTTPS-порт (по умолчанию — 443). Диапазон допустимых значений портов, помимо установленного по умолчанию, с 1025 по 65535 включительно;

Порты для протоколов HTTP и HTTPS не должны иметь одинаковое значение.

  • Для включения доступа к устройству через Telnet установите флаг напротив «Telnet»;
  • Для включения доступа к устройству через SSH установите флаг напротив «SSH»;
  • Для включения доступа к устройству через NETCONF установите флаг напротив «NETCONF».

Программное обеспечение WOP-30LI позволяет изменять конфигурацию устройства, проводить мониторинг состояния точки доступа и её датчиков, а также управлять устройством, используя протокол SNMP. 

Для изменения настроек SNMP установите флаг напротив «SNMP», после чего для редактирования станут доступны следующие параметры SNMP-агента:

  • Пароль на чтение  пароль на чтение параметров (общепринятый: public);
  • Пароль на запись  пароль на запись параметров (общепринятый: private);

  • Адрес для приёма трапов v1  IP-адрес или доменное имя приемника сообщений SNMPv1-trap в формате HOST [COMMUNITY [PORT]];

  • Адрес для приёма трапов v2 — IP-адрес или доменное имя приемника сообщений SNMPv2-trap в формате HOST [COMMUNITY [PORT]];

  • Адрес для приёма сообщений Inform — IP-адрес или доменное имя приемника сообщений Inform в формате HOST [COMMUNITY [PORT]];

  • Системное имя устройства  имя устройства;
  • Контактная информация производителя  контактная информация производителя устройства;
  • Местоположение устройства  информация о местоположении устройства;
  • Пароль в трапах  пароль, содержащийся в трапах (по умолчанию — trap). 

Ниже приведен список объектов, поддерживаемых для чтения и конфигурирования посредством протокола SNMP: 

  • eltexLtd.1.127.1 — мониторинг параметров точки доступа и подключенных клиентских устройств;
  • eltexLtd.1.127.3 — управление точкой доступа;
  • eltexLtd.1.127.5 — конфигурирование точки доступа.

eltexLtd — 1.3.6.1.4.1.35265 — идентификатор предприятия «ЭЛТЕКС».

Подробное описание OID WOP-30LI доступно по следующей ссылке: Описание OID на WEP/WOP-xL.

Для вступления в силу новой конфигурации и занесения настроек в энергонезависимую память нажмите кнопку «Применить». Для отмены изменений нажмите кнопку «Отмена». 

Меню «Внешние сервисы»

Подменю «Портальная авторизация»

Подменю «Портальная авторизация» предназначено для включения и настройки сервиса APB на точке доступа.

Сервис APB используется для обеспечения портального роуминга клиентов между точками доступа, подключенными к сервису.

  • Включить — при установленном флаге точка будет подключаться к сервису APB, адрес которого указан в поле «Адрес сервиса APB», для обеспечения портального роуминга клиентов;
  • Адрес сервиса APB — адрес сервиса APB для поддержки роуминга в режиме портальной авторизации. Задается в формате: «ws://<host>:<port>/apb/broadcast».

Для вступления в силу новой конфигурации и занесения настроек в энергонезависимую память нажмите кнопку «Применить». Для отмены изменений нажмите кнопку «Отмена». 

Подменю «AirTune»

Подменю «AirTune» предназначено для включения и настройки сервиса AirTune на точке доступа.

Сервис AirTune используется для оптимизации радио-ресурсов (Radio Resource Management) и автоматической настройки бесшовного роуминга 802.11 k/r.

  • Включить — при установленном флаге точка будет подключаться к сервису AirTune, адрес которого указан в поле «Адрес сервиса AirTune», для обеспечения функций Radio Resource Management и/или роуминга 802.11 k/r.
  • Адрес сервиса AirTune — адрес сервиса AirTune. Задается в формате: «ws://<host>:<port>/apb/rrm».

Для вступления в силу новой конфигурации и занесения настроек в энергонезависимую память нажмите кнопку «Применить». Для отмены изменений нажмите кнопку «Отмена».

Меню «Система»

В меню «Система» выполняются настройки системы, времени, доступа к устройству по различным протоколам, производится смена пароля и обновление программного обеспечения устройства.

Подменю «Обновление ПО устройства»

Подменю «Обновление ПО устройства» предназначено для обновления программного обеспечения устройства.

  • Активная версия ПО — версия программного обеспечения, установленного на устройстве, работающая в данный момент;
  • Резервная версия ПО — версия программного обеспечения, установленного на устройстве, на которую можно переключиться без загрузки файла ПО;
    • Сделать активной — кнопка, позволяющая сделать резервную версию ПО активной, для этого потребуется перезагрузка устройства. Активная версия ПО в этом случае станет резервной.

Обновление программного обеспечения

Загрузите файл ПО с сайта http://eltex-co.ru/support/downloads/, выбрав из списка оборудования WOP-30LI, и сохраните его на компьютере. После этого нажмите кнопку «Выберите файл» в поле Файл обновления ПО и укажите путь к файлу ПО в формате .tar.gz.
Для запуска процесса обновления необходимо нажать кнопку «Запустить обновление». Процесс обновления займет несколько минут (о его текущем статусе будет указано на странице), после чего устройство автоматически перезагрузится.

Не отключайте питание устройства и не выполняйте его перезагрузку в процессе обновления ПО.

Подменю «Конфигурация»

В подменю «Конфигурация» выполняется сохранение и обновление текущей конфигурации.

Получение конфигурации

Чтобы сохранить текущую конфигурацию устройства на локальный компьютер, нажмите кнопку «Скачать».

Обновление конфигурации

Для загрузки сохраненного на локальном компьютере файла конфигурации используется пункт «Загрузить архив конфигурации на устройство». Для обновления конфигурации устройства нажмите кнопку «Выберите файл», укажите файл (в формате .tar.gz) и нажмите кнопку «Загрузить файл». Загруженная конфигурация применяется автоматически без перезагрузки устройства.

Сброс устройства на заводские настройки

Чтобы сделать сброс всех настроек устройства на стандартные заводские установки, нажмите кнопку «Сброс». Если активирован флаг «Сохранить параметры доступа», то будут сохранены те параметры конфигурации, которые отвечают за доступ к устройству (настройка IP-адреса, настройки доступа по Telnet/SSH/SNMP/Netconf/Web).

Подменю «Перезагрузка»

Для перезагрузки устройства нажмите на кнопку «Перезагрузка». Процесс перезапуска устройства занимает примерно 1 минуту.

Подменю «Пароль»

При входе через web-интерфейс администратор (пароль по умолчанию: password) имеет полный доступ к устройству: чтение и запись любых настроек, полный мониторинг состояния устройства.
Для смены пароля введите новый пароль сначала в поле «Пароль», затем в поле «Подтверждение пароля» и нажмите кнопку «Применить» для сохранения нового пароля.


Подменю «Журнал»

Подменю «Журнал» предназначено для настройки вывода разного рода отладочных сообщений системы в целях обнаружения причин проблем в работе устройства. 

  • Режим — режим работы Syslog-агента:
    • Локальный файл — информация журнала сохраняется в локальном файле и доступна в web-интерфейсе устройства на вкладке «Мониторинг/Журнал событий»;
    • Сервер и файл — информация журнала отправляется на удаленный Syslog-сервер и сохраняется в локальном файле.
  • Адрес Syslog-сервера — IP-адрес или доменное имя Syslog-сервера;
  • Порт Syslog-сервера — порт для входящих сообщений Syslog-сервера (по умолчанию 514, допустимые значения 1–65535);
  • Размер файла, кБ — максимальный размер файла журнала (допустимые значения 1–1000 кБ).

Для вступления в силу новой конфигурации и занесения настроек в энергонезависимую память нажмите кнопку «Применить». Для отмены изменений нажмите кнопку «Отмена». 

Подменю «Дата и время»

В подменю «Дата и время» можно настроить время вручную или с помощью протокола синхронизации времени (NTP).

Вручную


  • Дата и время устройства — дата и время на устройстве в данный момент. Если требуется коррекция, нажмите кнопку «Редактировать»;
    • Дата, время — задайте текущую дату и время или нажмите кнопку «Текущая дата и время» для установки времени ПК на устройство;
  • Часовой пояс — позволяет установить часовой пояс в соответствии с ближайшим городом в вашем регионе из заданного списка;
  • Включить переход на летнее время — при установленном флаге переход на летнее/зимнее время будет выполняться автоматически в заданный период времени:
    • Переход на летнее время — день и время, когда будет выполняться переход на летнее время;
    • Переход на зимнее время — день и время, когда будет выполняться переход на зимнее время;
    • Сдвиг времени (мин.) — период времени в минутах, на который выполняется сдвиг времени. Может принимать значение от 0 до 720 мин.

Для вступления в силу новой конфигурации и занесения настроек в энергонезависимую память нажмите кнопку «Применить». Для отмены изменений нажмите кнопку «Отмена».

NTP-сервер

  • Дата и время устройства — дата и время на устройстве в данный момент;
  • NTP сервер — IP-адрес/доменное имя сервера синхронизации времени. Возможно задать адрес или выбрать из существующего списка;
  • Часовой пояс — позволяет установить часовой пояс в соответствии с ближайшим городом в вашем регионе из заданного списка;
  • Включить переход на летнее время — при установленном флаге переход на летнее/зимнее время будет выполняться автоматически в заданный период времени:
    • Переход на летнее время — день и время, когда будет выполняться переход на летнее время;
    • Переход на зимнее время — день и время, когда будет выполняться переход на зимнее время;
    • Сдвиг времени (мин.) — период времени в минутах, на который выполняется сдвиг времени. Может принимать значение от 0 до 720 мин.
  • Адреса дополнительных NTP-серверов — в случае когда основной сервер синхронизации времени недоступен, устройство будет обращаться к дополнительным серверам синхронизации времени. Для того чтобы добавить адрес в список, нажмите кнопку «Добавить» и в появившемся поле введите IP-адрес или доменное имя сервера. Чтобы удалить адрес из списка, в соответствующей строке нажмите кнопку .

Для вступления в силу новой конфигурации и занесения настроек в энергонезависимую память нажмите кнопку «Применить». Для отмены изменений нажмите кнопку «Отмена»

Подменю «Отладочная информация»

Файл отладочной информации

Чтобы получить архив troubleshooting.tar.gz с устройства на локальный компьютер, нажмите кнопку «Скачать». 

Управление устройством с помощью командной строки

Для отображения имеющихся настроек определенного раздела конфигурации введите команду show-config.

Для получения подсказки о том, какое значение может принимать тот или иной параметр конфигурации устройства, нажмите сочетание клавиш (в английской раскладке) — [Shift + ?].

Для получения списка параметров, доступных для редактирования в данном разделе конфигурации, нажмите клавишу Tab.

Для сохранения настроек введите команду save.

Для перехода в предыдущий раздел конфигурации введите команду exit.

Для перехода в корневой раздел введите команду end.

Подключение к устройству

По умолчанию устройство WOP-30LI настроено на получение адреса по DHCP. Если этого не произошло, подключиться к устройству можно по заводскому IP-адресу.

Заводской IP-адрес устройства WOP-30LI: 192.168.1.10, маска подсети: 255.255.255.0.

Подключение к устройству осуществляется с помощью SSH/Telnet:

ssh admin@<IP-адрес устройства>, далее вводим пароль

telnet <IP-адрес устройства>, вводим логин и пароль

Настройка сетевых параметров

Настройка статических сетевых параметров точки доступа

WOP-30LI(root):/# configure
WOP-30LI(config):/# interface
WOP-30LI(config):/interface# br0
WOP-30LI(config):/interface/br0# common
WOP-30LI(config):/interface/br0/common# static-ip X.X.X.X (где X.X.X.X —  IP-адрес WOP-30LI)
WOP-30LI(config):/interface/br0/common# netmask X.X.X.X (где X.X.X.X — маска подсети)
WOP-30LI(config):/interface/br0/common# dns-server-1 X.X.X.X (где X.X.X.X — IP-адрес dns-сервера №1)
WOP-30LI(config):/interface/br0/common# dns-server-2 X.X.X.X (где X.X.X.X — IP-адрес dns-сервера №2)
WOP-30LI(config):/interface/br0/common# protocol static-ip (изменение режима работы с DHCP на Static-IP)
WOP-30LI(config):/interface/br0/common# save (сохранение настроек)


Добавление статического маршрута:

WOP-30LI(config):/interface/br0/common# exit
WOP-30LI(config):/interface/br0# exit
WOP-30LI(config):/interface# exit
WOP-30LI(config):/# route
WOP-30LI(config):/route# add default (где default — название маршрута)
WOP-30LI(config):/route# default
WOP-30LI(config):/route/default# destination X.X.X.X  (где X.X.X.X — IP-адрес сети или узла назначения, для дефолтного маршрута — 0.0.0.0)
WOP-30LI(config):/route/default# netmask X.X.X.X  (где X.X.X.X — маска сети назначения, для дефолтного маршрута — 0.0.0.0)
WOP-30LI(config):/route/default# gateway X.X.X.X  (где X.X.X.X — IP-адрес шлюза)
WOP-30LI(config):/route/default# save (сохранение настроек)

Настройка получения сетевых параметров по DHCP

WOP-30LI(root):/# configure
WOP-30LI(config):/# interface
WOP-30LI(config):/interface# br0
WOP-30LI(config):/interface/br0# common
WOP-30LI(config):/interface/br0/common# protocol dhcp 
WOP-30LI(config):/interface/br0/common# save (сохранение настроек)

Начиная с версии ПО 2.2.0 есть возможность задавать MTU через DHCP (option 26).

Значение MTU, полученное по DHCP, имеет больший приоритет, чем параметр, заданный в конфигурации.

Размер MTU для bridge должен быть не больше, чем наименьший размер MTU на интерфейсах, которые находятся в этом bridge.

Настройка размера MTU на интерфейсе

WOP-30LI(root):/# configure
WOP-30LI(config):/# interface
WOP-30LI(config):/interface# br0
WOP-30LI(config):/interface/br0# common
WOP-30LI(config):/interface/br0/common# mtu Х (где Х — размер MTU в байтах. Возможные значения: 1–2490. По умолчанию: 1500)
WOP-30LI(config):/interface/br0/common# save (сохранение настроек)

Настройка сетевых параметров с помощью утилиты set-management-vlan-mode

Нетегированный доступ

Получение сетевых настроек по DHCP:

WOP-30LI(root):/# set-management-vlan-mode off protocol dhcp

Статические настройки:

WOP-30LI(root):/# set-management-vlan-mode off protocol static-ip ip-addr X.X.X.X netmask Y.Y.Y.Y gateway Z.Z.Z.Z  (где X.X.X.X — статический IP-адрес, Y.Y.Y.Y — маска подсети, Z.Z.Z.Z — шлюз)

Доступ через VLAN управления в режиме Terminating

Получение сетевых настроек по DHCP:

WOP-30LI(root):/# set-management-vlan-mode terminating vlan-id X protocol dhcp (где X — VLAN ID, используемый для доступа к устройству. Возможные значения: 1–4094)

Статические настройки:

WOP-30LI(root):/# set-management-vlan-mode terminating vlan-id X protocol static-ip ip-addr X.X.X.X netmask Y.Y.Y.Y gateway Z.Z.Z.Z (где X — VLAN ID, используемый для доступа к устройству, возможные значения: 1–4094;  X.X.X.X — статический IP-адрес; Y.Y.Y.Y — маска подсети; Z.Z.Z.Z — шлюз)

Доступ через VLAN управления в режиме Forwarding

Получение сетевых настроек по DHCP:

WOP-30LI(root):/# set-management-vlan-mode forwarding vlan-id X protocol dhcp (где X — VLAN ID, используемый для доступа к устройству. Возможные значения: 1–4094)

Статические настройки:

WOP-30LI(root):/#  set-management-vlan-mode forwarding vlan-id X protocol static-ip ip-addr X.X.X.X netmask Y.Y.Y.Y gateway Z.Z.Z.Z (где X — VLAN ID, используемый для доступа к устройству, возможные значения: 1–4094;  X.X.X.X — статический IP-адрес; Y.Y.Y.Y — маска подсети; Z.Z.Z.Z — шлюз)

Завершение и сохранение настроек

WOP-30LI(root):/# save (сохранение настроек)

Настройка удалённого управления

Настройка SSH

WOP-30LI(root):/# configure
WOP-30LI(config):/# ssh
WOP-30LI(config):/ssh# enable true (управление удалённым доступом по SSH. Для отключения введите false. По умолчанию: true)
WOP-30LI(config):/ssh# port X (где Х — порт SSH-сервера. По умолчанию: 22)
WOP-30LI(config):/ssh# session-limit X (где Х — максимальное количество SSH-сессий. По умолчанию: 5)
WOP-30LI(config):/ssh# save (сохранение настроек)

Настройка Telnet

WOP-30LI(root):/# configure
WOP-30LI(config):/# telnet
WOP-30LI(config):/telnet# enable true (управление удалённым доступом по Telnet. Для отключения введите false. По умолчанию: false)
WOP-30LI(config):/telnet# port X (где Х — порт. По умолчанию: 23)
WOP-30LI(config):/telnet# session-limit X (где Х — максимальное количество Telnet-сессий. По умолчанию: 5)
WOP-30LI(config):/telnet# save (сохранение настроек)

Настройка сетевых параметров IPv6  

По умолчанию доступ к устройству по протоколу IPv6 на точке доступа отключен.

Включение доступа к устройству по протоколу IPv6

WOP-30LI(root):/# configure
WOP-30LI(config):/# interface
WOP-30LI(config):/interface# br0
WOP-30LI(config):/interface/br0# common
WOP-30LI(config):/interface/br0/common# ipv6
WOP-30LI(config):/interface/br0/common/ipv6# protocol dhcp (получение сетевых параметров IPv6 по DHCP)
WOP-30LI(config):/interface/br0/common/ipv6# enabled true (включение доступа к устройству по протоколу IPv6. Для выключения введите false)
WOP-30LI(config):/interface/br0/common/ipv6# save (сохранение настроек)

Настройка статических сетевых параметров IPv6 точки доступа

WOP-30LI(root):/# configure
WOP-30LI(config):/# interface
WOP-30LI(config):/interface# br0
WOP-30LI(config):/interface/br0# common
WOP-30LI(config):/interface/br0/common# ipv6
WOP-30LI(config):/interface/br0/common/ipv6# address XXXX:XXXX:XXXX:XXXX:XXXX:XXXX:XXXX:XXXX (где XXXX:XXXX:XXXX:XXXX:XXXX:XXXX:XXXX:XXXX — статический IPv6-адрес устройства WOP-30LI)
WOP-30LI(config):/interface/br0/common/ipv6# address-prefix-length X (где X — префикс статического IPv6-адреса. Принимает значение от 0 до 128. По умолчанию: 64)
WOP-30LI(config):/interface/br0/common/ipv6# gateway  XXXX:XXXX:XXXX:XXXX::/64 (указывается IPv6-префикс, например, 3211:0:0:1234::/64)
WOP-30LI(config):/interface/br0/common/ipv6# dns-server-1 XXXX:XXXX:XXXX:XXXX:XXXX:XXXX:XXXX:XXXX/Y (где XXXX:XXXX:XXXX:XXXX:XXXX:XXXX:XXXX:XXXX/Y — IPv6-адрес DNS-сервера №1 с префиксом)
WOP-30LI(config):/interface/br0/common/ipv6# dns-server-2 XXXX:XXXX:XXXX:XXXX:XXXX:XXXX:XXXX:XXXX/Y (где XXXX:XXXX:XXXX:XXXX:XXXX:XXXX:XXXX:XXXX/Y — IPv6-адрес DNS-сервера №2 с префиксом)
WOP-30LI(config):/interface/br0/common/ipv6# protocol static-ip (включение использования статических сетевых IPv6-параметров. Для получения сетевых параметров IPv6 по DHCP введите dhcp)
WOP-30LI(config):/interface/br0/common/ipv6# enabled true (включение доступа к устройству по протоколу IPv6. Для выключения введите false)
WOP-30LI(config):/interface/br0/common/ipv6# save (сохранение настроек)

Настройка виртуальных точек доступа Wi-Fi (VAP)

При настройке VAP следует помнить, что название интерфейсов в диапазоне 2.4 ГГц начинается с wlan0, в диапазоне 5 ГГц — wlan1.

Таблица 7 — Команды для настройки режима безопасности на VAP

Режим безопасностиКоманда для настройки режима безопасности
Без пароляmode off
WPAmode WPA
WPA2mode WPA2
WPA/WPA2mode WPA_WPA2
WPA3mode WPA3
WPA2/WPA3mode WPA2_WPA3
OWEmode OWE
WPA-Enterprisemode WPA_1X
WPA2-Enterprisemode WPA2_1X
WPA/WPA2-Enterprisemode WPA_WPA2_1X
WPA2/WPA3-Enterprisemode WPA2_WPA3_1X
WPA3-Enterprisemode WPA3_1X

Ниже представлены примеры настройки VAP с различными режимами безопасности для Radio 5 ГГц (wlan1).

Настройка VAP без шифрования

Создание VAP без шифрования с периодической отправкой аккаунтинга на RADIUS-сервер

WOP-30LI(root):/# configure
WOP-30LI(config):/# interface
WOP-30LI(config):/interface# wlan1-va0
WOP-30LI(config):/interface/wlan1-va0# vap
WOP-30LI(config):/interface/wlan1-va0/vap# ssid 'SSID_WOP-30LI_open' (изменение имени SSID)
WOP-30LI(config):/interface/wlan1-va0/vap# ap-security 
WOP-30LI(config):/interface/wlan1-va0/vap/ap-security# mode off (режим шифрования off — без пароля)
WOP-30LI(config):/interface/wlan1-va0/vap/ap-security# exit
WOP-30LI(config):/interface/wlan1-va0/vap# radius
WOP-30LI(config):/interface/wlan1-va0/vap/radius# acct-enable true (включение отправки сообщений «Accounting» на RADIUS-сервер. По умолчанию: false)
WOP-30LI(config):/interface/wlan1-va0/vap/radius# acct-address X.X.X.X (где X.X.X.X — IP-адрес RADIUS-сервера, используемого для аккаунтинга)
WOP-30LI(config):/interface/wlan1-va0/vap/radius# acct-password secret (где secret — пароль для RADIUS-сервера, используемого для аккаунтинга)
WOP-30LI(config):/interface/wlan1-va0/vap/radius# acct-periodic true (включение периодической отправки сообщений «Accounting» на RADIUS-сервер. По умолчанию: false)
WOP-30LI(config):/interface/wlan1-va0/vap/radius# acct-interval 600 (интервал отправки сообщений «Accounting» на RADIUS-сервер)
WOP-30LI(config):/interface/wlan1-va0/vap/radius# exit
WOP-30LI(config):/interface/wlan1-va0/vap# exit
WOP-30LI(config):/interface/wlan1-va0# common
WOP-30LI(config):/interface/wlan1-va0/common# enabled true (включение виртуальной точки доступа)
WOP-30LI(config):/interface/wlan1-va0/common# save (сохранение настроек)

Настройка VAP c шифрованием OWE

Создание VAP с шифрованием OWE

WOP-30LI(root):/# configure
WOP-30LI(config):/# interface
WOP-30LI(config):/interface# wlan1-va0
WOP-30LI(config):/interface/wlan1-va0# vap
WOP-30LI(config):/interface/wlan1-va0/vap# ssid 'SSID_WOP-30LI_owe' (изменение имени SSID)
WOP-30LI(config):/interface/wlan1-va0/vap# ap-security 
WOP-30LI(config):/interface/wlan1-va0/vap/ap-security# mode OWE (режим шифрования OWE — шифрованное соединение без ввода пароля. В таком режиме смогут подключиться только клиенты Wi-Fi 6)
WOP-30LI(config):/interface/wlan1-va0/vap/ap-security# exit
WOP-30LI(config):/interface/wlan1-va0/vap# radius
WOP-30LI(config):/interface/wlan1-va0/vap/radius# acct-enable true (включение отправки сообщений «Accounting» на RADIUS-сервер. По умолчанию: false)
WOP-30LI(config):/interface/wlan1-va0/vap/radius# acct-address X.X.X.X (где X.X.X.X — IP-адрес RADIUS-сервера, используемого для аккаунтинга)
WOP-30LI(config):/interface/wlan1-va0/vap/radius# acct-password secret (где secret — пароль для RADIUS-сервера, используемого для аккаунтинга)
WOP-30LI(config):/interface/wlan1-va0/vap/radius# acct-periodic true (включение периодической отправки сообщений «Accounting» на RADIUS-сервер. По умолчанию: false)
WOP-30LI(config):/interface/wlan1-va0/vap/radius# acct-interval 600 (интервал отправки сообщений «Accounting» на RADIUS-сервер)
WOP-30LI(config):/interface/wlan1-va0/vap/radius# exit
WOP-30LI(config):/interface/wlan1-va0/vap# exit
WOP-30LI(config):/interface/wlan1-va0# common
WOP-30LI(config):/interface/wlan1-va0/common# enabled true (включение виртуальной точки доступа)
WOP-30LI(config):/interface/wlan1-va0/common# save (сохранение настроек)

Настройка VAP c шифрованием OWE и OWE Transition Mode 

К VAP с режимом безопасности OWE смогут подключиться только клиенты Wi-Fi 6. Чтобы остальные клиенты имели возможность подключиться к такому VAP, необходимо настроить OWE Transition Mode. В таком режиме клиенты Wi-Fi 6 будут подключены в режиме безопасности OWE, а все остальные клиенты в открытом режиме.

Создание VAP c шифрованием OWE и OWE Transition Mode

WOP-30LI(root):/# configure
WOP-30LI(config):/# interface
WOP-30LI(config):/interface# wlan1-va0 (настройка скрытого VAP с шифрованием OWE. К нему будут неявно подключаться клиенты Wi-Fi 6)
WOP-30LI(config):/interface/wlan1-va0# vap
WOP-30LI(config):/interface/wlan1-va0/vap# ssid 'SSID_WOP-30LI_owe' (изменение имени SSID)
WOP-30LI(config):/interface/wlan1-va0/vap# hidden true (скрыть VAP) 
WOP-30LI(config):/interface/wlan1-va0/vap# ap-security 
WOP-30LI(config):/interface/wlan1-va0/vap/ap-security# mode OWE (режим шифрования OWE — шифрованное соединение без ввода пароля. В таком режиме смогут подключиться только клиенты Wi-Fi 6)
WOP-30LI(config):/interface/wlan1-va0/vap/ap-security# owe-transition-interface wlan1-va1 (указание открытого VAP, к которому будет происходить подключение. Клиенты Wi-Fi 6 будут неявно работать с текущим VAP c шифрованием OWE, а прочие клиенты будут работать с открытым VAP)
WOP-30LI(config):/interface/wlan1-va0/vap/ap-security# exit
WOP-30LI(config):/interface/wlan1-va0/vap# exit
WOP-30LI(config):/interface/wlan1-va0# common
WOP-30LI(config):/interface/wlan1-va0/common# enabled true (включение виртуальной точки доступа)
WOP-30LI(config):/interface/wlan1-va0/common#exit
WOP-30LI(config):/interface/wlan1-va0# exit
WOP-30LI(config):/interface# wlan1-va1 (настройка VAP без шифрования)
WOP-30LI(config):/interface/wlan1-va1# vap
WOP-30LI(config):/interface/wlan1-va1/vap# ssid 'SSID_WOP-30LI_open' (изменение имени SSID) 
WOP-30LI(config):/interface/wlan1-va1/vap# ap-security (переход в блок настроек режима безопасности на VAP)
WOP-30LI(config):/interface/wlan1-va1/vap/ap-security# mode off (режим шифрования off — без пароля)
WOP-30LI(config):/interface/wlan1-va1/vap/ap-security# owe-transition-interface wlan1-va0 (указание VAP с режимом шифрование OWE, к которому неявно будут подключены клиенты Wi-Fi 6, остальные клиенты будут подключены к VAP без шифрования)
WOP-30LI(config):/interface/wlan1-va1/vap/ap-security# exit
WOP-30LI(config):/interface/wlan1-va1/vap# exit
WOP-30LI(config):/interface/wlan1-va1# common
WOP-30LI(config):/interface/wlan1-va1/common# enabled true (включение виртуальной точки доступа)
WOP-30LI(config):/interface/wlan1-va1/common#exit
WOP-30LI(config):/interface/wlan1-va1# save (сохранение настроек)

Настройка VAP с режимом безопасности WPA-Personal

Создание VAP с режимом безопасности WPA-Personal с периодической отправкой аккаунтинга на RADIUS-сервер

WOP-30LI(root):/# configure
WOP-30LI(config):/# interface
WOP-30LI(config):/interface# wlan1-va0
WOP-30LI(config):/interface/wlan1-va0# vap
WOP-30LI(config):/interface/wlan1-va0/vap# ssid 'SSID_WOP-30LI_Wpa2' (изменение имени SSID)
WOP-30LI(config):/interface/wlan1-va0/vap# ap-security
WOP-30LI(config):/interface/wlan1-va0/vap/ap-security# mode WPA_WPA2 (режим шифрования — WPA/WPA2)
WOP-30LI(config):/interface/wlan1-va0/vap/ap-security# key-wpa password123 (ключ/пароль, необходимый для подключения к виртуальной точке доступа. Длина ключа должна составлять от 8 до 63 символов)
WOP-30LI(config):/interface/wlan1-va0/vap/ap-security# exit
WOP-30LI(config):/interface/wlan1-va0/vap# radius
WOP-30LI(config):/interface/wlan1-va0/vap/radius# acct-enable true (включение отправки сообщений «Accounting» на RADIUS-сервер. По умолчанию: false)
WOP-30LI(config):/interface/wlan1-va0/vap/radius# acct-address X.X.X.X (где X.X.X.X — IP-адрес RADIUS-сервера, используемого для аккаунтинга)
WOP-30LI(config):/interface/wlan1-va0/vap/radius# acct-password secret (где secret — пароль для RADIUS-сервера, используемого для аккаунтинга)
WOP-30LI(config):/interface/wlan1-va0/vap/radius# acct-periodic true (включение периодической отправки сообщений «Accounting» на RADIUS-сервер. По умолчанию: false)
WOP-30LI(config):/interface/wlan1-va0/vap/radius# acct-interval 600 (интервал отправки сообщений «Accounting» на RADIUS-сервер)
WOP-30LI(config):/interface/wlan1-va0/vap/radius# exit
WOP-30LI(config):/interface/wlan1-va0/vap# exit
WOP-30LI(config):/interface/wlan1-va0# common
WOP-30LI(config):/interface/wlan1-va0/common# enabled true (включение виртуальной точки доступа)
WOP-30LI(config):/interface/wlan1-va0/common# save (сохранение настроек)

Настройка VAP с Enterprise-авторизацией

Создание VAP с режимом безопасности WPA2-Enterprise с периодической отправкой аккаунтинга на RADIUS-сервер

WOP-30LI(root):/# configure
WOP-30LI(config):/# interface
WOP-30LI(config):/interface# wlan1-va0
WOP-30LI(config):/interface/wlan1-va0# vap
WOP-30LI(config):/interface/wlan1-va0/vap# ssid 'SSID_WOP-30LI_enterprise' (изменение имени SSID)
WOP-30LI(config):/interface/wlan1-va0/vap# ap-security
WOP-30LI(config):/interface/wlan1-va0/vap/ap-security# mode WPA_WPA2_1X (режим шифрования — WPA/WPA2-Enterprise)
WOP-30LI(config):/interface/wlan1-va0/vap/ap-security# exit
WOP-30LI(config):/interface/wlan1-va0/vap# radius
WOP-30LI(config):/interface/wlan1-va0/vap/radius# domain root (где root — домен пользователя)
WOP-30LI(config):/interface/wlan1-va0/vap/radius# auth-address X.X.X.X (где X.X.X.X — IP-адрес RADIUS-сервера)
WOP-30LI(config):/interface/wlan1-va0/vap/radius# auth-port X (где Х — порт RADIUS-сервера, который используется для аутентификации и авторизации. По умолчанию: 1812)
WOP-30LI(config):/interface/wlan1-va0/vap/radius# auth-password secret (где secret — пароль для RADIUS-сервера, используемого для аутентификации и авторизации)
WOP-30LI(config):/interface/wlan1-va0/vap/radius# acct-enable true (включение отправки сообщений «Accounting» на RADIUS-сервер. По умолчанию: false)
WOP-30LI(config):/interface/wlan1-va0/vap/radius# acct-address X.X.X.X (где X.X.X.X — IP-адрес RADIUS-сервера, используемого для аккаунтинга)
WOP-30LI(config):/interface/wlan1-va0/vap/radius# acct-password secret (где secret — пароль для RADIUS-сервера, используемого для аккаунтинга)
WOP-30LI(config):/interface/wlan1-va0/vap/radius# acct-periodic true (включение периодической отправки сообщений «Accounting» на RADIUS-сервер. По умолчанию: false)
WOP-30LI(config):/interface/wlan1-va0/vap/radius# acct-interval 600 (интервал отправки сообщений «Accounting» на RADIUS-сервер)
WOP-30LI(config):/interface/wlan1-va0/vap/radius# exit
WOP-30LI(config):/interface/wlan1-va0/vap# exit
WOP-30LI(config):/interface/wlan1-va0# common
WOP-30LI(config):/interface/wlan1-va0/common# enabled true (включение виртуальной точки доступа)
WOP-30LI(config):/interface/wlan1-va0/common# save (сохранение настроек)

Настройка VAP с портальной авторизацией   

Команды для настройки портальной авторизации с отправкой аккаунтинга на RADIUS-сервер

WOP-30LI(root):/# configure
WOP-30LI(config):/# interface
WOP-30LI(config):/interface# wlan1-va0  
WOP-30LI(config):/interface/wlan1-va0# vap
WOP-30LI(config):/interface/wlan1-va0/vap# vlan-id X (где X — VLAN-ID на VAP)
WOP-30LI(config):/interface/wlan1-va0/vap# ap-security
WOP-30LI(config):/interface/wlan1-va0/vap/ap-security# mode off (режим шифрования off — без пароля)/
WOP-30LI(config):/interface/wlan1-va0/vap/ap-security# exit
WOP-30LI(config):/interface/wlan1-va0/vap# ssid 'Portal_WOP-30LI' (изменение имени SSID)
WOP-30LI(config):/interface/wlan1-va0/vap# captive-portal
WOP-30LI(config):/interface/wlan1-va0/vap/captive-portal# scenarios
WOP-30LI(config):/interface/wlan1-va0/vap/captive-portal/scenarios# scenario-redirect
WOP-30LI(config):/interface/wlan1-va0/vap/captive-portal/scenarios/scenario-redirect# redirect-url  http://<IP>:<PORT>/eltex_portal/ (указать URL виртуального портала)
WOP-30LI(config):/interface/wlan1-va0/vap/captive-portal/scenarios/scenario-redirect# index 1
WOP-30LI(config):/interface/wlan1-va0/vap/captive-portal/scenarios/scenario-redirect# virtual-portal-name default (указать имя портала. По умолчанию: default)
WOP-30LI(config):/interface/wlan1-va0/vap/captive-portal/scenarios/scenario-redirect# exit
WOP-30LI(config):/interface/wlan1-va0/vap/captive-portal/scenarios# exit
WOP-30LI(config):/interface/wlan1-va0/vap/captive-portal# apb-mac-auth true (Включить MAC-авторизацию портальных пользователей через APB сервис (доступно только с SoftWLC 1.34.1 и выше). По умолчанию: false)
WOP-30LI(config):/interface/wlan1-va0/vap/captive-portal# enabled true
WOP-30LI(config):/interface/wlan1-va0/vap/captive-portal# exit
WOP-30LI(config):/interface/wlan1-va0/vap# radius
WOP-30LI(config):/interface/wlan1-va0/vap/radius# domain root (где root — домен пользователя)
WOP-30LI(config):/interface/wlan1-va0/vap/radius# acct-enable true (включение отправки сообщений «Accounting» на RADIUS-сервер. По умолчанию: false)
WOP-30LI(config):/interface/wlan1-va0/vap/radius# acct-address X.X.X.X (где Х.Х.Х.Х — IP-адрес RADIUS-сервера, используемого для аккаунтинга)
WOP-30LI(config):/interface/wlan1-va0/vap/radius# acct-password secret (где secret — пароль для RADIUS-сервера, используемого для аккаунтинга)
WOP-30LI(config):/interface/wlan1-va0/vap/radius# acct-periodic true (включение периодической отправки сообщений «Accounting» на RADIUS-сервер. По умолчанию: false)
WOP-30LI(config):/interface/wlan1-va0/vap/radius# acct-interval 600 (интервал отправки сообщений «Accounting» на RADIUS-сервер)
WOP-30LI(config):/interface/wlan1-va0/vap/radius# exit
WOP-30LI(config):/interface/wlan1-va0/vap# exit
WOP-30LI(config):/interface/wlan1-va0# common
WOP-30LI(config):/interface/wlan1-va0/common# enabled true (включение виртуальной точки доступа)
WOP-30LI(config):/interface/wlan1-va0/common# save (сохранение настроек)

Настройка VAP с внешней портальной авторизацией

Команды для настройки внешней портальной авторизации

WOP-30LI(root):/# configure
WOP-30LI(config):/# interface
WOP-30LI(config):/interface# wlan1-va0  
WOP-30LI(config):/interface/wlan1-va0# vap
WOP-30LI(config):/interface/wlan1-va0/vap# vlan-id X (где X — VLAN-ID на VAP)
WOP-30LI(config):/interface/wlan1-va0/vap# ap-security 
WOP-30LI(config):/interface/wlan1-va0/vap/ap-security# mode off (режим шифрования off — без пароля)
WOP-30LI(config):/interface/wlan1-va0/vap/ap-security# exit
WOP-30LI(config):/interface/wlan1-va0/vap# ssid 'Portal_WOP-30LI' (изменение имени SSID)
WOP-30LI(config):/interface/wlan1-va0/vap# captive-portal
WOP-30LI(config):/interface/wlan1-va0/vap/captive-portal# verification-mode external-portal (включение поддержки внешней портальной авторизации. По умолчанию: portal)
WOP-30LI(config):/interface/wlan1-va0/vap/captive-portal# scenarios
WOP-30LI(config):/interface/wlan1-va0/vap/captive-portal/scenarios# scenario-redirect
WOP-30LI(config):/interface/wlan1-va0/vap/captive-portal/scenarios/scenario-redirect# redirect-url "https://X.X.X.X/<NAS_ID>/?switch_url=<SWITCH_URL>&ap_mac=<AP_MAC>&client_mac=<CLIENT_MAC>
&wlan=<SSID>&original-url=<ORIGINAL_URL>&nas-ip=<NAS_IP>&ap_location=<AP_LOCATION>&nas_id=<NAS_ID>"(указать URL внешнего виртуального портала в соответствии с таблицей 8)
WOP-30LI(config):/interface/wlan1-va0/vap/captive-portal/scenarios/scenario-redirect# exit
WOP-30LI(config):/interface/wlan1-va0/vap/captive-portal/scenarios# exit
WOP-30LI(config):/interface/wlan1-va0/vap/captive-portal# enabled true (включение функционала captive-portal)
WOP-30LI(config):/interface/wlan1-va0/vap/captive-portal# exit
WOP-30LI(config):/interface/wlan1-va0/vap# radius
WOP-30LI(config):/interface/wlan1-va0/vap/radius# auth-address X.X.X.X (где Х.Х.Х.Х — IP-адрес RADIUS-сервера, используемого для авторизации)
WOP-30LI(config):/interface/wlan1-va0/vap/radius# auth-password secret (где secret — пароль для RADIUS-сервера, используемого для авторизации)
WOP-30LI(config):/interface/wlan1-va0/vap/radius# exit
WOP-30LI(config):/interface/wlan1-va0/vap# save (сохранение настроек)

Дополнительные команды для настройки внешней портальной авторизации

WOP-30LI(config):/interface/wlan1-va0/vap/captive-portal# preauth-filter-mode acl (параметр, определяющий на основании чего будет фильтроваться трафик неавторизованных клиентов. Возможные значения: acl, white-list. По умолчанию: white-list)
WOP-30LI(config):/interface/wlan1-va0/vap/captive-portal# http-auth false (отключение авторизации по http. По умолчанию: true)
WOP-30LI(config):/interface/wlan1-va0/vap/captive-portal# ipv4-acl ipv4_list (где ipv4_list — имя списка правил ipv4-acl)
WOP-30LI(config):/interface/wlan1-va0/vap/captive-portal# url-acl url_list (где url_list — имя списка правил url-acl)
WOP-30LI(config):/interface/wlan1-va0/vap/captive-portal# filter-dns-by-acl true (включение фильтрации DNS-запросов по правилам preauth-acl. По умолчанию: false)
WOP-30LI(config):/interface/wlan1-va0/vap/captive-portal# client-mac-format XX-XX-XX-XX-XX-XX (где XX-XX-XX-XX-XX-XX — формат MAC-адреса клиента, который будет подставляться вместо <AP_MAC> в запросах на внешний портал. Возможные значения: XX-XX-XX-XX-XX-XX, XX:XX:XX:XX:XX:XX, XXXXXXXXXXXX, xx-xx-xx-xx-xx-xx, xx:xx:xx:xx:xx:xx, xxxxxxxxxxxx. По умолчанию: xxxxxxxxxxxx)
WOP-30LI(config):/interface/wlan1-va0/vap/captive-portal# nas-id-format XX-XX-XX-XX-XX-XX (где XX-XX-XX-XX-XX-XX — формат MAC-адреса точки доступа, который будет подставляться вместо <NAS_ID> в запросах на внешний портал. Возможные значения: XX-XX-XX-XX-XX-XX, XX:XX:XX:XX:XX:XX, XXXXXXXXXXXX, xx-xx-xx-xx-xx-xx, xx:xx:xx:xx:xx:xx, xxxxxxxxxxxx. По умолчанию: xxxxxxxxxxxx)
WOP-30LI(config):/interface/wlan1-va0/vap/captive-portal# disconnect-on-reject true (параметр, отвечающий за отключение клиента после получения Access-Reject. Для отключения введите false)
WOP-30LI(config):/interface/wlan1-va0/vap/captive-portal# exit
WOP-30LI(config):/interface/wlan1-va0/vap# radius
WOP-30LI(config):/interface/wlan1-va0/vap/radius# use-macaddr-as-password true (передавать MAC-адрес клиента в качестве пароля в RADIUS запросах. По умолчанию: false)
WOP-30LI(config):/interface/wlan1-va0/vap/radius# macaddr-format XX-XX-XX-XX-XX-XX (где XX-XX-XX-XX-XX-XX — формат MAC-адреса клиента, который будет фигурировать в RADIUS запросах. Функционал работает только при условии use-macaddr-as-password = true. Возможные значения: XX-XX-XX-XX-XX-XX, XX:XX:XX:XX:XX:XX, XXXXXXXXXXXX, xx-xx-xx-xx-xx-xx, xx:xx:xx:xx:xx:xx, xxxxxxxxxxxx. По умолчанию: xxxxxxxxxxxx)
WOP-30LI(config):/interface/wlan1-va0/vap/radius# exit
WOP-30LI(config):/interface/wlan1-va0/vap# save (сохранение настроек)

Для получения информации об алгоритме взаимодействия с внешним порталом см. схему

Таблица 8 — Настройка URL шаблона для внешней портальной авторизации

ПараметрОписание
<NAS_ID>NAS ID, заданный на VAP или в system. Если не задан ни один из этих параметров, то в качестве NAS ID в RADIUS- и HTTP(S)-пакетах будет использоваться MAC-адрес точки доступа в формате "nas-id-format"
<SWITCH_URL>Доменное имя, которое показывается клиенту при перенаправлении
<AP_MAC>MAC-адрес точки доступа
<CLIENT_MAC>MAC-адрес клиента
<SSID>SSID
<ORIGINAL_URL>URL, который изначально запрашивал клиент
<NAS_IP>IP-адрес точки доступа
<AP_LOCATION>AP-location точки доступа

Настройка дополнительного RADIUS-сервера на VAP

Данный функционал доступен только для режимов портальной и Enterprise-авторизации.

Команды для настройки дополнительного RADIUS-сервера на VAP

WOP-30LI(root):/# configure
WOP-30LI(config):/# interface
WOP-30LI(config):/interface# wlan1-va0
WOP-30LI(config):/interface/wlan1-va0# vap
WOP-30LI(config):/interface/wlan1-va0/vap# radius (настройка основного RADIUS-сервера)
WOP-30LI(config):/interface/wlan1-va0/vap/radius# backup (настройка дополнительного RADIUS-сервера)
WOP-30LI(config):/interface/wlan1-va0/vap/radius/backup# add <IP-адрес дополнительного RADIUS-сервера в конфигурации> (создание раздела конфигурации дополнительного RADIUS-сервера. Максимальное количество: 4)
WOP-30LI(config):/interface/wlan1-va0/vap/radius/backup# X.X.X.X (где X.X.X.X — IP-адрес дополнительного RADIUS-сервера в конфигурации)
WOP-30LI(config):/interface/wlan1-va0/vap/radius/backup/X.X.X.X# auth-address X.X.X.X (где X.X.X.X — IP-адрес RADIUS-сервера)
WOP-30LI(config):/interface/wlan1-va0/vap/radius/backup/X.X.X.X# auth-port X (где Х — порт RADIUS-сервера, который используется для аутентификации и авторизации. По умолчанию: 1812)
WOP-30LI(config):/interface/wlan1-va0/vap/radius/backup/X.X.X.X# auth-password secret (где secret — пароль для RADIUS-сервера, используемого для аутентификации и авторизации)
WOP-30LI(config):/interface/wlan1-va0/vap/radius/backup/X.X.X.X# acct-address X.X.X.X (где X.X.X.X — IP-адрес RADIUS-сервера, используемого для аккаунтинга)
WOP-30LI(config):/interface/wlan1-va0/vap/radius/backup/X.X.X.X# acct-port X (где Х — порт RADIUS-сервера, который используется для аккаунтинга. По умолчанию: 1813)
WOP-30LI(config):/interface/wlan1-va0/vap/radius/backup/X.X.X.X# acct-password secret (где secret — пароль для RADIUS-сервера, используемого для аккаунтинга)
WOP-30LI(config):/interface/wlan1-va0/vap/radius/backup/X.X.X.X# order 1 (где order — приоритет RADIUS-сервера. Если приоритет не был указан явно, то считается, что он равен 0. В этом случае очередность выбора сервера будет соответствовать порядку добавления RADIUS-сервера в конфигурацию)
WOP-30LI(config):/interface/wlan1-va0/vap/radius/backup/X.X.X.X# save (сохранение настроек)

Дополнительные настройки VAP

Назначение VLAN-ID на VAP

WOP-30LI(config):/interface/wlan1-va0/vap# vlan-id X (где X — номер VLAN-ID на VAP)

Назначение VLAN-Group на VAP

WOP-30LI(config):/interface/wlan1-va0/vap# vlan-group X,Y-Z (где X,Y-Z — номера VLAN-ID, которые можно назначить на VAP. Возможные значения: 1–4094. Если настроен параметр vlan-group, то будет игнорироваться параметр vlan-id)

Включение режима Band Steer

WOP-30LI(config):/interface/wlan1-va0/vap# band-steer-mode true ключение режима Band Steer. Для отключения введите false)

Включение VLAN trunk на VAP

WOP-30LI(config):/interface/wlan1-va0/vap# vlan-trunk true ключение VLAN Trunk на VAP. Для отключения введите false)

Включение General VLAN на VAP

WOP-30LI(config):/interface/wlan1-va0/vap# general-vlan-mode true (включение General VLAN на SSID. Для отключения введите false)
WOP-30LI(config):/interface/wlan1-va0/vap# general-vlan-id X (где X — номер General VLAN)

Выбор способа приоритизации

WOP-30LI(config):/interface/wlan1-va0/vap# priority-by-dscp false (анализ приоритета из поля CoS (Class of Service) тегированных пакетов. Значение по умолчанию: true. В этом случае анализируется приоритет из поля DSCP заголовка IP-пакета) 

Включение режима MFP (802.11W)

WOP-30LI(config):/interface/wlan1-va0/vap/ap-security# mfp required (включить защиту management-кадров (фреймов). required — требуется поддержка MFP от клиента, клиенты без MFP не смогут подключиться. capable — совместимо с MFP, клиенты без поддержки MFP могут подключиться. Для отключения введите off)

Включение использования TLS при авторизации

WOP-30LI(config):/interface/wlan1-va0/vap/radius# tls-enable true (использовать TLS при авторизации. Для отключения введите false)

Включение скрытого SSID

WOP-30LI(config):/interface/wlan1-va0/vap# hidden true (включение скрытого SSID. Для отключения введите false)

Включение изоляции клиентов на VAP

WOP-30LI(config):/interface/wlan1-va0/vap# station-isolation true (включение изоляции трафика между клиентами в пределах одной VAP. Для отключения введите false)

Ограничение количества клиентов на VAP

WOP-30LI(config):/interface/wlan1-va0/vap# sta-limit X (где X — максимально допустимое число подключаемых к виртуальной сети клиентов)

Включение защиты от ARP Spoofing

WOP-30LI(config):/interface/wlan0-va0/vap# arp-inspection true (включение проверки трафика на подмену IP-адреса источника в ARP-пакетах. Для отключения введите false. По умолчанию: false)

Включение репликации мультикастового трафика на VAP

WOP-30LI(config):/interface/wlan1-va0/vap# wmf-bss-enable true (включение репликации мультикастового трафика на VAP. Для отключения введите false)

Включение Minimal Signal и Roaming Signal

WOP-30LI(config):/interface/wlan1-va0/vap# check-signal-enable true (включение использования функционала Minimal Signal. Для отключения введите false)
WOP-30LI(config):/interface/wlan1-va0/vap# min-signal X (где X — пороговое значение RSSI, при достижении которого точка будет отключать клиента от VAP. Параметр может принимать значения от -100 до -1) 
WOP-30LI(config):/interface/wlan1-va0/vap# check-signal-timeout X (где X — период времени в секундах, по истечении которого принимается решение об отключении клиентского оборудования от виртуальной сети)
WOP-30LI(config):/interface/wlan1-va0/vap# roaming-signal X (где X — пороговое значение RSSI, при достижении которого происходит переключение клиентского оборудования на другую точку доступа. Параметр может принимать значения от -100 до -1. Параметр roaming-signal должен быть выше, чем min-signal: если min-signal = -75 дБм, то roaming-signal должен быть равен, например, -70 дБм)
WOP-30LI(config):/interface/wlan1-va0/vap# save (сохранение настроек)

Включение передачи абоненского трафика вне GRE-туннеля

WOP-30LI(config):/interface/wlan1-va0/vap# local-switching true (включение передачи абонентского трафика вне GRE-туннеля. Для отключения введите false. По умолчанию: выключено)

Настройка ограничения скорости

Настройка шейпера в направлении от клиентов (каждого в отдельности), подключенных к данной VAP, до точки доступа:

WOP-30LI(config):/interface/wlan1-va0/vap# shaper-per-sta-rx 
WOP-30LI(config):/interface/wlan1-va0/vap/shaper-per-sta-rx# value X (где X — максимальная скорость в кбит/с или пакеты/с)
WOP-30LI(config):/interface/wlan1-va0/vap/shaper-per-sta-rx# mode kbps (включение шейпера. Может принимать значение: kbps — кбит/с, pps — пакеты/с, off — выключено)
WOP-30LI(config):/interface/wlan1-va0/vap/shaper-per-sta-rx# exit
WOP-30LI(config):/interface/wlan1-va0/vap# save (сохранение настроек)


Настройка шейпера в направлении от точки доступа до клиентов (каждого в отдельности), подключенных к данной VAP:

WOP-30LI(config):/interface/wlan1-va0/vap# shaper-per-sta-tx
WOP-30LI(config):/interface/wlan1-va0/vap/shaper-per-sta-tx# value X (где X — максимальная скорость в кбит/с или пакеты/с)
WOP-30LI(config):/interface/wlan1-va0/vap/shaper-per-sta-tx# mode kbps (включение шейпера. Может принимать значение: kbps — кбит/с, pps — пакеты/с, off — выключено)
WOP-30LI(config):/interface/wlan1-va0/vap/shaper-per-sta-tx# exit
WOP-30LI(config):/interface/wlan1-va0/vap# save (сохранение настроек)


Настройка шейпера в направлении от клиентов (в сумме), подключенных к данной VAP, до точки доступа:

WOP-30LI(config):/interface/wlan1-va0/vap# shaper-per-vap-rx
WOP-30LI(config):/interface/wlan1-va0/vap/shaper-per-vap-rx# value X  (где X — максимальная скорость в кбит/с или пакеты/с)
WOP-30LI(config):/interface/wlan1-va0/vap/shaper-per-vap-rx# mode kbps (включение шейпера. Может принимать значение: kbps — кбит/с, pps — пакеты/с, off — выключено)
WOP-30LI(config):/interface/wlan1-va0/vap/shaper-per-vap-rx# exit
WOP-30LI(config):/interface/wlan1-va0/vap# save (сохранение настроек)


Настройка шейпера в направлении от точки доступа до клиентов (в сумме), подключенных к данной VAP:

WOP-30LI(config):/interface/wlan1-va0/vap# shaper-per-vap-tx
WOP-30LI(config):/interface/wlan1-va0/vap/shaper-per-vap-tx# value X (где X — максимальная скорость в кбит/с или пакеты/с)
WOP-30LI(config):/interface/wlan1-va0/vap/shaper-per-vap-tx# mode kbps (включение шейпера. Может принимать значение: kbps — кбит/с, pps — пакеты/с, off — выключено)
WOP-30LI(config):/interface/wlan1-va0/vap/shaper-per-vap-tx# exit
WOP-30LI(config):/interface/wlan1-va0/vap# save (сохранение настроек)

Настройка ограничения широковещательного трафика

Настройка шейпера в направлении от клиента до точки доступа:
WOP-30LI(config):/interface/wlan1-va0/vap# shaper-bcast-rx
WOP-30LI(config):/interface/wlan1-va0/vap/shaper-bcast-rx# value X (где X — максимальная скорость в кбит/с или пакеты/с)
WOP-30LI(config):/interface/wlan1-va0/vap/shaper-bcast-rx# mode kbps (включение шейпера. Может принимать значение: kbps — кбит/с, pps — пакеты/сoff — выключено)
WOP-30LI(config):/interface/wlan1-va0/vap/shaper-bcast-rx# exit
WOP-30LI(config):/interface/wlan1-va0/vap# save (сохранение настроек)

Настройка шейпера в направлении от точки доступа до клиента:
WOP-30LI(config):/interface/wlan1-va0/vap# shaper-bcast-tx
WOP-30LI(config):/interface/wlan1-va0/vap/shaper-bcast-tx# value X (где X — максимальная скорость в кбит/с или пакеты/с)
WOP-30LI(config):/interface/wlan1-va0/vap/shaper-bcast-tx# mode kbps (включение шейпера. Может принимать значение: kbps — кбит/с, pps — пакеты/с, off — выключено)
WOP-30LI(config):/interface/wlan1-va0/vap/shaper-bcast-tx# exit
WOP-30LI(config):/interface/wlan1-va0/vap# save (сохранение настроек)

Настройка ограничения многоадресного трафика

Настройка шейпера в направлении от клиента до точки доступа:
WOP-30LI(config):/interface/wlan1-va0/vap# shaper-mcast-rx
WOP-30LI(config):/interface/wlan1-va0/vap/shaper-mcast-rx# value X (где X — максимальная скорость в кбит/с или пакеты/с)
WOP-30LI(config):/interface/wlan1-va0/vap/shaper-mcast-rx# mode kbps (включение шейпера. Может принимать значение: kbps — кбит/с, pps — пакеты/с, off — выключено)
WOP-30LI(config):/interface/wlan1-va0/vap/shaper-mcast-rx# exit
WOP-30LI(config):/interface/wlan1-va0/vap# save (сохранение настроек)

Настройка шейпера в направлении от точки доступа до клиента:
WOP-30LI(config):/interface/wlan1-va0/vap# shaper-mcast-tx
WOP-30LI(config):/interface/wlan1-va0/vap/shaper-mcast-tx# value X (где X — максимальная скорость в кбит/с или пакеты/с)
WOP-30LI(config):/interface/wlan1-va0/vap/shaper-mcast-tx# mode kbps (включение шейпера. Может принимать значение: kbps — кбит/с, pps — пакеты/с, off — выключено)
WOP-30LI(config):/interface/wlan1-va0/vap/shaper-mcast-tx# exit
WOP-30LI(config):/interface/wlan1-va0/vap# save (сохранение настроек)

Настройка контроля доступа по MAC

WOP-30LI(config):/interface/wlan1-va0/vap# acl
WOP-30LI(config):/interface/wlan1-va0/vap/acl# mac
WOP-30LI(config):/interface/wlan1-va0/vap/acl/mac# add XX:XX:XX:XX:XX:XX (где XX:XX:XX:XX:XX:XX — MAC-адрес устройства, которому необходимо разрешить/запретить доступ. Для удаления адреса из списка используйте команду del)
WOP-30LI(config):/interface/wlan1-va0/vap/acl/mac# exit
WOP-30LI(config):/interface/wlan1-va0/vap/acl# policy allow (выбор политики. Возможные значения: allow — разрешать подключение только тем клиентам, MAC-адреса которых содержатся в списке; deny — запрещать подключение клиентам, MAC-адреса которых содержатся в списке. Значение по умолчанию: deny)
WOP-30LI(config):/interface/wlan1-va0/vap/acl# enable true (включение контроля доступа по MAC. Для отключения введите false)
WOP-30LI(config):/interface/wlan1-va0/vap/acl# exit
WOP-30LI(config):/interface/wlan1-va0/vap# save (сохранение настроек) 


Настройка блокировки подключения пользователей, подменяющих MAC-адрес устройства проводной сети

В случае если необходимо по требованиям безопасности реализовать защиту от подключений пользователей дублирующих MAC-адрес проводного устройства (шлюз, ПК и прочее), то необходимо воспользоваться настройкой fdb-filtering, которая имеет следующие режимы работы:
on-connect режим блокирует все попытки подключения устройств через Wi-Fi, в случае если MAC-адрес уже изучен на Ethernet-порту точки доступа;
by-eth-event — режим отключает подключенного клиента по Wi-Fi, в случае если его MAC-адрес стал изучен на Ethernet-порту точки доступа (режим помогает очищать старую запись о клиенте при роуминге);
full — режим совмещает в себе все предыдущие, то есть блокирует подключение нового пользователя по Wi-Fi, а также отключает ранее подключенного в случае совпадения его MAC-адреса с устройством за Ethernet-интерфейсом.

При выставлении режимов full и on-connect роуминг Wi-Fi клиентов может ухудшиться. Так в ходе работы все broadcast-пакеты от клиента попадают на остальные точки доступа сети и его MAC изучается на всех точках доступа сети, поэтому при роуминге клиента, в случае если его MAC-адрес находится в списке на Ethernet-порту, переподключение может происходить длительное время.

WOP-30LI(config):/interface/wlan1-va0/vap# fdb-filtering
WOP-30LI(config):/interface/wlan1-va0/vap/fdb-filtering# enabled true (включение функционала. Для отключения введите false. Значение по умолчанию: false)
WOP-30LI(config):/interface/wlan1-va0/vap/fdb-filtering# mode full (выбор режима работы. Значение по умолчанию: by-eth-event)
WOP-30LI(config):/interface/wlan1-va0/vap/fdb-filtering# exit
WOP-30LI(config):/interface/wlan1-va0/vap# save (сохранение настроек)

Настройка 802.11r

Данный вид роуминга доступен только для тех клиентских устройств, которые поддерживают 802.11r.

Роуминг 802.11r возможен только между VAP с режимом безопасности WPA2/WPA3-Personal и WPA2/WPA3-Enterprise. 
С инструкцией по настройке VAP с режимом безопасности WPA2-Personal и другими можно ознакомиться в разделе Настройка VAP с режимом безопасности WPA-Personal.

Каждую VAP на точках доступа нужно настраивать индивидуально, например, ТД1(wlan1)↔ТД2(wlan1), ТД1(wlan0)↔ТД2(wlan0), ТД1(wlan1)↔ТД3(wlan1) и т. д.

Ниже представлен пример настройки 802.11r на двух точках доступа: ТД1 и ТД2.

Настройка 802.11r на ТД1

WOP-30LI(config):/interface/wlan1-va0/vap/ft-config# enabled false
WOP-30LI(config):/interface/wlan1-va0/vap/ft-config# r1-key-holder-id E8:28:C1:FC:D6:80 (MAC-адрес VAP. Можно посмотреть в выводе команды ifconfig)
WOP-30LI(config):/interface/wlan1-va0/vap/ft-config# r0-key-holder-id 12345 (уникальный ключ для данной VAP)
WOP-30LI(config):/interface/wlan1-va0/vap/ft-config# mobility-domain 100 (домен должен совпадать на встречных VAP)
WOP-30LI(config):/interface/wlan1-va0/vap/ft-config# mac
WOP-30LI(config):/interface/wlan1-va0/vap/ft-config/mac# add E4:5A:D4:E2:C4:B0 (MAC-адрес VAP интерфейса встречной точки доступа — ТД2)
WOP-30LI(config):/interface/wlan1-va0/vap/ft-config/mac# E4:5A:D4:E2:C4:B0
WOP-30LI(config):/interface/wlan1-va0/vap/ft-config/mac/E4:5A:D4:E2:C4:B0# r0-kh-id 23456 (уникальный ключ встречной VAP точки доступа ТД2 — r0-key-holder-id)
WOP-30LI(config):/interface/wlan1-va0/vap/ft-config/mac/E4:5A:D4:E2:C4:B0# r1-kh-id E4:5A:D4:E2:C4:B0 (MAC-адрес встречной VAP на ТД2)
WOP-30LI(config):/interface/wlan1-va0/vap/ft-config/mac/E4:5A:D4:E2:C4:B0# r0-kh-key 0102030405060708 (случайный ключ. Не должен совпадать с r1-kh-key ТД1, но обязательно должен совпадать с r1-kh-key встречной ТД2)
WOP-30LI(config):/interface/wlan1-va0/vap/ft-config/mac/E4:5A:D4:E2:C4:B0# r1-kh-key 0001020304050607 (случайный ключ. Не должен совпадать с r0-kh-key ТД1, но обязательно должен совпадать с r0-kh-key встречной ТД2)
WOP-30LI(config):/interface/wlan1-va0/vap/ft-config/mac/E4:5A:D4:E2:C4:B0# exit
WOP-30LI(config):/interface/wlan1-va0/vap/ft-config/mac# exit
WOP-30LI(config):/interface/wlan1-va0/vap/ft-config# enabled true (включение работы точки доступа по протоколу 802.11r)
WOP-30LI(config):/interface/wlan1-va0/vap/ft-config# save (сохранение настроек)

Настройка 802.11r на ТД2

WOP-30LI(config):/interface/wlan1-va0/vap/ft-config# enabled false
WOP-30LI(config):/interface/wlan1-va0/vap/ft-config# r1-key-holder-id E4:5A:D4:E2:C4:B0 (MAC-адрес VAP. Можно посмотреть в выводе команды ifconfig)
WOP-30LI(config):/interface/wlan1-va0/vap/ft-config# r0-key-holder-id 23456 (уникальный ключ для данного VAP)
WOP-30LI(config):/interface/wlan1-va0/vap/ft-config# mobility-domain 100 (домен должен совпадать на встречных VAP)
WOP-30LI(config):/interface/wlan1-va0/vap/ft-config# mac
WOP-30LI(config):/interface/wlan1-va0/vap/ft-config/mac# add E8:28:C1:FC:D6:80 (MAC-адрес VAP-интерфейса встречной точки доступа — ТД1)
WOP-30LI(config):/interface/wlan1-va0/vap/ft-config/mac# E8:28:C1:FC:D6:80
WOP-30LI(config):/interface/wlan1-va0/vap/ft-config/mac/E8:28:C1:FC:D6:80# r0-kh-id 12345 (уникальный ключ встречной VAP точки доступа ТД1 — r0-key-holder-id)
WOP-30LI(config):/interface/wlan1-va0/vap/ft-config/mac/E8:28:C1:FC:D6:80# r1-kh-id E8:28:C1:FC:D6:80 (MAC-адрес встречного VAP на ТД1)
WOP-30LI(config):/interface/wlan1-va0/vap/ft-config/mac/E8:28:C1:FC:D6:80# r0-kh-key 0001020304050607 (случайный ключ. Не должен совпадать с r1-kh-key ТД2, но обязательно должен совпадать с r1-kh-key встречной ТД1)
WOP-30LI(config):/interface/wlan1-va0/vap/ft-config/mac/E8:28:C1:FC:D6:80# r1-kh-key 0102030405060708 (случайный ключ. Не должен совпадать с r0-kh-key ТД2, но обязательно должен совпадать с r0-kh-key встречной ТД1)
WOP-30LI(config):/interface/wlan1-va0/vap/ft-config/mac/E8:28:C1:FC:D6:80# exit
WOP-30LI(config):/interface/wlan1-va0/vap/ft-config/mac# exit
WOP-30LI(config):/interface/wlan1-va0/vap/ft-config# enabled true (включение работы точки доступа по протоколу 802.11r)
WOP-30LI(config):/interface/wlan1-va0/vap/ft-config# save (сохранение настроек)

Настройка 802.11k

Роуминг по протоколу 802.11k может быть организован между любыми сетями (открытые/шифрованные). Если на точке доступа настроена работа по протоколу 802.11k, то при подключении клиента точка доступа передает ему список «дружественных» точек доступа, на которые клиент может переключиться в процессе роуминга. Список содержит информацию о MAC-адресах точек доступа и каналах, на которых они работают.

Использование 802.11k позволяет сократить время на поиск другой сети при роуминге, так как клиенту не нужно производить сканирование каналов, на которых нет доступных для переключения целевых точек доступа.

Данный вид роуминга доступен только для тех клиентских устройств, которые поддерживают 802.11k.

Ниже представлен пример настройки 802.11k на точке доступа — составление списка «дружественных» точек доступа.

Настройка 802.11k

WOP-30LI(config):/interface/wlan1-va0/vap/w80211kv-config# enabled false
WOP-30LI(config):/interface/wlan1-va0/vap/w80211kv-config# mac
WOP-30LI(config):/interface/wlan1-va0/vap/w80211kv-config/mac# add E8:28:C1:FC:D6:90 (где E8:28:C1:FC:D6:90 — MAC-адрес «дружественной» точки доступа)
WOP-30LI(config):/interface/wlan1-va0/vap/w80211kv-config/mac# E8:28:C1:FC:D6:90
WOP-30LI(config):/interface/wlan1-va0/vap/w80211kv-config/mac/E8:28:C1:FC:D6:90# channel 132 (где 132 — канал, на котором работает точка доступа с MAC-адресом E8:28:C1:FC:D6:90)
WOP-30LI(config):/interface/wlan1-va0/vap/w80211kv-config/mac/E8:28:C1:FC:D6:90# exit
WOP-30LI(config):/interface/wlan1-va0/vap/w80211kv-config/mac# add E8:28:C1:FC:D6:70 (где E8:28:C1:FC:D6:70 — MAC-адрес «дружественной» точки доступа)
WOP-30LI(config):/interface/wlan1-va0/vap/w80211kv-config/mac# E8:28:C1:FC:D6:70
WOP-30LI(config):/interface/wlan1-va0/vap/w80211kv-config/mac/E8:28:C1:FC:D6:70# channel 36 (где 36 — канал, на котором работает точка доступа с MAC-адресом E8:28:C1:FC:D6:70)
WOP-30LI(config):/interface/wlan1-va0/vap/w80211kv-config/mac/E8:28:C1:FC:D6:70# exit
WOP-30LI(config):/interface/wlan1-va0/vap/w80211kv-config/mac# exit
WOP-30LI(config):/interface/wlan1-va0/vap/w80211kv-config# enabled true (включение работы точки доступа по протоколу 802.11k)
WOP-30LI(config):/interface/wlan1-va0/vap/w80211kv-config# save (сохранение настроек)

Настройка 802.11v

Роуминг по протоколу 802.11v может быть организован между любыми сетями (открытые/шифрованные). Если на точке доступа настроена работа по протоколу 802.11v, то в процессе своей работы устройство отправляет специальный пакет (BSS Transition) по команде администратора/контроллера (AirTune) в сторону клиента с рекомендацией об осуществлении клиентом роуминга. Последует ли клиентское устройство совету точки доступа или нет, гарантировать невозможно, так как в конечном счете решение о переключении на другую точку доступа принимает клиентская сторона. В совокупности со стандартом 802.11k, в сообщении с рекомендацией о переключении клиенту также передается список рекомендуемых для роуминга точек доступа с указанием, на каком канале работает каждая точка и по какому стандарту (IEEE 802.11n/ac/ax). После чего клиент анализирует эфир и принимает решение в зависимости от уровня сигнала, загруженности канала, конфигурации встречной точки доступа.

Данный вид роуминга доступен только для тех клиентских устройств, которые поддерживают 802.11v.

Настройка 802.11v

WOP-30LI(config):/interface/wlan1-va0/vap/w80211kv-config# enabled true (включение работы точки доступа по протоколу 802.11k/v)
WOP-30LI(config):/interface/wlan1-va0/vap/w80211kv-config# save (сохранение настроек)

Настройка WDS  

При конфигурировании WDS-соединения необходимо, чтобы на устройствах, которые будут соединяться по WDS, в настройках радиоинтерфейса был выбран одинаковый канал и ширина канала. Более подробную информацию о настройке радиоинтерфейса через командную строку можно узнать в разделе Настройки Radio.

Ниже представлена настройка WDS-соединения на интерфейсе Radio 5 ГГц (wlan1).

Настройка WDS

WOP-30LI(root):/# configure
WOP-30LI(config):/# interface
WOP-30LI(config):/interface# wlan1-wds0 (выбор линка WDS. Возможные значения для Radio 2.4 ГГц: wlan0–wds0 – wlan0–wds3; для Radio 5 ГГц: wlan1–wds0 – wlan1–wds3)
WOP-30LI(config):/interface/wlan1-wds0# wds
WOP-30LI(config):/interface/wlan1-wds0/wds# mac-addr XX:XX:XX:XX:XX:XX (MAC-адрес Radio-интерфейса встречной точки доступа, который можно узнать, если ввести на встречной точке доступа команду monitoring radio-interface)
WOP-30LI(config):/interface/wlan1-wds0/wds# exit
WOP-30LI(config):/interface/wlan1-wds0# common
WOP-30LI(config):/interface/wlan1-wds0/common# enabled true (включение линка WDS. Для отключения введите false)
WOP-30LI(config):/interface/wlan1-wds0/common# exit
WOP-30LI(config):/interface/wlan1-wds0# exit
WOP-30LI(config):/interface# wlan1 (при настройке WDS на Radio 2.4 ГГц введите wlan0)
WOP-30LI(config):/interface/wlan1# wlan
WOP-30LI(config):/interface/wlan1/wlan# wds
WOP-30LI(config):/interface/wlan1/wlan/wds# security-mode WPA2 (выбор режима безопасности WPA2. Возможные значения: WPA2, off — без пароля)
WOP-30LI(config):/interface/wlan1/wlan/wds# key-wpa password123 (ключ/пароль, необходимый для подключения к встречной точке доступа. Длина ключа должна составлять от 8 до 63 символов)
WOP-30LI(config):/interface/wlan1/wlan/wds# enabled true (включение WDS. Для отключения введите false)
WOP-30LI(config):/interface/wlan1/wlan/wds# save (сохранение настроек)

Настройка встречной точки доступа выполняется аналогично.

Настройка AirTune

Настройка AirTune

WOP-30LI(config):/# airtune
WOP-30LI(config):/airtune# airtune_service_url ws://192.168.1.20:8099/apb/rrm (где 192.168.1.20 — IP-адрес сервера, на котором установлен сервис AirTune)
WOP-30LI(config):/airtune# dca true (включение функционала динамического распределения каналов. Для отключения введите false)
WOP-30LI(config):/airtune# tpc true (включение функционала автоматического управления мощностью. Для отключения введите false)
WOP-30LI(config):/airtune# load-balance-80211v true (включение функционала балансировки клиентов. Для отключения введите false
WOP-30LI(config):/airtune# enabled true (включение взаимодействия с сервисом AirTune. Для отключения введите false)
WOP-30LI(config):/airtune# save (сохранение настроек)

Для автоматической настройки 802.11r через сервис AirTune на точке доступа необходимо включить функционал 802.11r, для этого выполните следующие настройки:

Настройка 802.11r через AirTune

WOP-30LI(config):/interface/wlan1-va0/vap/ft-config# enabled true (включение работы точки доступа по протоколу 802.11r)
WOP-30LI(config):/interface/wlan1-va0/vap/ft-config# save (сохранение настроек)

Для автоматической настройки 802.11k/v через сервис AirTune на точке доступа необходимо включить функционал 802.11k/v на SSID, для этого выполните следующие настройки: 

Настройка 802.11k/v через AirTune

WOP-30LI(config):/interface/wlan1-va0/vap/w80211kv-config# enabled true (включение поддержки протокола 802.11k/v на виртуальной точке доступа)
WOP-30LI(config):/interface/wlan1-va0/vap/w80211kv-config# save (сохранение настроек)

Настройка сервиса AirTune описана в документации контроллера SoftWLC.  

Настройки Radio

На Radio по умолчанию используется автоматический выбор рабочего канала. Для того чтобы установить канал вручную или сменить мощность, используйте следующие команды:

Смена рабочего канала и мощности радиоинтерфейса

WOP-30LI(root):/# configure
WOP-30LI(config):/# interface
WOP-30LI(config):/interface# wlan0
WOP-30LI(config):/interface/wlan0# wlan
WOP-30LI(config):/interface/wlan0/wlan# radio
WOP-30LI(config):/interface/wlan0/wlan/radio# channel X (где X — номер статического канала, на котором будет работать точка)
WOP-30LI(config):/interface/wlan0/wlan/radio# auto-channel false (отключение автовыбора канала. Для включения введите true)
WOP-30LI(config):/interface/wlan0/wlan/radio# use-limit-channels false (отключение использования ограниченного списка каналов. Для включения введите true)
WOP-30LI(config):/interface/wlan0/wlan/radio# bandwidth X (где X — ширина канала. Параметр может принимать значение: для Radio 1: 20, 40; Radio 2: 20, 40, 80)
WOP-30LI(config):/interface/wlan0/wlan/radio# tx-power X (где X — уровень мощности в дБм. Параметр может принимать значение: для Radio 1: 0–16 дБм; для Radio 2: 0–19 дБм)
WOP-30LI(config):/interface/wlan0/wlan/radio# tx-power-min X (где X — минимальный уровень мощности в дБм. Параметр может принимать значение: для Radio 1: 0–16 дБм; для Radio 2: 0–19 дБм)
WOP-30LI(config):/interface/wlan0/wlan/radio# tx-power-max X (где X — максимальный уровень мощности в дБм. Параметр может принимать значение: для Radio 1: 0–16 дБм; для Radio 2: 0–19 дБм)
WOP-30LI(config):/interface/wlan0/wlan/radio# save (сохранение настроек)

Списки доступных каналов

Для Radio 2.4 ГГц для выбора доступны следующие каналы:

  • при ширине канала 20 МГц: 1, 2, 3, 4, 5, 6, 7, 8, 9, 10, 11, 12, 13.
  • при ширине канала 40 МГц:
    • если «control-sideband» = lower: 1, 2, 3, 4, 5, 6, 7, 8, 9.
    • если «control-sideband» = upper: 5, 6, 7, 8, 9, 10, 11, 12, 13. 

Для Radio 5 ГГц для выбора доступны следующие каналы:

  • при ширине канала 20 МГц: 36, 40, 44, 48, 52, 56, 60, 64, 132, 136, 140, 144, 149, 153, 157, 161, 165.
  • при ширине канала 40 МГц:
    • если «control-sideband» = lower: 36, 44, 52, 60, 132, 140, 149, 157.
    • если «control-sideband» = upper: 40, 48, 56, 64, 136, 144, 153, 161.
  • при ширине канала 80 МГц: 36, 40, 44, 48, 52, 56, 60, 64, 132, 136, 140, 144, 149, 153, 157, 161.

Параметры tx-power-min и tx-power-max применяются только в режиме работы с сервисом AirTune.

Дополнительные настройки Radio

Настройка ограниченного списка каналов

WOP-30LI(config):/interface/wlan0/wlan/radio# use-limit-channels true (включение использования ограниченного списка каналов в работе автовыбора каналов. Для выключения введите false)
WOP-30LI(config):/interface/wlan0/wlan/radio# limit-channels '1 6 11' (где 1, 6, 11 — каналы диапазона, в котором может работать настраиваемый радиоинтерфейс)

Настройка ограниченного списка каналов в режиме STA

WOP-30LI(config):/interface/wlan0/wlan/radio# use-limit-channels-client true (включение использования ограниченного списка каналов в режиме клиента (STA). Для отключения введите false. По умолчанию: false)
WOP-30LI(config):/interface/wlan0/wlan/radio# limit-channels-client '1 6 11' (где 1, 6, 11 — каналы диапазона, в котором может работать настраиваемый  радиоинтерфейс в режиме клиента (STA))

Изменение основного канала

WOP-30LI(config):/interface/wlan0/wlan/radio# control-sideband lower (параметр может принимать значение: lower, upper. По умолчанию: для Radio 1: lower; для Radio 2: upper)

Включение использования короткого защитного интервала

WOP-30LI(config):/interface/wlan0/wlan/radio# sgi true (включение использования укороченного защитного интервала для передачи данных — 400 нс, вместо 800 нс. Для отключения введите false)

Включение STBC

WOP-30LI(config):/interface/wlan0/wlan/radio# stbc true (включение метода пространственно-временного блочного кодирования (STBC), направленного на повышение надежности передачи данных. Для отключения введите false)

Включение агрегации

WOP-30LI(config):/interface/wlan0/wlan/radio# aggregation true (включение агрегации на Radio — поддержки AMPDU/AMSDU. Для отключения введите false)

Включение использования короткой преамбулы

WOP-30LI(config):/interface/wlan0/wlan/radio# short-preamble true (включение использования короткой преамбулы пакета. Для отключения введите false)

Включение Wi-Fi Multimedia (WMM)

WOP-30LI(config):/interface/wlan0/wlan/radio# wmm true (включение поддержки WMM (Wi-Fi Multimedia) Для отключения введите false)

Настройка механизма DFS

Настройка производится только на Radio 5 ГГц (wlan1)

WOP-30LI(config):/interface/wlan1/wlan/radio# dfs X (где X — режим работы механизма DFS. Может принимать значения: forced — механизм выключен, DFS-каналы доступны для выбора; auto — механизм включен; disabled — механизм выключен, DFS-каналы недоступны для выбора)

Включение режима автоматической смены ширины канала

WOP-30LI(config):/interface/wlan0/wlan/radio# obss-coex true (включение режима автоматической смены ширины канала с 40 МГц на 20 МГц при загруженном радиоэфире. Для отключения введите false)

Включение шейпера Broadcast/Multicast

WOP-30LI(config):/interface/wlan0/wlan/radio# tx-broadcast-limit X (где X — ограничение передачи широковещательного/мультикастового трафика по беспроводной сети, указывается лимит для широковещательного трафика в пак/с)

Включение QoS и изменение параметров

WOP-30LI(config):/interface/wlan0/wlan/radio# qos
WOP-30LI(config):/interface/wlan0/wlan/radio/qos# enable true (включение использования функций, обеспечивающих качество обслуживания (Quality of Service). Для отключения введите false)
WOP-30LI(config):/interface/wlan0/wlan/radio/qos# edca-ap (настройка параметров QoS точки доступа, трафик передается от точки доступа к клиенту)
WOP-30LI(config):/interface/wlan0/wlan/radio/qos/edca-ap# bk (настройка параметров QoS для низкоприоритетной очереди с высокой пропускной способностью, приоритеты 802.1p: cs1, cs2)
WOP-30LI(config):/interface/wlan0/wlan/radio/qos/edca-ap/bk# aifs X (где X — время ожидания кадров (фреймов) данных, измеряемое в слотах. Принимает значения 1–255)
WOP-30LI(config):/interface/wlan0/wlan/radio/qos/edca-ap/bk# cwmin X (X — начальное значение времени ожидания перед повторной отправкой кадра, задается в миллисекундах. Принимает значения: 1, 3, 7, 15, 31, 63, 127, 255, 511, 1023. Значение cwMin не может превышать значение cwMax)
WOP-30LI(config):/interface/wlan0/wlan/radio/qos/edca-ap/bk# cwmax X (где X — максимальное значение времени ожидания перед повторной отправкой кадра, задается в миллисекундах. Принимает значения: 1, 3, 7, 15, 31, 63, 127, 255, 511, 1023. Значение cwMax должно быть больше значения cwMin)
WOP-30LI(config):/interface/wlan0/wlan/radio/qos/edca-ap/bk# txop X (где X — интервал времени в миллисекундах, когда клиентская WME-станция имеет права инициировать передачу данных по беспроводной среде к точке доступа. Максимальное значение 65535 миллисекунд)
WOP-30LI(config):/interface/wlan0/wlan/radio/qos/edca-ap/bk# exit
WOP-30LI(config):/interface/wlan0/wlan/radio/qos/edca-ap# exit
WOP-30LI(config):/interface/wlan0/wlan/radio/qos# edca-sta (настройка параметров QoS клиента: трафик передается от клиента до точки доступа)
WOP-30LI(config):/interface/wlan0/wlan/radio/qos# save (сохранение настроек)

Методика настройки edca-sta аналогична методике настройки edca-ap.
Настройка параметров для очередей be, vi, vo аналогична настройке параметров для очереди bk

Настройка DHCP опции 82  

Настройка DHCP опции 82 производится отдельно для каждого радиоинтерфейса. В данном разделе приводятся примеры настройки опции 82 для Radio 2.4 ГГц – wlan0.

Режимы работы DHCP snooping:

  • ignore – обработка опции 82 отключена. Значение по умолчанию;
  • replace – точка доступа подставляет или заменяет значение опции 82;
  • remove – точка доступа удаляет значение опции 82. 
Изменение режима работы DHCP опции 82

WOP-30LI(root):/# configure
WOP-30LI(config):/# interface
WOP-30LI(config):/interface# wlan0 (настройка будет производиться для Radio 2.4 ГГц. Если необходимо настроить 82 опцию на Radio 5 ГГц — введите wlan1)
WOP-30LI(config):/interface/wlan0# common
WOP-30LI(config):/interface/wlan0/common# dhcp-snooping
WOP-30LI(config):/interface/wlan0/common/dhcp-snooping# dhcp-snooping-mode replace (выбор работы DHCP snooping в режиме замены или подставления опции 82)
WOP-30LI(config):/interface/wlan0/common/dhcp-snooping# save (сохранение настроек)

Если на радиоинтерфейсе настроена политика обработки опции 82 replace, то для конфигурирования становятся доступны следующие параметры:

Настройка параметров опции 82

WOP-30LI(config):/interface/wlan0/common/dhcp-snooping# dhcp-option-82-CID-format custom (где custom замена содержимого CID на значение, указанное в параметре dhcp-option-82-custom-CIDПараметр может принимать значения: APMAC-SSID — замена содержимого CID на <MAC-адрес точки доступа>-<имя SSID>. SSID — замена содержимого CID на имя SSID, к которому подключен клиент. По умолчанию: APMAC-SSID)
WOP-30LI(config):/interface/wlan0/common/dhcp-snooping# dhcp-option-82-RID-format custom (где custom — замена содержимого RID на значение, указанное в параметре dhcp-option-82-custom-RID. Параметр может принимать значения: ClientMAC — замена содержимого RID на MAC-адрес клиентского устройства. APMAC замена содержимого RID на MAC-адрес точки доступа. APdomain — замена содержимого RID на домен, в котором находится точка доступа. По умолчанию: ClientMAC)
WOP-30LI(config):/interface/wlan0/common/dhcp-snooping# dhcp-option-82-custom-CID longstring (где longstring — значение от 1 до 52 символов, которое будет передаваться в CID. Если значение параметра dhcp-option-82-custom-CID не задано, точка будет изменять CID на значение по умолчанию: <MAC-адрес точки доступа>-<имя SSID>)
WOP-30LI(config):/interface/wlan0/common/dhcp-snooping# dhcp-option-82-custom-RID longstring (где longstring — значение от 1 до 63 символов, которое будет передаваться в RID. Если значение параметра dhcp-option-82-custom-RID не задано, точка будет изменять RID на значение по умолчанию: MAC-адрес клиентского устройства)
WOP-30LI(config):/interface/wlan0/common/dhcp-snooping# dhcp-option-82-MAC-format radius ыбор разделителя октетов MAC-адреса, который передается в RID и CID. radius в качестве разделителя выступает знак тире: AA-BB-CC-DD-EE-FF; default — в качестве разделителя выступает знак двоеточия: AA:BB:CC:DD:EE:FF)
WOP-30LI(config):/interface/wlan0/common/dhcp-snooping# save (сохранение настроек)

Настройка репликации DHCP 

Настройка активирует функционал преобразования broadcast DHCP-ответов от сервера в unicast при их передаче беспроводному клиенту.

Это позволяет повысить стабильность обмена DHCP между клиентом и сервером в радиосреде.

Настройка глобальная, применяется на все VAP радиоинтерфейса.

Ниже представлена настройка репликации DHCP для Radio 5 ГГц (wlan1).

Настройка репликации DHCP 

WOP-30LI(root):/# configure
WOP-30LI(config):/# interface
WOP-30LI(config):/interface# wlan1
WOP-30LI(config):/interface/wlan1# common
WOP-30LI(config):/interface/wlan1/common# dhcp-snooping
WOP-30LI(config):/interface/wlan1/common/dhcp-snooping# dhcp-replication-mode true (включение репликации DHCP. По умолчанию выключено, false)
WOP-30LI(config):/interface/wlan1/common/dhcp-snooping# save (сохранение настроек)

Настройка репликации ARP 

Настройка arp-suppression производится отдельно для каждого радиоинтерфейса. В данном разделе приводятся примеры настройки arp-suppression для Radio 2.4 ГГц – wlan0.

После включения arp-suppression происходит подмена MAC-адреса получателя.

Настройка репликации ARP

WOP-30LI(root):/# configure
WOP-30LI(config):/# interface
WOP-30LI(config):/interface# wlan0
WOP-30LI(config):/interface/wlan0# common
WOP-30LI(config):/interface/wlan0/common# arp-suppression
WOP-30LI(config):/interface/wlan0/common/arp-suppression# enabled true (включение arp-suppression. По умолчанию выключено: false)
WOP-30LI(config):/interface/wlan0/common/arp-suppression# drop-unknown-arp-ip true (управление репликацией ARP. Если параметр включен true, то происходит отбрасывание пакетов с неизвестным IP-адресом назначения. Если параметр выключен false, то пакеты будут передаваться широковещательно. По умолчанию включено: true. Работает только с включенным arp-suppression)
WOP-30LI(config):/interface/wlan0/common/arp-suppression# save (сохранение настроек)

Настройка режима клиента (STA) 

 Настройку режима клиента (STA) можно осуществлять на wlan0 — радиоинтерфейс 2.4 ГГц или wlan1 — радиоинтерфейс 5 ГГц.

Настройка режима клиента STA без шифрования

WOP-30LI(root):/# configure
WOP-30LI(config):/# interface
WOP-30LI(config):/interface# wlan0
WOP-30LI(config):/interface/wlan0# wlan
WOP-30LI(config):/interface/wlan0/wlan# mode sta (выбор режима работы устройства)
WOP-30LI(config):/interface/wlan0/wlan# sta
WOP-30LI(config):/interface/wlan0/wlan/sta# ssid 'SSID_WOP-30LI_open' (изменение имени SSID)
WOP-30LI(config):/interface/wlan0/wlan/sta# security-mode off (режим шифрования off — без пароля)
WOP-30LI(config):/interface/wlan0/wlan/sta# save (сохранение настроек)

Настройка режима клиента STA с OWE

WOP-30LI(root):/# configure
WOP-30LI(config):/# interface
WOP-30LI(config):/interface# wlan0
WOP-30LI(config):/interface/wlan0# wlan
WOP-30LI(config):/interface/wlan0/wlan# mode sta (выбор режима работы устройства)
WOP-30LI(config):/interface/wlan0/wlan# sta
WOP-30LI(config):/interface/wlan0/wlan/sta# ssid 'SSID_WOP-30LI_OWE' (изменение имени SSID)
WOP-30LI(config):/interface/wlan0/wlan/sta# security-mode OWE (режим шифрования OWE — шифрованное соединение без ввода пароля. В таком режиме смогут подключиться только клиенты Wi-Fi 6) 
WOP-30LI(config):/interface/wlan0/wlan/sta# save (сохранение настроек)

Настройка режима клиента STA с режимом безопасности WPA-Personal

WOP-30LI(root):/# configure
WOP-30LI(config):/# interface
WOP-30LI(config):/interface# wlan0
WOP-30LI(config):/interface/wlan0# wlan
WOP-30LI(config):/interface/wlan0/wlan# mode sta (выбор режима работы устройства)
WOP-30LI(config):/interface/wlan0/wlan# sta
WOP-30LI(config):/interface/wlan0/wlan/sta# ssid 'SSID_WOP-30LI_WPA2' (изменение имени SSID)
WOP-30LI(config):/interface/wlan0/wlan/sta# security-mode WPA2 (режим шифрования — WPA2)
WOP-30LI(config):/interface/wlan0/wlan/sta# key-wpa password123 (где password123 — ключ/пароль, необходимый для подключения к виртуальной точке доступа. Длина ключа должна составлять от 8 до 63 символов)
WOP-30LI(config):/interface/wlan0/wlan/sta# save (сохранение настроек)

Системные настройки 

Обновление ПО устройства

Обновление ПО точки доступа по tftp
WOP-30LI(root):/# firmware upload tftp <IP-адрес TFTP-сервера> <Название файла ПО>  (пример: firmware upload tftp 192.168.1.15 WOP-30LI-2.8.0_build_X.tar.gz) 
WOP-30LI(root):/# firmware upgrade
Обновление ПО точки доступа по http
WOP-30LI(root):/# firmware upload http <URL для скачивания файла ПО> (пример: firmware upload http http://192.168.1.100:8080/files/WOP-30LI-2.8.0_build_X.tar.gz)
WOP-30LI(root):/# firmware upgrade
Переключение на резервную версию ПО точки доступа
WOP-30LI(root):/# firmware switch

Управление конфигурацией устройства

Сброс конфигурации устройства в дефолтное состояние без сохранения параметров доступа
WOP-30LI(root):/# manage-config reset-to-default
Сброс конфигурации устройства в дефолтное состояние с сохранением параметров доступа
WOP-30LI(root):/# manage-config reset-to-default-without-management
Скачать конфигурационный файл устройства на TFTP-сервер
WOP-30LI(root):/# manage-config download tftp <IP-адрес TFTP-сервера> (пример: manage-config download tftp 192.168.1.15)
Скачать конфигурационный файл устройства на сервер/ПК через SCP
scp <Пользователь>@<IP-адрес устройства>:/etc/config/config.json config.json (пример: scp admin@192.168.1.15:/etc/config/config.json config.json. Данная команда выполняется на сервере/ПК)
Загрузить конфигурационный файл на устройство с TFTP-сервера

WOP-30LI(root):/# manage-config upload tftp <IP-адрес TFTP-сервера> <Название файла конфигурации> (пример: manage-config upload tftp 192.168.1.15 config.json)
WOP-30LI(root):/# manage-config apply (применение конфигурации на точку доступа)

Перезагрузка устройства

Команда для перезагрузки устройства
WOP-30LI(root):/# reboot

Настройка режима аутентификации

Устройство имеет заводскую учетную запись admin с паролем password. Удалить данную учетную запись нельзя. Изменить пароль можно с помощью указанных ниже команд.

Изменение пароля для учетной записи admin

WOP-30LI(root):/# configure
WOP-30LI(config):/# authentication
WOP-30LI(config):/authentication# admin-password <Новый пароль для учетной записи admin> (от 1 до 64 символов, включая латинские буквы и цифры)
WOP-30LI(config):/authentication# save

Возможно создать дополнительных пользователей для локальной аутентификации, а также аутентификации через RADIUS.

Новым пользователям должна быть назначена одна из двух ролей:
admin — пользователь с такой ролью будет иметь полный доступ к конфигурированию и мониторингу точки доступа;
viewer — пользователь с такой ролью будет иметь доступ только к мониторингу точки доступа.

Добавление новых пользователей

WOP-30LI(root):/# configure
WOP-30LI(config):/# authentication
WOP-30LI(config):/authentication# user
WOP-30LI(config):/authentication/user# add userX (где userX — имя новой учетной записи. Для удаления используйте команду del)
WOP-30LI(config):/authentication/user# userX
WOP-30LI(config):/authentication/user/userX# login userX (где userX — имя новой учетной записи)
WOP-30LI(config):/authentication/user/userX# password <Пароль для учетной записи userX> (от 1 до 64 символов, включая латинские буквы и цифры)
WOP-30LI(config):/authentication/user/userX# role admin (пользователю выдаются права на конфигурирование. Возможное значение viewer — учетной записи будет доступен только мониторинг)
WOP-30LI(config):/authentication/user/userX# save (сохранение настроек)

Для аутентификации через RADIUS-сервер необходимо настроить параметры доступа к нему.

Настройка параметров доступа к RADIUS-серверу

WOP-30LI(root):/# configure
WOP-30LI(config):/# authentication
WOP-30LI(config):/authentication# radius
WOP-30LI(config):/authentication/radius# auth-address X.X.X.X (где X.X.X.X — IP-адрес RADIUS-сервера)
WOP-30LI(config):/authentication/radius# auth-port X (где Х — порт RADIUS-сервера, который используется для аутентификации и авторизации. По умолчанию: 1812)
WOP-30LI(config):/authentication/radius# auth-password secret (где secret — ключ для RADIUS-сервера, используемого для аутентификации и авторизации)
WOP-30LI(config):/authentication/radius# exit
WOP-30LI(config):/authentication# radius-auth true (включение режима аутентификации через RADIUS-сервер. Для отключения введите false)
WOP-30LI(config):/authentication# save (сохранение настроек)

При аутентификации через RADIUS-сервер необходимо обязательно создать локальную учетную запись, которая будет аналогична учетной записи на RADIUS-сервере.
При этом в локальной учетной записи обязательно должна быть указана роль, определяющая права доступа (admin или viewer).
В случае если RADIUS-сервер окажется недоступен, аутентификация пройдет по локальной учетной записи.

Настройка даты и времени

Команды для настройки сихронизации времени с сервером NTP

WOP-30LI(root):/# configure
WOP-30LI(config):/# date-time
WOP-30LI(config):/date-time# mode ntp (включение режима работы с NTP)
WOP-30LI(config):/date-time# ntp
WOP-30LI(config):/date-time/ntp# server <IP-адрес NTP-сервера> (установка NTP-сервера)
WOP-30LI(config):/date-time/ntp# alt-servers (установка дополнительных NTP-серверов)
WOP-30LI(config):/date-time/ntp/alt-servers# add <Доменное имя/IP-адрес NTP-сервера в конфигурации> (создание раздела конфигурации дополнительного NTP-сервера. Максимальное количество: 8. Для удаления используйте команду del)
WOP-30LI(config):/date-time/ntp/alt-servers# exit
WOP-30LI(config):/date-time/ntp#exit
WOP-30LI(config):/date-time# common
WOP-30LI(config):/date-time/common# timezone 'Asia/Novosibirsk (Novosibirsk)' (установка временной зоны)
WOP-30LI(config):/date-time/common# save (сохранение настроек)

Дополнительные настройки системы 

Включение глобальной изоляции

WOP-30LI(root):/# configure
WOP-30LI(config):/# system
WOP-30LI(config):/system# global-station-isolation true (включение глобальной изоляции трафика между клиентами разных VAP и разных радиоинтерфейсов. Для отключения введите false)
WOP-30LI(config):/system# save (сохранение настроек)

Изменение имени устройства

WOP-30LI(root):/# configure
WOP-30LI(config):/# system
WOP-30LI(config):/system# hostname WOP-30LI_room2 (где WOP-30LI_room2 — новое имя устройства. Параметр может содержать от 1 до 63 символов: латинские заглавные и строчные буквы, цифры, знак дефис «-» (дефис не может быть последним символом в имени). По умолчанию: WOP-30LI)
WOP-30LI(config):/system# save (сохранение настроек)

Изменение географического домена

WOP-30LI(root):/# configure
WOP-30LI(config):/# system
WOP-30LI(config):/system# ap-location ap.test.root (где ap.test.root — домен узла дерева устройств системы управления EMS, в котором располагается точка доступа. По умолчанию: root)
WOP-30LI(config):/system# save (сохранение настроек)

Изменение Radius NAS-ID

WOP-30LI(root):/# configure
WOP-30LI(config):/# system
WOP-30LI(config):/system# nas-id Lenina_1.Novovsibirsk.root (где Lenina_1.Novovsibirsk.root — идентификатор данной точки доступа. Параметр предназначен для идентификации устройства на RADIUS-сервере, в случае если RADIUS ожидает значение, отличное от MAC-адреса. По умолчанию: MAC-адрес точки доступа)
WOP-30LI(config):/system# save (сохранение настроек)

Настройка LLDP

WOP-30LI(root):/# configure
WOP-30LI(config):/# lldp
WOP-30LI(config):/lldp# enabled true (включение функционала LLDP. Для выключения введите false. По умолчанию: true)
WOP-30LI(config):/lldp# tx-interval Х (где Х — изменение периода отправки LLDP-сообщений. Возможные значения: 1–86400. По умолчанию: 30)
WOP-30LI(config):/lldp# system-name WOP-30LI_reserv (где WOP-30LI_reserv — новое имя устройства. По умолчанию: WOP-30LI)
WOP-30LI(config):/lldp# save (сохранение настроек)

Изменение пароля

WOP-30LI(root):/# configure
WOP-30LI(config):/# authentication
WOP-30LI(config):/authentication# admin-password newpassword (где newpassword — новый пароль для входа в систему точки доступа. По умолчанию: password)
WOP-30LI(config):/authentication# save (сохранение настроек)

Настройка параметров портальной авторизации 

Настройка параметров портальной авторизации

WOP-30LI(root):/# configure
WOP-30LI(config):/# captive-portal
WOP-30LI(config):/captive-portal# ap-ip-alias <Доменное имя> (доменное имя, на которое будет совершаться перенаправление клиентов. По умолчанию: redirect.loc)
WOP-30LI(config):/captive-portal# tinyproxy-https true (включение перенаправления клиентов по протоколу HTTPS. Для перенаправления по протоколу HTTP введите false. По умолчанию: false)
WOP-30LI(config):/captive-portal# save (сохранение настроек)

DNS-запрос доменного имени, указанного в ap-ip-alias, будет перехвачен точкой доступа. На этот запрос будет отправлен ответ, и в ответе будет IP-адрес точки доступа.

Настройка имен параметров, передаваемых веб-сервером авторизации

WOP-30LI(root):/# configure
WOP-30LI(config):/# captive-portal
WOP-30LI(config):/captive-portal# web-redirector
WOP-30LI(config):/captive-portal/web-redirector# param-names
WOP-30LI(config):/captive-portal/web-redirector/param-names# redirect_url original_url (настройка имени параметра, содержащего исходный URL, запрошенный клиентом. Клиент будет переадресован на данный URL в случае успешной авторизации)
WOP-30LI(config):/captive-portal/web-redirector/param-names# error_url err_url (настройка имени параметра, содержащего URL, куда будет переадресован клиент в случае ошибки авторизации)
WOP-30LI(config):/captive-portal/web-redirector/param-names# username login (настройка имени параметра, содержащего логин для клиента)
WOP-30LI(config):/captive-portal/web-redirector/param-names# password pass (настройка имени параметра, содержащего пароль для клиента)
WOP-30LI(config):/captive-portal/web-redirector/param-names# save (сохранение настроек)

Настройка нужна, если имена параметров в ответе http с кодом 302 отличаются от дефолтных имен, принимающихся точкой доступа.

В значениях параметров redirect_url, error_url, username, password можно использовать только латиницу любого регистра, а также символы $\-_.!*'() длиной от 0 до 255 символов.

Настройка адаптивного режима работы портальной авторизации

WOP-30LI(root):/# configure
WOP-30LI(config):/# captive-portal
WOP-30LI(config):/captive-portal# web-redirector
WOP-30LI(config):/captive-portal/web-redirector# captive-adaptive true (включение адаптивного режима работы портальной авторизации для устройств iOS. Для отключения введите false. По умолчанию: false)
WOP-30LI(config):/captive-portal/web-redirector# save (сохранение настроек)

При включенном адаптивном режиме работы при сворачивании окна авторизации на устройствах iOS разрыва соединения происходить не будет.

Настройка правил ipv4-acl

WOP-30LI(root):/# configure
WOP-30LI(config):/# acl
WOP-30LI(config):/acl# ipv4 
WOP-30LI(config):/acl/ipv4# add ipv4_list (создание списка ACL правил) 
WOP-30LI(config):/acl/ipv4# ipv4_list
WOP-30LI(config):/acl/ipv4/ipv4_list# entry
WOP-30LI(config):/acl/ipv4/ipv4_list/entry# add 0 (создание ACL правила) 
WOP-30LI(config):/acl/ipv4/ipv4_list/entry# 0
WOP-30LI(config):/acl/ipv4/ipv4_list/entry/0# action permit (указание действия для правила. Возможные варианты: permit — разрешить, deny — запретить)
WOP-30LI(config):/acl/ipv4/ipv4_list/entry/0# protocol-mode any (настройка режима работы протокола, по которому будет отрабатывать правило. Возможные значения: any — любой протокол, value — конкретный протокол)
WOP-30LI(config):/acl/ipv4/ipv4_list/entry/0# protocol gre (выбор протокола. Возможные значения: gre, icmp, igmp, tcp, udp)
WOP-30LI(config):/acl/ipv4/ipv4_list/entry/0# src-port-start X (где Х — начальный порт источника)
WOP-30LI(config):/acl/ipv4/ipv4_list/entry/0# src-port-end X (где Х — конечный порт источника. Используется только для src-port-mode range)
WOP-30LI(config):/acl/ipv4/ipv4_list/entry/0# src-mode host (настройка режима фильтрации источника. Возможные варианты: any — любой источник, host — фильтрация по адресу хоста, network — фильтрация по адресу сети)
WOP-30LI(config):/acl/ipv4/ipv4_list/entry/0# src-ip X.X.X.X (где X.X.X.X — IP-адрес хоста источника)
WOP-30LI(config):/acl/ipv4/ipv4_list/entry/0# src-mask X.X.X.X (где X.X.X.X — маска подсети хоста источника)
WOP-30LI(config):/acl/ipv4/ipv4_list/entry/0# src-port-mode any (настройка режима работы порта источника. Возможные значения:
any — любой режим, eq — равно, gt — больше, lt — меньше, neq — не равно, range — диапазон портов)
WOP-30LI(config):/acl/ipv4/ipv4_list/entry/0# dst-mode host (настройка режима фильтрации назначения. Возможные варианты: any — любой источник, host — фильтрация по адресу хоста, network — фильтрация по адресу сети)
WOP-30LI(config):/acl/ipv4/ipv4_list/entry/0# dst-ip X.X.X.X (где X.X.X.X — IP-адрес хоста назначения)
WOP-30LI(config):/acl/ipv4/ipv4_list/entry/0# dst-mask X.X.X.X (где X.X.X.X — маска подсети хоста назначения)
WOP-30LI(config):/acl/ipv4/ipv4_list/entry/0# dst-port-mode any (настройка режима работы порта назначения. Возможные значения:
any —любой режим, eq — равно, gt — больше, lt — меньше, neq — не равно, range — диапазон портов)
WOP-30LI(config):/acl/ipv4/ipv4_list/entry/0# dst-port-start X (где Х — начальный порт назначения)
WOP-30LI(config):/acl/ipv4/ipv4-acl/ipv4_list/entry/0# dst-port-end X (где Х — конечный порт назначения. Используется только для dst-port-mode range)

WOP-30LI(config):/acl/ipv4/ipv4-acl/ipv4_list/entry/0# save (cохранение настроек)

Настройка правил url-acl

WOP-30LI(root):/# configure
WOP-30LI(config):/# acl
WOP-30LI(config):/acl# url 
WOP-30LI(config):/acl/url#  add url_list (создание списка ACL правил) 
WOP-30LI(config):/acl/url#  url_list
WOP-30LI(config):/acl/url/url_list# action permit (указание действия для списка. Возможные варианты: permit — разрешить, deny — запретить)
WOP-30LI(config):/acl/url/url_list# entry
WOP-30LI(config):/acl/url/url_list/entry# add 0 (создание ACL правила) 
WOP-30LI(config):/acl/url/url_list/entry# 0
WOP-30LI(config):/acl/url/url_list/entry/0# domain <Доменное имя> (указание домена или регулярного выражения)
WOP-30LI(config):/acl/url/url_list/entry/0# save (сохранение настроек)

Управление портальным сертификатом  

Загрузка сертификата для редиректа по HTTPS по tftp

WOP-30LI(root):/# manage-certificates portal upload tftp <IP-адрес TFTP-сервера> <Название файла> 
(пример: manage-certificates portal upload tftp 192.168.1.15 portal.pem) 

Загрузка сертификата для редиректа по HTTPS по http

WOP-30LI(root):/# manage-certificates portal upload http <URL для скачивания файла ПО> 
(пример: manage-certificates portal upload http http://192.168.1.100:8080/files/portal.pem)

Стирание сертификата

WOP-30LI(root):/# manage-certificates portal erase 

Настройкa сервиса APB

Сервис APB используется для обеспечения портального роуминга клиентов между точками доступа, подключенными к сервису. 

Команды для настройки сервиса APB

WOP-30LI(root):/# configure
WOP-30LI(config):/# captive-portal
WOP-30LI(config):/captive-portal# apbd 
WOP-30LI(config):/captive-portal/apbd# roam_service_url <Адрес сервиса APB> (пример: roam_service_url ws://192.168.1.100:8090/apb/broadcast)
WOP-30LI(config):/captive-portal/apbd# enabled true (включение сервиса APB. Для отключения введите false)
WOP-30LI(config):captive-portal/apbd# save (сохранение настроек)

Настройка DAS-сервера 

Функционал DAS-сервера обеспечивает обработку запросов динамической авторизации RADIUS точками доступа.

Команды для настройки DAS-сервера

WOP-30LI(root):/# configure
WOP-30LI(config):/# das-server
WOP-30LI(config):/das-server# enabled true (включение DAS-сервера. Для отключения введите false)
WOP-30LI(config):/das-server# port X (где Х — порт DAS-сервера. По умолчанию: 3799)
WOP-30LI(config):/das-server# auth-password secret (где secret пароль для DAS-сервера, используется при шифровании RADIUS-запросов)
WOP-30LI(config):/das-server# save (сохранение настроек)

Настройка менеджера пассивного сканирования радиоокружения

Для осуществления постоянного сканирования на точке доступа, необходимо настроить менеджер пассивного сканирования "scand".

Команды для настройки scand

WOP-30LI(root):/# configure
WOP-30LI(config):/# scand
WOP-30LI(config):/scand# neighbor-scan
WOP-30LI(config):/scand/neighbor-scan# neighbor-scan-enabled true (включение постоянного сканирования. Для отключения введите false)
WOP-30LI(config):/scand/neighbor-scan# save (сохранение настроек)

Мониторинг

Wi-Fi клиенты

WOP-30LI(root):/# monitoring associated-clients

 index                    | 0
 hw-addr                  | 68:13:E2:xx:xx:xx
 interface                | wlan1-va0
 rfid                     | 1
 wid                      | 0
 band                     | 5
 state                    | ASSOC SLEEP AUTH_SUCCESS 
 ssid                     | WOP-30LI_5GHz
 vlan-id                  | 100
 ip-addr                  | 192.168.1.15
 frequency                | 5200
 channel                  | 40
 hostname                 | client
 username                 | 79xxxxxxxxx
 domain                   | root
 dhcp-request-status      | obtained
 authorized               | true
 captive-portal-vap       | true
 enterprise-vap           | false
 radius-mac-auth          | not-required
 portal-auth              | authorized
 portal-auth-time         | 00:03:57
 wlan-auth-type           | Open
 wlan-auth-status         | authorized
 wlan-auth-time           | 00:04:27
 rx-retry-count           | 227
 tx-fails                 | 0
 tx-period-retry          | 71
 tx-retry-count           | 1801
 rssi-1                   | -35
 rssi-2                   | -42
 rssi                     | -42
 max-rssi-1               | -31
 max-rssi-2               | -40
 max-rssi                 | -31
 snr-1                    | 38
 snr-2                    | 38
 snr                      | 38
 noise-1                  | -73
 noise-2                  | -80
 noise                    | -73
 tx-rate                  | HE NSS2 MCS10 SGI 258.1
 rx-rate                  | HE NSS2 MCS9 MGI 216.7
 rx-bw                    | 20M
 rx-bw-all                | 20M
 tx-bw                    | 20M
 uptime                   | 00:04:27
 mfp                      | false
 wireless-mode            | ax
 perftest-capable         | false
 link-quality             | 95
 link-quality-common      | 95
 tx-retry-ratio           | 14
 actual-tx-rate           | 745
 actual-rx-rate           | 112
 shaped-rx-rate           | 111
 actual-tx-pps            | 33
 actual-rx-pps            | 45
 shaped-rx-pps            | 60
 link-capacity            | 78
 multicast-groups-count   | 1
 using-802.11r            | no
 using-802.11k            | no
 using-802.11v            | no
 twt-support              | none
 name                     | 0

Counter                  Transmitted               Received                    
----------------------   -----------------------   -------------------------   
Total Packets:           1997                      964                         
TX success:              100                                                   
Total Bytes:             2071963                   367428                      
Data Packets:            1989                      957                         
Data Bytes:              2071530                   367197                      
Mgmt Packets:            8                         7                           
Mgmt Bytes:              433                       231                         
Dropped Packets:         0                         0                           
Dropped Bytes:           0                         0                           
Lost Packets:            0                                                     

Rate              Transmitted               Received                    
---------------   -----------------------   -------------------------   
he-nss2-mcs4      0              |   0%     2              |   0%       
he-nss2-mcs6      0              |   0%     116            |  12%       
he-nss2-mcs7      46             |   2%     73             |   7%       
he-nss2-mcs8      224            |  11%     242            |  25%       
he-nss2-mcs9      455            |  22%     432            |  45%       
he-nss2-mcs10     458            |  23%     77             |   8%       
he-nss2-mcs11     806            |  40%     15             |   1%       

Multicast groups:
MAC                 IP                
-----------------   ---------------   
01:00:5E:00:00:FB   xxx.0.0.251        

Беспроводной канал

WOP-30LI(root):/# monitoring wireless-peer 

 index                    | 0
 hw-addr                  | 68:13:E2:xx:xx:xx
 interface                | wlan1
 band                     | 5
 state                    | ASSOC STATION 
 frequency                | 5200
 rssi-1                   | -40
 rssi-2                   | -43
 snr-1                    | 36
 snr-2                    | 36
 noise-1                  | -76
 noise-2                  | -79
 tx-rate                  | HE NSS2 MCS9 SGI 229.4
 rx-rate                  | HE NSS2 MCS9 SGI 229.4
 tx-bw                    | 20M
 rx-bw                    | 20M
 uptime                   | 00:03:26
 wireless-mode            | ax

WDS

monitoring wds-entries <mac-адрес встречной точки доступа 1> ... <mac-адрес встречной точки доступа N> filter <параметр 1> ... <параметр N>,

где <mac-адрес встречной точки доступа 1> ... <mac-адрес встречной точки доступа N> — mac-адреса встречных точек доступа, с которыми построены WDS-мосты. Для того, чтобы вывести информацию по всем встречным точкам введите вместо <mac-адреса встречной точки доступа> all;

        filter — специальное слово, после которого указываются параметры мониторинга, необходимые для вывода по одной или нескольким встречным точкам доступа;

        <параметр 1> ... <параметр N> — параметр/параметры мониторинга, необходимые для вывода по одной или нескольким встречным точкам доступа.

Для вывода списка точек доступа, с которыми построены WDS-мосты, нажмите после monitoring wds-entries клавишу Tab.

WOP-30LI(root):/# monitoring wds-entries <Tab>

e8:28:c1:d1:43:15
e8:28:c1:da:cb:80
all

 Для получения списка параметров мониторинга после filter нажмите клавишу Tab.

WOP-30LI(root):/# monitoring wds-entries all filter <Tab>

index                                                                                                                          
interface                                                                                                                      
hw-addr                                                                                                                        
state                                                                                                                          
ip-addr                                                                                                                        
hostname                                                                                                                       
rx-retry-count                                                                                                                 
tx-fails                                                                                                                       
tx-period-retry                                                                                                                
tx-retry-count                                                                                                                 
noise-1                                                                                                                        
noise-2                                                                                                                        
rssi-1                                                                                                                         
rssi-2 
..... 
Вывод информации по всем встречным точкам доступа

WOP-30LI(root):/# monitoring wds-entries (или monitoring wds-entries all)

 index                    | 0
 hw-addr                  | e8:28:c1:d1:43:15
 interface                | wlan1
 rfid                     | -1
 wid                      | -1
 band                     | 5
 state                    | WIFI_WDS WIFI_WDS_RX_BEACON 
 ssid                     | 
 ip-addr                  | 192.168.1.15
 frequency                | 5240
 channel                  | 48
 dhcp-request-status      | not requested
 radius-mac-auth          | not-required
 portal-auth              | not-required
 wlan-auth-type           | Open
 wlan-auth-status         | pending
 wlan-auth-time           | N/A
 rx-retry-count           | 0
 tx-fails                 | 0
 tx-period-retry          | 0
 tx-retry-count           | 0
 rssi-1                   | -30
 rssi-2                   | -30
 rssi                     | -30
 max-rssi-1               | -21
 max-rssi-2               | -17
 max-rssi                 | -17
 snr-1                    | 38
 snr-2                    | 38
 snr                      | 38
 noise-1                  | -68
 noise-2                  | -68
 noise                    | -68
 tx-rate                  | HE NSS2 MCS11 SGI 286.8
 rx-rate                  | HE NSS2 MCS7 SGI 172.1
 rx-bw                    | 20M
 rx-bw-all                | 20M
 tx-bw                    | 20M
 uptime                   | 00:04:22
 mfp                      | false
 wireless-mode            | ax
 perftest-capable         | false
 link-quality             | 100
 link-quality-common      | 100
 tx-retry-ratio           | 0
 actual-tx-rate           | 0
 actual-rx-rate           | 0
 shaped-rx-rate           | 0
 actual-tx-pps            | 1
 actual-rx-pps            | 0
 shaped-rx-pps            | 0
 link-capacity            | 100
 multicast-groups-count   | 0
 using-802.11r            | no
 using-802.11k            | no
 using-802.11v            | no
 twt-support              | none
 name                     | 0

Counter                  Transmitted               Received                    
----------------------   -----------------------   -------------------------   
Total Packets:           307                       2621                        
TX success:              100                                                   
Total Bytes:             24496                     740774                      
Data Packets:            251                       25                          
Data Bytes:              13384                     3216                        
Mgmt Packets:            56                        2596                        
Mgmt Bytes:              11112                     737558                      
Dropped Packets:         0                         0                           
Dropped Bytes:           0                         0                           
Lost Packets:            0                                                     

Rate              Transmitted               Received                    
---------------   -----------------------   -------------------------   
ofdm6             0              |   0%     4              |  16%       
he-nss1-mcs4      11             |   4%     4              |  16%       
he-nss2-mcs3      5              |   1%     4              |  16%       
he-nss2-mcs4      4              |   1%     4              |  16%       
he-nss2-mcs5      4              |   1%     4              |  16%       
he-nss2-mcs6      6              |   2%     4              |  16%       
he-nss2-mcs7      5              |   1%     1              |   4%       
he-nss2-mcs8      9              |   3%     0              |   0%       
he-nss2-mcs9      5              |   1%     0              |   0%       
he-nss2-mcs10     6              |   2%     0              |   0%       
he-nss2-mcs11     196            |  78%     0              |   0%       

Multicast groups: none
Вывод информации по одной или нескольким встречным точкам доступа

WOP-30LI(root):/# monitoring wds-entries e8:28:c1:da:cb:80 сть возможность указать несколько MAC-адресов, например, monitoring wds-entries e8:28:c1:da:cb:80 e8:28:c1:d1:43:15)

 index                    | 0
 hw-addr                  | e8:28:c1:da:cb:80
 interface                | wlan1
 rfid                     | -1
 wid                      | -1
 band                     | 5
 state                    | WIFI_WDS WIFI_WDS_RX_BEACON 
 ssid                     | 
 ip-addr                  | 192.168.1.20
 frequency                | 5240
 channel                  | 48
 dhcp-request-status      | not requested
 radius-mac-auth          | not-required
 portal-auth              | not-required
 wlan-auth-type           | Open
 wlan-auth-status         | pending
 wlan-auth-time           | N/A
 rx-retry-count           | 0
 tx-fails                 | 0
 tx-period-retry          | 0
 tx-retry-count           | 0
 rssi-1                   | -30
 rssi-2                   | -29
 rssi                     | -30
 max-rssi-1               | -21
 max-rssi-2               | -17
 max-rssi                 | -17
 snr-1                    | 38
 snr-2                    | 38
 snr                      | 38
 noise-1                  | -68
 noise-2                  | -67
 noise                    | -67
 tx-rate                  | HE NSS2 MCS11 SGI 286.8
 rx-rate                  | HE NSS2 MCS7 SGI 172.1
 rx-bw                    | 20M
 rx-bw-all                | 20M
 tx-bw                    | 20M
 uptime                   | 00:05:28
 mfp                      | false
 wireless-mode            | ax
 perftest-capable         | false
 link-quality             | 100
 link-quality-common      | 100
 tx-retry-ratio           | 0
 actual-tx-rate           | 0
 actual-rx-rate           | 0
 shaped-rx-rate           | 0
 actual-tx-pps            | 1
 actual-rx-pps            | 0
 shaped-rx-pps            | 0
 link-capacity            | 100
 multicast-groups-count   | 0
 using-802.11r            | no
 using-802.11k            | no
 using-802.11v            | no
 twt-support              | none
 name                     | 0

Counter                  Transmitted               Received                    
----------------------   -----------------------   -------------------------   
Total Packets:           307                       2621                        
TX success:              100                                                   
Total Bytes:             24496                     740774                      
Data Packets:            251                       25                          
Data Bytes:              13384                     3216                        
Mgmt Packets:            56                        2596                        
Mgmt Bytes:              11112                     737558                      
Dropped Packets:         0                         0                           
Dropped Bytes:           0                         0                           
Lost Packets:            0                                                     

Rate              Transmitted               Received                    
---------------   -----------------------   -------------------------   
ofdm6             0              |   0%     4              |  16%       
he-nss1-mcs4      11             |   4%     4              |  16%       
he-nss2-mcs3      5              |   1%     4              |  16%       
he-nss2-mcs4      4              |   1%     4              |  16%       
he-nss2-mcs5      4              |   1%     4              |  16%       
he-nss2-mcs6      6              |   2%     4              |  16%       
he-nss2-mcs7      5              |   1%     1              |   4%       
he-nss2-mcs8      9              |   3%     0              |   0%       
he-nss2-mcs9      5              |   1%     0              |   0%       
he-nss2-mcs10     6              |   2%     0              |   0%       
he-nss2-mcs11     196            |  78%     0              |   0%       

Multicast groups: none 
Фильтрация параметров мониторинга

WOP-30LI(root):/# monitoring wds-entries e8:28:c1:d1:43:15 filter hw-addr ip-addr tx-rate rx-rate uptime (вывод ограниченного количества параметров мониторинга по определенной точке доступа. Есть возможность указать несколько MAC-адресов)

 hw-addr                  | e8:28:c1:d1:43:15                                                                                  
 ip-addr                  | 192.168.1.15
 tx-rate                  | HE NSS2 MCS11 SGI 286.8
 rx-rate                  | HE NSS2 MCS7 SGI 172.1 
 uptime                   | 00:06:32     

WOP-30LI(root):/# monitoring wds-entries all filter hw-addr rssi-1 rssi-2 wireless-mode (вывод ограниченного количества параметров мониторинга по всем точкам доступа)

 hw-addr                  | e8:28:c1:d1:43:15                                                                                  
 rssi-1                   | -30                                                                                                
 rssi-2                   | -30                                                                                                
 wireless-mode            | ax                                                                                                 

 hw-addr                  | e8:28:c1:da:cb:80                                                                                  
 rssi-1                   | -30                                                                                                
 rssi-2                   | -29                                                                                                
 wireless-mode            | ax     

Информация об устройстве

WOP-30LI(root):/# monitoring information

 system-time                  | 08:16:34 24.04.2025
 uptime                       | 8 d 21:29:58
 hostname                     | WOP-30LI 
 software-version             | 2.8.0 build X    
 secondary-software-version   | 2.8.0 build X
 boot-version                 | 2.1.0 build X
 memory-usage                 | 43
 memory-free                  | 137
 memory-used                  | 104
 memory-total                 | 241
 cpu-load                     | 9.5
 cpu-average                  | 6.70
 is-default-config            | false
 vendor                       | Eltex
 device-type                  | Access Point 
 board-type                   | WOP-30LI
 hw-platform                  | WOP-30LI
 factory-wan-mac              | 68:13:E2:xx:xx:xx
 factory-lan-mac              | 68:13:E2:xx:xx:xx
 factory-serial-number        | WPxxxxxxxx
 hw-revision                  | 1v2
 session-password-initialized | false
 ott-mode                     | false
 last-reboot-reason           | firmware update
 test-changes-mode            | false 

Информация о сертификатах    

WOP-30LI(root):/# monitoring certificate

   ott:
      status: not present
  wlc:
      status: present
      url: https://192.168.1.15:8044
      file 'ca.pem':
         correctness: true
         issuer: /CN=WLC
         serial: F15E65D33604010D
         subject: /CN=WLC
         not-before: Jan  1 00:00:00 1999 GMT
         not-after: Aug 20 16:56:46 2124 GMT
      file 'cert.pem':
         correctness: true
         issuer: /CN=WLC
         serial: 6813E2xxxxxx
         subject: /CN=68:13:e2:xx:xx:xx
         not-before: Jan  1 00:00:00 1970 GMT
         not-after: Jun  1 01:11:37 2125 GMT
      file 'key.pem':
         correctness: false
  web:
      status: present
      file 'host.pem':
         correctness: true
         issuer: /C=RU/ST=Novosibirsk Region/L=Novosibirsk/O=Eltex Ent/CN=192.168.1.1
         serial: F801C0A554A38A16
         subject: /C=RU/ST=Novosibirsk Region/L=Novosibirsk/O=Eltex Ent/CN=192.168.1.1
         not-before: Jan  1 00:00:27 1999 GMT
         not-after: Jan 18 00:00:27 2038 GMT
  portal:
      status: present
      file 'portal.pem':
         correctness: true
         issuer: /CN=redirect.loc/O=Eltex Ent
         serial: A1D68F94A6178E83
         subject: /CN=redirect.loc/O=Eltex Ent
         not-before: Jun 25 08:28:08 2025 GMT
         not-after: Jun  1 08:28:08 2125 GMT
  redirector:
      status: present
      file 'redirector.pem':
         correctness: true
         issuer: /CN=*.*/O=Eltex Ent
         serial: A7F95936FCF48CD2
         subject: /CN=*.*/O=Eltex Ent
         not-before: May  6 16:14:59 2024 GMT
         not-after: Apr 12 16:14:59 2124 GMT 

Сетевая информация

WOP-30LI(root):/# monitoring wan-status

Common information:

 interface                | br0
 mac                      | 68:13:e2:xx:xx:xx
 rx-bytes                 | 623207607
 rx-packets               | 2750425
 tx-bytes                 | 15454709
 tx-packets               | 74220

IPv4 information:

 protocol                 | dhcp
 ip-address               | 192.168.1.15
 netmask                  | 255.255.255.0
 gateway                  | 192.168.1.1
 DNS-1                    | 192.168.1.100 
 DNS-2                    | 8.8.8.8

IPv6 information:

 addresses                | 2002::8/128 Global
                          | fe80::ce9d:a2ff:fee9:1470/64 Link
 dns-servers              | 2002::4144
                          | 2002::8844
                          | 2222::4144

WOP-30LI(root):/# monitoring ethernet-ports

   ETH1:
      name: ETH1
      link: up
      speed: 1000
      duplex: enabled
      media-type: copper 
      rx-bytes: 1060999
      rx-packets: 12042
      tx-bytes: 615591
      tx-packets: 491
   ETH2:
      name: ETH2
      link: up
      speed: 100
      duplex: enabled
      rx-bytes: 13478
      rx-packets: 293
      tx-bytes: 1009092
      tx-packets: 10815
   SFP1:
      name: SFP1
      link: up
      speed: 1000
      duplex: enabled
      rx-bytes: 0
      rx-packets: 0
      tx-bytes: 1069686
      tx-packets: 11085
   SFP2:
      name: SFP2
      link: up
      speed: 1000
      duplex: enabled
      rx-bytes: 0
      rx-packets: 0
      tx-bytes: 1069686
      tx-packets: 11085

WOP-30LI(root):/# monitoring sfp

   SFP1:
      name: SFP1
      status: exist
      link: down
      tx-fault: 0
      los: 1
      type: SFP
      vendor: FANG HANG       
      model: FH-SB5312IDS20  
      revision: A0  
      connector: SC
      speed: 1000
      i2c-data: yes
      volt: 3.3228 V
      temperature: 32.218
      current: 24.138 mA
      ptx: -5.956795
      prx: 0.000000
   SFP2:
      name: SFP2
      status: exist
      link: down
      tx-fault: 0
      los: 1
      type: SFP
      vendor: FANG HANG       
      model: FH-SB3512IDS20  
      revision: A0  
      connector: SC
      speed: 1000
      i2c-data: yes
      volt: 3.2844 V
      temperature: 34.542
      current: 21.108 mA
      ptx: -5.340226
      prx: 0.000000

WOP-30LI(root):/# monitoring arp

#        ip                mac              
--------------------------------------------
0        192.168.1.1       02:00:48:xx:xx:xx
1        192.168.1.151     2c:fd:a1:xx:xx:xx

WOP-30LI(root):/# monitoring route

Destination       Gateway           Mask              Flags      Interface 
--------------------------------------------------------------------------
0.0.0.0           192.168.1.1      0.0.0.0            UG         br0       
192.168.1.0       0.0.0.0          255.255.255.0      U          br0  

WOP-30LI(root):/# monitoring lldp

Port        Device ID           Port ID             System Name         Capabilities   TTL     
---------   -----------------   -----------------   -----------------   ------------   ---   
eth0        e0:d9:e3:xx:xx:xx   gi1/0/16                                               120     

Беспроводные интерфейсы

WOP-30LI(root):/# monitoring radio-interface

    name                     | wlan0
   rfid                     | 0
   status                   | on
   band                     | 2.4 GHz
   hwaddr                   | 68:13:E2:xx:xx:xx
   tx-power                 | 16 dBm
   connection status        | AP mode
   operation mode           | vap
   noise-1                  | -67 dBm
   noise-2                  | -67 dBm
   noise threshold (dBm)    |  -92 -89 -86 -83 -80 -75 -70 -65 -60 -55 -50  -1
   noise ratio (%)          |    1   0   1   1   2   8  15  11  18  18  11  12
   utilization              | 79%
   rx-utilization           | 0%
   tx-utilization           | 2%
   co-channel-interference  | 77%
   ap-interference-ratio    | 95%
   non-wifi-interference    | 19%
   packet-error-rate        | 11%
   channel                  | 6
   frequency                | 2437 MHz
   bandwidth                | 20 MHz
   mode                     | b/g/n/ax
   thermal                  | 43

   name                     | wlan1
   rfid                     | 1
   status                   | on
   band                     | 5 GHz
   hwaddr                   | 68:13:E2:xx:xx:xx
   tx-power                 | 19 dBm
   connection status        | AP mode
   operation mode           | vap
   noise-1                  | -81 dBm
   noise-2                  | -81 dBm
   noise threshold (dBm)    |  -92 -89 -86 -83 -80 -75 -70 -65 -60 -55 -50  -1
   noise ratio (%)          |   28   4   2   3   5   4  15  13   2   3   3   8
   utilization              | 12%
   rx-utilization           | 0%
   tx-utilization           | 0%
   co-channel-interference  | 12%
   ap-interference-ratio    | 55%
   non-wifi-interference    | 45%
   packet-error-rate        | 0%
   channel                  | 36
   frequency                | 5180 MHz
   bandwidth                | 20 MHz
   mode                     | a/n/ac/ax
   thermal                  | 40

Журнал событий

WOP-30LI(root):/# monitoring events

Jan  1 03:00:10 WOP-30LI daemon.info syslogd[1018]: started: BusyBox v1.21.1
Jan  1 03:00:12 WOP-30LI daemon.info configd[1031]: The AP startup configuration was loaded successfully.
Jan  1 03:00:14 WOP-30LI daemon.info networkd[1061]: Networkd started
Jan  1 03:01:17 WOP-30LI daemon.info networkd[1061]: DHCP-client: Interface br0 obtained lease on 192.168.1.15.
Oct 29 05:28:57 WOP-30LI daemon.info configd[1031]: The AP running configuration was updated successfully by admin
Oct 29 05:28:59 WOP-30LI daemon.info configd[1031]: The AP startup configuration was updated successfully by admin
Oct 29 05:30:25 WOP-30LI daemon.info monitord[1190]: event: 'authenticated' mac: 6E:BB:0A:xx:xx:xx ssid: 'WOP-30LI_5GHz' interface: wlan1-va0 channel: 48 rssi-1: -64 rssi-2: -62 location: 'root' auth-method: 'Open' captive-portal: 'disabled'
Oct 29 05:30:25 WOP-30LI daemon.info monitord[1190]: event: 'IP address was updated by DHCP packet' ip: 192.168.1.20 mac: 6E:BB:0A:xx:xx:xx ssid: 'WOP-30LI_5GHz' interface: wlan1-va0 channel: 48 rssi-1: -63 rssi-2: -65 location: 'root' reason: 0

Сканирование эфира

Во время осуществления активного сканирования эфира радиоинтерфейс устройства будет отключен, что приведет к невозможности передачи данных до Wi-Fi клиентов во время сканирования.

Активное сканирование эфира

Пассивное сканирование эфира

Предварительно необходимо включить менеджер пассивного сканирования радиоокружения.

Спектроанализатор

Спектроанализатор предоставляет информацию о загруженности каналов в диапазонах 2.4 и 5 ГГц. Результат выводится в процентах.

Во время работы спектроанализатора происходит отключение всех клиентов от точки доступа. Клиенты подключатся снова только тогда, когда спектроанализатор закончит свою работу.

Время анализа всех радиоканалов двух диапазонов составляет примерно 5 минут.

Спектроанализатор производит анализ всех каналов диапазона вне зависимости от настроек на радиоинтерфейсе.

С более подробной информацией о настройке радиоинтерфейса через CLI можно ознакомиться в разделе «Настройки Radio».

WOP-30LI(root):/# monitoring spectrum-analyzer

Channel|Frequency [MHz]|Utilization [%]
      1|           2412|             67
      2|           2417|             44
      3|           2422|              7
      4|           2427|              7
      5|           2432|             19
      6|           2437|             58
      7|           2442|             24
      8|           2447|             24
      9|           2452|             29
     10|           2457|             38
     11|           2462|             53
     12|           2467|             15
     13|           2472|              6
     36|           5180|              8
     40|           5200|             15
     44|           5220|              9
     48|           5240|             10
     52|           5260|             38
     56|           5280|              4
     60|           5300|              2
     64|           5320|             10
    132|           5660|              2
    136|           5680|              0
    140|           5700|              2
    144|           5720|              1
    149|           5745|             18
    153|           5765|              3
    157|           5785|              4
    161|           5805|              1
    165|           5825|              1

Получение отладочной информации

Команда для сбора отладочной информации

WOP-30LI(root):/# get-troubleshooting-file

После выполнения команды будет создан архив troubleshooting.tar.gz, содержащий отладочные данные и сведения о состоянии устройства.

Получить архив troubleshooting.tar.gz с устройства на сервер/ПК можно по протоколу TFTP:

WOP-30LI(root):/# tftp -pl troubleshooting.tar.gz <IP-адрес TFTP-сервера>

troubleshooting.tar. 100% |********************************| 62755 0:00:00 ETA

Получить архив troubleshooting.tar.gz с устройства на сервер/ПК можно по протоколу SCP:

scp <Пользователь>@<IP-адрес точки доступа>:troubleshooting.tar.gz troubleshooting.tar.gz (пример: scp admin@192.168.1.15:troubleshooting.tar.gz troubleshooting.tar.gz. Данная команда выполняется на сервере/ПК)


Вспомогательные утилиты 

Утилита traceroute

Утилита показывает, через какие узлы (маршрутизаторы) проходит пакет, сколько времени занимает обработка пакета на каждом узле.

Команда запуска трассировки

WOP-30LI(root):/# traceroute <тестируемый хост>

Пример использования

WOP-30LI(root):/# traceroute eltex-co.ru

Утилита tcpdump

Утилита tcpdump позволяет захватывать пакеты на указанном интерфейсе. 

Получить подсказку по работе с утилитой можно командой:

WOP-30LI(config):/# tcpdump --help

Захват трафика с активного интерфейса

Захват пакетов Ethernet-интерфейса.

WOP-30LI(root):/# tcpdump -i eth0

Захват пакетов Ethernet-интерфейса с сохранением в файл.

WOP-30LI(root):/# tcpdump -i eth0 -env -w tcpdump.pcap

Сниффер эфира 

На точке доступа должен быть включен любой VAP в том диапазоне, откуда необходимо захватывать трафик.

Необходимо включить специальный интерфейс, который улавливает пакеты из эфира, на рабочем канале точки доступа.

Команды

WOP-30LI(root):/# configure
WOP-30LI(config):/# interface
WOP-30LI(config):/interface# radioX (для диапазона 2.4 ГГц — radio0, для 5 ГГц — radio1)
WOP-30LI(config):/interface/radioX# common
WOP-30LI(config):/interface/radioX/common# enabled true

Захват пакетов эфира на radio0-интерфейсе.

WOP-30LI(root):/# tcpdump -i radio0

Захват пакетов эфира на radio0-интерфейсе с сохранением в файл.

WOP-30LI(root):/# tcpdump -i radio0 -env -w tcpdump.pcap

Настройка удаленной записи дампа трафика

В разделе remote-capture выполняется удаленная запись дампа трафика.
Точка доступа поддерживает протокол RPCAP, позволяющий производить запись дампа трафика с интерфейса устройства на удаленной машине в режиме онлайн.

Для удалённого захвата пакетов с радиоинтерфейсов необходимо поднять интерфейсы radio0 и/или radio1 из предыдущего пункта.

Команды для настройки remote-capture

WOP-30LI(root):/# configure
WOP-30LI(config):/# remote-capture
WOP-30LI(config):/remote-capture# enabled true (true — включение. Для отключения введите false)
WOP-30LI(config):/remote-capture# disable-authentication true (опция позволяет отключить требование аутентификации при добавлении удаленного интерфейса на удаленном хосте. По умолчанию: false — аутентификация запрашивается)
WOP-30LI(config):/remote-capture# port 2002 (2002 — номер порта, который служит для подключения удаленной машины. Возможные значения: 1025 - 65530. По умолчанию: 2002) 
WOP-30LI(config):/remote-capture# save (сохранение настроек)

Для удалённого подключения необходимо использовать RPCAP-протокол, указать IP-адрес точки доступа и порт. Для этого, например, можно использовать программу Wireshark. Затем необходимо получить список интерфейсов для сниффинга от точки доступа, выбрать один из них и запустить снятие дампа с удаленного интерфейса.

Выгрузка файла дампа трафика с точки доступа на сервер

Данная команда выполняется на сервере/ПК.

scp <Пользователь>@<IP-адрес устройства>:tcpdump.pcap tcpdump.pcap (пример: scp admin@192.168.1.15:tcpdump.pcap tcpdump.pcap)

Утилита iperf

Данная утилита используется для запуска потока трафика с одного устройства на другое. Отправляющая сторона называется клиентом, принимающая — сервером.

Получить подсказку по работе с утилитой можно командой:

WOP-30LI(root):/# iperf --help

Пример запуска потока трафика с точки доступа на сервер:

Настройка сервера на приём трафика

root@server:/# iperf -s

Запуск трафика с ТД-client в сторону сервера

WOP-30LI(root):/# iperf -c X.X.X.X (где X.X.X.X — IP-адрес сервера)

Настройкa режима Radar 

Функционал предназначен для сбора информации о клиентских устройствах в зоне действия точки доступа и передачи данных на сервер-коллектор.

Настройка радара с отправкой данных по протоколу HTTP

Команды для настройки функционала Radar (HTTP/HTTPS)

WOP-30LI(root):/# configure
WOP-30LI(config):/#radar
WOP-30LI(config):/radar# enabled true (включение функционала radar. Для отключения введите false)
WOP-30LI(config):/radar# url http://host:port/service (указывается URL-ссылка на сервис, который будет принимать данные от точки доступа в JSON-формате. Передача возможна по HTTP/HTTPS)
WOP-30LI(config):/radar# scan-interface all (где all — интерфейс, на котором будет работать сканирование. Возможные значения: wlan0  интерфейс 2.4 ГГц, wlan1 — интерфейс 5 ГГЦ, all — одновременно 2.4 ГГц и 5 ГГц. По умолчанию: all)
WOP-30LI(config):/radar# send-interval X (где Х — интервал отправки данных на коллектор. Возможные значения: 1-3600. По умолчанию: 5 секунд)
WOP-30LI(config):/radar# mac-source"probe data" (где probe data — выбор типа данных, собираемых в эфире. Возможные значения: probe — только probe request, assoc — только assoc, data — только data, all — все типы пакетов. По умолчанию: all)
WOP-30LI(config):/radar# scan-channel-timeout X (где Х — время, выделенное на сканирование одного канала. Возможные значения: 100-60000. По умолчанию: 200 мс)
WOP-30LI(config):/radar# scan-limit-channels-2g "1 6 11" (где 1, 6, 11 — каналы для сканирования в диапазоне 2.4 ГГц. Пустое значение — сканируются все доступные каналы)
WOP-30LI(config):/radar# scan-limit-channels-5g "36 40 44 48" (где 36, 40, 44, 48 — каналы для сканирования в диапазоне 5 ГГц. Пустое значение — сканируются все доступные каналы)
WOP-30LI(config):/radar# save (сохранение настроек)

Настройка радара с отправкой данных по протоколу MQTT

Команды для настройки функционала Radar (MQTT)

WOP-30LI(root):/# configure
WOP-30LI(config):/# radar
WOP-30LI(config):/radar# url mqtt://host:port/service (указывается URL-ссылка на сервис, который будет принимать данные от точки доступа по протоколу MQTT. Пример: mqtt://rtls.eltex.nsk.ru:1883/)
WOP-30LI(config):/radar# mqtt-username eltex (где eltex — имя пользователя. Необходимо для авторизации на сервисе-коллекторе)
WOP-30LI(config):/radar# mqtt-password password (где password — пароль. Необходим для авторизации на сервисе-коллекторе)
WOP-30LI(config):/radar# mqtt-topic input_mqtt_topic (указывается URL-идентификатор сущностей в обмене между точкой доступа и коллектором по MQTT-протоколу)
WOP-30LI(config):/radar# scan-mode passive (где passive режим работы радара. Возможные значения: active — точка доступа только сканирует эфир и не предоставляет сервис клиентам; passive — точка доступа предоставляет сервис клиентам, эфир не сканирует, передает данные по подключенным клиентам. По умолчанию: active)
WOP-30LI(config):/radar# scan-interface all (где all — интерфейс, на котором будет работать сканирование. Возможные значения: wlan0 — интерфейс 2.4 ГГц, wlan1 — интерфейс 5 ГГц, all — одновременно 2.4 ГГц и 5 ГГц. По умолчанию: all)
WOP-30LI(config):/radar# send-interval X (где Х — интервал отправки данных на коллектор. Возможные значения: 1-3600. По умолчанию: 5 секунд)
WOP-30LI(config):/radar# mac-source"probe data" (где probe data — выбор типа данных, собираемых в эфире. Возможные значения: probe — только probe request, assoc — только assoc, data — только data, all — все типы пакетов. По умолчанию: all)
WOP-30LI(config):/radar# scan-channel-timeout X (где Х — время, выделенное на сканирование одного канала. Возможные значения: 100-60000. По умолчанию: 200 мс)
WOP-30LI(config):/radar# scan-limit-channels-2g "1 6 11" (где 1, 6, 11 — каналы для сканирования в диапазоне 2.4 ГГц. Пустое значение — сканируются все доступные каналы)
WOP-30LI(config):/radar# scan-limit-channels-5g "36 40 44 48" (где 36, 40, 44, 48 — каналы для сканирования в диапазоне 5 ГГц. Пустое значение — сканируются все доступные каналы)
WOP-30LI(config):/radar# scan-min-signal X (где X — порог уровня сигнала. Если точка доступа видит клиента с уровнем ниже указанного, то MAC-адрес клиента не передается на коллектор, и клиент не считается обнаруженным.  Возможные значения: -100-0. По умолчанию: 0, функционал отключен)
WOP-30LI(config):/radar# enabled true (включение функционала radar. Для отключения введите false)
WOP-30LI(config):/radar# save (сохранение настроек)

Список изменений

Версия документа

Дата выпуска

Содержание изменений

Версия 1.310.2025

Синхронизация с версией ПО 2.8.0

Добавлено:

6.4.2 Подменю «Беспроводной канал»

6.8 Меню «STA»

6.8.1 Подменю «Клиент»

6.11.7 Подменю «Отладочная информация»

7.13 Настройка DAS-сервера

7.15.2 Беспроводной канал

8.2.4 Выгрузка файла дампа трафика с точки доступа на сервер


Изменено:

7.3.7 Настройка VAP с внешней портальной авторизацией

7.3.9 Дополнительные настройки VAP

7.10.2 Управление конфигурацией устройства

7.11 Настройка параметров портальной авторизации

7.16 Получение отладочной информации

Версия 1.2 06.2025

Синхронизация с версией ПО 2.7.1

Добавлено:

7.2.2 Настройка удалённого управления

7.8 Настройка репликации ARP

7.13 Настройка DAS-сервера

7.14 Настройка менеджера пассивного сканирования радиоокружения


Изменено:

7.3.6 Настройка VAP с портальной авторизацией

7.3.7 Настройка VAP с внешней портальной авторизацией

7.3.8 Настройка дополнительного RADIUS-сервера на VAP

7.15 Мониторинг

7.15.8 Сканирование эфира

Версия 1.102.2025

Синхронизация с версией ПО 2.6.1

Добавлено:

7.3.8 Настройка дополнительного RADIUS-сервера на VAP

7.4 Настройка AirTune

7.7 Настройка репликации DHCP

7.13.10 Получение отладочной информации

8.4 Настройкa режима Radar

8.4.1 Настройка радара с отправкой данных по протоколу HTTP

8.4.2 Настройка радара с отправкой данных по протоколу MQTT


Изменено:

2.3 Технические параметры устройства

6.4.3 Подменю «Статистика по трафику»

6.4.6 Подменю «Сетевая информация»

6.6.2 Подменю «VAP»

6.13 Настройка удаленной записи дампа трафика

7.3.9 Дополнительные настройки VAP

7.11.5 Сетевая информация 

Версия 1.007.2024Первая публикация
Версия программного обеспечения 2.8.0
  • Нет меток